Fórum témák
» Több friss téma |
Hello! Nézd meg, ha egy zénerrel így határolsz, mi lesz a következménye.. üdv!
Köszi a megjegyzést, csak a pic védelmére szántam oda a zénereket, kezdő vagyok de ezt szeretném megcsinálni. Segítsetek légyszives, hogyan csináljam hogy jó legyen? Nagyobb ellenállás kellene? ALKOTÓ 2.7.4V tápjához kellene a kijelző modul.
A hozzászólás módosítva: Okt 26, 2013
Hónapok óta szünetel a projektem, most elővettem. A dobozolással vagyok gondban és a kijelzőmdullal szenvedek, a pic programrol nem is beszélve, sokat olvasok itt afórumon is, de programozás nagyon kínai nekem. Köszi a segítségeket.
Nem az ellenállás értékével van a gond, hanem a zéner könyökfeszültségével. Mert mint látható, a zéneráram sokkal hamarabb elindul, mint ami könyökfeszültség a zénerre rá van írva. Így elő kel feszíteni a zénert kb. 5mA árammal, és a vágást egy diódával végezni. Sajnos a dióda sem optimális kapcsoló elem, a hőfokfüggése még mindig "bent maradhat a pakliba". De sokkal jobb eredmény érhető el, mint látható.
Elvileg a PIC bemenete önmagát is meg tudná védeni, hiszen van benne dióda, csak az áramot ekkor korlátozni kellene a soros ellenállás növelésével. (Nem igazán szólnak az adatlapok, a védődiódák béketűréséről.) De ha a bemeneten és védődiódán keresztül áram folyik a PIC tápfeszültsége felé, az megemelkedhet, hiszen a stabi csak a feszültség csökkenést tudja kiszabályozni, növekedést aligha. Vagy is ez csak akkor lenne igaz, ha a PIC tápfeszültségét, egy párhuzamos Shunt stabilizátorral stabilizálnánk. (Pld. egy TL331-el) üdv!
Akkor ha jól értelmezem a soros ellenállás növelése is elegendő lehet a pic védelmére, nem akarom tovább bonyolítani. Már többször eszembe jutott, hogy hagyom a fenébe az egész pic-es kijelzést, de közös katódos a kijelző és megvan hozzá a max ic is, ahhoz meg kell a pic.( Lehet hogy ezt feladom és átváltok ICL-es kijelzésre).
Köszi a hasznos észrevételeket.
Írtam, ha párhuzamos Shunt stabilizátor az IC tápfeszültség ellátása, akkor igen. Ha soros áteresztő mint jelen esetben, akkor is lehetséges, csak a rendszer fogyasztása több legyen, mint a bementi áram. Akkor nem emeli fel a bementi áram a tápfeszültséget.
Az IC tápfeszültsége 9V, aminek kimenete legfeljebb a 8V-ot éri el. 4,7kohm soros ellenállás esetén, a bementi áram maximum Ibe=(8V-5V)/4,7k=640uA. Ennyit szerintem elvisel a bementi dióda, és ez csak meghibásodás esetén fordulhat elő. Ha meg a 230V költözik belé, úgy is kitakarít mindent nem kell már söprögetni benne semmit. üdv!
Köszi, eszerint fogom módosítani, ha ez a megoldás marad a végleges.
Sziasztok!
DC erősítőnek szeretnék használni egy tl072-t, amit nem invertáló módban kötöttem be. A tápfesz 5V, a bemenő feszültség 0-0.5V. Az erősítést kb 10x-re állítottam be, a visszacsatolásban lévő potival. Azt még el tudnám fogadni, hogy ha nem menne ki tápfeszig a kimenő jel (pedig kimegy "WIDE COMMON-MODE (UP TO VCC+)"), de ha 0.7V alatt van a bemenő feszültség, akkor a kimenet beragad tápra. Próbáltam tesztpanelon külön is dolgot, mert azt hittem elromlott az ic. Adtam neki 15V-ot, és láss csodát most is azt csinálja. 0.7V felett szépen megy, ahogy adom a jelet úgy változik a kimenet, de 0.7V alatt megint kiakad tápra. Elképzelhető hogy nulla környékén nem lehet vezérelni? Toljam el mínuszba a negatív tápját? Már eddig is olyan a panel mint egy dzsungel. Vagy van valami olyan ic, ami tud 0-5V között dolgozni egy tápról és még beszerezhető is? Mit kell figyelni az adatlapján?
Nézd ezt meg: Bővebben: Link
Idézet: „Elképzelhető hogy nulla környékén nem lehet vezérelni?” Nem elképzelhető, hanem biztos. Idézet: „Vagy van valami olyan ic, ami tud 0-5V között dolgozni egy tápról és még beszerezhető is?” A Microchipnek van egy marék ilyen műveleti erősítője. Van kisebb-nagyobb, olcsóbb-drágább, gyorsabb-lassabb, és vannak köztük egészen alacsony fogyasztásúak is. MCP6002, MCP602. Idézet: „Mit kell figyelni az adatlapján?” Mondjuk rá legyen írva, hogy rail-to-rail. A "Common-mode Input Voltage Range"-be beleessen a kívánt bemenő feszültség, ill. az "Output Voltage Swing"-be meg a kívánt kimeneti feszültség.
Máris okosabb lettem egy kicsit
![]() Az mcp602-nél csak a kimenetre írja a rail-to-rail-t. Nem értem miben nyilvánul ez meg számomra..
Meg "Input range includes ground". Azaz 5V-os táp esetén a bemenet lehet 0V, de nem lehet 5V, és ezt a táblázat ki is fejti, hogy pontosan mennyi lehet.
Hú bakker. Ennyi mindent kell figyelni egy nyomorult műverősítőnél? Már előre félek, amikor bemegyek a kis szatócsboltba, hogy amikor kérem az ic-t, akkor csak pislog vissza a muki, hogy "hát ilyen nincs, de van helyette másik". Ami persze köszönő viszonyban sincs vele. Azt hiszem utána nézek még a dc erősítőknek, biztos ami biztos.
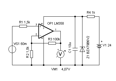
Sziasztok.
Tud valaki adni egy olyan kapcsolást. ahol 60 mV jelet 4 voltra feltudok erősíteni. Köszönöm. ![]() Jah és a táp az fix 24 volt. A hozzászólás módosítva: Okt 31, 2013
Hello! Az elvárt pontosság, nagyon nem mellékes. De egy MCP6001 jobb lenne hozzá.
(Olyan, hogy "Jah" a magyarban nincs. A legközelebbi a német nyelvben a "Ja" de az sem szép. De van "Hoppá", "Ó", "Igen", "Most jut eszembe.." stb. ) üdv!
Végülis megoldottam úgy tűnik. Kipróbáltam pár típust, és valahogy nagyon nyögve nyelős volt a dolog (egyik sem ment rendesen), így inkább csináltam hozzá egy negatív tápot is. Kicsit bonyolultabb lett a panel, de legalább ott, és annyi mérek amit kell
![]() Köszönöm a válaszokat! A hozzászólás módosítva: Okt 31, 2013
Helló! Egy olyan problémám lenne hogy szeretnék építeni egy műveleti erősítőt diszkrét elemekböl, de seholsem találok kapcsolási rajzot hozzá. Ha valakinek lenne egy ilyen kapcsolási rajza az nagyon jó lenne.
Köszönöm Szépen! Már elég régóta tervezgetem a megépítését és kerestem is Googlban anno de nem találtam semmit.
Ráadásul ez relativ egyszerű kapcsolás úgyhogy a tanulmányozása is könnyebb.
Szia István! Megépítettem a VF2 -t 3 pár IRFP240 és párjával. A műveleti most NE5534 es IC.
A kérdésem ha beleteszek egy AD811 -t működni fog az erősítő? ![]() Illetve van még egy kérdés, de lehet, hogy nem itt kéne feltennem. A FETeket GT20D101-201 kiszeretném cserélni. Mennyi esélyem van a működéshez? A hozzászólás módosítva: Nov 4, 2013
Szia!
Szerintem felesleges egy ilyen nagy sávszélességű, gyors erősítőt használni, de próbáld ki, aztán majd meghallod a végeredményt. A GT... nevezetű alkatrészek IGBT-k és nem FET-ek, bár vannak közös vonásaik, főleg a vezérlés terén.
Hello! Azt szeretném kérdezni,hogy hogyan lehet a műveleti erősítő lábain mérni a feszültséget?Arról van szó,hogy próbáltam megmérni az LM 358-as 3. lábán a feszt a - táphoz képest,és mikor rátettem az analóg műszert,elkezdett kattogni valami.(különben az IC-nek komparátor szerepe volt az áramkörben.)Gondolom,a műszer belső ellenállásától átbillent a komparátor. De akkor hogyan lehet ezeken a lábakon mérni egy megbízható feszültség értéket?
A hozzászólás módosítva: Nov 15, 2013
Hello! A műveleti erősítő bementi ellenállása szinte végtelen nagy. A műszered nem azt terheli, hanem azt az áramkört/fokozatot, ami előtt van. Ha a komparátor bemenettel sorba ellenállás van vagy a meghajtó fokozatnak van kimeneti ellenállása, a terhelt feszültséget méred és ezt kapja a komparátor is. Ha az impedancia ezen a ponton elég nagy, a mérőzsinórral hálózati zavart vagy brummot vihetsz be a komparátor bemenetére. Ha nincs a komparátornak hiszterézise, akkor az akár vezérelheti is ütemesen a komparátort. Hiszen annak nyílthurkú erősítése hatalmas, akár mV nagyságú feszültségekre is tud kapcsolni.
Egy műszer mindig meghamisítja a mért értéket, de attól függő mértékben mennyire összevethető annak bementi ellenállása a mért feszültség kimeneti, vagy is forrásellenállásával.. üdv!
Sziasztok!
Van nekem ne5534 egy panel építve csak nem tudom mi a comp, balance, comp/bal ezek nincsenek bekötve.
Szia!
Nem kell bekötni a kompenzációs kondenzátort és a kimeneti feszültség nullára állítását végző ellenállást, ha a kapcsolásban nem szerepelnek. A hozzászólás módosítva: Nov 25, 2013
Üdv mindenkinek!
A rajzon lévő áramkörrel az a problémám, hogy a bemenő jel ( töltés vagy fogyasztás) csak akkor mér helyesen ha a 4 láb -5 v helyett - 0.3 v. Mivel az 1 lábon -2 volt is lehet 30 Amper áramnál így nem fog működni. Mi lehet a hiba? Esetleg tudnátok más kapcsolást ajánlani . Köszönöm.
Hello! Inkább azt írd le, mit is szeretnél, hogy tudjon.. üdv!
|
Bejelentkezés
Hirdetés |









Ráadásul ez relativ egyszerű kapcsolás úgyhogy a tanulmányozása is könnyebb. 







