Fórum témák
» Több friss téma |
- Ez a felület kizárólag, az elektronikában kezdők kérdéseinek van fenntartva és nem elfelejtve, hogy hobbielektronika a fórumunk!
- Ami tehát azt jelenti, hogy a nagymama bevásárlását nem itt beszéljük meg, ill. ez nem üzenőfal! - Kerülendő az olyan kérdés, amit egy másik meglévő (több mint 17000 van), témában kellene kitárgyalni! - És végül büntetés terhe mellett kerülendő az MSN és egyéb szleng, a magyar helyesírás mellőzése, beleértve a mondateleji nagybetűket is!
A helyes link: Bővebben: Link.
Sziasztok!
Szeretném megtudni, hogy egy 10W körüli ~24V tekercses mágnesszelep 24V egyenárammal üzemeltethető-e? Jelent valamiféle túlterhelést ezesetben az egyenáram?
Szia!
Igen, jelent, mert a váltakozóáramú tekercsnek kisebb az ellenállása.
Sziasztok! Ebben a hozzászólásomban látható triakokra mekkora hűtőbordát illik tenni, ha darabonként maximum 500W-ot kapcsolnak?
Sziasztok!
Az első képen lévö kapcsolást szeretném megépiteni, de én 3X9db fehér 3-3,2V/20mA ledet szeretnék meghajtani. Azt látom ott is meg az adtlapján is hogy az Rs ellenállás értéke határozza meg az áram korlátot. Esetembe 10 ohm. De az adatlapon lévő ledeknél van egy ellenállás aminek nem tudom hogy milyen értékünek kellene lennie, ha egyátalán kell. A másik kérdésem, hogy az adtlapon lévő R1 és R2 ellenálásnak mi a szerepe mert a kapcsolásba "R3-R4" meg az adatlapon lévö kapcsolásba 100k van a másiknál meg 300k. Az utolso kérdésem meg hogy az EN/DIM lábnál én nem akarok fényerö szabályzást csak hogy ki be kapcsolja az ic-t. Mit kellene ott változtatnom és mekkora a max feszültség ami arra a lábra mehet " Nekem 3V van" Elöre is köszönök minden segitséget és javaslatott.
Hello! Ahogy István mondja. Kivétel, ha a mágnesszelep csatlakozójában egyenirányító van. Mert akkor még is csak egyenáramú a szelep. (Pld. FESTO-nál szokás az ilyen megoldás.) üdv!
Szia!
Egy kis lemezdarab elég lenne, de lehet, hogy még arra sem lesz szükség. Először próbáld ki hűtés nélkül és ha sütőssé válik, akkor rakj rá hűtőlapot.
Sziasztok.
Tud valaki adni egy olyan kapcsolást. ahol 60 mV jelet 4 voltra feltudok erősíteni. Jah és a táp az fix 24 volt. Köszönöm.
Azért azt nem ártana tudni mit is akarsz? AC, DC, hangfreki, vagy mi a szösz?
Egy kérdést, egy helyen teszünk fel! Ott már válaszoltam rá..
Ezek tényleg ennyire nem melegszenek? Nem nagyon mertem tesztelgetni így hűtés nélkül, egy 60-as izzóval csak épphogy 2-3mp-re, nehogy megsüljön.- Meg aztán nehogy odaégjen a tapintoszkópom, mint múltkor egy zárlatos 7805-höz De ezek szerint akkor kipróbálom egy kicsit nagyobb terheléssel és figyelem a triakot. Ha nagyon melegszik elég egy L-profil olyan 2mm vastag alu? Egyébként zárt műa. dobozban lennének, akkor nem fogja megfőzni a dobozban levő többi cuccost?
Hello! Egy triac maradék feszültsége 1V körül van. 500W az kb. 2,2A, vagy is maximum 2,2W/triac. Nyolcnál azért már hűteni kell a 17W-ot.. Mert ugye 60W az nem 8*500W.. üdv!
Igen, gondoltam hogy kell majd hűteni. Olyan 20W körüli elfűtésre egy 20mmX35mmX2mm-es L alu profil elég? Hagyhatom belül vagy vezessem ki a dobozon kintre egy kis részét? Vagy ha tudok keríteni sima alu lapot ami 16cm hosszú(ennyi az elsőtől az utolsó triakig a táv) és kb 10cm széles, akkor abból ha hajtok mondjuk egy U-t és az U két végét kitolom a dobozon kívülre az jó?
Azt sosem fogom tudni megmondani, hogy az általad készített bordának mennyi lesz a hőellenállása. Főleg hogy a dobozon belül van valami. De ha megnézed a He-n a hűtőbordákat és a felületét összehasonlítod, akkor talán többet fogsz tudni róla. Én mindenesetre nem tenném ki a dobozból, mert a Triac hűtőfelülete a hálózati feszültségen van, az ördög meg nem alszik. Kivét, ha keményen földelve van a borda. Inkább szellőző furatokkal látnám e a dobozt, hogy a borda ne legyen "tapizható". üdv!
Csak viszonyításképpen: Egy 3kW-os szabályzó és az ő bordája.
Körbenéztem itthon, mik a lehetőségeim, ezeket találtam mint alkalmas darabok, melyik felelne meg?
Mindegyik jól megfelel, de miért nem csinálsz egy hűtés nélküli üzemi próbát?
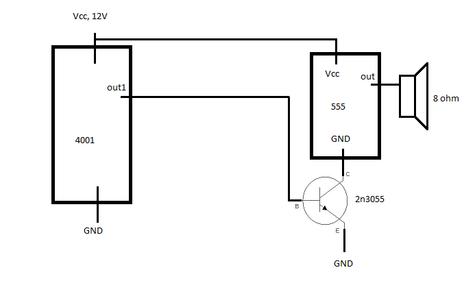
Sziasztok!
Egy 555-ös ic-t szeretnék egy 4001-essel vezérelni. ( az 555-ös ic egy sípoló hangot generál, ami egy 8 Ohm-os hangszórón szól) Lerajzoltam hogy képzeltem el, erről szeretném kérdezni, hogy működne-e? A tranzisztor esetleg el is hagyható, és a 4001-es egyik kimenete elég erős ehhez, köthetem az 555-ös ic tápjára? Most egy 2n3055-ös tranzisztorral rajzoltam le, gondolom ennél kisebb is megtenné, de ilyen van épp itthon. (meg bc182, az elég lenne?) Ha nem működne, akkor mivel és hol kellene kiegészíteni a rajzot?
Hűtés nélkül beterheltem egy 300W-os PAR lámpával, 1 perc alatt 20fokról 45-re emelkedett a hőmérséklet közvetlen a triak hűtőlapján a digit.hőmérőm szerint.
Ha jól értelmezem a rajzod, illetve hogy mit is akarsz, akkor felesleges az 555-ös tápját kapcsolgatnod. A 4001-es kimenetét kösd rá az 555-ös reset lábára, így csak akkor fogja engedélyezni a működését (a sípot), ha magas szinted ad a cmos ic.
A hozzászólás módosítva: Okt 31, 2013
Az még csak langyos, mehet feljebb is.
No, de ha 1 perc alatt megy fel ide, innen megy tovább is, és ennek egyhuzamban kellene bírnia órákat is.
100 fokig bírnia kell. De rakjál rá egy kis lemezt és meg van oldva a probléma.
Az előbbi képekből a saroklemezt teszem rá, az maradhat belül?
Köszi,de azért kérdeztem itt,mert fogalmam sincs róla,hogy egyáltalán megvalósítható-e ez a dolog. Az viszont tényleg tuti ötlet,hogy az adót kéne villogtatni. A környékemen nem ismerek olyat,aki komolyabban értene az elektronikához,azért is szerettem meg ezt az oldalt.Már nem egyszer kaptam segítséget,többször Tőled is,amiért hálás vagyok.
Úgy csináld, hogy ne legyen zárlat és a borda vagy lemez mindig függőlegesen álljon a jó légáramlás miatt.
Zárt dobozban nem túl nagy légáramlás van szerintem, de ha az L lemezemet teszem oda, az akkor vízszintes felületet ad, az úgy rendben lesz?
Sziasztok!
Ha tranzisztoros előerősítő tervézsbe fogok, hogyan válasszak tranzisztort, ha kis zajszint és a minél lineárisabb frekvenciaátvitel a lényeg (na meg persze az olcsóság mert többet szeretnék). Ti milyen tranzisztorokat szerettek alkalmazni erre a célra?? fontosabb: Célszerű minél nagyobb áramú tranzisztorokat választani, itt arra gondolok ami pl a HESTORe boltban a tranzisztorok alá írnak: 500mA / 35V??? Köszönöm!
Szia! Itt a témája. Annyi tranzisztoros előerősítő van a világhálón, hogy csak győzz válogatni belőle. Használj angol keresőszavakat, ha valami speciális dolog érdekel!
|
Bejelentkezés
Hirdetés |
















