Fórum témák
» Több friss téma |
Fórum » Tranzisztorok helyettesítése
Szia!
A felül látható linkeken található oldalak segítenek: Bővebben: Link.
Sziasztok! Az lenne a kérdésem,hogy a C945 NPN tranzisztort milyen típussal tudnám helyettesíteni?
A hozzászólás módosítva: Nov 4, 2013
Hello! Tudna-e valaki segíteni abban,hogy a S8050L alkatrész NPN tranzisztor? És mivel tudnám helyettesíteni?
Helló!
Az SU169 tranzisztor helyetesíthető a BUX48A tranzisztorral? Trabant 601 es gyujtáselektonikájába kellene ami tartósabb illetve ha nagyon leesik az aku feszültsége is működjön. Vagy esetleg tudtok mást ajánlani? köszi előre is a választ!
Sziasztok!
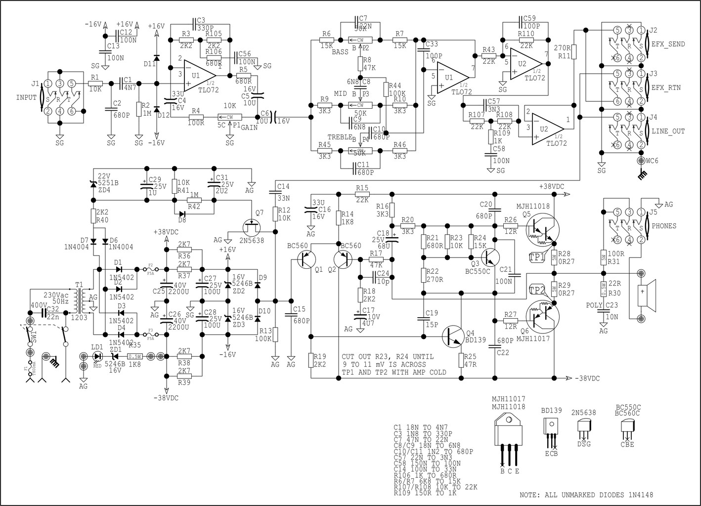
Most építek egy gitárerősítőt, s egy 2N5638 tranzisztor kellene bele, de sehol nem találok. Valaki tudna segíteni, hogy mivel tudnám helyettesíteni??? Köszönöm.
Szia!
Bővebben: Link
Sajna egyik sem fellelhető!!
Valami tippje még valakinek?? köszönöm.
A Mousernél még van az eredeti fajtából, a termék gyártása amúgy megszűnt.
Az utolsó pár hozzászólást nézd meg: Bővebben: Link
Akkor nrm jó helyette valamilyen más fet? Itt a kapcsolás.
Vagy jó helyette, vagy nem. Kipróbálhatod. Ez egy audióáramkör, itt még az alkatrészek hangszíne is számít.
Ha van kedved kísérletezgetni, akkor nyugodtan tesztelheted bármilyen 30V-ot elviselő N-csatornás JFET-tel. Mondjuk akkora választék ezekből nincs, hogy egy sarki boltban gondot okozzon az összes fajtából venni egyet.
Üdv!
Mond valakinek valamit az LND150 típusú j-fet? Sem beszerezhetőségét, sem helyettesítőjét nem tudok.
500V-os JFET? Az igen...
![]() Amúgy a Mousernél ez is van (lásd linket lentebb).
Bocsánat, valóban téves dolgot mondtam, más kapcsolást is néztem, bekavartam magam. Mosfet, az adatlapja tetején ott virít!
Le telt a szerkesztési idő, ezért a dupla hsz.
Olyan helyettesítőt keresek, amit kiskerben is könnyen megkapok. Két fet miatt nem akarok rendelni. Néztem HEStoron, HQ-Videon, és TME-n. Utóbbi már elég nagy, és nincs nekik. Milyen főbb adatok alapján keressek helyettesítőt? A hozzászólás módosítva: Nov 14, 2013
Szia!
Max. D-S feszültség, max. drain áram, N-csatornás, kiürítéses (depletion) típus és persze a tokozás is fontos. Ezen kívül van még kismillió más tulajdonsága is, de az előbb felsoroltak a legfontosabbak.
Sziasztok!
Valaki meg tudná mondani hogy lehet-e helyettesíteni BUY69C-t S2000AF tranzisztorral?
Az S csak 8A-es, tehát szűken, de helyettesítheted.
Köszönöm a gyors választ! Nekem a max átfolyó áram kb 4A!
Köszönöm a választ! Akkor nincs túl könnyű dolgom!
Üdv!
Szerintetek ASZ 1018 tranzisztort mivel lehetne helyettesíteni ? Ez a tranzisztor egy gyújtás levillogó stroboszkópban van. A hozzászólás módosítva: Nov 16, 2013
Hali.
Van egy autóerősítőbe egy olyan tranzisztor hogy: c945 t p 34 ezt mivel lehet helyetesíteni? esetleg ez jó hozzá? 2SC3331 A hozzászólás módosítva: Nov 18, 2013
Hali!
Nagyon nagy a valószínűsége hogy az a tanzisztor 2SC945, ha igen, akkor a tranzisztorkatalógus szerint majdnem azonosak a paraméterek meg a tok is, esetleg az erősítés kicsit kisebb.
Vissza kell rajzolni a környezetét, hogy kiderüljön: mennyire számít, hogy a Si eszközök 6-700mV körül nyitnak a Ge félvezetők pedig 100-130mV körül. Ha valami teljesítmény-kapcsoló fokozatban van, akkor nincs nagy gond, de ha valami trafós (bázisra tekercsről visszacsatolt) nagyfesz-oszcillátor része, akkor módosítani kell pár helyen, hogy jól működjön. Hébe-hóba azért még hozzá lehet jutni.
Ha odafér, akkor mehet a 245-246, vagy 249-250. A kapható típusok között kell hasonlót keresni, időigényes feladat, de nagyon sok más pár jó lehet.
Szia!
11AK30-ban szokás a típuscsere. De ha jónak méred, akkor nincs értelme a cserének.
Sajnos kuka ahogy a bu808 is, de akkor túrok tovább hátha akad itthon. köszi!
A hozzászólás módosítva: Nov 24, 2013
Sziasztok, C2837 6N P tranzisztort mivel lehet helyettesíteni? ilyen sehol sem találok
|
Bejelentkezés
Hirdetés |




Valami tippje még valakinek?? köszönöm. 





