Fórum témák
» Több friss téma |
Fórum » LCF-mérő
Témaindító: Thomas10100, idő: Feb 11, 2006
Témakörök:
Én a Hutale féle műszert építettem meg, és kb. fél éve hibátlanul működik teljes megelégedésemre. Persze nem a demo szofverrel, de semmiféle bekapcsolási problémával nem találkoztam. Azt a 4-5 mp. feléledési időt meg nem nevezném problémának...
Csupán érdeklődtem ki milyen véleménnyel van és mit érdemes megépíteni? Természetesen szempont az is egy megépítésnél, hogy a teljes verziós szoftver mennyibe kerül. Esetleg EZT az áramkört elkészítette már valaki? Vagy mit szóltok hozzá, érdemes belefogni? Üdv
Nem értelek minek futsz felesleges köröket. Már több százan leírták, hogy jó az LCM3, és jól is működik. Minden támogatást megkapsz hozzá a fórumon. Tehát ne keress tovább, hanem építs!
A HUTALE féle is jó szerintem, de a forgó kapcsló nem nyerte el a tetszésemet, sem a proci ára. Így maradt az LCM3.
frekvenciamérőre is szükségem lenne, ezért a "felesleges" kör. Csupán azt kérdedeztem, ki mit szól, mihhez. A LCM3-at megépitettem és szuper. A hutele féle cucc több külföldi oldalon létezik freebe...Más oldalról kiglancolt forrásafájlért nem igazán szeretnék 4-5 ezret fizetni..tehát a hutale az felejtőssé vált...
Azért köszi az infot
Tényleg felesleges köröket futsz itt!
Az LCFesR mérő szoftverével kapcsolatban már 2009 ősszel az LC-mérő fórumon bizonyítottam, hogy senki másnak a programját nem használtam. Az elméletet, a hardver-ötleteket az Interneten találtam (ezekről a dokumentációban le is írtam), melyekhez javaslatokat kaptam, melyeket megváltoztattam, melyekhez hozzáadtam stb., hogy megfeleljenek nekem . A programot magam fejlesztettem ki, mert az egy kihívás. Az alap szoftvert megcsinálni nem túl bonyolult, de azért sokat kell dolgozni, hogy minél szélesebb legyen a mérési tartománya, illetve jól mérjen a teljes mérési tartományban. Az egyszerű frekvencia-mérést nagyon egyszerű megcsinálni (széles tartományban való mérést megcsinálni már valamivel nehezebb), de szerintem te magad is tudsz fejleszteni egyet (a kapcsolásokat az Interneten sok helyen megtalálod), így nagyobb örömöt lelhetsz benne. Kérlek, ha nem tudsz biztosan dolgokat, akkor jobb, ha óvatosan nyilatkozol és nem állítasz. Nem szeretném a vitát, itt be is fejeztem.
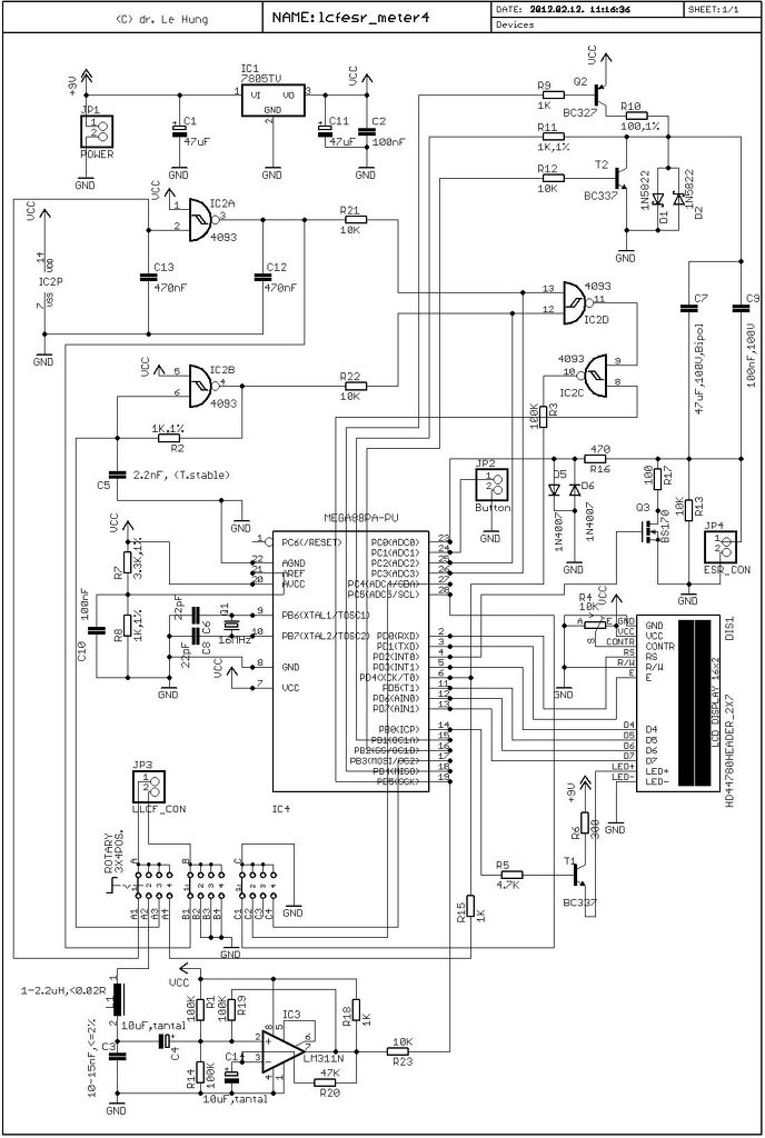
No! Elkészült ez a csoda műszer. Az induktivitás mérő viszonylag stabil, de a kapacitásmérő össze-vissza ugrál. Beraktam az 5-7 lábak közé a kb 47pF-os kondit. Meg is nyugodott a kicsike. Kicseréltem az oszcillátor 1 nanós kondiját. Az új kondi multiméterrel mérve 1001 pF. Mégis a mért érték 100nF-os kondi esetén 26nF. Találtam egy doksit. Ezt: Azt írja, hogy a 3 kapus áramkör nagyon stabil a 2 kapushoz képest.
Mondjátok, hogyan lehet ezzel a masinával frekvenciát mérni. A kapcsoló első állásában induktivitást mér. A másodikban kapacitást. A harmadik és a negyedik állásban is kapacitást mérne, csak a mérő csatlakozók le vannak választva. A kijelzőn egyértelműen kondi mérést ír. A kapcsolási rajz szerint is megy a kondimérés oszcillátora. Láttam egy műszerelőlapot, ahol a 3. állásra induktivitás mérést írtak. Hogyan van ez?
Üdv Mindenkinek! Valaki el tudná nekem küldeni az eredeti EPE féle hex-et? A doncsó féle fordítás nem egészségesen müx nálam...Egyrészt dupla akkora, másrészt meg utáltam a webcimreklámot egy műszerben mindig, főleg ha nem is az illető szenvedett a forrás megírásával... Előre is köszi mindenkinek!
Itt van, ha ezt keresed:
Üdv.Szabadidő teljes hiányában kész lett végre a kütyüm.
Már csak a dobozolás van hátra... Köszönet hutale mesternek...nagyon jó kis műszer ez. Képek
Szervusztok egy kis segitség kellene felteszem a nyákot!
És a gond az, 78L05 stabot jól raktam be jó pozicioba van? Próbáltam minnél élesebb képet csinálni. ott látszik feliratozva két féle lehetöség van stabnak vagyis tipusnak..Én 78L05-öt tudtam beszerezni 5v. Most csinálgatnám ezt az lcm mérökét de megakattam. Köszönöm elöreis a megoldásokat!
Bővebben: Link
Nem jó topikot választott a kérdező...
Köszi. Én a Hutale féléhez keresek nyák tervet.
Talán ez lesz az .
Igen! Ez az. Nekem is megvan, csak reméltem van valakinek egy kicsit szebb, Sprint Layoutos fájlja. Akkor tennék rá lötstopp fólíát. Ráadásul ez nem méretarányos. Az IC-k lábai szerint.
A hozzászólás módosítva: Nov 28, 2013
Mekkora a nyák a 4 sarkánál mérve? Nálam 10,4 x 7,1mm.
Akkor vagy valamit nem jól mértél , vagy nem jól írtad.
Saroktól sarokig 109,4 x 74,1 mm Saroktól sarokig 10,9 x 7,4 cm. Nálam ezek az értékek.Ugyan nem nyomtattam ki , de ezeket az adatokat adta a gép.
Ezt mértem, csak cm-ben.
Kinyomtatva.104 x 71 mm. A hozzászólás módosítva: Nov 28, 2013
Én 109,2 x 74,1 mm-t mérek, ezek a jelölők külső sarokpontjai. A nyák határoló keret mérete: 108,5 x 73,5 mm. Ezeket a FoxIt távolság mérőjével mértem, 6400x nagyításban helyezve el a mérő pontokat.
A keret egyébként 308,62 x 209,2 pont méretű. A pdf 72dpi felbontású, ha ebből számolom, akkor 108,87 x 73,73 mm jön ki. De nem voltam nagyon pontos, mert 25,4-gyel szoroztam a coll méretet, nem több tizedessel.
Reagálva a saját írásomra, több tizedessel számolva így nézne ki a szorzó: 25,4000...
Mindettől függetlenül úgy gondolom, válaszolva az eredeti felvetésre: a nyák terv pontos. Ha bármit kell vele csinálni, hogy a nyomat is pontos legyen, az nyomtató / driver kérdés.
Az zavart meg, hogy eddig ezzel a beállítással bármit jól kinyomtatott. (pdf) Kivéve ezt.
Na átrajzoltam az én verziómat. Kicsit módosítottam az eredeti nyákhoz képest. Többször is leellenőriztem és nem találtam hibát, de ha valakinek volna kapacitása és kedve átnézni azt megköszönném.
A hozzászólás módosítva: Nov 29, 2013
Szia, a nyakterv pontos. Altalaban a pdf-ben a nyomtatasnal a meretet (skalazast) kellene beallitani 100%-ra. Az Acrobat Reader csereje az ujabb verziora is segithet.
Szia, a lötstop és a felirat rétegek is megtalálhatók a PCB nyákterv zip file-ban Bővebben: Link
Köszi!
Adobe Accrobat pro 11-et használok. Figyu! Mekkora a nyák pontos mérete a 4 sarok markernél mérve? A hozzászólás módosítva: Nov 30, 2013
Á! Az én verziómban ezek még nem voltak benne. Köszönöm.
Szia, a nyák mérete (a külső vonalak távolsága) pontosan: 108.5mm x 73.5mm. Nálam így (ld. kép) beállítva nyomtatom ki.
A hozzászólás módosítva: Nov 30, 2013
|
Bejelentkezés
Hirdetés |




A HUTALE féle is jó szerintem, de a forgó kapcsló nem nyerte el a tetszésemet, sem a proci ára. Így maradt az LCM3. 









