Fórum témák
» Több friss téma |
Szia!
Igen. Ki is veszem belőle akkor. Gitáros cucc lesz. 1x10 ládával már jól szól, jelenleg két hangszóró közt vacilálok, hogy melyiket is építsem be. Be fogom mutatni hanggal együtt a kis kombót.
Szuper!
Arra figyelj mondom, hogy a figyelő ellenállás egyből egy vezetékkel a tápfeszültség földpontjához menjen (nagy áramú, teljesítmény föld, az ide kötött figyelő ellenállásról kiinduló ellenállás + kondi kombó "tragikus" módon bekerül a visszacsatolásba is, még egy kritikus pont). A normál visszacsatolás és a bemenet földjeit ugyan összekötheted de ők is külön vezetéken menjenek a földpontba (kis áramú, jelföld), ne úgy ,hogy ezeket összekötöd és egy vezetékkel a földpontba, mert az úgy nem túl nyerő. Sajnos ez a visszacsatolási forma magában rejti ezt veszélyt, főleg, ha a végfokozat nagy visszacsatolást tartalmaz / kicsi az erősítés / (ilyenkor a nyílthurkú erősítés egységnyi erősítéshez tartozó frekvenciája is irtózat magasan van, vagy a -3dB es pont, mindegy melyikről beszélünk, nagyon nagy a sávszélesség). Az IC-s erősítőkben ez a buktató, "belülről" már nem nagyon lehet kompenzálni az adott feladathoz...A zoebelt megpróbálhatod még a hangszóró kimenetre kötni, de az 1Ohm szerintem egy kicsit kicsi érték, lehet kísérletezni, de ha nélküle jó, akkor nem kell bele!TDA2030-al csináltam már olyat invertáló kapcsolásban, hogy totálisan "áram visszacsatolt" módban működött, tehát a hangszóró impedancia menetének megfelelő feszültséget kényszerített rá a szóróra, tehát tényleg "áram kimenetű" volt a dolog (Randall RG100-ban láttam az ötletet). Egy potit is beszerkesztettem, amivel a visszacsatolást lehet állítani a feszültség kimenetű és áram kimenetű mód között. Azzal nem volt gerjedés semmi, pedig egy lukas garast nem adtam volna, hogy ezt kibírja. Kellemes csalódás volt és nem is szólt rosszul! Szép napot! Zs. A hozzászólás módosítva: Máj 21, 2014
Ebből a tápból tudok csinálni szimmetrikus tápegységet? Mert nincs rajta gnd mint ezen a kapcsoláson... egyépként egy 5.1es rendszerből buheráltam ki. Tda2030-at akarok vele hajtani...
A hozzászólás módosítva: Máj 21, 2014
Nem lehet a képen látható trafóval TDA2030-as végfokot meghajtani vele, pláne kettőt sztereóban. A TDA2030-as végfoknak az áramfelvétele max. 3.5 A max. teljesítménynél 18-20W 4 ohm terhelésen, és 36 V-os tápnál. Ennek a trafónak a szekunder tekercs adatai: 26V/0,5 A és 10V/0,6 A. Tehát, egy darab TDA2030-as végfok meghajtáshoz a szekunder tekercsnek 24 V, 25 V, vagy max. 26 V-nak kell lenni és 32 VA-esnek. Ilyen trafó tudná meghajtani rendesen a végfokot.
Üdv. lele
Ez a tápegységhez mit szólsz? Nyomtatónak volt a trafója..
Egyébként bármelyik trafot használhatod, csak nem fog a max. teljesítmény kijönni, csak kisebb része. Pl a 26/0.5A-eshez építesz egy szimpla táplálásút, aminek csak GND és plusz feszültség kell. Ebből ki fog jönni kb. 10W, vagy ha kettő TDA-t raksz rá, akkor 2x5W. Ez már elég hangos szobába! Vagy mindkét trafot beveted, egy-egy IC rá, ha jó a feszültség, és kész.
és kondenzátorokkal tudok belőle szimmetrikus tápellátást biztosítani?
Tudsz, de mit szeretnél vele? Kapnál kb. 2x30V-ot a 25VAC-ból, aminek ráadásul nagy lenne a búgófeszültsége.
Kérdezek egyet: Mekkora feszültséggel lehet hajtani a TDA2030-at szimmetrikus, és szimpla tápról? Adatlapból keresd ki. A hozzászólás módosítva: Máj 22, 2014
A képen látható tápegység gyenge. Nem végfok meghajtására szolgál. A képen látható diódák nem több 1 A-esnél. Szimmetrikus táp esetén + - 18 V szükséges, amihez a trafó szekunder tekercsén 2 X 13 V AC szükséges, min. 3 A-es diódákkal, 2 X 4700-as vagy 1 db 10000 mikrós kondival lehet megfelelő tápot készíteni a TDA2030-hoz. A 26V/0,5 A szekunder tekercs esetében, egyenirányítva a pufferen 36,6 V fog megjelenni, ami jó lenne szimpla táp esetén a végfok meghajtására, de a 0,5 A terhelhetőség miatt a teljesítmény nem lesz több 5 W-nál, két végfok rákötésénél a teljesítmény feleződik.
Javaslok megfelelő trafó beszerzését. Egy jó erősítő alapja az erős stabil tápegység, ami a trafónál kezdődik. Üdv. lele
Van egy Nordmende spectra cv 72-es hibás tv-m. Kiemeltem belőle az audio panelt. Szeretnék belőle egy erősítőt építeni. Ha minden igaz 2x40w-ot bír. Hogy lehet ezt az ötletet kivitelezni? Nem vagyok túl hozzàértő, így egyszerű megoldàst keresnék.
Valahol nekem is van egy ilyen panelem. Igaz, hogy egy Grundig-ból származik, de ugyan ilyen.
Tda2030/40/50-es végfokok vannak bennük. Ezeknek az adatlapja alapján könnyü elindúlni. Én inkább mégis azt ajánlom, hogy kibontva a 2 Tda-t építs egy sajátot, mert akár tized ekkorában elfér és nem zavarhat be a rajta lévő KF. 3s egyéb fölös cucc.
Szia! Mi van a hűtőbordán, TDA2030, TDA2050? Fotóból egy felül és egy alulnézeti kellene, hogy rámutathassunk a bekötési pontokra.
Akkor abból ki tudsz csikarni vagy 20 izmos wattot.
Engem igazán az érdekelne hogy műtét nélkül tudom e hasznosítani a kicsikét? És ha igen, akkor alul melyik láb milyen funkciót tölt be?
Ha megnézed az ic adatlapját pár perc alatt meglátod, hogy mit hova köss.
Azért a 8-10 alkatrészért kár az egész panellel foglalkozni. A 90%-a felesleg... Ennyit még a levegőben is össze lehet esztétikusan drótozni. A hozzászólás módosítva: Máj 27, 2014
Ha nehezedre esik az adatlap feldolgozása egy kis könnyítés: a balszélső, 1-es láb a bemenet, erre csatlakozik egy kondenzátor, aminek a túlsó végére kell kötnöd a jelet, lehetőleg egy potenciométerről. Ami jelenleg rajta van az le kell takarítanod, hogy ne zavarja a működést. A 2-es lábbal nincs dolgod, az a visszacsatolás. A 3-as a test, ide jön a táp negatív pontja, valószínűsítem a bal szélső nagy sárga kondenzátorral van összekötve. A 4-es a kimenet, ide tippelem a kék 2200µF-et. Ezen kondi negatív lábára (valamint a testre) megy a hangszóró. Az 5-ös a pozitív táp, szintén a sárga kondihoz, mint tápszűrőhöz csatlakozhat.
A felesleges áramköri elemektől majd el kell venni a tápot, ez a feladat rád hárul. Itt ez az elvi rajz, próbáld meg beazonosítani az alkatrészeidet. A hozzászólás módosítva: Máj 27, 2014
Köszönöm a segítségeket. Úgy döntöttem építek egy sajátot. Mivel még ilyet nem csináltam (de valahol "mindent" el kell kezdeni) így egy kis segítség kellene, hogy miket kell leműtenem a panelről és hogy mit hova kössek.
Csak a hasznos alkatrészeket hagytam fent, ami egyben kapcsolási rajz is lehet a számodra.
A rajz eredetijét az Elektrotanyán találod.
Ez a hozzászólásom segítségedre lehet az építésban.
Mivel nem csak egy ember volt segítségemre, így jobbak éreztem az új hozzászólást választani.
Üdv! Megépítettem a gyári adatlapon szereplő 1 tápos megoldást (2030). 2 végfokot csináltam, hogy dual mono legyen. Most amiről tesztelgetem, táp egy kapcsolóüzemű sony laptoptöltő 19,5V/7,7A, még fizikailag is akkora mint egy kisméretű tégla. Kikapcsolás után még kb. 10-12mp -t szól 80% os hangerő mellett. Elbírná szerintetek folyamatosan a 2 végfokot egyszerre?
Egészen biztos, hogy elbírná, de a 19,5V elég kevés hozzá. Ahhoz, hogy megfelelően működjön és szépen is szóljon 26 V - 36 V tápfeszültség szükséges hozzá. Természetesen kipróbáláshoz megfelel. A 19,5 V-on kb 4-5 W kimenő teljesítménye lesz.
Kösz a választ. Akkor valószínűsítem, ez az oka annak is, hogy elég durván betorzít jóval a hangerő végállása előtt.
Igen, természetesen. Ha alacsonyabb feszültséget kap, nemcsak a teljesítménye lesz kisebb, hanem a torzítása is megnő, pláne ha 4 ohmos hangszóróval terheled.
Az ideális, ha 1 tápos a 36 V és 8 ohmos hangszóró. Ha +/-18 V, tehát szimmetrikus táppal építed meg még szebben szól és jobb lesz a frekvencia átvitele is. Ha +/- 22 V szimmetrikus táppal és TDA2050-el még jobb lesz az eredmény.
Sziasztok!
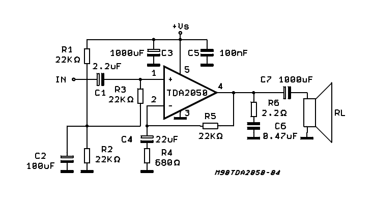
A csatolt kapcsoláson mit kell változtatni, hogy jó legyen BD911-BD912 párossal is, ne csak BDX53C-BDX54C-vel? Vagy jó a BDX-ekkel, felesleges az IC-hez jobb tranzisztor? Valamint a TDA2030 helyére 1 az 1-ben passzol a TDA2050? Egy ilyen kapcsoláshoz, 2x12VAC (+-17V VDC)-vel táplálva mekkora hűtőborda ajánlott? Nem fontos passzívnak lennie. |
Bejelentkezés
Hirdetés |




Arra figyelj mondom, hogy a figyelő ellenállás egyből egy vezetékkel a tápfeszültség földpontjához menjen (nagy áramú, teljesítmény föld, az ide kötött figyelő ellenállásról kiinduló ellenállás + kondi kombó "tragikus" módon bekerül a visszacsatolásba is, még egy kritikus pont). A normál visszacsatolás és a bemenet földjeit ugyan összekötheted de ők is külön vezetéken menjenek a földpontba (kis áramú, jelföld), ne úgy ,hogy ezeket összekötöd és egy vezetékkel a földpontba, mert az úgy nem túl nyerő. Sajnos ez a visszacsatolási forma magában rejti ezt veszélyt, főleg, ha a végfokozat nagy visszacsatolást tartalmaz / kicsi az erősítés / (ilyenkor a nyílthurkú erősítés egységnyi erősítéshez tartozó frekvenciája is irtózat magasan van, vagy a -3dB es pont, mindegy melyikről beszélünk, nagyon nagy a sávszélesség). Az IC-s erősítőkben ez a buktató, "belülről" már nem nagyon lehet kompenzálni az adott feladathoz...A zoebelt megpróbálhatod még a hangszóró kimenetre kötni, de az 1Ohm szerintem egy kicsit kicsi érték, lehet kísérletezni, de ha nélküle jó, akkor nem kell bele!TDA2030-al csináltam már olyat invertáló kapcsolásban, hogy totálisan "áram visszacsatolt" módban működött, tehát a hangszóró impedancia menetének megfelelő feszültséget kényszerített rá a szóróra, tehát tényleg "áram kimenetű" volt a dolog (Randall RG100-ban láttam az ötletet). Egy potit is beszerkesztettem, amivel a visszacsatolást lehet állítani a feszültség kimenetű és áram kimenetű mód között. Azzal nem volt gerjedés semmi, pedig egy lukas garast nem adtam volna, hogy ezt kibírja. Kellemes csalódás volt és nem is szólt rosszul! 







