Fórum témák

» Több friss téma
Fórum » AVR - Miértek hogyanok
 
Témaindító: pakibec, idő: Márc 11, 2006
Témakörök:
WinAVR / GCC alapszabályok:
1. Ha ISR-ben használsz globális változót, az legyen "volatile"
2. Soha ne érjen véget a main() függvény
3. UART/USART hibák 99,9% a rossz órajel miatt van
4. Kerüld el a -O0 optimalizációs beállítást minden áron
5. Ha nem jó a _delay időzítése, akkor túllépted a 65ms-et, vagy rossz az optimalizációs beállítás
6. Ha a PORTC-n nem működik valami, kapcsold ki a JTAG-et
Bővebben: AVR-libc FAQ
Lapozás: OK   581 / 841
(#) TavIR-AVR válasza szili83 hozzászólására (») Jan 6, 2014 /
 
A kínai UNO R3 tapasztalat:
- 10 db-ből 2 azonnal kuka (rövidzáras), 1 db 1 hét után.
Ha neked ez megéri......

Az ISP felejtős! Ez Doper vagy ASP. Ne olcsójánososkodj, mert megbosszulja magát!
(#) szili83 válasza TavIR-AVR hozzászólására (») Jan 6, 2014 /
 
Köszi, megfogadom.

ISP-vel mi a gond? Sok nagy gyártó használja...

És mit takar ez a mondatod, mert nem értem:
Az ISP felejtős! Ez Doper vagy ASP. Ne olcsójánososkodj, mert megbosszulja magát!
(#) csabeszq válasza szili83 hozzászólására (») Jan 6, 2014 /
 
Az olcsó AVR ISP programozókban nincs hardveres USB támogatás. Szoftverből szórakozik az az USB-vel, az IO lábak piszkálásával, TavIR-AVR erről írt.

Míg a PIC gyárt furatszerelt tokozású USB chipeket, addig az Atmel ilyet kizárólag SMD-ben forgalmaz. Ha megnyitod a Hestore oldalát, találsz egy "EM-60301 (AVR-ISP)" nevű 5000 Ft-os AVR programozót. A képen furatszerelt chipeket látsz, ami egyértelműsíti, hogy nem hardveres programozóról van szó. Ezek az olcsójános programozók.

Az mscbp.hu 9400 Ft-ért adják az eredeti Atmel-es programozót, azt használom, bajom nem volt vele. Kapsz olcsóbban is utángyártottat, nekem olyan nincs, ezért nem tudok róla véleményt mondani.
(#) szili83 válasza csabeszq hozzászólására (») Jan 6, 2014 /
 
Köszönöm, így ez kerek!

Megtanulom az alapokat, s majd belefektetek egy komolyba, addig meg az olcsó, majd meglátom.
Az AVR jó, ha az ember ért hozzá, egyszerűbb áramköröket egyszerűbben meg lehet oldani, bonyolultba meg majd beletanul az ember!
(#) csabeszq válasza szili83 hozzászólására (») Jan 6, 2014 /
 
Pont fordítva.

Amikor vezetni tanulsz, nem a 30 éves Lada 1200-ason kell kezdeni. Tanulni jó eszközön kell. Amikor már 10-15 éve vezetsz, akár egy Ladát is kipróbálhatsz.
(#) Koncsar válasza TavIR-AVR hozzászólására (») Jan 7, 2014 /
 
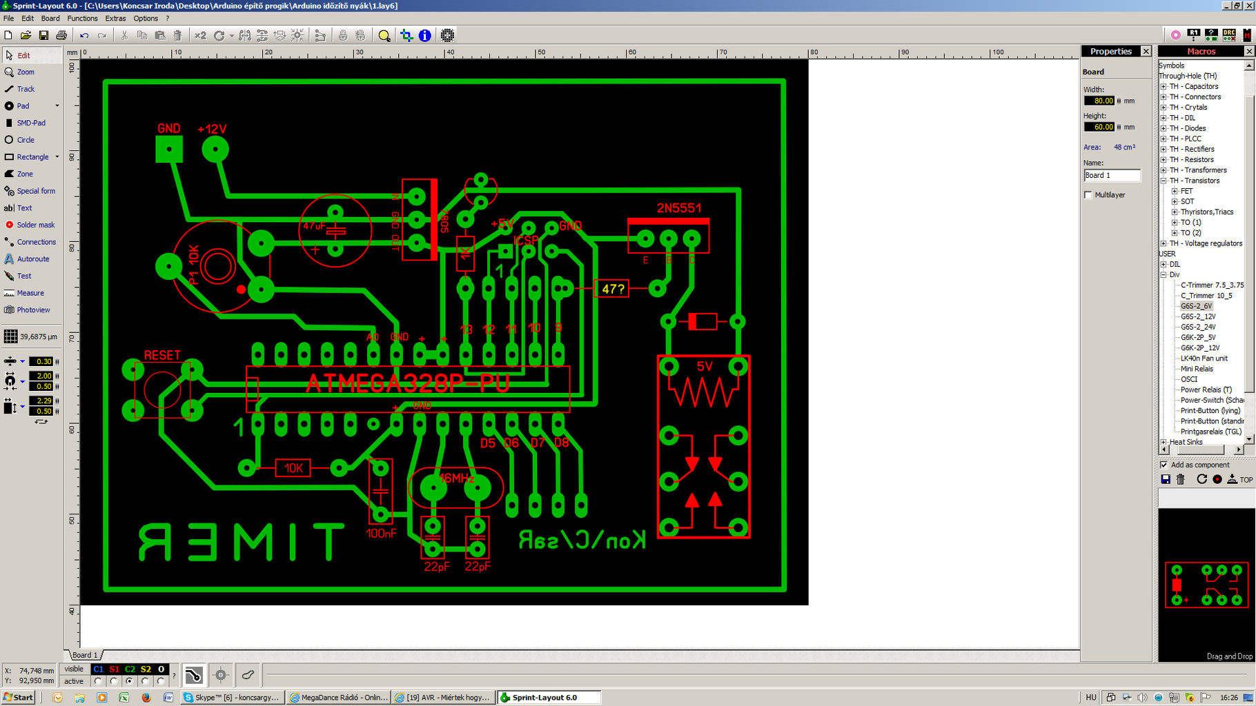
Szia Robi! Tudsz segíteni egy olyanban, hogy célszerű ezt a kis időzítőmet összeállítani? Felteszem amit elkezdtem, de egy ilyen egyszerű kis körben nem szeretnék áthidalásokat csinálni. De Másoktól is szivesen veszem a segítséget. SMD alkatrészeket nem szeretnék használni. Az Atmega328P-PU hoz az ICSP csatlakozót, hogy célszerű elhelyezni? Köszönöm.
A hozzászólás módosítva: Jan 7, 2014

1.lay6
    
(#) TavIR-AVR válasza Koncsar hozzászólására (») Jan 8, 2014 /
 
Lay helyett valami emberi formátum, és akkor hátha tudnak segíteni....
JPG, GIF, PDF.... ?

Énnálam Eagle, és tervezze magénak a nyákor a kapcsolási rajz alapján .
(#) Bender hozzászólása Jan 8, 2014 /
 
Üdv

Szereztem egy készüléket, amelyben atmega8 van, aminek az egyik lába valahogy letört.
ISP-vel ki szeretném olvasni belőle az adatokat, de mindig párosával 00 és FF közt növekvő byteokat olvas "00 00 01 01 02 02 ... EF EF FF FF"

Ez mitől lehet? Le van tiltva a soros programozás?
A hozzászólás módosítva: Jan 8, 2014
(#) csabeszq válasza Bender hozzászólására (») Jan 8, 2014 /
 
Idézet:
„You might want to add that while the lock bits prevent reading the actual flash memory contents, you won’t get an error message. The binary file will be created just as it would without the lock bits set, but it contains nonsense (or, more precisely, the lower 8 bits of word address of the memory location). So you will have to open the binary file with a hex editor (I recommend frhed for windows and dhex for linux/console, if you’re using KDE then khexedit might be a good choice). If it contains a pattern like

00 00 01 01 02 02 03 03 04 04
and so on, the AVR is most probably locked.”


Magyarul lokkolva van. Programozni tudod, de csak úgy, hogy újraírsz mindent, kiolvasni a meglévő kódot/eepromot nem lehet.
A hozzászólás módosítva: Jan 8, 2014
(#) vzoole válasza Bender hozzászólására (») Jan 8, 2014 /
 
De a lerört lábat még lehet javítani.
(#) kiborg válasza vzoole hozzászólására (») Jan 9, 2014 /
 
Tudsz példát mutatni, hogy hogyan, mert nekem is van egy ilyen Mega16-om (DIP), aminek hiányzik egy lábacskája.
(#) Koncsar hozzászólása Jan 9, 2014 /
 
Sziasztok! Az Atmega168 at lehet szimulálni a Tinában. Van lehetőség program feltőltésére? Köszi.
(#) Koncsar válasza Koncsar hozzászólására (») Jan 9, 2014 /
 
Persze a fő kérdésem az lett volna, hogy az a progi amit feltettem az Atmega 328P-PU ra az futtatható e az Atmega168 on.
(#) vzoole válasza kiborg hozzászólására (») Jan 9, 2014 /
 
Próbáltam volna videót is készíteni, de akkor nem láttam mit csinálok.

Lényege, hogy a tokot vissza kell vésni egy kicsit PVC késsel, így már van akkora felület, hogy rá lehet forrasztani egy vezetéket. Kb 10-15 perc alatt meg lehet csinálni.

Igaz, most csak egy TQFP 0,5mm-es tokon próbáltam ki, de DIP tokkal még egyszerűbb.
A hozzászólás módosítva: Jan 9, 2014
(#) vzoole válasza vzoole hozzászólására (») Jan 9, 2014 /
 
Egy kis műanyaggal visszatömve nem is látszik szabad szemmel, hogy volt ott valami.

01.jpg
    
(#) killbill válasza vzoole hozzászólására (») Jan 9, 2014 /
 
Ez már makró... Mivel fényképezted?
(#) kiborg válasza vzoole hozzászólására (») Jan 10, 2014 /
 
Köszi, valószínűleg akkor megpróbálom életre kelteni.
(#) TavIR-AVR válasza Koncsar hozzászólására (») Jan 10, 2014 /
 
Nem.
Más a chipek regiszterkiosztása.
(#) Koncsar válasza TavIR-AVR hozzászólására (») Jan 10, 2014 /
 
Szia Robi! Kösz a választ. Akkor még hátha tudsz segíteni, Atmega 328P-PU -t hogy lehetne bevinni a Tinába és szimulálni?
(#) TavIR-AVR válasza Koncsar hozzászólására (») Jan 10, 2014 /
 
Passz. Nem használom a Tina szimulátort.
(#) vzoole válasza killbill hozzászólására (») Jan 11, 2014 /
 
Egy egyszerű fényképezővel mikroszkópon keresztül.
Bővebben: Link
(#) Sick-Bastard hozzászólása Jan 11, 2014 /
 
Üdv!

Pár hete sikerült megsütnöm első AVR-em. Így kénytelen lettem egy másikat elővennem a(z) ATMega1284P-t.
Mivel én eddig csak WinAVR-t használtam AVRDude-dal szembesülnöm kellett azzal a ténnyel, hogy az AVRDude nem ismeri az adott ICt.

Szóval megpróbáltam átírni az AVRDude config file-ját, ami úgy néz ki, hogy bizonyos szintig jó lett.
Ezalatt azt értem, hogy kipróbáltam, hogy felismeri e.... felismerte , és ezután nagy lelkesedéssel fel is programoztam egy egyszerű kóddal. 2:0 ide.

3 a magyar igazság, így nem mertem még kipróbálni a FUSE bitek módosítást.

Előtte kikérném a véleményeteket, hogy az átírt kód ott is működhet e?

Amit módosítottam(amire biztosan emlékszem):
id = "m1284P";
desc = "ATMEGA1284P";
signature = 0x1e 0x97 0x05;
ill. az adatlapjában található "25.9 Serial Programming Instruction set" (308. old. 25-17 tábla) kódokkal módosítottam a config filet.

Alapnak a config file-ból az ATmega128-at használtam.

Programozónak egy módosított DASA programozót használok COM portról(a mellékelt file-ban SAJAT néven) egy CD4050-es személyében.

Szóval kell e még módosítani valamit, vagy használhatom bátran?

SB
(#) TavIR-AVR válasza Sick-Bastard hozzászólására (») Jan 11, 2014 /
 
Frissítsd a AVRDuDe-t. A 2011-12-04-i kiadás már ismeri.

A kódconfig mellékelve.

1284p.txt
    
(#) Koncsar hozzászólása Jan 12, 2014 /
 
Bővebben: Link
Sziasztok! Valaki megnézné, hogy jól csináltam meg az időzítő kapcsolásom az Atmega328 al? Köszi.
(#) Szabi1 hozzászólása Jan 12, 2014 /
 
Sziasztok! Azt szeretném megkérdezni, hogy a következő kapcsolást szeretném megépíteni attiny2313-hoz, tulajdonképpen azt akarom hogy a PC lpt portja kiküldjön egy adott impulzus sorozatot az rf adó áramkörre és az rf vevő átadja a MCU nak ami kiértékeli és csinálna egy adott parancsot.
Pl. 1001 bemenő impulzusra PB1 et bekapcsolja.
Valami olyasmi kéne hogy volna egy 4 elemű egész típusú tömb és gondolom valami órajel segítségével lépkedve benne beolvassa azt a portot amire az rf vevő van kapcsolva, és miután a 4 diket is beolvasta jön egy elágazási struktúra amivel kiértékeli, azután lenullázza és kezdi az egészet előröl.
Hogyan lehet ezt megvalósítani?
(#) TavIR-AVR válasza Szabi1 hozzászólására (») Jan 12, 2014 /
 
Sorosporton nem tudnál inkább adatot küldeni? Sokkal egyszerűbb lenne.

Sőt, inkább hazsnálj kész RFmodult. Adatvédelem, teljesítménykezelés, hangolás gyárilag kész.
HopeRF modulokból van sokféle, az uNL02 (?) is egész dícért. Ha precízet akarsz, minimáltudásod van hozzá: XBee/ZigBee. Nálam ezek váltak be. Azonnal működik, kb. 3 perc a beállítása. Azonnal megy.
(#) TavIR-AVR válasza Koncsar hozzászólására (») Jan 12, 2014 /
 
Nem.

Az AVR kimenetre nem tehetsz közvetlenül relét. Nem bírja meghajtani.
Kapcsolási rajz nélkül ennyit látok (nem tudtam visszarajzolni - időhiány miatt).
(#) Koncsar válasza TavIR-AVR hozzászólására (») Jan 12, 2014 /
 
Robi már átrajzoltam. Íme. Ez így már jobb lesz?
(#) miso64 hozzászólása Jan 12, 2014 /
 
Sziasztok!

Gondom támadt a AVR Studio 4-el. Újra kellett telepítenem a gépemet. Minden látszólag jól működik, a programozót is látja a program, de a fordításnál hibaüzenetet dob olyan programokra, amit eddig hiba nélkül fordított. Nagy nehezen rájöttem, hogy az include-k nem kerülnek be az External dependencies könyvtárba. Ezeket hiányolja fordító. A Win AVR fent van.
Milyen beállítást hiányolhat még? Segítsetek!
Miso
(#) Szabi1 válasza TavIR-AVR hozzászólására (») Jan 12, 2014 /
 
OK de nem szeretnék modult használni, mert egy versenyre indulnák vele és nem nézik jó szemmel a kész modulokat.
Következő: »»   581 / 841
Bejelentkezés

Belépés

Hirdetés
XDT.hu
Az oldalon sütiket használunk a helyes működéshez. Bővebb információt az adatvédelmi szabályzatban olvashatsz. Megértettem