Fórum témák
» Több friss téma |
Fórum » Skoda Octavia elektromos probléma
Én arra gondoltam, hogy nem-e a keverő lapátok szórakoznak....
Sziasztok !
Az én 2006-os BFQ-s Octaviámban is Digit klíma van és az enyémben sincs alacsony fordulaton fűtés / városban lámpánál elég necces/ . Nagyon soká /10-km után/ kezdi fújni a meleglevegőt. Klima jó, új vízpumpával sem javult a helyzet.
Most vetted a kocsit? Mióta nem kerül meleg levegő az utastérbe?
Kb 2 hete vettem a gépet és kb 1 hete jelentkezett ez a probléma.
Illetve valamennyi meleg levegő jön be de az arra elég, hogy ne fagyak meg A hozzászólás módosítva: Jan 26, 2014
Tehát előzőleg jól működött a fűtés az utastérben, vagy csak nem vetted észre az enyhe idő miatt a különbséget? Nem lennék meglepve ha a motor hengerfejes lenne és ezt elkendőzve a nagy körön keringne a hűtővíz, hogy ne forralja azt a motor. A termosztátnál elvakolják a kis kört.
A hozzászólás módosítva: Jan 26, 2014
Így ahogy mondod vagy jó volt vagy nem vettem észre mert nem kellett a melegebb.
A klíma rajzán így nem sok látszik, de csak egy terelőlemez mozgató motor van benne. Azt ne kérdezd, hogy hol
, valahol középen, belül.
Sziasztok!
A problémám a következő:'99 -es 1.9 tdi octavia műszerfal mutatók néha elszállnak (benzin, vízhő, km óra, fordulatszám), de a világítás, kézifék, stb. visszajelzői jók. Menet közben is csinálja, hiába állok le, és indítom be még egyszer. Valahol kontakt lenne? De hol? És hol bontsam meg? Ezt már így láttam leírva, de a választ nem találtam . Tud-e valaki segíteni ebben????????
Szia! ITT találsz róla infót. Csak ügyesen.
Köszi szépen az rajzot, valószínűleg a lapáttal vagy a radiátorral lesz a gond ugyanis a be és a kimenő víz is forró.
A hozzászólás módosítva: Jan 27, 2014
Mondjad, hogy ne fessem az ördögöt a falra, de nem is az volt a szándékom. Valahogy kiérződött, hogy nem rég tettél szert a kocsira. Akkor mégis csak rendben van ez a része, de ha részletesebb rajz kell, majd mindjárt megpróbálok valami jobb képet kreálni de nem könnyű.
Hát ne fesd az ördögöt a falra nem akarom kiszedni a műszerfalat is
![]() Még kaptam egy tippet, hogy lehet hogy csak levegős és azért sincs meleg és a csövön van légtelenítő is úgyhogy azt még meg próbálom hátha.... A jobb képet pedig nagyon megköszönném!
.... akkor a rajzok itt volnának, ha esetleg szükség volna rájuk.
Köszi szépen, remélem nem lesz rá szükség de ki tudja....
sziasztok.
van egy 99-es AKL-s I octaviám 1.6 b az utóbbi időbe alapjáraton megnőtt a fogyasztása de menet közbe se optimális a fogyasztás az alapjárat is ingadozik ha a shellnél a jobbik benzint kapja akkor egész normális a müködése. Ha én megyek vele letudom szoritani a fogyasztását 7.5-8l-re városba de a páromnál 10l viszont ha lámpánál állok akkor nem esik vissza a fordulat 870-re hanem 1100-1200 nál pörög ha van ötlte valakinek mit tegyek előre is köszönöm
Sziasztok! Segítségeteket szeretném kérni egy 98-as Skoda Octávia "AKL" 1.6B problémájában. A történet a következő.: Hol indul, hol nem! Check engine nem jelentkezik. Más fórumokon olvastam hogy az indításgátló is okozhatja. Más problémája nincs az autónak, nem rángat jól gyorsul,fogyasztás is rendben van. Szívesen várom megtisztelő válaszotokat, a probléma megoldódása után megosztom hogy más ne bosszankodjon mint ahogyan én teszem most.
Köszönettel.:Mamut.
Szia! Ha a kulcsot gyújtásra kapcsolod, akkor a műszerfal feléled? Ha igen akkor a kulcsot felismerte, de ha tovább fordítod és akkor nem indul, az már önindító behúzó mágnes probléma lesz.
Esetleg kefeprobléma
A nem indul, az azt jelenti, hogy be sem húz az önindító mágnese? Vagy forgat, csak lassan? Kaphatnánk egy kicsivel több infót?
Teljesen igazad van! Tehát forgat az indító, feléled a műszerfal, kijelzők elalszanak. Helyesen fogalmazva.: Nem gyújt a motor. Ma éppen a párom vitte el a fiúnkat az orvoshoz, csak éppen haza nem tudtak jönni. Még annyit hogy időjáráshoz vagy hőmérséklethez sem kötném a hibát, mert hidegen és melegen is produkálta. Ilyenkor az eljárás a sokszoros riasztó be-ki immobiliser kapcsolgatás és ha kedve van be indul... Sajnos nem tudom milyen típus van benne, de a riasztó és a külső indításgátló is egy gombnyomásos vezérlőről megy. Remélem így teljes a kép. Mellékeltem egy fotót az immobiliseről.
A hozzászólás módosítva: Jan 27, 2014
Akkumulátor teljesítménye rendben van? Ha indítás alatt oly mértékben leesik a feszültség, hogy a vezérlő nincs kontroll alatt, akkor az indítás meghiúsulhat. A távirányítóban jók az elemek és azok kontaktusai? Nem lett leejtve a kulcscsomó és az elem rosszul érintkezik?
Esetleg leesett, szétesett és a transzponder chip nincs rendesen a helyén.
Érdemes lenne indítózás közben mérni egy feszültséget. Ha 9 volt körülire leesik esélyes az aksi cseréje. Főleg akkor ha már 4 év körül jár. Ha meg beindul egy töltést is kellene mérni, mert lehet nem tölt megfelelően, és azért merül le az aksi. Rövid távú autózás miatt nem tud visszatölteni annyit, amennyit kivesz az indítózás meg a többi fogyasztó (pl.: világítás).
Sziasztok! Megmértem a feszültséget indítózásnál 10,8v-ra esik le. Az elemek kontaktusai rendben vannak. Egyébként az (indításgátló, riasztó gomb megnyomásakor lehet hallani relé kattanást. A transzponder a helyén van szét szedtem a kulcsot. Sok kutakodás után elő kerültek a kocsi papírjai, és megtaláltam a riasztó beszerelő céget ahol készségesen azt mondták hogy óra díj ellenében átvizsgálják a rendszert META system SETECH hungária kft. A gond csak annyi hogy Bp nem a szomszédban van. Kérdeztem hogy lehet-e a hiba forrása a beépített rendszer, a válasz erős IGEN volt. Hiába faggattam az urat telefonon, nem volt hajlandó kibökni a megoldást. Annyit ki vettem a szavaiból, hogy három dolgot blokkolhat a rendszer.: önindító, ami kizárva mert forgat. Másik az üzemanyag ellátás, a harmadik pedig a gyújtás.. Sokkal okosabb nem lettem, de lépjünk tovább, hiba keresés! Hol kezdjem?
Szia! Az akku feszültség az majdnem határeset, vagy a "simos"-nak már ez is kevés. A kp.-t nem ismerem de szerintem lennie kell egy olyan üzemen kívül helyezési kapcsolónak is rajta ami a motortérben szokott lenni és kulcsal működik (be-ki). Szerintem megérne egy akkucserés próbát, hogy úgy tünetmentes lenne-e az indítás, mert akkor nem kellene tovább kutakodni.
Az akku teljesen korrekt, a sok indítózás és a hidegnek is be tudható a 10,8v 1éves 58Ah Banner van benne. Az említett kulcsos megoldást is kérdeztem, a mai délutánom ennek felkutatásával telt el sikertelenül. "Egyébként az autó jelen pillanatban üzemel" Ahogy az első hozzászólásomnál említettem a bosszantó az amikor megmakacsolja magát, és nem gyújt!
A nem gyújt alatt a szikrát érted, vagy nem idul be az autó?
Ha nem indul be az üzemanyag szivattyú attól még működik? vagy azt nem lehet hallani? Amikor nem indul, akkor jó lenne megnézni kap-e áramot az üzemanyag szivattyú, bár ha belegondolok, azért talán alapjáraton még kéne valamit produkálnia. A szikrázást is meg lehet nézni ha nem indul. Ha a szivattyú nem kap áramot, akkor megkérjük VIM kollégát mondja meg van-e benne üzemanyag szivattyú relé és merre kerssed, ott is meg kellene nézni odáig elmegy-e az áram. A szikránál hasonló a helyzet. A főtengely jeladó is ludas lehet ha nincs szikra. Indítózáskor fordulatszám mérő ugrál-e?
Sziasztok!
1.6-os skoda octavia 2001-es autom van. Tobsbzor tapasztaltam, hogy lassu temponal (pl: kanyarodas, parkolas) a kormanyt balra tekerve leallt az auto, szervo elment es csak megallni tudtam majd ujraindit. Erdekes jelenseg. Elkepzelheto, hogy az eloidezeshez meg tarsul vmi pl uresbe kell tenni vagy vmi ilyen. Tovabba a mai napon nem indult az auto, 3szor probaltam, a vegen mar csak kattant vmi a motorterben. Ez lehet akkumulator gond? Vagy generator, onindito? Kapcsolatban lehet a leallas a ma reggeli nem indulassal? Volt valakinek hasonlo tapasztalata? Koszi!
Érdekes hibajelenség! Én megmérném az akku feszültségét, lehet haldoklik. Ha a kormányt forgatod akkor ugye működik a szervo szivattyú ami terheli a motort. Ha álló helyzetben alapjáratnál tekergeted a kormányt láthatod, hogy csökken a fordulatszám.
Reménykedj, hogy "csak" akku probléma. Üdv: csibai (Vannak itt sokan tőlem hozzáértőbbek is de remélem tudtam segíteni.)
" A nem gyújt alatt" azt értem hogy nem indul be, az az nem kezd el dolgozni a motor. Kutakodtam egy kicsit, és megszereztem ezt a Így csináld Skoda Octavia neki fekszem! Ha valakinek szüksége van rá jelentkezzen, szívesen elküldöm. Sajnos meg kell várnom hogy ismét produkálja a hibát az autó. Ekkor tudom majd ellenőrizni az üzemanyag szivattyút és a gyújtást is. Hamarosan jelentkezem, ha valaki tud okosságokat szívesen olvasom. Üdv.: Mamut.
Köszi a választ! Én is hasonlóan vagyok vele, azaz remélem csak akku probléma lesz...Hétvégén bebikázzuk és kiderül, hogy azért nem indult-e, illetve akkor veszek uj akksit es figyelem h ujra csinalja-e. Szerencsere autopalyan nem csinalta, gondolom azert mert ott a magas fordulatszam miatt nem fordulhat elo,h a gyenge akkis miatt megszakad az elektromossag?! Lehet hulyeseget irtam, analfabeta vagyok autoszerelesben...
udv!
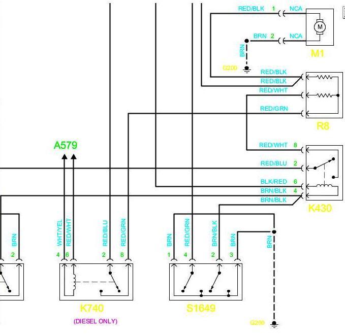
Szia! Akkor volna egy kisegítő rajz ha érdekel, az üzemanyag szivattyú reléjéről. Ha minden igaz akkor "167" felirat van rajta az "F28" biztosítékról megy és a 30/87 pontjain zárja a szivattyú áramkörét. A relé esetleg szét is szedhető vizsgálódás miatt, hogy az érintkezői rendben vannak-e vagy a relé a táblán megfelelő kontaktussal van-e jelen.
|
Bejelentkezés
Hirdetés |














