Fórum témák
» Több friss téma |
Ha szkóp-képet teszel fel, legyen látható a kezelőszervek beállítása, vagy add meg a beállításokat!
Elkókra gondolsz? Vagy másik szkóppal próbáljak mérni?
Ekókra gondolok. Ha a függőleges eltérítés valamelyik fokozata szűretlen, lüktető tápot kap, akkor annak ez az eredménye.
A hozzászólás módosítva: Feb 11, 2014
Köszönöm, holnap szétszedem megnézem, ma már nem mert hajnalban meló. köszi!
Tápegység hiba, szűretlenség gyanús, vagy hiba miatt begyorsult a kapcsitáp, ha kapcsolóüzemű tápja van. Tápfeszültségek értékeit multiméterrel, illetve másik szkóppal szűrését nézném.
Ha jó a vízszintes eltérítés, és jól látom, akkor 100Khz körüli ez a zavaró jel. Ha a táp jó, mi van ilyen frekivel működő áramköre, az zavarhat be.
Ez kapcsolóüzemű táp. Mint előbb írtam, csak vigyázz a méréssel, mert látok 1000V kimenetet is.
A hozzászólás módosítva: Feb 11, 2014
Szia! Így van egy régi analóg sokkal jobb erre a célra, nekem is sikerült már DMM-ből kiütni az IC-t...
Tényleg vigyázz, nekem egy MY-64 bánta.
Sziasztok!
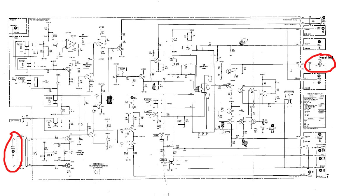
Egy hp1741 -es hibájánál akadtam el. Időszakos a hiba, villódzik a sugár, ha nincs bemenő jel, vagy a bemenet GND -re van kapcsolva, akkor is. Ezzel egy időben a reset led is villódzik. Valami zaj keletkezik valahol a trigger fokozat előtt... Ha külső triggerre kapcsolok, a hiba megszűnik, illetve akkor is, ha bekapcsolom a HF rejection -t. Ha lehúzom a sync vezetékeket, ami az Y erősítőről jön, akkor is megszűnik a hiba, sőt ha rámérek akkor is. Ha triggert az ernyőre rakom, látszik rajta, hogy zajos, néha egész nagy tüskék vannak. A mellékelt képen a felső vonal. A pirossal karikázott alkatrészeket ellenőriztem, illetve az elektrolit kondikat az Y panelon, azok jók. Mitől lehet ez?
Hát ma bele ástam magam, de a tápját még kiszedni sem sikerült.
Esetleg Bp-Tatabánya közt/közelében valaki aki ért hozzá, megjavítaná nekem(persze nem ingyen)? Én nem merek már ebbe belenyúlni, inkább maradok a hang technikánál, és az AVR-eknél.
Szia, én inkább valamelyik szűrő, hidegítő kondira gyanakszok.
Igazából jobban örülnék ha valaki a közelből azt mondaná hogy vigyem el hozzá és segít megjavítani, nyilván ezt sem ingyen kérem. Csak félek hogy nagyobb baja lenne ha belenyúlnák.
Köszi, de inkább nem vinném külföldre, annyit talán nem i ér az egész. Meg nem is restaurálni kell mert egész jó állapotban van, csak ezt a hibát kijavítani.
Idézet: ,nem is mondtam. Inkább csak ötletek, tapasztalatok keresése miatt küldtem a linket amihez hasonlók pl. nekem is segítettek amikor szert tettem egy 1740A-ra persze darabokra szedve kosárban. Esetleg a kontaktusok megmozgatása (oxid?)? (persze minden aranyozott de az ördög....) „Köszi, de inkább nem vinném külföldre” A hozzászólás módosítva: Feb 13, 2014
Értem, köszi de nem merek annyira belenyúlni, inkább olyanra bíznám aki már tapasztaltabb eben a téma körben vagy legalábbis ott van és megmondja hogy hogyan kéne.
Szia! Nem semmi meló, és azt írja, " egy kicsit koszos"
. Valóban jól elázott, mintha a tengerből húzták volna elő. Mindenesetre kár azért a csőért, nem tudom, hogy lehetett így elintézni a shield alatt...
De azt a diódahidat elintézhette volna egy kicsit elegánsabban is,bár tény,hogy a célnak maximálisan megfelel így is
A diódahidat szerintem is elegánsabban cserélhette volna, még annyit könnyű úgy restaurálni hogy bemegyek a boltba és megveszek minden gombot, nyomógomb sapkát stb. stb.
Igen itt a Tanyavilágban ahol lakok, nincsen minden sarkon elektronikai bolt, legfeljebb a fővárosban.
Az ötlet nagyon tetszik, de akkor már kiöntöttem volna egy kis 2 komponensű ragasztóval+ fekete festék, és mint a gyári. Nem ehhez a bloghoz tartozik, de ha már restaurációról van szó, leírom. A kocsim, /Mazda 626/ elkezdett hülyéskedni a motor járása, hol felforralta a vizet, hol dadogott hidegen. Ránézésre 2 vízgomba van benne, az egyik megy az órára, a másik, gondoltam, mint általában egy kapcsoló, ami a ventilátort indítja. / Mikor lehúztam a csatit elindult/ Egyszer a kezemben maradt, s kiszakadt a gombából. Ahogy méricskéltem, rájöttem, hogy az nem csak egy sima kapcsoló, hanem egy hőelem, ami a computerre megy, s az adja a dúsítást, ha hideg, s indítja a hűtést. Persze sehol nem találtam. Szerencsére ki tudtam úgy marni a házból, hogy sértetlen maradt, s rendesen beforrasztva, kiöntve azóta is hibátlanul működik!
Azokat is ellenőriztem a hibrid körül, megtakarítottam a kontaktokat az osztónál... eredmény nélkül. Meglepetésemre hiba akkor is fennáll, ha kiveszem a hibridet... az elázott 1741 -es nek nem lett ilyen baja!
Mivel nem nagyon találok senkit aki bátrabban nyúlna hozzá így még is megpróbálom én megoldani.
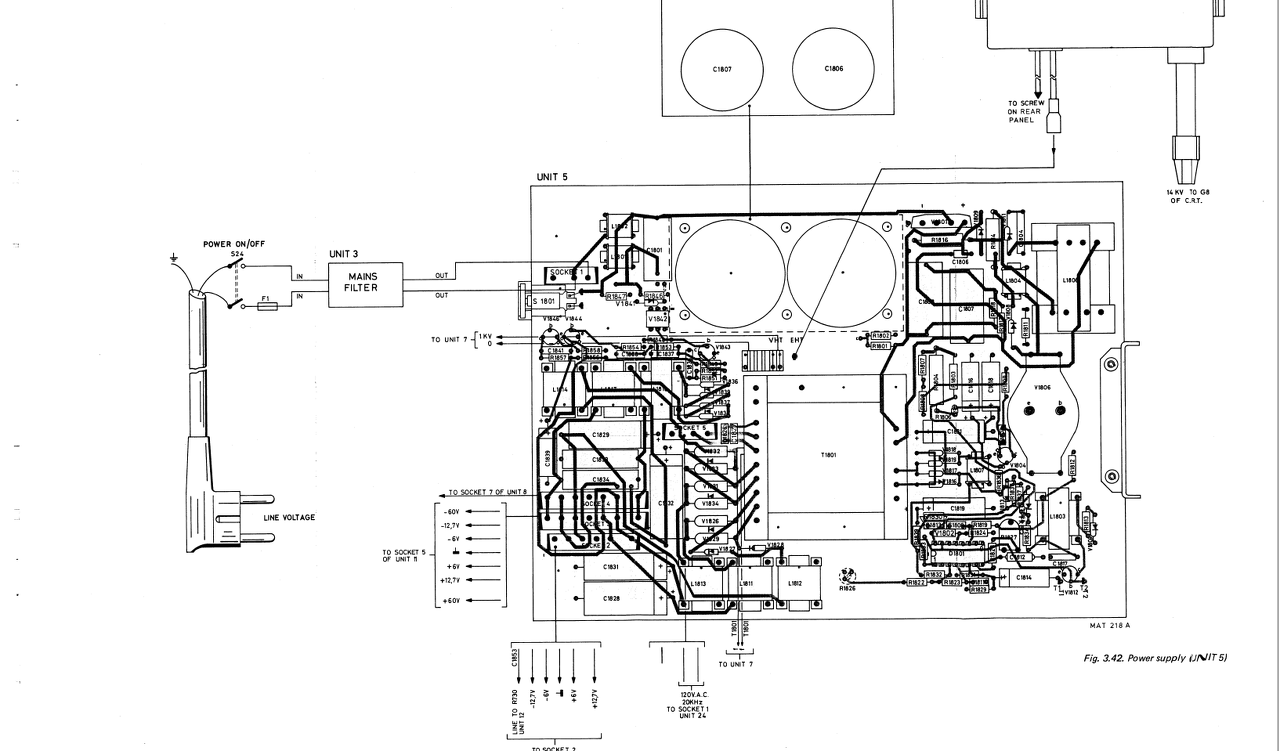
Abban tudnátok segíteni hogy egy ilyen táphoz hol kapok alkatrészt? 1801-220nF 250v - polyester foil - axial 1802-220µF 350v - elco 1803-220µF 350v - elco 1814-10µF 16v - elco - axial 1816-10µF 16v - elco - axial 1818-10µF 16v - elco - axial 1819-22µF 25v - elco - axial 1821-22µF 25v - elco - axial 1828-220µF 6,3v - elco - axial 1829-220µF 6,3v - elco - axial 1831-100µF 16v - elco - axial 1832-100µF 16v - elco - axial 1833-2,2µF 100v - polyester foil - axial 1834-2,2µF 100v - polyester foil - axial 1839-10µF 16v - elco - axial
Szia!
Bármelyik elektronikai alkatrész kereskedésben találsz ilyen alkatrészeket. A fóliakondikhoz én nem nyúlnék. A hozzászólás módosítva: Feb 17, 2014
Próbáltam Hestore-t lomexet meg 1-2 kisebbet de nem találtam ilyen axial kondikat sehol.
Csináld meg radiális kondenzátorokkal. Gondolom, hogy elférnek az álló fajtájúak is.
A hozzászólás módosítva: Feb 17, 2014
Értem. Rád bízom azt, hogy javítasz vagy cicomázol. Jó munkát!
Én megnézném másik szkóppal a táp "hullámosságát", ahol kell, csak ott cserélném.
Nem szoktak a Philips szkópok kapcsolóüzemű tápjainak szűrőkondijai tömegesen tönkremenni. Úgy is lehet járni rosszabb esetben, hogy a kicserélt kondi hamar tönkremegy. Fontos, hogy "LOW ESR" kondira cseréld, a kapcsitápok 50Hz -nél jóval nagyobb frekvenciáját ezek bírják melegedés nélkül (elvileg). A hozzászólás módosítva: Feb 17, 2014
|
Bejelentkezés
Hirdetés |








. Valóban jól elázott, mintha a tengerből húzták volna elő. Mindenesetre kár azért a csőért, nem tudom, hogy lehetett így elintézni a shield alatt...
