Fórum témák
» Több friss téma |
Ha szkóp-képet teszel fel, legyen látható a kezelőszervek beállítása, vagy add meg a beállításokat!
Csak kicseréltem és jó lett... Ha jól látom huzalellenállás volt, kiforrasztva és rámérve csak néhány ohmot mutatott, a doksi alapján tettem bele egy 75kohm-os hasonló huzalellenállást egy régi TV paneljáról. Használjunk korabeli alkatrészeket...
És igen, én is úgy látom kisebb mint a szabvány BNC csatlakozók... A kérdés az, elférne-e a helyén egy normál BNC aljzat, majd megnézem, jelenleg nincs itthon ilyenem... De úgy látom egy ilyen csipeszes szkópkábelnek is elég rendes ára van. A hozzászólás módosítva: Dec 23, 2013
Megkésve bár de törve nem, köszönöm a segítséget!
Az apróban szokott hirdetni valaki.Én az ebay-ról vettem kettőt,de ahogy néztem ,ez sem sokkal több,és hamar a kezedben van.Én egy hónapot vártam rá Hong-Kongból.
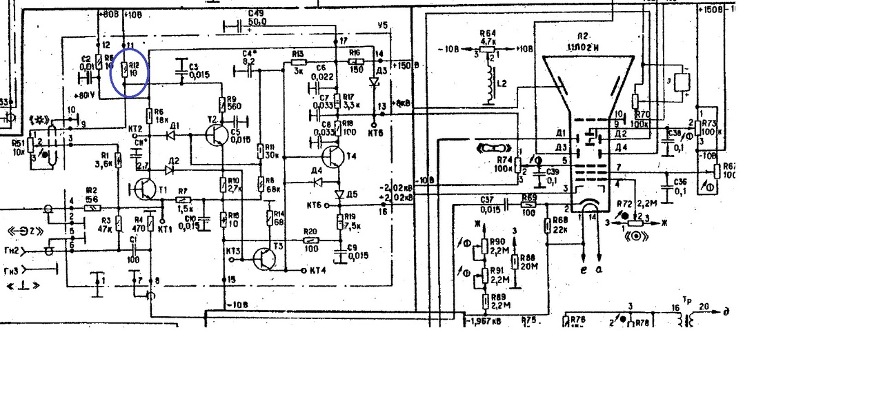
potméter, trimmerkondi, polaritás váltó kapcsoló kontakthiba, alkatrész hiba. Csak az emitteren van eltérés?
Mértem amit lehetett, így szétszedetlen állapotában.Adtam neki négyszöget a bemenetre felváltva és próbáltam másik szkóppal követni. Az egyik OK, a másik már a legelejétől rossz, úgy néz ki. A D172D rendben van a 3V os négyszög és a többi jel is megvan. Itt az elejével lesz a gond,de ahhoz szét kell kapni teljesen. Aki szedett már szét mondja már meg a sorrendet hogyan lehet a két panelt kikapni szakszerűen! Már a csatlakozó oldása is gond , 5-ös kulcs kell hozzá!? Mégpedig villás (?) mert csak fentről lehet hozzáférni, én így látom és ezért kérdezek. Köszönöm! Kellemes Ünnepeket!!!!
Eltelt pár nap, a szkóp megjavult, egy kis plusz időbe került a szétszerelés de most már csukott szemmel is..... A hiba ez volt: az illesztő egység végén a 2 db Fet volt hibás. Cseréltem BF245 re, és jó lett. Van még pár apróság de az is megoldódik majd. Főleg ha valaki segít kicsit: a hiba : a sugarat nem lehet a képcső széléig kihozni. Az R2076-al sem! A fő feszültségek rendben, +- 2% körül.
Helló!
Nem régen kaptam egy Orosz C1-65 szókopót. Első bekapcsoláskor elég sokára, de lett kép. Pár héttel később bekapcsolva nem volt fényerő. A potit tekergetve fel-fel villant a vízszintes csík. Potit kicseréltem és jó lett, lehetett fényerőt szabályozni . Ez után fényerőt feltekertem maximumra és úgy maradt a képernyő teljes fényerővel, hiába tekertem le. A mellékelt képen bejelöltem egy ellenállást ami elégett. Csere után megint nincs fényerő. A csere poti is 10k-ohmos volt. Az eredeti és a csere poti is műszerrel jónak tűnik. Szeretnék segítséget kérni, hogy most hogyan tovább? Merre vizsgálódjam? Üdv.
Szia!
Talán az árnyékolt kábel a zárlatos, az ami a potméterre megy.
Szia!
Árnyékolt kábelt mutat a rajz, de a valóságban nem az. Egy műanyag csőben megy a vezeték több másikkal együtt. A vezetékezés eredeti gyári. Megnézem nincs-e azokkal esetleg zárlat. Köszi.
Szépen javul a készülék, már majdnem 100%-os. Egy kérdésem még maradt : mivel lehet helyettesíteni az SA412-es diódákat??
Helló!
Megnéztem a vezetékeket, és nem találtam zárlatot. Van pár mérési pont (KT1-KT6) a panelen. A test és ezekre a pontokra téve a műszert a mért feszültség változik amikor tekergetem a potit de továbbra sincs fény. Üdv.
Sziasztok,
egy Vilati OS75 szkópot próbálok megjavítani. Legnagyobb gondom, hogy sehol nem találok hozzá rajzot. Ha valaki tudna adni azt nagyon megköszönném. videó a hibáról 8 másodpercnél átkapcsoltam külső szinkronbemenetre (de jelet nem adtam rá). Hálózati szinkronnál is hasonló jelenséget produkál. Valami tipp esetleg?
Az " X " eltérítő fűrészjel generátor áramkörében van a hiba, a fűrészjel hossza-ideje ingadozik. Valamelyik frekvenciameghatározó elem bohóckodik, esetleg mozdításra, melegítésre, hűtésre reagál.
Vagy kontakthiba valamelyik itt lévő kapcsoló, vagy potinál. Akkor ezek mozdítására reagálna. A hozzászólás módosítva: Jan 8, 2014
Kösz a választ. Kontakthibát nem találtam, átnéztem a potikat, kapcsolókat. Most jönne a fűrészgenerátor fokozat, de kapcsolási rajz nélkül nem tudom merre induljak.
Nem ismerem a készüléket, rajzom sincs, hatékonyabb segítséget nem igazán tudok.
Rajz hiányában el kell igazodni a belseje látványából. Ahova megy az időalap kapcsoló, vagy erről a drótók, az az x eltérítő áramköri rész. Itt pld. panel, vagy alkatrészek mozdításával hajszárítóval melegítéssel lehet próbálkozni. Vagy a panelon forrasztáshiba, oxidált forrasztás van. Lehet az időalap forgókapcsolón vannak az időzítő alkatrészek, nem is a panelon. Nézd meg, melyik időalap állásokban hibás, mikor jó. Ez is ad hasznos infót. Ha nincs eredmény, akkor valahogy vissza kell fejteni panelról az áramkört. Panelon lévő trimmerek, de nem szabad elállítani, mert akkor újra kell kalibrálni. Csak kocoktatásukkal esetleg megállapítható, ha kontaktros. A hozzászólás módosítva: Jan 8, 2014
Úgy néz ki megvan a hiba.
Javítás után Az egyik kondi lábait kellett megtisztítani és újraforrasztani. Már csak egy apró hiba van, a sugarat a képernyő bal oldalán nem lehet fókuszálni. Ha ezt nem is sikerül megcsinálni, már így is tudom használni. Kösz a segítséget!
Asztigmatizmus feliratú trimmerpotival lehet állítani, hogy mindenhol jó legyen a fókusz. De akkor általában nem csak bal oldalon rosz, hanem körkörösen. Nem tudom ezen van-e ilyen. Más szkópokon vagy kívül, vagy belül a panelon. Ez az állítási lehetőség (ha egyáltalán van) a ks. cső áramköreiben van, ott nézzél körül. Esetleg az itt lévő trimmereken lehet picit mozdítani próbaképpen, de úgy, hogy jelóld be hol álltak, hogy pontosan oda vissza lehessen tekerni.
Másik. Nézd meg különböző eltérítéseknél, hátha csak a hálózati brumm szór bele bal szélről. Trafó tere, vagy vezeték megy közel mellette esetleg. A hozzászólás módosítva: Jan 9, 2014
Sziasztok!
Cseréltem egy szkópot aminek nincs tipusszáma, csak német feliratok vannak valószínű egy "hobbi" szkóp. Először elindítva jó is volt és amikor újra bekapcsoltam a sugár már nem volt látható a képernyőn. Szétszedtem 4 cső van benne amik fűtenek bekapcsoláskor és a sugárcső is fűt. Úgy néztem már valaki kibővítette egy-két alkatrésszel. Olyan valakit keresek aki megjavítaná, és a méréshatárt mint frekvencia mint feszültség irányában megnövelné mert a felirat szerint 1 V max tud mérni. A készülék csöves ezért nem nyúlok hozzá, meg most szerelésre nincs szabad kapacitásom.
Hello! Egy Trabantból nem lehet BMW-t készíteni. Legalább is csak úgy célszerű, ha a BMW-re ráteszed a Trabant emblémát. Szerintem anyagilag is jobban jársz, ha veszel valami más de működő szkópot. üdv!
Helo a bemenetén az egyik diódahíd elposszant s1nb 60 56 van ráírva valakinek ötlete mivel lehetne helyettesíteni?Külföldi oldalakon találtam hasonlót de pont ilyet nem.Ez okozhatta ezt a hibát? http://www.hobbielektronika.hu/forum/topic_post_1080513.html#1080513
A hozzászólás módosítva: Feb 3, 2014
Szia!
A Graetz utáni nagy pufferkondin kellene zárlatot keresni, mert a híd nem véletlenül szokott tönkremenni. Persze kiforrasztott Graetz mellett mérj. A hozzászólás módosítva: Feb 3, 2014
Köszi de sajnos tévedtem csak meg volt feketedve rámértem a bejövőre 2*8 és 1*140 volt ennek megfelelően adják le az egyenirányított feszültséget.Rossz irányból kezdtem keresni a hibát.Szóval az egyik csatornán ha állítom a feszültségosztót a jel is változik,rakok fel képet azt hiszem úgy jobban látszik.Melyik részegységben lehet a hiba azt kellene kizárnom ha van ötlet szívesen veszem.A harmadik képen jobban látszik a két csatorna azonos beállításokkal
A hozzászólás módosítva: Feb 3, 2014
Az osztót és az egész függőleges csatornát kalibrálni szükséges DC és AC /négyszögimpulzus alakhű átvitele/ céljából. Szerviz utasításokban le van írva annak menete.
A legnagyobb osztóállásról indul a kalibrálás a legkisebb felé. Cél a középre állított vízszintes vonal az osztókapcsoló minden állásában középen is maradjon. DC beállítás trimer potméterekkel történik. A négyszögimpulzus alakhű átvitelét is be kell kalibrálni a trimer kondenzátorokkal.Először DC beállítás, utána a kalibráló kimenetről az osztó bemenetére csatlakoztatott négyszögjellel történő beállítás következik. Cél a jel tetőesés és túllövés kikompenzálása azaz tökéletes négyszögjel kialakítása.
Sziasztok, üdvözlök mindenkit ezen az oldalon! Nem oly régen vettem elő én is a kis 313-ast. 30 év után, akadt némi szinkron hibája. Az első képen látható kondikat kicseréltem 104J1000V-osokra. Melegedtek, s kivéve, mérve veszítettek a kap-ból, ill ingadozott a hő hatására. A trafó melletti kis panelon is cseréltem jobb minőségűre, látszik a fekete háza. Most a 2. képen látható a képe. Valamikor régen, még kiváltottam a 'balanc' nevű potit egy műveleti erősítős kapcsolásra, így nem kell tekergetni, kalibrálgatni, nem mászik el fesz osztó kapcsolgatása során. Valószínű, hogy egy régi Rádiótechnika újságból vettem az ötletet, de oly rég volt, hogy nem is emlékeztem rá, én is meglepődtem, mikor most elővettem. Egyetlen gondom, hogy a fényerő növelésével arányosan nő a jel 'homályossága', amit az asztigmatizmus áramkörrel lehetne javítani, de már nem emlékszem, hogy ez ki van-e vezetve a cső-csatlakozóra?
Üdv: Mike
Eredeti kérdésem az lenne, hogy van egy Siemens Oscillar M 07190 -es, kb szintén 40 éves 100Mhz-es szkópom, amihez volt eredeti Service Manuall, ami sajnos eltűnt, az évek során. Írtam a Siemens AG. -nak, de ők sem tudtak segíteni, azt írták, hogy már nincsen meg az archívumban. Ha valaki tudna segíteni ebben, vagy valami hasonló rajza lenne, s megosztaná, nagyon örülnék neki. Ez már nem az a kategória, amit fejből lehet követni, a benne lévő több-száz tranzisztor miatt.... Előre is köszönettel : Mike
Sziasztok!
Vettem egy szkópot december körül használtan. És az a gondom vele hogy hiába hagyom lógni a levegőbe vagy zárom rövidre a bemenetet, az alábbi képet produkálja. Szerintetek mi lehet a gondja? Köszi
Szia!
Szűretlen tápegység okoz ilyet. Nézd át a tápegység kimeneteit. |
Bejelentkezés
Hirdetés |




















