Fórum témák
» Több friss téma |
Üdv Mindenkinek!
Érdeklődnék a nemrég kitárgyalt hidas TDA7294-es erősítőnek hogyan lehetne szimmetrikus bemenete, hogy PA erősítőnek lehessen használni? Köszi a válaszokat előre is.
A kérdés nem ide tartozik, de belinkelem ide.
Bővebben: Link Volt egy ilyen rajzom, nem építettem meg, de még mindig szükség lenne rá, csak nincs kedvem nyákot tervezni. Reloop kolléga anno rábólintott, hogy jó. Nem hiszem hogy baj lenne vele.
Sziasztok, nos így néz ki az aktív hangszínszabályzó fejhallgatókimenetről adok neki jelet amit a kimeneten recsegve sercegve hallok.Vajon elszállt az ic?
Tápot egy dvd játszó + - 12 v járól adok neki ami 2 vdc re esik a panelen, ez mitől van? Egy dióda van a + ágban még a táptól mert adatlapjáról ezt olvastam ki az AMS 1085 ct nek hogy az kell a v in lábra. A hozzászólás módosítva: Feb 25, 2014
Ha ellenőrizni van kedved....
Helló. Egy olyan kérdésem lenne hogy van egy középmegcsapolásos 34-0-34V-os transzformátorom és hogy ezzel hajthatok-e egy stereo Tda7294-es végfokot?
Szia! Elkiabáltam a sikert .csökkentettem a 680 ohm 500 ra azóta semmi nyikkanás.
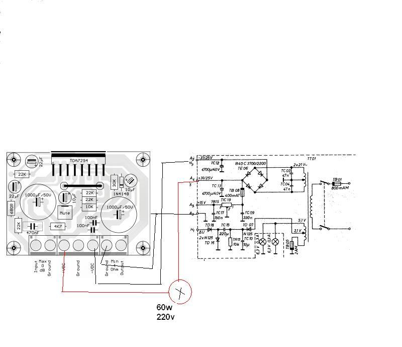
Egyébként kérdezném a 220v 60 w izzót sorba kötni vagy párhuzamosan valaki rajzolja már le mert sokféleképp van írva. Mellékeltem egy rajzot így jó lesz? mert ha igen nálam semmit nem csinál nem izzik de nem is világít üdv aramis A hozzászólás módosítva: Feb 26, 2014
Sorosan a primer körbe kell egy izzó.
Hajthatod,egyenirányítod 44,54 voltod lesz ez igen csak felsőhatár mondhatjuk pengeélen táncoltatod majd a TDA7294 est, én inkább akkor TDA7293 mat ajánlok annak nagyobb a fesztűrése, de ez nem azt jelenti hogy a TDA7294 ne bírná el viszont ekkora feszültségen már a teljesítmény/disszipáció tényező valamint a gerjedésre hajlamosság már fontolóra veti a transzformátor átalakítását.A transzformátorról bővebben Ebben a Topikban
kérdezhetsz. A hozzászólás módosítva: Feb 26, 2014
Akkor a Tda7293 -nak más panelt kell gyártanom?
Nem kell más panelt gyártani, N.C lábakat ha nem csatlakoznak máshová összekötöd. (12-14 es láb.
Köszönöm a választ,akkor neki is állok az alkatrészek megrendelésének.
Kösz Zotya! Csak parázslik de megsem mukkan hol nézzem még esetleg a 1000uf kondi?
A Mute és a stby lábakat (és/vagy zsinórt) összekötötted és ráhúztad a + tápra?
Igen úgy is meg kíséreltem de akkor a táp zúgni kezd .
Kérhetnénk magáról a panelről alul felül egy képet? Hátha látunk is valamit.
Most nem tudok képet feltenni de ahogy most újból összekötöttem és ráhúztam a tápot Most aztán szépen világít az izzó fene zárlat lehet de már átnéztem minden nyomvonalat.szerintem halott az IC.
Na akkor sürgősen kapcsold ki, és vedd le onnan azt a tápot.Nem hiszem hogy halott az ic,ahhoz kicsit durvább bakit kell elkövetned ahogy én is tettem pár napja fordított táppal...
Megvárjuk azt a képet.
Tisztelt Reloop.
Kicseréltem az IC-t és egyből beindult a végfok. Azt, hogy az IC volt gyári hibás, vagy az én figyelmetlenségem miatt hibásodott meg, nem tudom, a lényeg, hogy működik. Nagyon szépen köszönöm a segitséged. Tisztelettel Torzito.
A negatív ágba van bekötve a stab IC? Ráadásul nincs bekötve csak 2 lába? Hány V-os változat? Állítható? Az a dióda is nagyon érdekesen van ott, de az már tényleg nem is látszik...
A stabilizátor IC-t furán kötötted be. Ahogy a képről kivehető, az hibás az adatlaphoz képest, mert a középső láb lenne a kimenet.
Volna egy kérdésem hozzátok . A mi nap be akartam forrasztani az ic-ét a híd kapcsolás paneljába de sajnos le ejtettem. Egyéb külsérelemre utaló nyomot nem látok rajta , de az eséstől 3 láb elhajlott . Jó ezzel semmi gond ki lehet egyenesíteni , de azt nem tudom hogy az ic egy ilyen eséstől károsodott e. Szerintetek használható még ?
Szerintem igen.
Elnézésed hogy még egyszer rá kérdezek
Úgy érted használható?
Egyetlen egy kérdőjellel el látott mondatod volt....
Sorry vagyok
Félreérthetően írtam. Szerintem simán használható. |
Bejelentkezés
Hirdetés |








Úgy érted használható?
Félreérthetően írtam. Szerintem simán használható. 



