Fórum témák
» Több friss téma |
Fórum » TDA1524 előerősítő
Sziasztok!
Kaptam egy ilyen hangszint,es az a baj vele hogy: Felkel tekerejem felig a potit hogy szabalyozon(mindegy potinal igyvan)! Amikor feltekerem a bass potit olyan hangja lenne mint ha bevagni az 50Hz S az a bajom vele hogy nagyon nagy az alapzugas. Az erositovel nincs baj,mert probaltam hangszin nelkul. Szerintetek mi a baj? Rendes 12VDC adtam neki.(4700 uf szuressel) Koszi a valaszt!Bővebben: Link
Valaki tudna segiteni?
Pontosan milyen tápról táplálod?Stabilizátor van a pufferkondenzátor után?
Pufferkondenzátor után van 12 egyenfeszem.
Regebb ment valamenyit rendesen.
Akkor nincs pl. egy 7812 stab. IC sem?Bár,ha a puffer után csak 12V van,akkor a 7812 már nem felel meg,max. 7809,de a 9V lehet,hogy már kevés a 1524 helyes működéséhez.
Sziasztok4
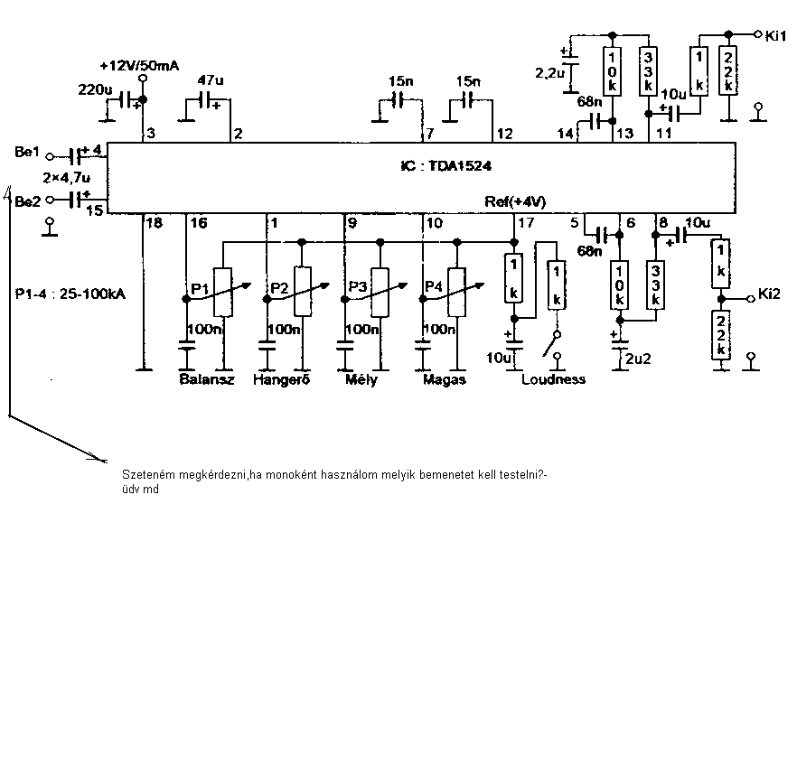
Kedves szakik! Ki tudna segíteni az alábbi rajzon látható kapcsolásban.Valahol itt találtam de lehet,hogy nem.Az lenne a kérdésem lehetséges hogy erősítő vagy előerősítő? üdv: dava
Lehetséges, de a gugli szerintem nálad is működik.
Nem tudom mit akarsz vele mert az országban sehol sem kapható, de hasonló van annyi, hogy Dunát lehet velük rekeszteni.
Szia Köszi a választ. Csak annyi az egész ,hogy van itthon nekem ilyen IC.és szerettem volna tudni erről a kapcsolásról valamit megtudni.
üdv: dava
üdv.
Nagyon kezdő vagyok Segítségeteket szeretném kérni megépítettem ezzel az ic-vel egy hangszínszabályzót NE5532 ic-s előerősítővel Az előerősítő meg se mukkan , a hangszínszabályzóról TDA2003-as végfokon keresztül szól ugyan a zene , de a hangszínszabályzón akármit tekerek semmi nem változik , és az ic nagyon melegszik A kapcs rajzban TDA 1524 szerepel de a boltban TDA1524A-t adtak , ez lehet gond?? http://users.atw.hu/home-elektro/project/tda1524/tda1524.htm Ez alapján terveztem meg. jó lenne ha sikerülne összehozni ![]() segítségeteket köszönöm
Értékelhető minőségben tegyél fel képet a ketyeréről.
Az ic lábai nem érnek össze , azt megnéztem
ja a Táp csati mellől a 220u-s kandi hiányzik mert hát nem néztem meg hogy hány voltos ésmint kiderült csak 10V-os volt 15v-os tápfesznél
220uf-os kondit kerítettem bele , de nem változott semmi.
A hibáról még annyit hogy ha megkapja a feszültséget már elkezd melegedni olyan kézmelegre , ha pedig rádugom a telefonom (nem kell elindítani zenét , és a végfokot sem kell bekapcsolni)akkor kezd forrósodni , de szerintem tönkre nem ment még mert semmi füst felhő , vagy égés szag , csak forrósodik de kézzel még tűrhető. Ha bekapcsolom a végfokot és elindítok valami zenét akkor szól mind két oldal , elég tisztán csak hát nem lehet semmit se állítani ,és melegszik tovább... inkább nem is piszkálgatom .
Na amit eddig írtam mehet a kukába , inkább kerestem az interneten egy másik kapcsolást az ic köré , meg is építettem , és hát fél siker -.-
http://www.schematics.wz.cz/schemata-korekcni_predzesilovac_TDA1524.html Erről van szó 15volt-os tápfeszről próbáltam , hát nem tetszik , azon felül hogy csak az egyik fele szól (ez lehet az előző nyák próbálgatásától ) nagyon zajos , a basszust szinte csak fél állásig lehet feltekerni mert onnantól annyira torzít hogy az nem igaz , a magas és a balansz talán a két dolog az egészen ami rendesen működik , azon gondolkodom hogy érdemes e egyáltalán venni bele új íc-t hogy szóljon mind két oldal , mert hát elég siralmasa hangja :S. Érdemes lemenni 10v-os tápfeszre ? mert olvastam hogy a felett nagyon zajos A TDA2003as végfokom magában szebb hangot produkál
Urak a 2010/4 rt benvolt egy kapcsolási rajz aTDA 1524 ki tudna segíteni meszerzésében
Parancsolj, remélem erre volt szükséged.
Sziasztok! Egy kis segítséget kérek
a képen látható TDA 1524 előerősítő mono ban használatkor az egyik bemenet testelni kell? A hozzászólás módosítva: Máj 5, 2013
Üdv,
Ha még aktuális: Igen az egyik bemenetet lekötheted a földre, így legalább nem fog áthallatszani a nemkívánt brumm a másik csatornába, azzal a kimenettel amit nem használsz pedig ne csinálj semmit, hogy melyiket fogod használni a kétbemenet közül rajtad múlik.
Szasztok mi a velemeny errol az eloerostorol??? Bugg-e??? En ezt szeretnem megepiteni. Van mar tapasztalat??? Bővebben: Link
Öröm helyén látni a kérdést
![]() Ott a leírásban: 9-15V tápfeszültséget igényel. Ez azt jelenti, a GND-hez (testhez) képest ekkora pozitív feszültséggel kell táplálni. Ha a testre -12V-ot, a táp bemenetre +12V-ot kötöttél akkor 24V-tal tápláltad. Nem valószínű, hogy ezt elviselte az IC.
Inhouse válasza zotya1983 hozzászólására
Idézet: „+ és gnd re kötöttem első körben szimmetrikus stabil táppal hajtva!!!” De vajon min volt a + és a gnd? A DVD tápon, vagy a hangszínszabályzó panelen? Minek szimmetrikus táp, ha asszimetrikus kell a panelnek? Vagy még mindig nem érted a különbséget? Még mindig nem tiszta minden rész, nem akarsz rendesen válaszolni. Azt beismerted, hogy rosszul kötötted be az IC lábait, de nem írtál semmit arról, hogy miért a negatív (test) ágba raktad az egyébként felesleges IC-t? Vagy fordított polaritást kapott a panel és a címke volt rossz? Minek kérdezel, ha nem érdekel a válasz? Hogy vársz el segítséget, ha nem adsz infót? Idézet: „12 voltot jelent a testhez (Földhöz képest) és a kapcsolással egészen 15 voltig el lehet menni a leírása szerint. Így sem szólalt meg.” Írtál 2V-ra esést is, az mikor és hol volt? Idézet: „De mint reloop is írta elköltöztünk, mert ez a TDA7294 témakör.Üdv.” Ne csináld már...te kérdeztél rossz helyen. A hozzászólás módosítva: Márc 2, 2014
Beszéljenek helyettem a képek, parancsolj!A dvd táp gnd je megy a hangszínszabályzó panel - pontjára, a dvd táp + polaritása pedíg megy a hangszínszabályzó panel + ára ennél jobban tüzetesebben nem tudom elmagyarázni neked.A kívánt feszültség pontosan annyi amivel táplálni kell.Nos halk recsegésen kívül semmi nem hallatszik ezért csakis az ic hibájára gyanakszom.Ha esetleg tudsz valamit hol és mit mérjek ne tartsd magadban szívesen fogadom,ja igen és még mindíg a TDA1524 ről van szó.
Ja igen és DC természetesen. A hozzászólás módosítva: Márc 2, 2014
Kapcsirajza pedíg itt látható.
A passzív alkatrészek minden bizonnyal túlélték a kísérletet, fólia sérülést nem látok, az IC csere tűnik logikus lépésnek.
Szia,
Nekem a panel rajzolata alapján úgy tűnik, mintha fordítva kötötted volna be a tápfeszültséget. Szerintem nézd meg, hogy a negatív tápfesz valóban a panel teliföldjén van-e.
Szia! Jónak látom a bekötést, alaposan átrágtam rajta magam. Még képek.
Engem a COM-hoz dugott piros mérőzsinór zavart meg
Ez nem szimmetrikus táp, még mindig. A műszerzsinór fordítva van a műszerbe dugva, nem okoz hibát, de nagyon zavaró és szakmaiatlan. A NYÁK alapján jól tippeltem a panel + táp pontját. Azokon a képeken, amiken még rajta van a felesleges stab IC, ott az IC a test körbe volt kötve, bármennyire is nem akarsz róla tudomást venni.
Ennek így már jónak kellene lennie, a 11,8xV és a 12V mindegy. Ha rossz, akkor egyéb aktív elem híján tönkretehetted az IC-t. Már nem is emlékszem, hogy mivel is adsz neki hangjelet? Árnyékolatlan vezetékkel? |
Bejelentkezés
Hirdetés |





Nem tudom mit akarsz vele mert az országban sehol sem kapható, de hasonló van annyi, hogy Dunát lehet velük rekeszteni. 







Ja igen és DC természetesen. 







