Fórum témák
» Több friss téma |
Fórum » Labortápegység készítése
Most este, ahogy hazaértem pákát ragadtam és kidobtam a kapcsolásból a C50-et és a C51-et is.
Jelentem javultam 1000 szerest a milisecundumok világából a mikrosecundumok világába került a táp. A mérési feltételek ugyanazok amit korábban megbeszéltünk. A kimeneti feszültség változása most már összemérhető a DAC kimenetével. A fel és a lefutást is megnéztem és csatolva megtalálod. Nagyon szépen köszönöm mindenkinek akiknek feltűnt ez a nagy lassítás. Különösen neked köszönöm Attila.
Nagyon szívesen!
Örülök hogy építő jellegűnek és nem kukacoskodásnak vetted amiket írtam. Annak meg főleg hogy ezek eredményeképp a tápod jobb lett. Nem is kicsit!Írtam neked egy e-mailt is még tegnap, azt megkaptad?
Most végy egy hűtőbordát, tegyél rá egy nagyobb MOS-FET -et. Egy 555 -ös időzítővel készíts egy kapcsolást, ami a FET -et periódikusan nyitogatja. A frekvenciát olyanra válaszd, ami a szkópnak megfellel. A FET -et egy alkalmas ellenállással kösd rá a táp kimenetére. Állítsd be úgy a tápot, hogy bekapcsolt fet -nél a túláramvédelem aktív legyen, lezártnál pedig nem. Esetleg statikus terhelést is kapcsolj rá. Vedd fel a jelalakot. Tapasztalsz túllövést? Azon a kondenzátorokat azért tették be (valószínűleg) a kapcsolásba, mert az áramgenerátoros módból való kilépéskor mindkét szabélyzó kör felszakadhat egy pillanatra, az áteresztő tranzisztorok (majdnem teljesen) kinyithatnak. A terhelő áram már megszült, de a kimenő feszültség még túl alacsony. Ekkor a meghajtó tranzisztor bázisán a jel emelkedési sebességét csökkenti a (most kiszerelt) kondenzátor, időt biztosít a feszültség szabályzó kör feléledésére. A kapacitás értékét úgy kellene beállítani, hogy nem legyen még túllövés és a táp a lehető leggyorsabb legyen.
Nekem van egy ilyen céláramköröm, ezzel mértem végig anno a labortápokat. tkovacs ha gondolod nagyon szívesen kölcsönadom!
Közben rájöttem arra is hogy miért volt durva túllövés a kimenőfesz ki-be kapcsolásakor.
Azt kell, hogy monjam ez durva tervezési hiba volt részemről. A Q8 tranzisztort az OFF jelű vezeték H szintjével bekapcsoltam ami a teljesítményfokozat vezérlését megszüntette és a kimenő fesz 0-ra esett. A szerencsétlen U2A műveleti erősítő nem invertáló bemenetén azonban ott van a DAC kimenete valami 0-4096mV amit beállítottunk, az invertáló bemenetén meg ugye a kimenő fesz leosztott része ami 0V. A műveleti erősítő a kimenetére kitolta a pozitív tápot. Amikor a Q8 söntölése megszűnik, mert bekapcsoljuk a kimenetet, amíg a műveleti erősítő nem tér magához megjelent egy pozitív tüske a kimeneten. Megoldás a Q8 az U_set feszültséget fogja kisöntölni (a Q9-re párhuzamosan)
Ez jó! Vagy úgy is lehet hogy a DC BE/KI funkciót egyszerűen a D/A lenullázásával valósítod meg.
Igen, igazából pont így vettem észre, hogy a DAC nulázásánál a túllövési jelenség nem jelentkezett.
Sziasztok!
A kérdésem elsősorban Attila86nak irányulna. Egy időbe láttam, hogy nekifogtál különböző tápokat méregetni. A méréseket le tudnád nekem írni? Nem az eredmények érdekelnek, meg nem a mérések menete hanem, hogy milyen paramétereket néztél a tápokon. Most van egy kis időm játszanék én is velük kicsit. Üdv Petjaa A hozzászólás módosítva: Máj 14, 2014
Szia!
Eszközöltem néhány változtatást a tápomon az elmúlt napokban. Nincs benne semmi extra kondenzátor csak 1nF-osok az OPAk kimenete és a nem invertáló bemenetén. Most csináltam meg éppen a méréshez a MOSFET-es terhelést amit a funkciógenerátorommal 100 Hz-es négyszögjellel hajtottam meg. A szkóp ábra elég beszédes, de azért leírom, hogy hogyan mértem. A táp beállított feszültségértéke 15.00V az áramkorlátja pedig 1.000A. A kimeneten van egy 7Ohmos ellenállás majd egy 1Ohmos amin a 2-es csatorna méri az áramot. Jól látszik, hogy a terhelés lekapcsolása után 2.5 msec múlva túllövés nélkül beáll az üresjárási 15V. A terhelés bekapcsolásakor pedig 500usec múlva beáll az 1A-es áramkorlát és a 8V-os terhelt kapocsfeszültség. Én jónak tartom ezeket az értékeket. És ti? Üdv.
Szia!
Többnyire csak dinamikus viselkedéssel kapcsolatos vizsgálatokat végeztem. Más méréseket is szívesen tettem volna de nem akartam megölni a nekem kölcsönbe adott tápegységeket. Például a kimeneti feszültség vagy a kimenő áram időbeli stabilitását emiatt nem tudtam megmérni. Nem biztos ugyanis hogy mindegyik táp bírta volna a pl egy órás folyamatos terhelést. A mérések a következő pontokból álltak: Dinamikus vizsgálatok: 1.- A kimeneti feszültség változása a terhelés értékének 50%->100%-os változásának hatására (R2R mérés), feszültség-generátoros módban. Itt két sorba kötött 6,714Ohm-os (70W-os) ellenállást kapcsoltam a labortápok kimenetére és egy powerfet 40Hz-en rövidre zárogatta az egyik ellenállást. 2.- A kimeneti áram változása a terhelés értékének 50%->100%-os változásának hatására (R2R mérés), áram-generátoros módban. Itt is két sorba kötött 6,714Ohm-os (70W-os) ellenállást kapcsoltam a labortápok kimenetére és egy powerfet 40Hz-en rövidre zárogatta az egyik ellenállást. 3.- A kimenő áram túllövése a terheletlen feszgenerátoros és terhelt áramgenerátoros mód közt. Itt a 13,428Ohm-os (140W-os) ellenállást kapcsolgatott a labortápok kimenetére egy powerfet 40Hz-en. Ez a mérés egyébként csak pár labortápnál adott értelmezhető eredményt, némelyik labortáp ezt a vizsgálatot borzasztó rosszul viselte. Pedig tulajdonképpen ez egy teljesen normális, életszerű történés hogy van egy terheletlen labortápunk amire egyszer csak rákapcsolunk egy terhelést... 3.b- Kíváncsiságból csináltam olyat hogy a nagyobb értékű ellenállásnál (13,428Ohm) feszgenerátoroban legyen a táp, de amikor a terhelés felét a powerfet rövidre zárja azaz 6,714Ohm lesz akkor áramgenerátorosba lépjen. Gyakorlatilag ennél a mérésnél folyamatosan világítani látszik mind a két üzemmód-jelző LED mert a labortáp folyamatosan ugrál a két üzemmód közt. Na ez még kevésbé kiértékelhető eredményt produkált szóval ezt végül inkább nem is jegyeztem le. Tranziens vizsgálatok: 4.- A kimeneti jelalak (túllövés) a kimenet felkapcsolásának pillanatakor, terheletlen kimenet esetén. 5.- A kimeneti jelalak a kimenet lekapcsolásának pillanatakor, terheletlen kimenet esetén. 6.- A kimeneti jelalak (túllövés) a kimenet felkapcsolásának pillanatakor, terhelt kimenet esetén, feszültség-generátoros üzemmódban. 7.- A kimeneti jelalak a kimenet lekapcsolásának pillanatakor, terhelt kimenet esetén, feszültség-generátoros üzemmódban. 8.- A kimeneti jelalak (túllövés) a kimenet felkapcsolásának pillanatakor, terhelt kimenet esetén, áram-generátoros üzemmódban. 9.- A kimeneti jelalak a kimenet lekapcsolásának pillanatakor, terhelt kimenet esetén, áram-generátoros üzemmódban. 10.- A kimeneti jelalak (túllövés) a hálózati 230V felkapcsolásának pillanatakor, terheletlen kimenet esetén. 11.- A kimeneti jelalak a hálózati 230V lekapcsolásának pillanatakor, terheletlen kimenet esetén. 12.- A kimeneti jelalak (túllövés) a hálózati 230V felkapcsolásának pillanatakor, terhelt kimenet esetén, feszültség-generátoros üzemmódban. 13.- A kimeneti jelalak a hálózati 230V lekapcsolásának pillanatakor, terhelt kimenet esetén, feszültség-generátoros üzemmódban. 14.- A kimeneti jelalak (túllövés) a hálózati 230V felkapcsolásának pillanatakor, terhelt kimenet esetén, áram-generátoros üzemmódban. 15.- A kimeneti jelalak a hálózati 230V lekapcsolásának pillanatakor, terhelt kimenet esetén, áram-generátoros üzemmódban. Zaj: 16.- Kimeneti zaj terheletlen kimenet esetén. 17.- Kimeneti zaj terhelt kimenet esetén, feszültség-generátoros üzemmódban. 18.- Kimeneti zaj terhelt kimenet esetén, áram-generátoros üzemmódban. Minden feszgenerátoros mérés 15V-nál és minden áramgenerátoros 1A-rel történt. Ez volt az az érték amibe belefért az összes kölcsön kapott labortápegység, ennyit mind tudott produkálni és a műterhelésem is bírta.
Ezt nem így kellene mérni, a csatolást az egyes csatornán AC-ra kellene átállítani. Így kisebb osztásarány kapcsolható be és a kis mértékű változások sokkal jobban látszódnak. Ez ahogyan ezt a szkópábrát készítetted, pont elfedheti a kis mértékű gyors tranziens ugrásokat. Pláne hogy így is az osztást 5V/DIV-re állítottad, csupán kb másfél DIV az egész jel amplitúdója. Ezen így nem sok minden látszik. Minimum azt megtehetted volna hogy egyel lejjebb, a 2V/DIV-be kapcsolod.
Idézet: „Én jónak tartom ezeket az értékeket. És ti?” Én ilyen mérést nem végeztem hogy hogyan viselkedik a táp ha a terhelt kimenetről terheletlen kimenetre vált mert tudtommal R2R méréseket szoktak végezni ezért én is így tettem. Tehát én csak olyan adattal tudok neked szolgálni hogy hogyan néz ki amikor a táp feszgenerátoros üzemmódban van, 15,00V a kimeneti feszültség és az áram kb 1,12A és 2,24A közt váltakozik. Ha szeretnél valamiféle összehasonlító mérést akkor javaslom hogy egy ilyen mérést végezz el és akkor hasonló tudok adatokkal szolgálni. Én építettem direkt az ilyen mérések céljára egy műterhelést ami 2x7db párhuzamosan kötött 47Ohm/10W-os söntből áll és a két 70W-os blokk sorba van kötve. Az egyik blokkra jön egy powerfet amit egy kis 555 rövidre zárogat 40Hz-en. A 10W-os ellenállásokon pedig van egy nagy hűtőborda: Bővebben: Link A hozzászólás módosítva: Máj 15, 2014
Szia!
Amikor méregettem néztem sokkal kisebb osztásarányokkal is és nincs semmilyen kicsi tranziens amit itt ne látnánk. Amire én most kiváncsi voltam az főleg a kikapcsoláskori feszültség túllövés mértéke és az áramgenerátoros üzem beállásának az ideje. Ma este még megnézem majd más feltételekkel is (pl. R2R). Üdv.
Szia! Nem mondtam hogy kisebb osztásaránynál mindenképp lesznek anomáliák, csak hogy a DC csatolás és a nagy osztásarány elfedheti a kisebb részleteket.
Sziasztok!
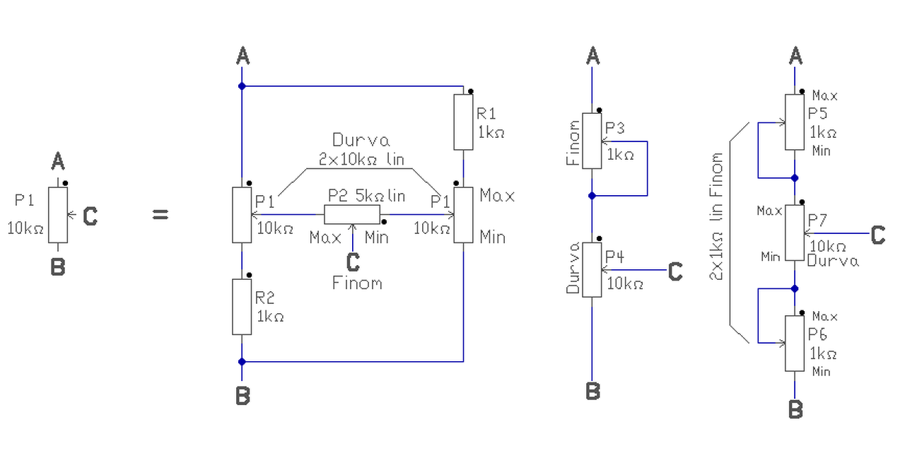
Tudnátok segíteni abban hogy hogyan tudnám megoldani egy 10k egy 50k és egy 100k-s potméter finom szabályozását? Láttam valahol olyan megoldást hogy kettő potméter volt, az egyik a finom a másik pedig a durva állításhoz. Elektronikához nem igazán értek, szóval ha nem olyan sok leírnátok hogy milyen értékű potmétereket és hogy kell párba kötni hogy jó legyen? A hasznos válaszokat előre is köszönöm!
Szia!
Használj többfordulatú potenciométert (helipot).
Esetleg 2 poti nem olcsobb megoldas? Pl. 100k es egy 4k7-es?
Szia!
Nézd meg ezt. Én a bal oldali alsót alkalmaztam a tápomhoz. 10k kettős potméter a durva, 1k szimpla a finombeállításhoz. A tápom 0-30 voltig szabályozható. (Alkotó 2.7.4.) A finombeállító potméter kb. 3V-ot fed le.
Hello! Ez így önmagában költői kérdés csak. Mert a finom-szabályozás módja a tápegység kapcsolástechnikájától is függ, valamint kívánt célkitűzésétől is. Alapvetően két szabályozási mód a szokásos, egyik a beállított érték %-os szabályozása, másik a végérték re vonatkozó %-os szabályozás.
(Hogy talán érthetőbb legyen elsőként a durva potin a mindenkor beállított érték változtatható pld. 10%-ban, míg a másodiknál a feszültség végértékének 10%-a állítható bármely durva állás mellett. Mondjuk egy 0..50V-ig szabályozható tápegységnél, első változatnál 50V-nál 45..50V-ig szabályoz a finom, és 10V-nál 9..10V között. Míg második esetben 50V-nál 45..50V-ig szabályoz, de 10V esetén pedig 5..10V-ig.) A két potméteres durva/finom szabályozás milyensége esetleges lehet, ha a potméterek precizitása nem megfelelő. (Elfordulás szög és ellenállás változás a pálya elején és végén. Valamint a beállított érték stabilitása.) De néhány példa..
Kis trimer potméterek vannak rajta. Azokkal megfelelően állítható, de egy normál potival nem. Ezért gondoltam erre a megoldásra. Többfordulatú potmétert néztem, de méreg drágák
És 4 db kellene. 2db 10k-s , egy db 50k-s és egy db 100k-s trimer potmétert kellene kiváltani velük. furko ez elég egyszerűnek tűnik. És árban is elég jól jönnék ki vele. Ez működik 50 és 100k-s potméterekkel is? Tehát egy 50k-s tandem és egy 1k-s sima, 100k-sal meg ugyan ez?
Szia!
Nekem 10k tandem 1k simával 30V esetén kb. 3v állítható a finommal. Legegyszerűbb ha kipróbálod. Nekem az 1/10 arány jött be.
Az egyik, amiben az 50-es és a 100-as van az tud 0-20v-ig és 0-10A-ig szabályozni.
A másik amiben a kettő darab 10k-s van az 20-35V-ig és 0-10A-ig. Ha neked bejött az 1/10-es arány akkor maradok én is annál Tehát akkor 50-est 5k-sal a 100-asat pedig 10K-sal érdemes szabályozni. Ugye? Egyébként ehhez a lineáris vagy a logaritmikus potméterek jobbak? A hozzászólás módosítva: Máj 18, 2014
Lineáris, így lesz arányos a feszültségváltozás az elfordulással.
Igen ezekkel az értékekkel megpróbálhatod szerintem.
Köszönöm! Beszerzek hozzá mindent és kipróbálom majd.
Sziasztok!
A labtápomat a mellékelt képen szereplő trafó hajtja. A problémám az, hogy a tervezett labtáp csak 30 voltot tud magából kipréselni. Az lm338 as fesszabályzó max 40 voltot tűr el a bemenetén. Ha a két 18 as ágat kötöm össze, egyenirányításután kb 53 volt jön ki, ami kicsit sok lenne neki. Ezért csak az egyik 18-as ágat használom és így kb 25 voltot tud a labtáp, másfél amperrel. Az egész trafó 3 amper tudja. A kérdésem az lenne, hogy lehetne megoldani, hogy mind a 3 ampert kitudjam használni? Válaszokat köszönöm!
nekem így is csak másfél amper jön ki. :S
A hozzászólás módosítva: Máj 19, 2014
Figyelembe kell venni a tok disszipaciojat /hoveszteseget/ , 25V betapnal 3V -beallitott kimeti feszultsegnel biztosan nem tudja az 5ampert. Megfelelo huttobordarol sem szabad elfeletkezni.
Bővebben: Link Link javítva. Használd a link gombot! -moderátor- A hozzászólás módosítva: Máj 19, 2014
Ohm torvenye mond valamit...?15 V -nal 1kohm -15mA , 100 ohm - 150mA , 10 Ohm -1,5A , 5 Ohm -3A , vagyis kisebb terheloellenallas kell hogy nagyobb aram follyon!
A hozzászólás módosítva: Máj 19, 2014
Már volt rajta simán a két 18-as ág és átjött rajta a 3 amper, csak később vettem észre a leírásba hogy 40 volt a max bemenője, erre kapott vagy két alkalommal 50 voltot a fesszabályzó. Azért nem értem, hogy ha akkor átjött rajta a 3 amper, most miért nem.
|
Bejelentkezés
Hirdetés |




Örülök hogy építő jellegűnek és nem kukacoskodásnak vetted amiket írtam. Annak meg főleg hogy ezek eredményeképp a tápod jobb lett. Nem is kicsit!

És 4 db kellene. 2db 10k-s , egy db 50k-s és egy db 100k-s trimer potmétert kellene kiváltani velük. 






