Fórum témák

» Több friss téma
Fórum » Villanypásztor
 
Témaindító: bernardo, idő: Feb 5, 2006
Témakörök:
Lapozás: OK   177 / 303
(#) erdgab válasza razor1995 hozzászólására (») Júl 5, 2014 /
 
Idézet:
„Az ellenállás is 1Mohm és a poti is szóval nem tudom miért ment olyan magasra.”

Mert nem kapcsol a diak,szerintem,akkor tud csak felszökni a feszültség,különben kb. 32V -nál kellene,hogy vezetésbe billenjen és nyisson a tirisztor.
(#) razor1995 válasza erdgab hozzászólására (») Júl 5, 2014 /
 
Megvan a probléma! Kimaradt egy csík a panelről, most vettem észre Köszi a segítséget!
(#) erdgab válasza razor1995 hozzászólására (») Júl 5, 2014 /
 
Ejnye!
(#) CIROKL hozzászólása Aug 4, 2014 /
 
12 Volt -os akkumulátor használatával tud valaki egy bevált ütős kapcsolást ami nem csak csiklandoz ?
(#) zosza18 válasza CIROKL hozzászólására (») Aug 4, 2014 /
 
Van itt jópár, ami akkuról megy és jó is, köztük az enyém is fent van amit megépítettem és jól működik.

Az általam épített vp.
A hozzászólás módosítva: Aug 4, 2014
(#) z3r0 hozzászólása Aug 4, 2014 /
 
Sziasztok!
Régebben építettem 2 inverteres pásztort is, ami szuperül dolgozik. Egy gondom van velük de az folyamatosan. A zsiguli trafók folyton kidöglenek belőle. Kellene valami más ami használható és nem egy vagyon.
Bontott nyugati autó trafó árán már lassan újat is kapni. Valakinek tapasztalata LINK az ehhez hasonló trafókkal? Hogyan bírják a folyamatos működést?
(#) zosza18 válasza z3r0 hozzászólására (») Aug 4, 2014 /
 
Szia!
Az a szóbeszéd járja, hogy (legalábbis amit én hallottam és tudok!) ezekhez a vp.-hoz, az elektronikus gyújtással rendelkező gyújtástrafók a jók, azok bírják a terhelést folyamatosan, mármint az ilyen jellegű terhelést.
Én tapasztaltam olyat egyszer, hogy építettem egy elektronikus gyújtást és zsiguli trafót használtam hozzá. 1-2 havonta döglött be a trafó, majd kicseréltem a Samara trafójára és már kb. másfél éve megyen.
(#) erdgab válasza z3r0 hozzászólására (») Aug 4, 2014 /
 
Idézet:
„A zsiguli trafók folyton kidöglenek belőle.”

Mekkora kondenzátort,hány voltra töltve sütsz rá?
(#) erdgab válasza CIROKL hozzászólására (») Aug 4, 2014 /
 
Mekkora kerületű területre és milyen állat riogatására szeretnéd használni?
(#) z3r0 válasza erdgab hozzászólására (») Aug 5, 2014 /
 
12 mikro és 280-300V, 12kV-os szikraközzel.
Kell a kakó mert a kecskék önállósítják magukat aztán mennek utánuk a marhák is.
(#) z3r0 válasza zosza18 hozzászólására (») Aug 5, 2014 /
 
Mindenképpen valami újabb típusú trafó kellene, mert a szoci cuccok nem bírják, az új utángyártottak meg silány minőségűek. Nyugati autó trafója bontottan is és újonnan is arany árban van. Ezért nézegettem a kínai trafókat mert olcsóbb mint a zsiguli trafó és talán jobban is bírja. Próbára ma berendeltem egyet, meglátjuk mit csinál.
(#) erdgab válasza z3r0 hozzászólására (») Aug 5, 2014 /
 
Érdekes számomra,én 16µF kondit használok,általában 400V töltve,de még sosem ment tönkre nekem zsiguli trafó,a szikraköz is kb. akkora.
(#) CIROKL válasza zosza18 hozzászólására (») Aug 5, 2014 /
 
Szia: Pontosan melyik kapcsolás ?
(#) CIROKL válasza erdgab hozzászólására (») Aug 5, 2014 /
 
Üdv: Ha jól tudom kecskét szeretnének vele bent tartani kb 4-500 méteres kerités hossz ....
(#) erdgab válasza CIROKL hozzászólására (») Aug 5, 2014 /
 
Üdv!
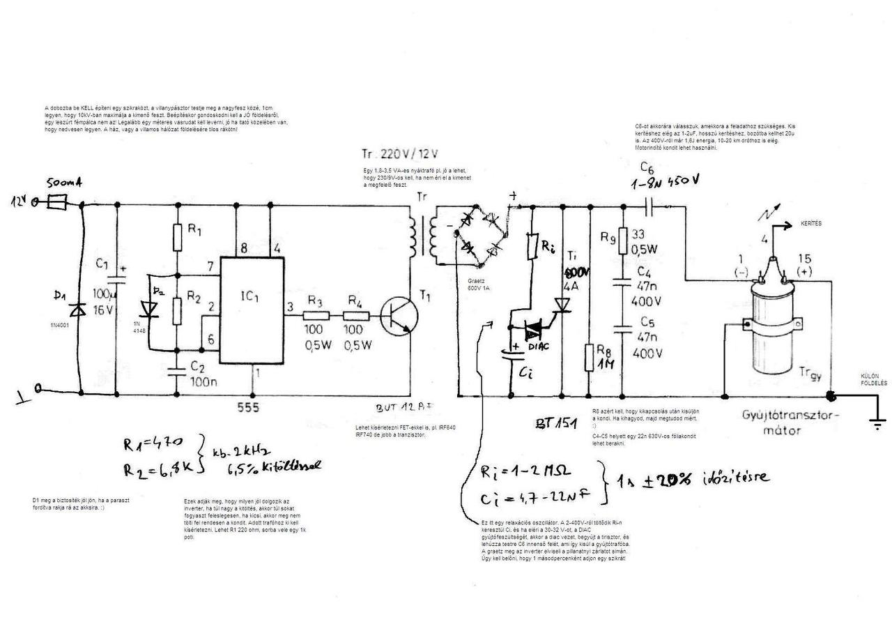
Válaszd a mellékeltet a következő kikötésekkel: R1=530-560 ohm,R2=2,2k,T1=E13007,kis trafó=230V/9V/4W,P1+R5=1,8M,C4-C5=összesen 1 darab 22nF/630V,TR=BT151/800,Cx=16µF/450V (motor üzemi kondi),C3=22µF/63V,gyújtótrafó=Zsiguli gy.trafó,szikraköz=10-12mm (ezt mindenképp építsd be még bekapcsolás előtt,különben oda húz át ahol a legközelebb talál testet!!!). Az 555 időzítőjéhez ne építs be semmilyen diódát se,sehova se!Mutatom a kis trafó képét is,ez ugyan 230V/12V/4,3W -os,de ez megfelelő.Cx kondenzátoron legalább 400-450V kell lenni,mutatós egyenfeszültség mérővel mérjed,ha nincs meg akkor a kis trafó szekunderén kell módosítani.Az áramfelvétel csúcsa a kapcsolásnak nincs egészen 300mA,olyan 200-300mA közötti,ha jól emlékszem.Amikor rákötöd a karámot és bekapcsolod,a belső szikraköznek nem szabad működnie,ha mégis áthúzna,akkor nem terhel be eléggé a karám kerítés,ilyenkor a karám vezeték végére kell tenni egy szikraközt olyan 4mm hézaggal,még éppen áthúzzon,hogy ott távozzon a "felesleges" energia.Kis ellenállású vezetékkel és kiválóan kivitelezett kerítéssel még 1000m hosszon is lehet térdrogyasztó!
Csak a saját felelősségedre építsd meg,nem életveszélyes,de nagyot tud ütni!!
(#) CIROKL válasza erdgab hozzászólására (») Aug 5, 2014 /
 
Köszöntem szépen , de máris kérdeznék ha lehet ?
Csináltam én vill pásztort és ott is megvan a 10-12 mm -es szikraköz , itt van fönt a rajz kutyapásztor néven 555 -ös meghajtás illetve zsiguli trafo ,
Szerinted ha ennél is meg az általam épitettnél is gyakorlatilag egyforma a szikraköz akkor is van értelme ennek a megépítésének ?
(#) erdgab válasza CIROKL hozzászólására (») Aug 5, 2014 /
 
Szia!
Van értelme megépíteni az inverterest.A kutyapásztornál 12 voltot kapcsolgatsz a gy.trafóra,az inverteresnél meg akár 400 voltot is.Hidd el,nagy a különbség.Tudom,a kialakult feszültségre gondolsz,de nem mindegy a hozzá tartozó áram.A legnagyobb terület eddig 6 hektár volt (kb. 1500 méter szer 5 sor) amit bekerítettünk,a végén még eléggé erősen ütött.
(#) CIROKL válasza erdgab hozzászólására (») Aug 5, 2014 /
 
Köszönöm, minden esetre , megépitek egyet és kirpobálják az illetékesek ..
(#) saba válasza erdgab hozzászólására (») Aug 9, 2014 /
 
Hány mA-t fogyaszt a pásztorod, mert az sem lényegtelen?
(#) erdgab válasza saba hozzászólására (») Aug 9, 2014 /
 
Előrébb leírtam.
(#) saba válasza erdgab hozzászólására (») Aug 9, 2014 /
 
Köszi, kicsit figyelmetlen voltam. Ezek szerint 45Ah-ás aksit 1 hét alatt leürít.
(#) nik6868 hozzászólása Aug 10, 2014 /
 
Buna seara prieteni!As vrea sa adaug si eu o sugestie in privinta tranaformatorului din invertor.Eu personal folosesc cu rezultate foarte bune,tramsformatoarele incapsulate pt pcb,model TEZ 4/D400/12 adica transformatoare cu primar 12 V,secundar 400V,4W.
(#) martin96 hozzászólása Aug 12, 2014 /
 
Sziasztok!
Tud valaki ajánlani egy egyszerű, de bevált kapcsolást? Kis területre lenne majd felhasználva.
12V-ról menne majd.
(#) kaqkk válasza martin96 hozzászólására (») Aug 12, 2014 /
 
Biztosan tud valaki ajánlani , egy picikét olvass bele a témába találsz vagy 5 kapcsolást .(csak ezen az oldalon van 2......)Csak halkan megkérdezem szerinted miről is szól ez a 188 oldal ?
A hozzászólás módosítva: Aug 12, 2014
(#) martin96 válasza kaqkk hozzászólására (») Aug 12, 2014 /
 
Én kinéztem ezt a kapcsolást, de amit eddig visszaolvastam, nem találtam róla sok mindent.
(#) kaqkk válasza martin96 hozzászólására (») Aug 12, 2014 /
 
Ha a bss en kinézel valamit akkor arról miért itt akarsz olvasni ? Szerintem felejtsd el azt a kapcsolást és keress itt rendesebbet ,amit többen megépítettek és van róla tapasztalat , nyugodtan olvass bele ebbe a 188 oldalba ....
(#) martin96 válasza kaqkk hozzászólására (») Aug 12, 2014 /
 
Van még az inverteres amit kinéztem. Bár itt nem tudom, honnan szerezzek 1M-os potit. Közeli boltban nincs, csak netről tudnék rendelni olyat. Más értékűt nem lehet beletenni?
(#) zosza18 válasza martin96 hozzászólására (») Aug 12, 2014 /
 
Egy két oldallal kell csak visszaolvasnod és máris találsz 2 megépített és jól működő kapcsolást!
(#) erdgab válasza martin96 hozzászólására (») Aug 12, 2014 /
 
Felesleges az 1M poti,megírtam egy lehetséges megoldást kissé előrébb.Potit semmiképpen nem tennék az áramkörbe,max. a beállításig.
(#) kozso31 válasza martin96 hozzászólására (») Aug 12, 2014 /
 
Hali:Én megcsináltam a csatolt kapcsolást,és nem kell bele poti.Nekem bejött (én ezt csinálom mindenhová aki megkér,hogy csináljak neki villany pásztort)hozzá kell tegyem egyszerű megépíteni szerintem neked is jó lesz.
Következő: »»   177 / 303
Bejelentkezés

Belépés

Hirdetés
XDT.hu
Az oldalon sütiket használunk a helyes működéshez. Bővebb információt az adatvédelmi szabályzatban olvashatsz. Megértettem