Fórum témák
» Több friss téma |
Fórum » Skoda Octavia elektromos probléma
Őszinte hálám
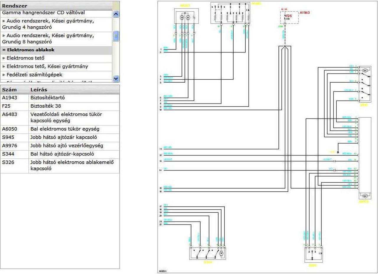
.... ezek volnának a gyári rajzok de sajnos sehogyan sem tudom jobb minőségben felrakni csak ha még jobban szétszedem és úgy nagyítom fel de akkor meg más nem látszik.
![]()
Köszönöm a segítséget
Nem akarom elkiabálni , de talán megtaláltam a hiba forrását: A vezetőoldali motor oldalán lévő dobozt kellett szétszednem , amiben benne van az ablakemelő elektronikai panelja ( nem a csatlakozónál , hanem a belsejében ),ott lehetett valami kontakthiba,jól befújva kontakt tisztítóval most működik minden.
Sziasztok!Olyan kérdésem lenne,hogy a service INSP mijen formában tudnám törölni villamoság szerelö nélkül? az odáig meg van,hogy nap számlálo nyomni gyujtás nélkül csak utána mi a teendő? Válaszotok köszönöm elöre is!Sziasztok
Szia! "Lenyomod a napi km számláló gombját, nyomva tartod, közben ráadod a gyújtást (nem kell elindítani a motort), kb 10 másodpercig így vársz, akkor az INSP felirat helyett megjelenik három vonal (---), ekkor gyújtás le, gomb elenged és törölve van." ..... valahogy így kellene.
A hozzászólás módosítva: Szept 16, 2014
Sziasztok!
Skoda Octavia 2001-es kiadás 1.9 TDI 8V turbo, dízel 66 kW (90 LE) @ 4000/3750* ford., 210 Nm @ 1900 ford., SOHC, EU2 (EU3*) Olyan problémám van vele, hogy menet közben (teljesen véletlenszerű időközönként) egyszer csak megáll a motor(alapgáz vagy 130-as tempó, már mindkét helyzetben csinálta) és csak gurul az autó. Leállítom, kb. 1 percet várok, beindul és megy tovább... mondjuk volt hogy ezt 1 KM-en 3-szor is eljátszotta. Továbbá volt olyan eset, hogy az újraindítás után egészen leállításig kb. 1Hz-en villogott az izzító kontrollégője. VAG-COM-on volt, nem jelzett hibát, turbó nem tilt le, simán megy 4000-es fordulat felett is. Kérdés.... mi lehet a probléma vele? Köszi előre is a válaszokat. A hozzászólás módosítva: Szept 16, 2014
Ha az izzításjelző villog, akkor csak kellene valami tárolt hibának lennie...
Nekem akkor csinált ilyet, amikor a főtengelyjeladóm szórakozott. Hibatárolóban benne kellene lennie.
Sziasztok!
Új vagyok még a fórumon és bevallottan nem olvastam vissza 118 oldalt, előre is elnézést. Szóval: van egy '99-es Skoda Octaviam, 1.8 20V, nem tudom ez utóbbi számít-e. Mostanában kezd el érdekes tüneteket produkálni, amiket egyelőre nem sikerült feltárni. A legidegesítőbb probléma a kocsi rángatása, mely csak akkor nem jön elő ha dinaimkusan gyorsítva gangolok fel. Amint a sebességet tartom, vagy kicsit nyomatékszegényebben gyorsítok azonnal előjön, hidegebb időben a motor ki akart szakadni a helyéről. Ami cserélve lett: hőgomba, fojtószelep, légtömegmérő, gyújtótrafó. A motorra vonatkozóan nincs hibakód, ma vagy holnap még egy gyújtókábelcsere be van iktatva, de tulajdonképpen csak vaktában lövöldözünk. Ezen felül néha nem ég az index visszajelző lámpa (maga az index működik), az immobiliser is kb. minden 3. indításnál bejelez (gyújtás le, gyújtás fel és megy), valamint néha "cicergés" hallatszik a gyújtás alatt a műszerfal mögül. Hát, kb. ennyi lenne, bocs a hosszúért. Ha bármelyik hibára van ötletetek megköszönném ha megírjátok. Esetleg valami debreceni vagy közeli elektromos szaki címét is szívesen venném. Üdv: Ödön.
Szia! Ha tudnál motorkódot írni akkor talán tudnék hozzátenni valamit a megoldáshoz. Olyan nincs, hogy a VAG-COM nem jelez semmit, inkább azt mondanám, hogy nem kommunikál a meglévő szoftver a kocsiddal vagy nem tudja olvasni a rövid idejű hibatárolót ...stb.
Szia! Motorkódot írjál légyszíves, mert az sok mindent elárul a kocsi vezérléséről.
Idézet: ... de biztosan van csak azt és ott nem tudják kiolvasni ahová vitted. „A motorra vonatkozóan nincs hibakód” Idézet: Szép munka, a motort magát nem ajánlották fel cserére? Döbbenet. Ahol elsőre nem tudnak valami biztatót mondani, onnan pánikszerűen távozni kell és vissza se szabad nézni. Az immos dolog az olyan komoly,hogy azzal kellene először foglalkozni. Az olvasótekercs a burkolat alatt van felrögzítve, remélhetőleg nincs teljesen leesve a helyéről, mert a bizonytalan felismerés vége az lehet, hogy a legközelebbi indítás már sikertelen lesz. A "cicergés"-t az feltételezhetően érintkezési hiba hallatja (de mikor is hallható?). A motorikus problémához .... lehet, hogy lyukas valahol a levegős rendszer valamelyik csőszakasza (ki van repedve). „Ami cserélve lett: hőgomba, fojtószelep, légtömegmérő, gyújtótrafó”
Akkor időrendben: elkezdett rángatni, mi cseréltük ki a felsorolt alkatrészeket, csak a hibakódot és a gáyri alapbeállítást nem tudtuk megadni, gondoltuk ezért rángat továbbra is.
Ekkor vittük el a márkakereskedésbe, ahol abszolut pozitívan álltak hozzá, megcsinálták amit kértem, sőt utána egy héttel még 1x grátisz kiolvasták a hibakódokat (mivel nem szűnt meg a hiba). Holnap reggel is megyek, elviszem a szakit próbakörre, csak gondoltam előtte még érdeklődök ahol tudok a lehetséges hibák után. Egyébként AGN a motorkód. Cicergés már régen nem volt, most megint elkezdte, teljesen random módon. Valószínűleg át kellene nézetni egy elektromos szakival az egészet, de erre most nincs keret. Ja, és köszönöm a választ. Ödön.
Sziasztok!
Új vagyok itt, és rögtön egy problémával kezdeném ![]() Van egy 2002-es Skoda Octavia, 1.6 benzin, AKL motorkóddal. Probléma a következő: alapjárat 750-800 között ingadozik, indításkor 1250 -ről ejti le erre az értékre. Nemrégen cseréltem gyújtás vezérlőt, gyertyákat, kábelt, szűröket, sőt még a szervó jeladót is (korábban hibát jelzett, és ugye lehet az is oka.). Katalizátor új. Diagnosztika hibás keverék képzési arányt hoz, dúsabb a keverék. Lambda szonda 1 körüli értéket hoz és gyorsan "pörög". Elvileg ez alapján ezzel nem lehet gond. Mi lehet még? Ötlete valakinek? Nem nagyon szeretnék még nagyobb anyagi kiadásba menni, azért is kérdezem Tőletek, hátha van valakinek célzott ötlete! Előre is köszönöm!
Szia! A dús keverék lehet annak is az oka, hogy fals levegőt szív a levegős rendszer valamelyik csőszakaszán és a lambdaszonda a szegénynek ítélt értékre "ráhúzza" a keverékképzést. Az összes V60-ra csatlakozó csövet meg kell vizsgálni tüzetesen: EGR csöve, fékrásegítő és visszacsapószelepe, és az aktívszén szűrő mágnesszelepe alias tankszellőztető csőszakaszait. Bárhol van a hiányosság a levegős rendszer csöveiben az mind a fojtószelep alá csatlakozik és el tudja rontani az értékeket de nagyon.
Köszi! Csöveket átnéztem a hétvégén, minden rendben volt. 2 órát bújtam az autót...
![]() Kezdek tanácstalan lenni... ![]() Mi lehet még?
Nem, ezt nem.....
Ez nem a szivócsőnél van???
ezt nem...
és hol találom meg? és mi ez?
Sziasztok.
98-as AEE motorkódú Octavia-m van. Egyik pillanatról a másikra a műszerfal, elektromos ablakemelő, tanksapka nyitó gomb stb. világításom megszűnt. Elöl hátul az összes lámpa világít (kivéve a rendszámtábla világítás). Megnézte egy villamosság szerelő. Amikor áthidalta a vezetéket, akkor volt műszerfal világítás (mivel nem szeretném, hogy leégjen az autóm, ezért nem maradt úgy). Ma hoztak bele egy bontott lámpakapcsolót. Továbbra sem volt világítás bent. Nincs használati utasításom hozzá, ezért az összes biztosítékot átnéztem. Mindegyik hibátlannak látszik. Ezek után valaki tudna segíteni megoldani ezt a problémát? Tudna valaki szkennelni egy biztosítéktábla rajzot? Előre is köszönöm a segítséget!!!!
Szia! ITT van a biztosíték tábla kiosztása és az F4, F22 biztosítékokat kellene megnézni első körben. Az épséget NEM szemrevételezéssel kellene megállapítani, hanem rá kell mérni szakadásvizsgálóval, hogy ép-e (nincs-e megnyúlva az értéke).
Mintha azt mondtad volna, hogy mindent átnéztél.
Ez a ott van ahol a kép is mutatja és ha lefordítod a szöveget, a javítás menete is le van írva (ha rossz). E volna a szívócsőnyomás vagy vákuum szabályzó membrán. Ez a "Simos 2" motorvezérlő rendszer tartozéka.
na jó, akkor majdnem mindent
![]() Hétvégén ezek szerint bontok. Oroszom már nem az igazi, régen voltam kisdobos és úttörő ![]() Még szerencse hogy van fordító a neten ![]() Kíváncsi vagyok, bizakodom....... ![]() Köszi a tippet!!
Üdv. Lenne egy kérdésem, mert akárhogy töröm a fejem, még csak tippem sincs... 2000-es AKL kódú, 1,6-os Octavia. A minap féklámpa kapcsolót cseréltem, mert már "picit" elhasználódott. Most jó, de a szerelés közben felfedeztem egy másik kapcsolót, ami a kuplung pedálon van. (lásd mellékelt képet) Tudja valaki, hogy mire jó és mit csinál? Nekem elképzelésem sincs. Előre is köszönöm!
T
Szia!
pl. tempomatnál, ha benyomod a kuplungot, akkor észreveszi és nem próbálja tartani a sebességet, azaz nem bőg fel a motor !
Egynek jó. És ha nincs benne tempomat?
(gondolom a lehetőségét megtarthatták, hogy bármikor beépíthető legyen, de egy kapcsolót kvázi feleslegesen betenni...) Hova van ez bekötve? Okozhat ennek a rossz működése menet közbeni motor leállást, ha nincs benne tempomat?
Szia Tom-ee!
Csak egy infó: AKL típusú motorhoz nem lehet tempomatot beépíteni!! Ez sajnos biztos
Szia! Köszi az infót. Nem is terveztem, de ha alapból nem lehet, akkor nem lehet ilyen egységhez tartozó kapcsoló sem a szóban forgó alkatrész. Ha jó a gondolatmenetem...
Szia!
Az enyémben sem volt, aztán egy akció keretében lett: csak a "bajuszkapcsolót kellett lecserélni a kezelőszervek miatt és egy bitet átírni , mert az autó tudta és a kábelezés, érzékelők szerelve voltak ( OCTAVIA II., 1.9 PD TDI )! Gyártói szinten nem olyan nagy költség ezeket belerakni( pl. a kuplung kapcsoló és vezetékem mert a szenzorok "alapból" benne vannak! ), szerintem többe kerül, ha egyénileg van-nincs logisztikát kell játszani ! A hozzászólás módosítva: Szept 23, 2014
Szia!
Idézet: Akkor így ebben a formában. „"Kuplungpedál kapcsoló Működési leírás: A kuplungpedál kapcsoló szolgáltatja a jelet, hogy a kuplungpedál működtetve van-e vagy nincs. Az Üzemanyag mennyiség szabályozás rendszer komfortfunkciója megakadályozza a motor rángatását. A kuplungpedál működtetésekor rövid időre lecsökken a befecskendezett mennyiség. A kuplungpedál kapcsoló> részegység jelét a következő rendszerek használják: - Üzemanyag mennyiség szabályozás - Menetsebesség szabályzás - Motor vezérlőegység ” |
Bejelentkezés
Hirdetés |












(gondolom a lehetőségét megtarthatták, hogy bármikor beépíthető legyen, de egy kapcsolót kvázi feleslegesen betenni...) Hova van ez bekötve? Okozhat ennek a rossz működése menet közbeni motor leállást, ha nincs benne tempomat? 