Fórum témák
» Több friss téma |
- Ez a felület kizárólag, az elektronikában kezdők kérdéseinek van fenntartva és nem elfelejtve, hogy hobbielektronika a fórumunk!
- Ami tehát azt jelenti, hogy a nagymama bevásárlását nem itt beszéljük meg, ill. ez nem üzenőfal! - Kerülendő az olyan kérdés, amit egy másik meglévő (több mint 17000 van), témában kellene kitárgyalni! - És végül büntetés terhe mellett kerülendő az MSN és egyéb szleng, a magyar helyesírás mellőzése, beleértve a mondateleji nagybetűket is!
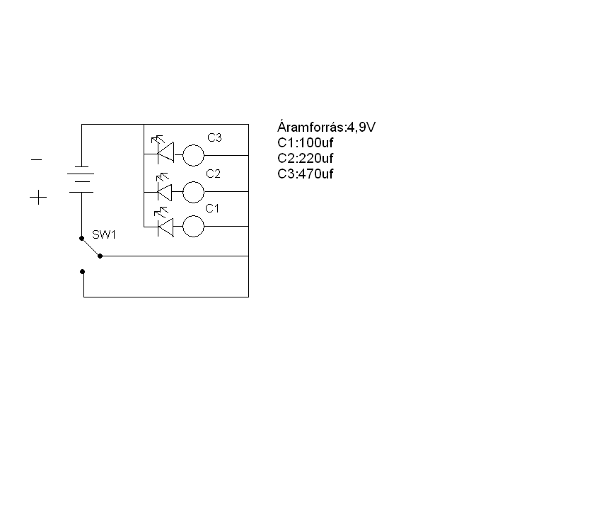
Nem. Akkor már az az egy sem fog világítani. Mint már írtam, ilyen áramkörökben a kondenzátort veheted úgy, mintha ott nem is lenne semmi, meg lenne szakítva az áramkör.
Tehát ha jól értem, futófényt akarsz csinálni. Itt egy példa: 555 + 4017
Lenne két kérdésem a csatolt kapcsolással kapcsolatban:
1. Jó-e így egyáltalán? ![]() 2. Mekkora potmétert válasszak, hogy a villogás sebességét a lassútól egészen a folyamatos világításig tudjam állítani? Én 220 kOhm-ra gondoltam.
Hali!
Lehet, h OFF leszek, de nem tudja valaki, h mi a pontos neve annak a szigetelőnek amit ledek/ic-k...stb. lábára szoktak tenni, és hőre zsugorodik?
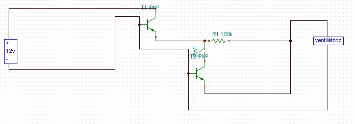
ha ez egy 3 fokozatban tudó működni ventilátorakar lenni akkor az mért nem jó?
nem kellene megfordítani a pólusait az áramforrásnak????
Fihu: Nincsmit
Mivel hő közlésre összemegy = zsugorodik
Mivel valamire akarod rátenni, gondolom cső formájú. Ha igen, akkor = cső. Összeolvasva = zsugorcső
Ez több sebből vérzik
Pólust, meg kell fordítani A T1 collektorán nincs semmi. Minek ennyi tranzisztor mert ha a T1 collektorára adom a feszültséget, a többi nem játszik szerepet. Hol vannak, a bázis ellenállások A U3, mit csinál? ( collektor emiter rövidzár) stb, stb,
ha mát tranyók, akkor:
- a bázisellenállást mi alapján kell meghatározni? breakdown voltage?
Talán egy 50Hz-es sávzáró vagy felüláteresztő szűrő az erősítőláncban segíthet valamit.
Ez jó valamire?bocs a kapcsrajz miatt paintban csináltam!
Igen. A kapcsoló ezen állapotában rövidzár, a másikban nem csinál semmit.
lehet hogy nem kellene hozzászólnom de szerintem az a baJ ha jól láttam akkor az hogy kell megadva lennie egy másik pólusnak aminek nincsenek elektronjai és hogy oda jussanak át....mert minek indulnának el ha nincs hova :kerdes:
Nem. Megint emiter collektor pöxid zár
mikrofon van márt?
Sziasztok!
Lenne egy kérdésem. A fotoellenálás érzékeli az infrát?
van csak nemtom bekötni mert nemvettem hanem itthon találtam.dinamikus mikrofon és van egy(tökmindegy de)fekete és kék zsinórja.nemtod hogy kössem be?
Nem jó, leégnének a tranzisztorok. De mit szeretnél ezekkel pontosan? Hogy akarod vezérelni azt a ventillátort?
|
Bejelentkezés
Hirdetés |










