Fórum témák
» Több friss téma |
Fórum » LED-es kivezérlésjelzők
Témaindító: KeserűCukor, idő: Márc 27, 2006
Témakörök:
Köszönöm mindkettőtöknek, mihamarabb kipróbálom!
wbt
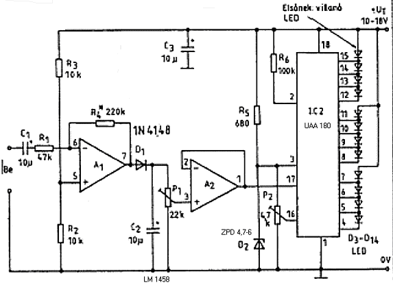
Sziasztok!
Megépítettem az alábbi kapcsolást de nem akar rendesen működni. Az összes led folyamatosan ég. Ha pedig a potmétert elcsavarom melegedni kezd a tranzisztor. MI lehet a baj? https://www.google.hu/search?q=lm3914&newwindow=1&rlz=1C1AS...%3B434
Szia.
Dobj fel egy éles képet, kitaláljuk. Szerintem a tranzisztor rosszul van bekötve, vagy zárlat van valahol. Annyit megtehetsz, hogy leveszed az IC 5-ös lábáról a tranzisztort, ekkor el kell aludnia a LED-eknek! Ha nem így van, akkor gubanc van a referenciánál, vagyis 6-7 lábnál. Az is lehet, hogy a diódát fordítva kötötted be.
A tranzisztort már kivettem és el is aludtak a ledek. A diódát jól kötöttem be már többször ellenőriztem. A tranzisztort is kicseréltem de semmi.
És hol marad a kép a művedről?
![]() Kivetted a tranzisztort, és elalszanak a LED-ek, az nagyon jó. Akkor egyértelműen a tranzisztoros fokozatban van a hiba. A hozzászólás módosítva: Júl 12, 2014
Ja bocsi félreolvastam. Most sajnos nem tudok feldobni képet.
Szia! Rémes kapcsolás
A C2-nek van egy pici szivárgó árama, attól világítanak a LED-ek.Keress rendes áramkört, itt a HE-n is van pár.
Szerbusztok.
Van 2 db lm3914 ic. Szeretnék belőlük stereo kivezérlésjelzőt készíteni. És ami nekem kéne az egy működő kapcsolás próbáltam Google-ról egykét kapcsolást sehogy sem ment. Amire gondolok az az hogy kéne valami kapcsolás a bemeneti jel elé és az ic közé ami felerősíti a jelet esetleg egy komparátor vagy valami tranzisztoros megoldás. Üdv. A hozzászólás módosítva: Júl 26, 2014
Szia! Bővebben: Link
Amúgy nagyon szépen köszönöm a segítséget.
Az LM3914-gyel kisebb lesz a kijelzési tartomány átfogása, ezen sajnos nem tudok segíteni. Maga az IC csereszabatos.
Értem és még egyszer köszön a segítségedet.
a 3914-ben lineáris az egyes szintek közti "ugrás" (egyforma), a 3915 esetében viszont logaritmikus (az elején kicsi a lépséköz, utána egyre nagyobb).
A füleink nagyjából logaritmikusak, ezért a 3915 jobban közelíti a valóságot. De ha éppen 3914 van, akkor azzal is megér egy próbát.
Köszönöm az infót és a segítséget.
Üdv.
Sziasztok!
Az Urbán féle inteligens sztereo kivezérlésjelzővel van valakinek tapasztalata érdemes vele foglalkozni!Esetleg megépítette már valaki!
Sziasztok!Milyen megoldással tudnám egy sztereó erősítő kimeneteit egyesíteni mono kivezérlés jelző működtetésére?
Köszönöm! A hozzászólás módosítva: Szept 6, 2014
Hello! Egyszerűen két mezei ellenállással. De a feszültség csökkenés minimum 50% lesz.
Most meg fogod kérdezni, mekkora értékű legyen.. Viszont nem írtad le, milyen az erősítő, hogy ez végfok-e vagy előfok és hogy milyen a kivezérlésjelző kapcsolása (bemeneti ellenállása, érzékenysége). A hozzászólás módosítva: Szept 6, 2014
Tda 7294 híd kimenete, gyári KIT ben kapható kivezérlésjelző , de működni működik van rajta potméter amivel pont beállítottam hogy maximum kimenő teljesítménynél villog be az utolsó piros led, tehát tökéletesen működik, csak nekem az a lényeg hogy ne csak egyik csatornáról jelezzen hanem mindkettőről működjön egyszerre, ha kihúzom az egyik híd rca bemenő jelét akkor a másikról tovább villogjon, és fordítva ugyanígy.Csak a 2 kimenetet nemközhetem össze mert akkor ojan mintha mono erősítő lenne , meg párhuzamosan sem köthető 2 híd kapcsolás kimenete csak azér hogy mindegyikről jelezzen a kivezérlésjelző.
Hello! Ha egy végfokkal rendesen működik, akkor nincs más teendő, mint egy-egy 2,2kohm-on keresztül kösd a végfokok kimenetét a kivezérlésjelzőre..
Sziasztok!
Azt szeretném kérdezni hogy egy ilyen kivezérlésjelzőn melyik kondenzátort kellene megváltoztatnom hogy fürgébb legyen? Tehát a ritmusra ne csak 1-2 led hanem több villogjon. És azt melyik alkatrész változtatásával lehet elérni hogy érzékenyebb legyen, gyorsabban felvillanjanak és elaludjanak a ledek? Azt meglehetne oldani hogy 2-3 leddel kibővíteni? 12V-os a tápfeszóltség. Nem tudom fontos-e de a jelet az erősítőből a végfok előtt kapná. Olvasgattam a témában de ilyen tranzisztoros megoldásra nem találtam választ.
Hello! Az egyenirányítók utáni 10µF csökkentésével lehet a kondi jelváltozási sebességét javítani. A kondi töltését az egyenirányító fokozat végzi, kisütését a vele párhuzamos 18kohm.
Tehát gyorsabb töltési sebességet az egyenirányító kisebb impedanciájú meghajtásával lehet elérni. De azt az egytranyós erősítő fokozat kimeneti ellenállása adja. Ha azt csökkentjük, pld. a kollektor ellenállás csökkentésével, csökkenne az erősítés is és a munkapont megváltozna. Vagy is célszerű lenne a kollektorban az ellenállást 2,2kohm-ra növelni, és pld. komplementer emitterkövető fokozatot közbeiktatni az erősítő és egyenirányító közé. De ez már jelentős átalakítás lenne. Viszont jelenleg a 18K-10µF alkalmazásával, 100mV-os bementi jelre 100ms alatt emelkedik fel a feszültség 1V-ra, míg 37%-ra 180ms alatt csökken le. Míg 47k-2,2µF-ra és emitterkövető fokozattal átalakítva, 3,7V-ra tud felemelkedni 10ms alatt és 100ms alatt tudna 37%-ra csökkenni. A Led-ek számát leginkább a tápfeszültség emelésével lehetne növelni, mert a fokozatok növelésével, az egyenirányító utáni meghajtó feszültségnek is nőnie kell. Az pedig függ az első fokozat kivezérelhetőségétől ami a helyes munkapont és a tápfeszültség függvénye is..
Homályos ez a dolog nekem. Ha a képen jól látom az egyik a GND rész a másik a jel. Viszont a táp homályos hova kerülhet.. :/
![]() Szerk.: Ha jól értelmezem a rajzot ez a 2 pont az ahova kellene kötnöm a dolgokat. Már csak a sorrendet kellene megtudnom A hozzászólás módosítva: Okt 12, 2014
|
Bejelentkezés
Hirdetés |














