Fórum témák
» Több friss téma |
Fórum » MOSFET-ek
Azért rakok neked fel egy másikat (ha más nem is, de szebb
).
Sziasztok.
Előzetes multiméteres mérések eredménye látható a képen. A plusz a piros, a mínusz a fekete mérőcsúcsot jelenti. Valószínűleg az egyik MosFET rossz, mert a plazma tv-nek (amiben volt) nincs képe, csak hangja. Ha ez alapján nem megállapítható, akkor valami más úton kell megtudnom, mondjuk egy teszter áramkör segítségével. Szeretnék némi véleményt kapni, illetve tanácsokat a megállapításhoz. Köszönöm.
Szia!
A bal oldali akár még jó is lehet, a jobb biztosan rossz. A bal oldali D-S kivezetéseire mérj rá diódavizsgálóval. Adatlap.
Csak kozben a GS-t rovidre kellene zarni. Eleg csak megfogni a gate-et, es kinyit. A GS kapacitas meg nyitva tartja a FET-et. Nem lehet ugy merni, mint egy sima tranzisztort.
Piros mérőcsúcs a D-n, fekete az S-en nem mutat semmit, összezárt vagy nyitott GS-sel sem.
Fekete a D-n, piros az S-en 480 mV-ot mutat(dióda mérés), összezárt vagy nyitott GS-től függetlenül. A hozzászólás módosítva: Nov 16, 2014
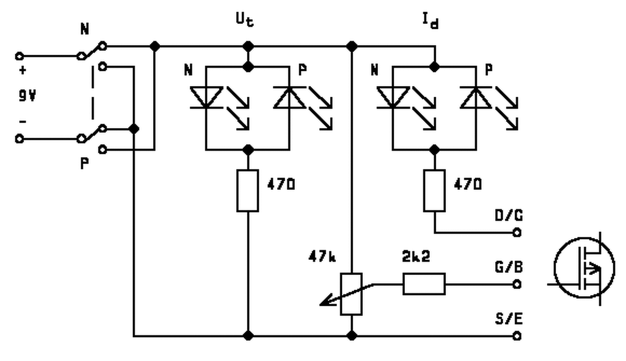
Dobd össze ezt a kis áramkört. Nem is kell az egészet, elég a 9V-os elem, a poti, a 2k2, a 470ohm és a katódjával lefele néző LED (már ha N csatornás a FET, gondolom igen). Ahogy tekered fel a potival a gate feszt, a LED-nek szépen ki kell gyulladni, majd ha tekered visszafele akkor pedig elhalványodni. Ha nem így tesz akkor rossz a FET.
Köszi, kipróbálom, csak össze kell kotorni a hozzávalókat
.Az eredményt természetesen megírom.
Ez az utóbb mért jó lesz. Egyébként a Zener-diódás típusoknál a "nagy" G-S szivárgóáram kisüti a gate-et, ezért nem kell okvetlenül rövidzárat tenni méréskor.
Minden esetre azért megépítem a tesztelő áramkört, jó lesz még máskor is.
Köszönöm.
Kell rövidzár vagy nem, de célszerű... már csak azért is, mert az adatlapok is feltüntetik bizonyos esetekben, hogy Vgs=0, stb.... és rövidzárral tuti..
![]() Az aktív áramkörös mérés pedig hasznos.. A hozzászólás módosítva: Nov 16, 2014
Uraim,
Megépítettem (fentebb utolsóként feltöltött kapcsolást) a csatolt képek alapján. Ha a a 12v-ot ráadom, akkor pörög folyamatosan a motor. Ennek pörögnie kell úgy, hogy sem az 5v-os részére sem pedig PWM jelet nem adok neki? Kipróbáltam úgy is, hogy bekötöttem az 5v-os részét, és testre zártam illetve 5v-ot adtam a PWM részének, de semmi eredmény. Ugyan úgy maxon pörög a venti.. Csatoltam a kapcsolási rajzot. (dióda zárlat nincs már benne) A hozzászólás módosítva: Nov 18, 2014
A hsz. linket tedd már ide, ne kelljen keresni...
Az R1 +5v, R4 pwm? ez az? Ez nyákrajz, hi... bázis 5 v-ra, emitter ellenállás gnd-re, 12 volt a bal sarokra és a motor áll... Ha nem úgy van, akkor első tranyó vagy a pnp alsó nem működik, gate vmiért folyamatos + feszt kap A hozzászólás módosítva: Nov 18, 2014
Csatoltam a képeket.
Amúgy igen... Hehe Féltem testre zárni..Azonnal leáll A hozzászólás módosítva: Nov 18, 2014
Oké..
Az átkötött dióda még mindig bent van? ![]() Röviden... Q4 kollektort nyomd testre és megáll? ( gyorsíts kicsit...most hibát keresel már vagy még próbálod, amit írtam?) A hozzászólás módosítva: Nov 18, 2014
Akkor az első tranyó nem nyit ki... a pwm nem viszi testre az emitterét nyilván a 220 ohmon keresztül.
Tedd a pwm-et az 1 k-ra ( bázis), emittert direkt testre és fordítsd meg a progi fázisát ( jel-szünet). Ezek után ha jó a Q4, működik ( speeed...) - ha van felhúzó R a pic-kimeneten vagy aktív... A hozzászólás módosítva: Nov 18, 2014
De elvileg, ha be lesz kötve a PWM oldal akkor az ilyenkor 0 vagy is testen lesz.
PWM jelet még nem kötöttem rá mert ahhoz kellene gyorsan összedobnom egy tesztkörnyezetet. Majd később dobok össze egyet. Most meg még meló van. Lemerültem azért nem tudtam hamarabb válaszolni...
Oké, akkor már tudod, hogyan teszteld mindkét esetben... vagy a régi, rajz szerint, vagy bázisban vezéreld a beírás szerint.. de akkor fordítva menne, ezért írd át a progit.
Visszanéztem, mit is írtál először Bővebben: Link
- "hidegen" a pwm bemenetedre 5 V? Még szép, hogy pörög. oda test, gnd kell és megáll, ha a bázis 1k +5 volton van. Tranyó nyitás emitterben vezérelve. * 13 db pötty kivéve, a link javítva! A hozzászólás módosítva: Nov 20, 2014
Talan ha egy sima multimeterrel csinalnal egy-ket merest lehet jobb lenne. Mernem pl a komplementer par bazisait, emittereit, es levonnam a kovetkezteteseket. Van fesz vezet e FET, nincs fesz nem vezet a FET. Ja es az az eredeti ertekeke kellene hasznalni.
Műszeres mérés volt természetesen az első, nyitva volt teljesen a MosFET.
Mivel változtak az alkatrészek így a tranzisztorok értékei, állítottam az ellenállásokon is. 2.2K-st lecseréltem 1K-ra így 5v-on kap 4mA-ert az NPN első tranyo, az 5.6k-s ellenállást 3.3K-ra cseréltem így a 2 másik tranyo kb 3m-et kapnak a bázisukra. Most dobom össze a teszt környezettet és klipborálom vezérlés közben is. Szerintem jó lesz...
Mi valtozot? Tranzisztor az tranzisztor. Kapcsolo uzem, de az eredeti ertekekkel kellene talan megepiteni es utana merni, nem a pistike -jancsika tanacsokat kovetni. Mint irtam egy par (100) esetben megepitettem, es mind jol mukodik.
A hozzászólás módosítva: Nov 20, 2014
A tranzisztorok és a MosFET típusa is eltér az eredetileg belinkelt kapcsolásodtól mivel nem kaptam pont ugyan olyat.
Mostanra talán már eljutottam oda, hogy szépen működik a kiváltott alkatrészekkel. Dobtam fel egy kis videót is: Bővebben: Link Köszönöm mindenkinek az eddigi és előre a jövőbeni segítséget. A hozzászólás módosítva: Nov 18, 2014
Tényleg ezt a Zalman hűtőt fogja hajtani??
A Te altalad megcsinalt kapcsolasban a R1 erteket noveld meg 2k2 ertekre, a R3 erteket pedig 5k6, 6k2 ertekre, mert a kimenet nem fog lemenni csak 1,9 volt kornyekere, es igy az erzekenyebb FET nem fog lezarni. Esetleg meg a R4 erteket csokkentsd le 150 ohmra.
Dehogy. Ehhez elég lenne egy PNP tranzisztor is.
Nem volt hirtelen más 12voltos motor amit rá tudtam volna tenni. vilmosd: rendben ezeket kicserélem az eredeti értékre. * 7 pötty kivéve! A hozzászólás módosítva: Nov 20, 2014
Akkor jó. Viszont ha nem gond, a végleges kapcs. rajzot felrakhatnád, mindenki okulására! Köszi.
Nem gond, de már fent van. Egy lappal előrébb megtalálod.
A hozzászólás módosítva: Nov 20, 2014
Azon még mindig hibásan van a D3 bekötése (rövidzár)
|
Bejelentkezés
Hirdetés |




). 

.






