Fórum témák

» Több friss téma
Fórum » Rádió adó építése
 
Témaindító: Bibi, idő: Ápr 27, 2007
Lapozás: OK   10 / 15
(#) hid0 válasza szikorapéter hozzászólására (») Ápr 10, 2014 /
 
Próbáltam 555 IC-vel, jó lett. A lejátszó pl.cd hang rákötve,szólni szól. Antenna meg ferrit vagy huzal (magneti),középhullámú.
(#) pucuka válasza hid0 hozzászólására (») Ápr 10, 2014 /
 
Érdekes. Mint már említettem, az adónak színuszos alaposzcilátort kell használni, a stabilitás miatt lehetőleg kvarc vezérlésűt. Az 555 -ből elég nehéz ilyen jelet kicsikarni. Ráadásul az 555 -öt frekvenciában lehet modulálni, így AM vételre alkalmas vevőnek nem annyira praktikus jelet ad.
(#) pucuka válasza szikorapéter hozzászólására (») Ápr 10, 2014 /
 
Egy AM KF trafóból (455 kHz, vagy környezete) építhetsz egyszerű oszcillátort, lehangolod a KH sáv kb. közepére, és az oszcilátor tápfeszültségét megmodulálod (anódmoduláció) a műsoroddal.
Bővebben: Link
Bővebben: Link
(#) szikorapéter válasza pucuka hozzászólására (») Ápr 10, 2014 /
 
Ennyire nem vagyok benne a témába,de ha nyujtasz nekem egy kapcsolási rajzot könyebben megértem.
(#) pucuka válasza szikorapéter hozzászólására (») Ápr 10, 2014 /
 
Ha adót szándékozol építeni, akkor minél jobban otthon kell lenned a támában. Csak, hogy tudjad, mit művelsz. Itt, egy oszcillátor:
Bővebben: Link
Oszcillátor kapcsolásokat találhatsz még az FM adó, és fm transmitter topikokban is. A frekvencia meghatározó elemeket kell megváltoztatnod a kívánt frekvenciának megfelelően.
Ahogy látod, a neten rengeteg információ van a témáról, keresgélj. Azzal is tisztul a kép, tanulhatsz.
Rádióamatőr oldalakon találhatsz kapcsolásokat is.
A hozzászólás módosítva: Ápr 10, 2014
(#) szikorapéter válasza pucuka hozzászólására (») Ápr 10, 2014 /
 
Régebben sikerült rádióadót építenem FM sávban de nem volt túl stabil. De tanulásnak tökéletes volt. Mondjuk itt a jelet max 100m-en belül kell továbbítani,csak nem találtam olyan kapcsolást a neten ami LW vagy MW sávon működik. Az 555ic-s kapcsolás elég stabil?
(#) pucuka válasza szikorapéter hozzászólására (») Ápr 10, 2014 /
 
Olvastad amit hid0 kollégának írtam?
A stabilitás feltétele a tisztességes építés, és a kvarcpontos vivő. Egyszerű esetben nem annyira lényeges, egy Sokolnak megfelel egy LC oszcillátor is, az antennának pedig egy darab drót
A hozzászólás módosítva: Ápr 10, 2014
(#) szikorapéter válasza pucuka hozzászólására (») Ápr 10, 2014 /
 
Akkor marad a tranzisztoros. Ebbe megfelel öreg orosz germánium tranzisztor? Ugyan ilyen sokolból bontott típusok.
(#) pucuka válasza szikorapéter hozzászólására (») Ápr 10, 2014 /
 
Teljesen, meg a KF trafó is, de nézd meg hogy a búra alatt van-e benne kondenzátor. Ha van, azt szedd ki. Külső kondenzátorral lehet hangolni.
(#) szikorapéter válasza pucuka hozzászólására (») Ápr 10, 2014 /
 
Alap kapcsolásnak maradhat a jó öreg FM adóé igaz? Ebből a 2 vagy a 3 tranzisztoros verzió a jobb? Antennának kimenőtrafó szükséges?
(#) pucuka válasza szikorapéter hozzászólására (») Ápr 10, 2014 /
 
Elvileg mindegy, nagy teljesítményre úgysincs szükség. A bázsra jutó moduláció AM modulációt is csinál.
(#) szikorapéter válasza pucuka hozzászólására (») Ápr 10, 2014 /
 
Gondolom a 3 tranzisztoros stabilabb nem?
(#) pucuka válasza szikorapéter hozzászólására (») Ápr 10, 2014 /
 
Annyiban igen, hogy az antenna és az oszcilátor között van elválasztás. Bár KH sávon ez már nem annyira kritikus.
(#) szikorapéter válasza pucuka hozzászólására (») Ápr 10, 2014 /
 
Akkor nem szükséges. De majd ez még kiderül ha megépítettem. Köszönöm a segítséget. Nekiállok rajzot keresni.
(#) hid0 válasza szikorapéter hozzászólására (») Ápr 10, 2014 /
 
Egyéb: Collins szürővel is meg lehet próbálni. Zavarok,ha lennének pl.esténként-müsorszóró..,hosszúhullám arrafelé csendesebb.
(#) pucuka válasza hid0 hozzászólására (») Ápr 10, 2014 /
 
Szerinted a Collis szűrő mire való?
(#) hid0 válasza pucuka hozzászólására (») Ápr 10, 2014 /
 
Bár a kertig, nem kell a rádiónak.
(#) pucuka válasza hid0 hozzászólására (») Ápr 10, 2014 /
 
A Collins szűrő elsősorban antenna illesztő egység, másod sorban van némi harmonikus csillapítása is. Antenna illesztési problémákkal nagyobb (> 1 W) teljesítményeknél kell foglalkozni, amikor a végerősítő eszköz disszipációja, és a leadott teljesítménye összemérhető. Párszáz mW -ig az antenna "illesztésére" bőven megfelel egy hosszabbító tekercs. KH -n amúgy sem lehet/érdemes az antenna hosszával foglalkozni, elég a minél hosszabb, annál jobb elv.
(#) hid0 válasza pucuka hozzászólására (») Ápr 10, 2014 /
 
Köszönöm. LC-körrel is jó lett.
(#) szikorapéter hozzászólása Ápr 27, 2014 /
 
Helló. olyan kérdésem lenne hogy van itthon egy régi Videoton R4330 rádióm,ami elméletileg KH sávot is fog. Ez a kapcsolás megfelel,ahhoz hogy kihangosítót tudjak építeni a számítógépem és a rádió között? Magyarul: szeretném a számítógépről szórni a rádió által adott műsort (persze házni kereteken belül nem kell messzire mennie az adásnak. Bár nemhinném hogy ilyen sávon sokan rádióznak manapság. Köszönöm előreis a segítséget.
(#) szpring hozzászólása Aug 27, 2014 /
 
érdemes lenne USB FM transzmitterről meghajtani, akkor nem mászna el. annakidején 10.7MHz 3 lábu kis rezonátor szűrőt raktam az oszcillátorba, és az stabilizálta a frekit, sem árnyékolni se kellett, akkoriban még nem lehetett kapni ilyen olcsó autós USB transzmittereket. Ha vki fix frekit akart akkor kizárólag egy PLL-es rádió oszcillátorából tudott stabil jelet levenni.

A vki az mi?
A hozzászólás módosítva: Aug 27, 2014
(#) pucuka válasza szpring hozzászólására (») Aug 27, 2014 /
 
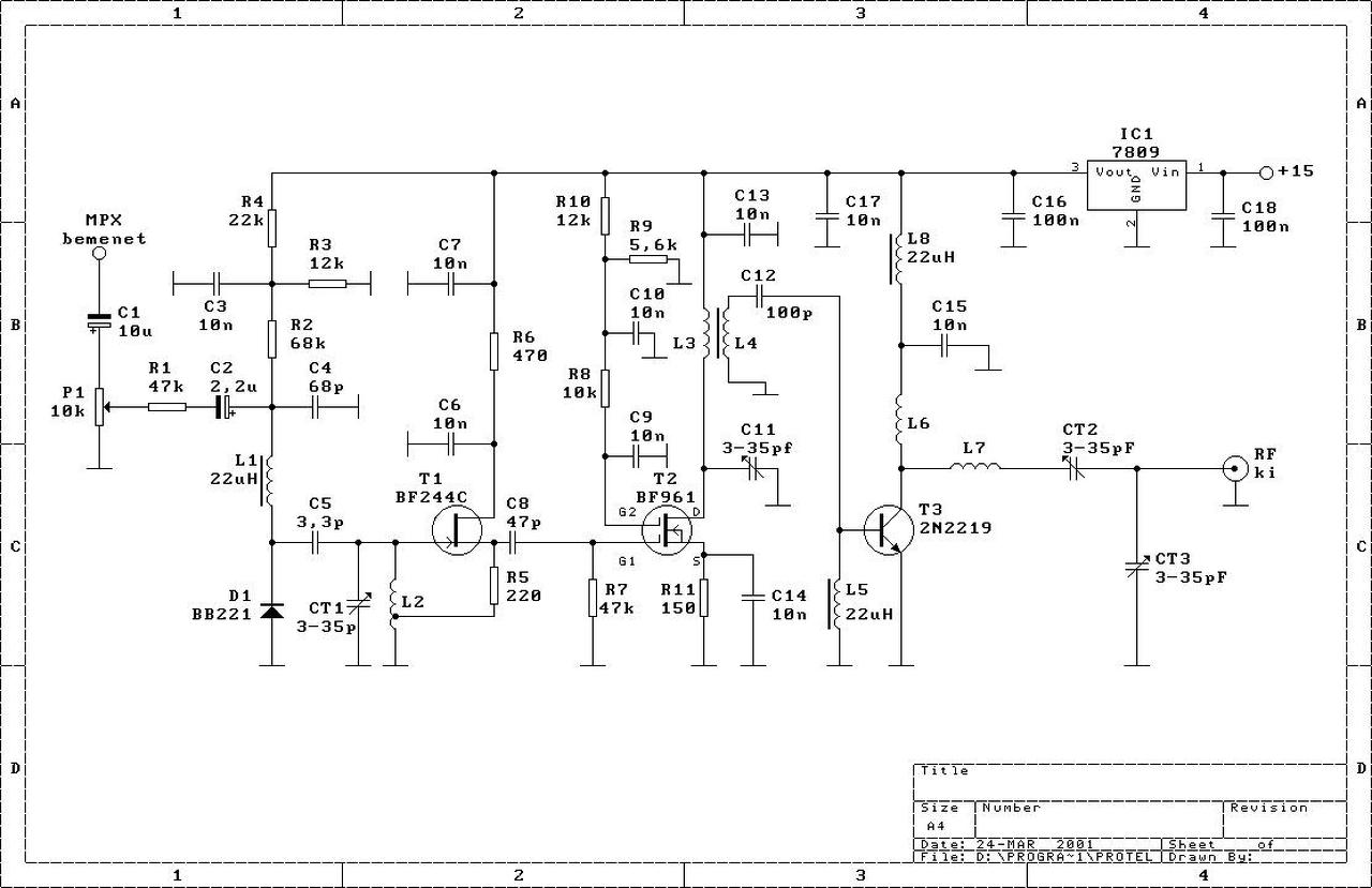
Egy rádió adó frekvenciájának stabilnak kell lennie. Ez csak kvarc stabilizált vezéroszcillátorral valósítható meg. Igen kis teljesítményeknél nem annyira lényeges, de nagyobb teljesítményeknél elengedhetetlen.
A csatolt képen látható kapcsolás ezt a feltételt nem teljesíti, a kimeneti teljesítménye sem kevés, akár 500 mW is lehet. Jó antennára kötve jelentős zavart okozhat. A kimeneti szűrő sem látszik.
(#) szpring hozzászólása Aug 30, 2014 /
 
FM transzmitteről kellene meghajtani, akkor nem mászna el. Quartz oszcillátor nem modulálható, ezért azzal stabilizálni nem lehet. A 10.7MHz-es rezonátoros oszcillátor az modulálható, és stabil, semmire sem érzékeny. Persze kevésbé stabil mint a quartz. A Quartz alap annyira stabil, hogy 10x-es sokszorozás után sem lehet vele 100kHz modulációt elérni, 10-20kHz-et maximum.
(#) pucuka válasza szpring hozzászólására (») Aug 30, 2014 /
 
Már megint csatoltad ezt a gyengusz kapcsolást. Ez az, amit nem szabad megépíteni, se stabil vivőfrekvencia, se kimeneti szűrő. Nem kellene ajánlgatnod.
Lehet, hogy nem tudod hogyan kell kavrcpontosságú (ebből a szempontból a rezonátoros ugyan ilyen) frekvenciában modulálni, attól még egy adó frekvencia pontossága a 100 MHz -es sávban 100 Hz alatt kell legyen. Például PLL áramkör használatával megoldható a megfelelő pontosság, és stabilitás. Az áramkörödnek az is hibája, hogy nem megoldott a moduláció processzálása, ui. az elfoglalt sávszélességet szigorúan korlátozni kell, ez pedig csak a moduláló jel sáv, és löketkorlátozásával lehetséges.
Ha a 10.7 MHz oszcillátor nem eléggé stabil, és ennek sokszorozásával előállított jel sem lesz az, ráadásul a pontos frekvenciára állása sem biztosítható. Az ezzel a módszerrel előállított vivőt kvarcoszcilátorral való keveréssel állítják elő.
Úgyhogy van egy pár módszer arra, hogy milyen módon lehet tisztességes adót építeni, talán ennek megfelelően kellene adót építeni.
(#) szikorapéter hozzászólása Dec 24, 2014 /
 
Üdv. Olyan kérdésem lenne hogy rádió adó kapcsolást (persze kis méretben) hosszú hullámra éri meg jobban összerakni vagy rövidre? Értem én ezt most HH (155-300 kHz), KH (520-1605 kHz), RH1 (6-18,2 MHz) sávokon.
(#) pucuka válasza szikorapéter hozzászólására (») Dec 24, 2014 /
 
Általában adóberendezést jogszerűen nem építhetsz, semilyet se. Se kicsiit, se nagyot, csak engedéllyel. Az amatőrök építhetnek adóberendezéseket az amatőrsávokban való üzemeltetésre, de ehhez is amatőr engedély szükséges. A kisteljesítményű, és kishatótávolságú berendezések használatához nem kell engedély, de az építésükhöz már elvileg kell.
Gyakorlatban ilyeneket szokás építgetni, amíg nem okozol vele zavart, elég nehéz észrevenni.
A HH, és KH sáv, amit felsoroltál, műsorszóró sáv, elég nehéz ezekben elbújni, mert szem előtt vannak. Az RH sávban, amit jeleztél, meg aztán van minden, igen érzékeny komunikációs rendszerek, ezeknek igen könnyű zavart okozni. (a műsorszóró részsávok között is) A másik gond, hogy az általad felsorolt sávokban általában igen jó terjedés van, nagyon könnyű zavart okozni, kész lebukás. Úgyhogy ilyen, bármilyen kis teljesítményű adóra, tisztességes antennát ne tegyél.
Azt megteheted, hogy egy oszcillátorra 10 - 20 cm -es antennát teszel, a kisugárzott teljesítmény elég pici lesz, de pár méterről egy meglehetősen érzéketlen, rendes antennával sem rendelkező műsorvevőt meg tudsz szólaltatni, de a szabadba már ezt se vidd ki.
A méreteket nagyjából a rezgőkörök méretei határozzák meg, ami annál nagyobb méretű, minél alacsonyabb a frekvencia. Nem véletlen a 100 MHz -es sáv használata az ilyen célokra.
(#) szikorapéter válasza pucuka hozzászólására (») Dec 24, 2014 /
 
Elviekben engedélyköteles a 100mW teljesítmény feletti eszközök,alatta már nem szükséges az engedély. Nekem szobán belülre kell rádióhoz,tehát nem arra tervezném hogy a szomszéd is halgassa. Esetleg ehez a célhoz valami használható kapcsolás akad?
(#) pucuka válasza szikorapéter hozzászólására (») Dec 24, 2014 /
 
Ez a nagy tévedés. Engedély nélkül nem építhetsz, mert az adott sávra érvényes műszaki előírásokat teljesíteni kell, és ezt megfelelőségi bizonylattal bizonyítani kell. Ha már meg van a bizonylat, akkor használhatod engedély nélkül, amikre az előírás felmentést adott.
HH sávban egy 100 mW -os adó tisztességes távolságra használható, vagy pl. a CB -k régi előírásában 100 mW -volt a stabil állomások teljesítmény korlátja, és bizony rendesen szóltak.
Sejtettem mire kell, erre épits egy egyszerű oszcillátort, zsebrádió KH oszcillátor (piros) tekercséből, (rajz a kapcsolási rajzban) és arra teszel egy 10 cm drótot, és passz. Modulálhatod úgy is, ahogy egy FM transmittert.
(#) szikorapéter válasza pucuka hozzászólására (») Dec 24, 2014 /
 
Lehet este van és lemaradtam,de a kapcsolást hol találom? Sokol rádió,vagy VL100 kistv trafói jók lennének a célnak?
(#) pucuka válasza szikorapéter hozzászólására (») Dec 24, 2014 /
 
Például. modulálásra pedig láthatsz példát, ha keresel egy régi AM es CB kapcs rajzot, pl CB100, vagy alan, de lehet találni a neten.
Következő: »»   10 / 15
Bejelentkezés

Belépés

Hirdetés
XDT.hu
Az oldalon sütiket használunk a helyes működéshez. Bővebb információt az adatvédelmi szabályzatban olvashatsz. Megértettem