Fórum témák
» Több friss téma |
Mielőtt kérdezel, a következő két dolgot ellenőrizd!
I. A helyes tápfeszültségek megléte.
II. A kimeneten van-e egyenfeszültség.
Élesztés.
Üdv kollégák!
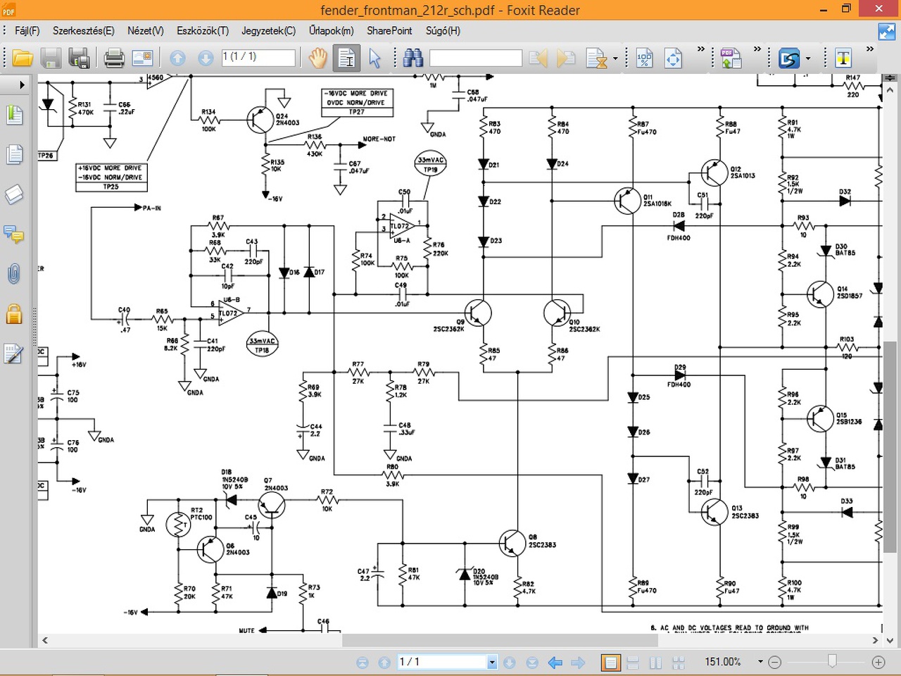
Segítség kellene, hozzám került egy konstrukció hibás hangszererősítő. Fender Frontman 212R. Típushibája az, hogy üzem közben időnként hatalmas puskaropogásszerű durranásokat hallat. A probléma a végfokból jön (jött), ráadásul típushiba, rengeteg külföldi fórumon láttam ilyen témájú hozzászólásokat. A probléma megoldatlan, valami konstrukciós eredetű hülyeség. A puskaropogás megszűnt az U6 -os IC cseréjével, viszont némításkor halk búgás és azt kísérő ropogás, pattogás hallatszik, szintén halkan. Mint mikor bezajosodik egy tranzisztor, vagy szakadozik egy ellenállás... Érdekes megoldása van a némító áramkörnek, a diff. fokozat munkapontját billenti el a Q7 az R72 -n keresztül. Szerintem elég idióta megoldás, szívem szerint átépíteném. Az U6 első fele limiterként funkcionál, ha jól vettem ki a rajzból, de a másik felének nem igazán értem a szerepét. Integráló fokozat, visszacsatolásban... Szerintem túl van bonyolítva a dolog, egyszerűsítésre kérnék tőletek ötleteket. A zaj végfokból jön némításkor, a PA-IN pontot GND -re kötve ugyanúgy fennáll a probléma, mikor némításban van. A hozzászólás módosítva: Feb 8, 2015
Szia! R80 honnan csatol vissza? Hangszóróval soros ellenállásról?
Átrajzoltam
Így jó lesz? A trafók adottak, a hidalt tda öt trafója lesz bele téve, 5db 300W-os torroid, csak át kell őket tekernem 2x24V-ról 2x37V-ra. Bár van egy 2kW-os torroidom ami az NMOS400-at táplálja, de arra öt szimetrikus tekercset kéne készíteni és kicsit sok lenne a plusz 15 kivezetés. Vagy az 5 Crescendónak egy szimetrikus feszültségről adjak tápot erről a nagy trafórol? Mit gondolsz erről? Na most elgondolkodtattál rendesen a 6 külön dobozzal... Bár a bekapcsológomb kicsit sok lenne bele a maga 4-5000Ft-os darabárával... Huu a bemenetválasztó, arra neked van valami bevált megoldásod? Ezzel meg a hangerőszabályzóval meg vagyok lőve, nem tudom milyen megoldással lehetne egy potméter használatával az öt oldalt szabályozni? Neked erre van valami ötleted?
Üdv. Jópár 212 került hozzám ropogás miatt. Szinte mindnek a rázkódástól kilazult fehér kerámia ellenállások (R144/145) okozták a nyűgjét. Végleges megoldás az volt, hogy beültetési oldalról az ominózus ellenállások lábaitól, a legközelebbi villamosan kapcsolódó alkatrész lábához hajlékony vezeték vitte ezentúl a kontaktot. Pálmatexel, vagy valami rugalmas erősragasztóval pedig a nyákhoz ragasztottam a bűnösöket.
A fender ilyen integrátor szerű kapcsolásokkal próbálja meg szimulálni a csöves hangot. Az R79 a végfok kimenetéről, az R80 pedig a hangszóró(k) hideg (?) pontja és R114/115 közös pontjáról csatol vissza .
Igen, onnan.
Hmm.. ismerős ez az egyenszint-korrigáló kapcsolás... De nem is ez a gond, ez maradhat, csak némításkor, mikor a diff. erősítő áramát lekapcsolja a némítókör, halk búgás van és sercegés. Bemelegedés után viszont halkabb jóval a hibajelenség. Csatoltam a teljes rajzot.
Köszi, én is feltettem a rajzot.
A két ellenállás ok, ennél a készüléknél a TL072 cseréjével az a hiba megszűnt. De ez a halk búgás némításkor elég furcsa hiba. Meg ez a némítási megoldás, hogy megszüntetik a diff. fokozat emitter áramát...
Helló! Sokcsatornás hangerő szabályzáshoz mondanék egy tippet. Ebayról vásároltam fotoellenállásokat, amiket félhomályban, illetve világosban ohm mérővel lehet válogatni. Van szórásuk, de lehet találni hasonló paraméterűeket. Megvilágításra nekem a szintén Ebay-es melegfehér led vált be. Durván tízszeres led áram=tizedrész ellenállás. Optikailag árnyékolt rendszert lehet belőlük alkotni. A többit a fantáziádra bízom, de ha kérdezel segítek.
Szia! Azon gondolkodom hogy talán nagyobb áramfolyást kellene beállítani a BF760 kollektor körben mondjuk az R 16/R17 csökkentésével. Mivel ott van még az elkó is nem tudom eldönteni hogy egyformán csökkentsem mindkettöt vagy az R16 lehetne a kisebb ?
Ha megszűnik a diff erősítő árama, akkor a meghajtó fokozat az R 91 től az R100-ig menő feszültség osztón keresztül elvileg 0V közelében van. Elvileg ha minden szimmetrikus, nem lehetne brumm, de nem az. Már a C55/C56 sem egyfotma, tennék bele két 47 µF-t. Második lépésben az R91 vagy R100 értékét kellene finoman megváltoztatni, mert mute állásban szerintem nincs a kimeneten 0Vdc. A kimeneti DC -t (némítva) megmérve, ki lehet számolni, mekkora módosítás kellene.
Sziasztok!
Szert tettem egy SONY TA -F770ES típusra, aminek úgynézki zárlatos lett a primer, vagy a szekunder oldala. A hiba úgy keletkezett, hogy az oldalára állítva használták. Tavaly már belekukkantottam, éscsak ezt a gondot találtam benne. Most tartozás fejében hozzámkerült. A gond, hogy a trafó valami brutálnehéz fémköpenyben lakozik, csordultig töltve gyantával. Gondolom javíthatatlan. Kapcsolásirajza nincs valamelyikőtöknek hozzá? Érdemes ezzel foglalkozni? A két középső szűrő akkora átmérőjű, mint egy sörösüveg ![]() Nemtudom megnyitni. A hozzászólás módosítva: Feb 8, 2015
Hmm... azt hiszem, az lesz a megoldás, hogy a diff. fokozat áramgenerátorának ellenállását (R72) GND -re kötöm és a némítást pedig külön megoldom a végfok bemenetén máshogy...
Ha biztos vagy a trafó hibájában, egy kis melegítés nem árt neki, hátha kijön legalább a 'kabátjából'. Aztán lehet kromofággal, nitro hígítóval próbálkozni.
Nem ördögtől való ez a némítás, számos helyen találkoztam vele és gond nélkül üzemelt.
A némított állapotú búgás akár a nyugalmi áram állítók aszimmetriájából is eredhet, a jelenség hőmérsékletfüggése szintén ebbe az irányba mutat.
Azért rendesen meg kellene nézni tényleg a trafó hibás-e amúgy meg legrosszabb esetben kiváltható egy toroiddal, a rajz szerint összesen két szekundere van csak +-57 V egyenfeszt állít elő. Ha ne tudod megcsinálni szerintem van aki megveszi így is
Egy trafót kicserélni nem ördöngösség, le kell tesztelni stabil tápról, hogy arról rendesen müködik-e és kész.
A pufferelés alakul, bár még most sem követi pontosan az elvet.
A csatornánkénti külön táp megkímél a földhurok problémáktól, érdemes azt választani. Az 5.1 erősítőmhöz PT2323, PT2258 bemenetválasztót és hangerőszabályzót használok, ez sajnos nem állná meg a helyét a Crescendo kategóriájában.
Látod a rajzot? Én nemtudtam megnyitni...
Linkelnéd?
Sziasztok!
Van egy régi PC hangszóróból kioperált erősítőm, amit egy TEA2025B hajt, ami 2x2,3w-os. Ezt szeretném kicserélni egy erősebb IC-re, ez megoldható? A szerkezet egy 9V-os táppal megy. Segítségeteket előre is köszönöm. A hozzászólás módosítva: Feb 8, 2015
Le kell tölteni meg kell várni amig a get manual szöveg előugrik az ábra alatt és arra kell kattintani...elektrotanya igy müködik
Azokon az ellenállásokon nem kell változtatni. Ebbe a kapcsolásba nem utólag lettek berajzolva az IRFP végtranzisztorok? Igen jót tenne neki, ha a gate-ek közé a hűtőbordára szerelt tranzisztoros nyugalmi-áramszabályozó kerülne. Bővebben: Link
A TF tekercsel szemben mi az az induktivitás "szerűség"?
Honnan láttad a kimeneteket? Hogyha belefabrikálok egy toroidot, már nem ér annyit az egész. Nekem csak egy újabb pénznyelő lenne. Eladni olcsó lenne, felújításából már megvenném a végcsöveimet a készülő újabbhoz. Bontani ismét túl drága. Granpa: Ismét egy pénznyelőbe botlottam. Jó cucc lehet, mert még mindíg egész szép az ára. Szerinted a melegítés után, ha valamivel lemaratnám a gyantát róla, tekerhető volna? Valószínő ebben is a hőbisztosíték ment gallyra.
A TF az nem tekercs, hanem egy hőbiztosíték, ami a tekercsek közé van betéve, hogy jó termikus kapcsolatban legyen a tekercseléssel.
Lehúzva/kiforrasztva megnézted a trafót? Akkor is zárlat van, ha csak a 230V -ot kapja meg és levegőben van a többi kivezetése? Én rengeteg Sony erősítőt javítottam, de azok közül csak egyben volt zárlatos a trafó, az is azért, mert azt elkapcsolták, a 110V -os primer tekercsre kapott 220V -ot. Ott van a 220/110V -os kapcsoló, az jó helyen áll? Mit jelent az, hogy szekunder, vagy primer zárlat? Leveri a biztosítékot?
Valószínűleg nem , mert a nyák ehhez van tervezve és a tápfeszültség sem enged nagyobb teljesítményt ... Maximum akkor tudnál nagyobb teljesítményt kihozni belőle ha az erősítő két csatornáját híd ba kötnéd 4,7W de akkor le kell mondanod a sztereo hangzásról mert csak egy hangszórót fog meghajtani a cuccos Keresd meg a neen a ic adatlapját valószínűleg találsz gyári rajzot is a beköésröl
A hozzászólás módosítva: Feb 8, 2015
Ezen gondolkoztam énis. Tavaly 10 percre néztem rá, azthiszem semmi nem jöttki a trafó szekunderéről. Persze az előtétről kapta a betápot. Úgymég nempróbáltam, hogy a rajz szerint ráadom a hálózatit, a tiszta trafóra.
Ketten néztünk idáig rá, állítólag mindkettőnk ugyanarra a következtetésre jutott.
Ha a 230V megvan és a szekundered nincs semmi, akkor nem zárlatos, hanem szakadt.
Típushiba. Ha nem kell, és ki akarod dobni, én igényt tartanék rá... Idézet: „Ketten néztünk idáig rá...” Nem ránézni kell, hanem megmérni. Feszültségeket, tekercs ellenállást... A hozzászólás módosítva: Feb 8, 2015
Átküldöm a lay-t megtudnád mutatni hogy készítenéd? Ennél szélesebb panelt nem tudok szerezni, és szeretném eggyen elkészíteni, 20x25cm-es. Hát lehet maradok akkor a nyitott végfokoknál, évek óta azt alkalmazom
A trafó tekerésnél szerinted jó megoldás, hogy nem teljesen új tekercset készítek, hanem csak megtoldom forrasztással , szigetelem, és úgy érem el a kívánt feszültséget?
Figyeld meg a rajzot! A lila és a fehér kivezetés közé van téve a hőbizti. Mind a két vezeték ki van vezetve a trafóból. innét kezdve a megoldás adja magát.
A trafó tekercs nyugodtan toldható.
Sziasztok! Van egy kis Sony "hifim", dvd-s mindenes, nagyon szeretem, de a hangja nagyon gagyi. A végfok D-osztályú TDA7492. A hifi egyébként Sony HCD DX400A. A segítségeteket abban kérném, hogy milyen végfok IC-re lehetne ezt kicserélni, ami egyrészt nem D osztályú, másrészt THD 0.1% nem pedig 10%. Más szóval milyen végfokkal szólna sokkal szebben? Előre is köszönöm mindenkinek aki próbál segíteni! Üdv, István
|
Bejelentkezés
Hirdetés |





Így jó lesz? A trafók adottak, a hidalt tda öt trafója lesz bele téve, 5db 300W-os torroid, csak át kell őket tekernem 









