Fórum témák
» Több friss téma |
Ha szkóp-képet teszel fel, legyen látható a kezelőszervek beállítása, vagy add meg a beállításokat!
A kalibráló négyszög is a sajátja. Meg minden, amit összekötsz vele.
Köszönöm a biztatást, megmértem. Hát nem vagyok boldog. Illetve de, vagy nem tudom. Az egyik szemem sír a másik nevet. A hiba megvan, a körkapcsoló tárcsáira felépített bemeneti osztó után egy az egyben ilyen torz a jel. Amiért viszont káromkodni van kedvem, a fokozat szinte javíthatatlan. Hozzáférhetetlen, hogy abban hogy fogok dolgozni...Le kell szerelni az előlapot, kivenni a komplett bemeneti egységet, de ebben az állapotban használhatatlan, így mérni, hogy hol a hiba illetve az adott alkatrész cseréjével megjavult-e lehetetlen. Na ezen még töröm a fejem egy kicsit.
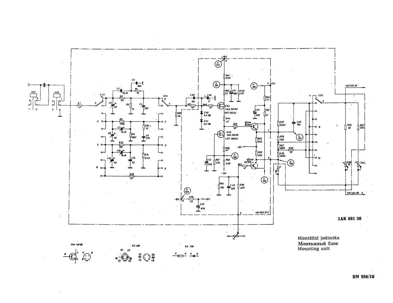
Az R21 és az R40 közös pontján mértem amúgy a torz jelet.
Érdekes nekem a dolog. A bemeneti osztó hibája csak abban a 3 osztó állásban jelentkezik, amelyik osztó egységben a hiba van. Ez szétszedés előtt megállapítható. Pld. 2mV, 5mV állásban csak egy 47Ohm -R18- ellenállás van az osztóban. 10-20-50mV állásokban másik egység szerepel, 100-200-500mV harmadik, 1-2-5V negyedik egység. Remélem jól látom rajzról és képről, az osztók felosztását.
Tehát ki kell deríteni melyik osztó egység beiktatásakor van hiba. Úgy, hogy működő hibás csatornán figyelni a jelalakot a ks. csövön. Mint visszább a négyszögjelek. De az egyenszintek mérése is lehet, hogy eredményre vezet, amit visszább írtam. A hozzászólás módosítva: Feb 17, 2015
Hello! Akkor mérj az R21 előtt is. Mivel ahogy láttam, minden állásban volt hiba, tehát a közös dolgokban lesz valami. Hiszen minden állásban más-más az osztó.
(S21-S22-R1- tárcsa pozíció - R21..)
Most mértem. Mindegyik állásban ott a hiba. Csak nem pont egyforma, de mind torzít. Pont ezt néztem amit mondasz amúgy. Azért tettem hozzá, hogy hol mértem pontosan.
Ami jelalak képeket feltettél, a 0.1V, 0.2V képen feliratú lehet, hogy nem a hiba, hanem mérőfej kompenzálás kellene a fejen. Kissé más alak, mint a többi. Ez csak az 1/10 állásra vonatkozik, 1/1 állásnál nem kell kompenzálás, ott nem befolyásolja a fej a jelalakot. Próbáld meg amikor 1/10 állásban van, a kompenzálást.
A hozzászólás módosítva: Feb 17, 2015
Nem volt mérőfej egy az egyben mértem egy direkt erre a célra hozzá adott kábellel. Az egyik vége BNC a másik meg banán dugó azokhoz az aljazatokhoz amiken a jel kijön. Nem volt osztás. Most mértem tovább. Az R21-es előtt már kicsivel jobb a jel, de még mindig látszik a torzulás.
Tedd a bemenetre a 3V elemet amit visszább próbáltál, és multival mérd a jelutat végig, összehasonlítva a jó csatornával. Írtad, hogy a jó csatornán 3V kitérés volt, rossz csatornán csak 120mV. Ez multival megtalálható, honnan az eltérés. De 10MOhm bemeneti ellenállás legyen a multi. Legtöbb olyan.
Első lépésnek lekötném a kapcsoló 4-es pontját (R20-21 közös pontja) és áttenném a másik csatornára hogy akkor megjavul-e. Ha igen akkor nyilván előtte van a hiba, ha nem akkor lehet menni tovább.
Szakaszoltam. Mellékeltem egy képet, nehogy elbeszéljünk egymás mellett. A pirossal jelölt helyen tudtam szétválasztani. Gyakorlatilag itt volt könnyű. Máshol szét kellett volna apróra bontanom a fokozatot, így is szét kellett egy kicsit szerelni. A zöld nyíllat jelölt pontról vittem át a jelet a másik fokozat ugyan erre a pontjára, itt most, így hogy nincs utána a szaggatottal bekeretezett rész (ez van a panelen) tiszta négyszögjel látható (kicsit zavaros, szinusz formában hullámzik, de az a külső zavar, amit összeszedett a vezeték, maga a négyszög semennyit sem torzít). Ezek szerint valahol a kis panelen van a hiba.
A hozzászólás módosítva: Feb 18, 2015
Most hozzá fértem ehhez a két ellenállás lábaihoz, lemértem kiforrasztva, jók, ülnek az értékek a rajzban lévővel.
Közben összekötöttem mást is. Leforrasztottam a rossz csatorna függőleges eltérítő erősítő bemenetéről az osztót. Ennek a fokozatnak a bemeneteit összekapcsoltam (bal felső sarok) (rosszról az osztó lekötve, helyére bekötve a jó csatorna osztója), a négyszög szépen torzítás nélkül megjelent. A hiba behatárolva:Itt a szaggatott vonalon belül van (esetleg tőle jobbra), mert előtte az osztókimenetén még jó a jel, utána az erősítő bemenetére kapcsolva a jelet is jó (a másik csatorna ezen fokozatát használva), csak akkor torzul ha a rossz csatorna ezen fokozatán keresztül megy a jel. (Itt is zajos volt a négyszög, de az a csipeszes mérőzsinórnak köszönhető, ami az összes zavart összeszedte a környezetből, de amúgy szép sarkosan látszott a négyszög, csak vastagok voltak a vonalak.)
A hozzászólás módosítva: Feb 18, 2015
A hibás fokozat áramfelvétele:
+12V 11,6mA -12V 20,8mA +5V 8,7mA
Kész van, működik!
![]() ![]() Az E41-es dióda átment zárlatba, ez okozta a torzulást. Most már szépen mér mind a két csatorna. Köszönöm szépen a segítséget mindenkinek!
Itt egy kép a jelről. Hozzá kell tenni, most láttam élőben először oszcilloszkópot, eddig csak képen láttam, illetve egy hibás példányt az iskolában vitrinben. De gyorsan ráéreztem az ízére. Eddig is olvastam már a kezeléséről, de valahogy nem fogtam fel mit hova hogyan kell tekerni, állítani. Most hogy fizikailag is használhatom, fél óra alatt rájöttem a használatára. Nagyon tetszik.
Akkor öröm, boldogság van.
Akartam is mondani hogy ha nem kontakt a hiba, akkor általában kondi vagy dióda, más ritkán megy tönkre. Én egyszer másfél napot szívtam egy szkóppal egy 400V-os dióda miatt a nagyfesz részben, mert a multi jónak mutatta. Kicsit gyanús volt a nyitófesze, de a multi szerint jó volt. Aztán elővettem az alkatrésztesztert ami egyből azt mondta rá hogy ez kettős dióda. Kicserélve meg is javult a szkóp.
Bizony, bizony, van ám öröm, jó NAGY!
A cserénél gondolom odafigyeltél arra, hogy milyen típussal helyettesíted. Mert különben magasabb frekvenciákon meghamisíthatja a mérést a nem megfelelő dióda.
Ugyan olyanra cseréltem. Volt itthon.
Sziasztok! Nem rég vettem egy analóg szkópot. Kb.2 órát használtam idáig,de nem egyfolytában.Legutóbb még nem volt semmi baja.Tegnap bekapcsoltam,és elkezdett másodpercenként villogni a kijelzője(vagyis a kirajzolt jel). Aztán újra indítás után megjelent a fény,majd fokozatosan elhalványult,majd el is tűnt a kijelzőről. Aztán babrálom a szonda végét,akkor újra van jel,aztán megint elmegy.Ez lehet-e mérő zsinór (szonda) probléma?
A hozzászólás módosítva: Feb 18, 2015
Lehet szonda hiba, másik szondával próba. Ha nincs másik, akkor szonda nélkül adjál a bemenetre jelet egy darabka dróttal, így jó lesz-e.
Mekkora amplitúdójú jelet adhatok a bemenetre szonda nélkül? Merthogy az ég világon semmit nem ír a bemenetnél sem a bemenet ellenállásáról,sem pedig a max rákapcsolható feszről sem.
Erről van szó. Bővebben: Link Bővebben: Link A hozzászólás módosítva: Feb 18, 2015
Itt találtam némi adatot róla. Ebből ki tudjátok-e nézni?
Bővebben: Link
Ott sem ír róla. De az biztos, hogy a legnagyobb osztásnál 5V/div szorozva 8 raszterrel -függőleges tartomány- az 40V a teljes képernyőnyi jelalak, ennyi rámehet. 300V-400V szokott lenni a max. bemeneti feszültség komolyabb szkópoknál. Ennél nem tudom, de ez is komolyabb gyártmánynak tűnik. A 40V biztosan nem tehet kárt benne.
40V felett az 1/10 osztású szondával mehet, de a szondának is van feszültség határa, ráírva. A hozzászólás módosítva: Feb 18, 2015
Köszi! A bemenet alatt ami van még csatlakozás és írja hogy GND, oda mi megy?
Az a fémház csatlakozása lenne, de léteznek speciális szkópok, lehet másról is szó. Nézd meg multiméter ellenállás mérő módban, hogy a két "GND" aljzat, és a két bemeneti BNC aljzat külső fém pontja azonos-e, tehát ez a 4 pont. És a fémház ezekkel azonos-e. Ha minden egy ponton van, a két "GND"-vel nem kell foglalkozni.
A hozzászólás módosítva: Feb 18, 2015
Szerintem ez a régi PL259 (Amphenol) csatlakozóktól örökölt dolog, mert azoknál lehetett két banándugós mérőzsinórral operálni. A BNC mellett nincs igazán értelme.
Valóban, azért van kettő, azaz mindkét bemenet alatt. Én még esetleg izolált bemenetekre gondoltam, de abban a korban ez a kis készülék nagyon nem valószínű, hogy ilyenre készült volna.
|
Bejelentkezés
Hirdetés |








Kicserélve meg is javult a szkóp.





