| Fórum témák 
 
 » Több friss téma | Fórum » LED-es fordulatszámmérők 
			Témaindító: (Felhasználó 4577), idő: Okt 29, 2007		 
			Témakörök:
			
		 
 
				Üdv! Olvasgattam itt az ehez hasonló témákat, és láttam hogy linkeltek be ilyen ledes mérőket, nekem az lenne a bajom hogy megcsináltam az egyiket, a 20 ledeset, az nem működött, egyik haverom a 10 ledeset, neki meg az nem működött, és szeretném ha segítenétek nekem egy ilyen újratervezésében, de nekem elég lenne 10 led, szerintem led meghajtónak az LM9315 lenne jó, a bemenetre meg ugyan úgy 555 IC-t. Azt hallottam hogy az 555 IC a bemenetére feszültséget vár, nem kapcsolgatást...szóval szerintem azok nem is működőképesek... 
				"Kapcsolgatás" kell, persze.  Valamiről szedd le az impulzusokat, csinálj belőle negatívba futó tüskéket, azzal indíts egy 555-ös (pl.) monostabil multit, a kimenetét soros diódával tedd rá egy elkóra, azon egy trimmer és ezt a leosztható feszt mérd a LED-meghajtó IC-del. 
				Nagyjából értem hogy mit mondasz, de ezt valamennyire én is tudom, csak megvalósítani nem, nem akarok találgatni mert nem akarom hogy feleslegesen kárbamennyenek az alkatrészeim.						 
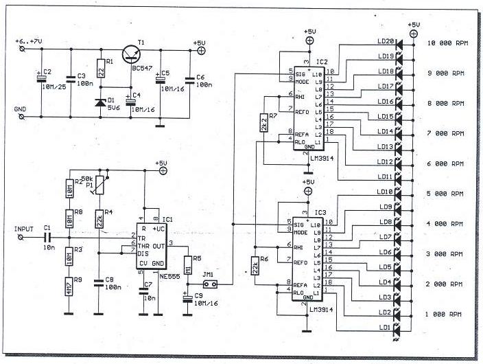
				Jah és a megszakító kalapácsról szednék le jeleket. Az előző témákban két kapcsolás volt, csatolom, szerinted ezek működhetnek? annyi is elég lenne nekem ha a 20 ledest átalakítanád nekem 10 ledesre, az LM3915 IC-vel, csatolom az IC kivezérlés jelző bekötését is. 
				szia ! nekem 12 ledes műkszik a LADÁmban. Ugyanúgy 555 az "eleje" Megkeresem a doc.-ot és küldöm. Egyébként UAA180 hajtja a ledeket,van neked,vagy be tudod szerezni? Ja és az impulzusokat a megszakítóról kapja.   
				okés, köszi, nekem az a baj hogy 6V-os kellene...						 
				És milyen kijelzésre gondolsz ? Vonal avagy pontkijelzés? UAA170 tud 6V-ról dolgozni pontkijelzéssel átalakítás nélkül igaz 16 ledre,de ez nem probláéma ha csak 10 ledet akarsz üzemeltetni . 
				Természetesen vonal, én az lm3914 IC-re gondoltam, a Te kész áramköröd lefényképeznéd nekem? kíváncsi vagyok hogy néz ki.  A kapcsolást át tudnád szerkeszteni az lm ic-re? 
				A "kapcsolas.jpg (58.56 KB)" eleje jó... ha 6 voltról menne a cucc, akkor a tápra természetesen nem lesz áteresztő stab., elég lesz egy 220 uF+párszáz nF.... tehát a tranyó+555 rész  kell belőle. Ezt bármire ráakaszthatod, úgyis be kell állítani a csík-maximumot. 10-20 volt egyenirányítva graetz-cel, szűrés nélkül 6000 Hz, ezt vidd a 100k-ra. Az 555 6-7. lábra menő potit állítsd min. ellenállásra először és addig tekerd fel, amíg max. csík nem lesz. A két értéket megcserélném; 47k poti és 10k ellenállás - így nagyobb állítási lehetőséged van. Arra is gondolj, hogy néha, típustól függően felére (v. 2x-re) kell állítani, mert a jel és a fodulatszám nem azonos. A LED-meghajtót asztalon kipróbálhatod előtte, pár volt DC a bemenetre, MODE +Ut-n a csík. 
				Feri megrajzolta nekem, skype-on megbeszéltük, és elküldte, csatoltom! És köszönöm!						 
				Hi mindenki Nekem van egy opel corsam s ebbe szeretnék fordulatszám méröt belekötni/rakni. A kérdésem az lenne hogy láttam itt rajzokat, de 12V kellene meg lehetöleg olyan amit a hall jeladóra vayg a trafóra lehet kötni. Nekem elég lenne ezrenkénti/ford/min visszajelzés is, bőven. Azért csak max 6 ledes mert helyhiány van a műszerfalon   Ha van ötlet szoljatok. 
				Hi megint Én Egy kicsit kivehetelen volt a rajz, szóval felrakom jobb minöségben s erre kérnék segtséget. Kicsit át kellene alakítanni mert ezen a jel bemenet a megszakítóról jön. Nekem meg ilyen nics, úgyhogy maradt a hall vagy a trafó/elósztó fej. Ezt egy autos oldalon találtam, még nem megépített volt. Szerintettek ez működhet. Segítségeteket is előre köszönöm. 
				A megszakító jele ugyanaz, mint a trafó 1. pontjáról levett jel; ha nincs is megszakítód, 1. pont akkor is van, csak mechanikus szaggatás helyett elektronika birizgálja. Vagyis a kapcsolás működhet, ha eleve működőképes, legfeljebb a bemeneti 100 kOhm-os ellenálláson kell (csakis utólag) változtatni, ha túl kicsi lenne a jelszint. 
				Hi ok Irkáltam autos forumban is és azt mondták hogy az ECU-ból "változó frekvenciájú négyszögjel" jön ki eredetileg s megy be a műszerfalba. Na most nekem nincs beépítve ford.szám mérő de attól még az ECU talán tudja. Szóval ezt hogy tudnám megnézni hogy kijön ez a "változó frekvenciájú négyszögjel". Így talán elég valami egyszerűbb kapcs rajz a fordulatszám ledes kijelzéséhez. 
				Ha van ilyen jeled, annyival egyszerűsödhet a téma, hogy a legtöbb elektronika a fordulatszámot adja ki Hz-ben (800 rpm = 800 Hz). Azt viszont, hogy van-e ilyen kimeneted, csak úgy tudod eldönteni, hogy utánanézel az ECU-nak. 2003-ig talán tudok segíteni, ha az adatbázisban megvan.						 
				Ha nem akarod birizgálni szervesen a verdát, pár menetes tekercs az egyik gy.kábelre tekerve és ott a jel. Már csak a "szorzás" van hátra.						 
				Hi Kobold Már bocs, hogy ennyít zaklatlak, de a wireless kicsit nem értem. Nekem lenne egy számomra egyszerűbb ötlettem: az hogy fogok egy lada műszerfalat abból pedig kiberhelem a fordulatszámmérőt elektronikástól, ami a gy.trafónak az 1 ill. a 15 pontyára van rakva, és itten jöne a kérdésem. Ha jól tudom az lada ford.szám mérő elektronika egy feszültségre mozgó "órát" írányit, és ezt a növekedő feszültséget kéne ledekre rákötni. Úgy hogy ha erösődik a fesz úgy vilanak fel a ledek. Szerinted ez megoldható? Gondolom hogy ide is kell valami IC meg pár ellenálás, de ezt a Profikra hagynám, Én meg kivítelezném  Elöre is köszi. Üdv Szabi 
				Elvileg megoldható a Ladás verzió, de szerintem a mérőben lévő (valószínűleg Deprez-műszer) bemenő jelét normálisan skálázni, erősíteni a ledek meghajtásához kétszer annyi munka, mint anélkül megcsinálni az egészet. Nézd meg ezt a topic-ot, ott a komplett kapcsolás és a nyákrajz, többször láttam már hasonlót működni   
				Ok, köfi. Majd szólok ha készlesz, vagy ha elakadtam benne. 
				Hali! Én egy 20 ledes fordulatszámmérőt szeretnék építeni. Variszabi (#136539) hozzászólásában van egy ilyen, 3914-em meg van. Igazából úgy sejtem a ferci által áttervezett bemenet jó lenne. A kérdés az, hogy erre közvetlenül ráakaszthatom a 2 db 3914-et tartalmazó verziót, vagy pedig hogyan kell a kapcsolást átalakítani, hogy igényemnek megfelelő megoldást kapjak? köszi 
				Inkább 10 ledes műszert csinálnék. Hová kell kötni a bemenetet egy autóban, a már ferci által megtervezett kapcsolásban? Magát a gyújtáselosztó jelét vezetékeljem a műszerfalba, vagy pedig bontsam ketté a rajzot és az 555-ös rész utáni veztéket húzzam a motortérből, a műszerfalban lévő 3914-hez?(ez utóbbi megoldás gerjedések elkerülése végett pattant ki a fejemből) A válasz/oka/t előre is köszi. A kapcsolás linkje: LINK 
				Nem igazán értem, hogy mit akarsz kettébontani az 555 után. Az egész elektronikád egy doboz, a motortérbe egyetlen vezetékkel csatlakozik, ami az impulzus-bemenet a trafó 1. pontjáról (megszakítási pont). Ezen kívül gyújtás és test kell neki, mindkettőt megtalálod a biztosítéktáblán, műszerfalban stb.						 
				Hali! A mórickajelölés mutatja a rajzon mire gondoltam. Opel astra f-ről van szó, és az áramkört a benzinszintjelző alatti üres területre próbálnám beépíteni. Jó lenne a kis méret. Fontos lenne, hogy a műszerfal csatlakozókábelével csatlakoztatni tudjam. Üdv 
				Kis beépítési mérethez több mód is van. Az egyik a bontás, de akkor már ne az 555 után, hanem a ledeknél. Így egy dobozba elfér az elektronika valahol a műszerfal mögött, egy szalagkábel vagy 12 eres riasztókábel pedig össze tudja kötni a kijelző ledekkel. Másik lehetőség a kétoldalas smd kialakítás, azzal eléggé össze lehet zsúfolni a dolgokat, csak kissé nehezebb megcsinálni. Én azt javasolnám, hogy ha már kettéveszed a panelt, azt ne jelvezetékeknél tedd, inkább a ledeket vidd külön. Ha azoknak a szálaira ráül pár tized voltnyi zavaró jel valahonnan, észre sem fogod venni a kijelzőn. Úgy meg semmiképp ne építsd meg, hogy az elektronika vagy egy része a motortérben van, nincs erre szükség. Maximum a bemenet fojtását, szűrését tenném az elosztó mellé, hogy azon az egy vezetéken ne kerüljön elektromágneses sugárzás a műszeral mögé, de egyrészt azért a vagy két ellenállásért nem érdemes külön panelt csinálni, másrészt meg sokkal többet is elbír minden elektronika, mint amennyit a bejövő vezeték zavarni tudna. Nincs egyébként közvetlen fordulatszám-kimenet a vezérlőelektronikán? Nem kellene a trafóról szedni a jelet... 
				Én találtam egy komplet kis leírást a panelt már el is keszítettem hozzá. Igaz ez 20 ledes (LM3914 es) de egész igényes kis dokumentáció.						 
				Hi Mindenki Elakadtam a fordulatszámmérő összerakásában. Van a 555IC útán a 3 lábánál 2db elko kondi 22µF és 1,5uf-es. Na most a boltban nem kaptam 1,5uf kondit így vettem helyette 1uf és egy 2,2uf-et, lehet valameilykel helyetesíteni? A másik kérdésem hogy az alkatrészeket ömlesztve raktam össze és nem tom hogy mit jelent az egyik kerámia kondenzátoron a következő: .022K100. Én 22nF-re tippelek, szerintetek? Ja és szintén kerámia kondira az van irva hogy .N.104, ez 100N akar lenni? 
				Helló. Tedd be a 2.2µF-ot. A mási két kondinál a tipped helyes.						 
				Hi Megint gondba vagyok a UAA 180 IC 3 lábánál van egy 3,6K ohmos ellenállás valószinüleg ez se volt(bolt) s kaptam helyette 3,3K ohmost. Nagy baj lenne belöle, vagy mindenkép 3,6K ohmos kell bele? | Bejelentkezés Hirdetés | 
















