Fórum témák
» Több friss téma |
Tesztelni úgy tudod, hogy egy olyan mikrofonnal állítod szembe, ami tudja a kiadott frekvenciát, a mikire egy előerősítő után pedig kötsz egy oszcilloszkópot. 30 kHz már nagyon nem az a frekvencia, amit szemmel lehet érzékelzni.
Köszi, de nincs oszcilloszkópom. Valami más megoldás kellene, amivel a működését lehetne látni-hallani.
NA persze ha lesz valami elfogadható beszerezési árú hangszóróm hozzá.
Én építettem pár ilyen riasztót. Kipróbáltam pár , játékokban, órában, stb található piezót. A tapasztalat az sajnos, hogy ezek teljesen alkalmatlanok erre a feladatra. Az átviteli görbe a rezonancia frekvencia után nagyon meredeken esik. A legtöbbnél csodaszámba megy ha a 22khz-en mérhető hangnyomást produkál. Sajna nincs más út, mint venni egy komolyabb piezot.
Például ez már használható: http://www.conrad.hu/conrad.php?name=Products&pid=130269 És akkor még tesztelni sem kell
Hatásosak ezek a riasztók? Csak azért kérdezem, mert nekem egyik sem volt az, semmilyen állatra.
A linked nem jó, ez a helyes: Kemo piezo.
Igen az az.. valami hiba csúszott a link másolásba. Nos vegyes a tapasztalat... Az egerek nem mozgolódnak a terménytárolóban mióta működik, viszont néha szünetet kell tartani hogy hatásos legyen. Sajnos igen hamar, két három nap!! hozzászoknak a monoton hanghoz. Ezért aztán különféle trükköket kell bevetni.. modulálni, frekvenciát változtatni, stb. De ez sem elég, mert ezt is pár hét alatt megszokják. Nekem az vált be, hogy egy nap működik, másik nap nem. illetve két frekvencia rendszertelenül váltogatva. Kis térben ( pl: kamra) nagyon hatásos, de ott is a fent említett trükkökkel. A nyestek nagyon nem szeretik, viszont nekik lejjebb kell venni a frekvenciát, ami sajnos az emberi hallásküszöb közelébe esik. Amit építettem, az 19 - 27 khz között "pásztáz" 1 sec időközönként. Na ez távol tartja őket ( meg a szomszédot igen beszédessé teszi
)Ki kell kísérletezni, melyik állatnak, melyik frekvencia az ideális. Olyan ami minden állatot távol tart, nemigen létezik
Nem voltam egyértelmű a megfogalmazásban. Ideig-óráig nekem is működött szinte mindegyik, de az általad is említett hozzászokás jelenség lépett életbe...
Igen, ezért írtam, hogy egy napot megy aztán egy napot nem. A terménytárolóban kettő van elhelyezve. Egyik plafonon, a másik pedig egy sarokban, szinte a padlón. Nos ezek felváltva mennek, természetesen más frekin, és más modulációval. Eddig bevált, nem 100%-os de jóval kisebb a mozgolódás mint előtte. A nyestek eltűntek a padlásról, pedig az csak kétnaponta indul be kb 3-4 órára, jellemzően éjszaka, hogy mást ne zavarjon. Kísérletezni kell
Szia! Talán tudnál valamit ajánlani ezek közül az egérriasztók közül ami hatásos is? A Conrad-nál néztem ki ezt a típust vagy talán még szóba jöhetne ez a másik is. Amit eddig olvasgattam róluk itt is megoszlanak a vélemények a használók körében. Ezek közül az egyik az állítható frekvenciájú és azt a jelet nyomja állandóan ami be van állítva rajta, a másik pedig több különböző frekvenciát sugároz felváltva kapcsolgatva azokat. Hát nem is tudom melyik volna érdemes a megvételre, mert nincs időm építgetésre. A javaslatot szívesen elfogadom.
Szia. Sajnos a gyáriakkal semmi tapasztalatom sincs, én mindig építettem magamnak. Azonban irányadó lehet, hogy olyat válassz, ami változtatja ( ha még kis mértékben is ) a frekvenciát. Az állatok hamar hozzászoknak a monoton hanghoz, és cseppet sem fogja őket zavarni ha korog a hasuk
De inkább javaslom az építést, mert amiket belinkeltél, azok árából kétszeres tudású eszköz építhető.
Ha ki tudnál segíteni akkor egy link-el, hogy mit is és hogyan, az jó lenne, mert nekem sincs hozzá igazából bizodalmam. Van itt a fórumon valami bevált kapcsolás a megfelelő hangsugárzóval?
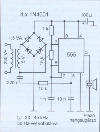
Ezt az egyszerű áramkört építettem meg először. Egyszerűsége mellett jól működik.
Aztán jött ez az áramkör . Ezt a kapcsolást részletesen megtalálod ezen az oldalon . Ebből működik felváltva kettő, a terménytárolóban, más más frekvencián. Nyestek ellen ezt építettem meg, ez nagyon hatásos riasztó. A nyáktervét meg a kisebb módosításokat a forumban megtalálod. Olvasgasd végig, hasznos. Ez utóbbiból tervezek építeni még egyet, ha időm engedi
Köszönöm a linket, és a piezzó ötletet.
Én azt tervezem, hogy egy PIC-kel valósítom meg a dolgot és akkor random ferkit használok mondjuk 22-29 Khz között, random működési időt, és random szüneteket beiktatva. Esetleg 1-2 naponta 1 napos leállással. ÉS akkor ha minden jól megy az is bele lesz építve, hogy 1-2 naponta leáll kicsit a dolog. Ha PIC-kel megy, akkor szinte nem is kell semmi a kapcsoláshoz. A hozzászólás módosítva: Nov 20, 2014
Én a megszokás miatt úgy oldottam meg, hogy 3 db panel 1-1 piezóval müködik az egyiknél emelkedik a frekvencia (panelonként 10 frekvencia) a másiknál csökken, a harmadiknál középtől nő ill. csökken is. Mivel fizikából tanultuk, hogy a hanghullámok erősitik ill gyengitik is egymást elégé véletlenszerű lesz. Természetesen a panelok frekvencia váltási sebessége is eltérő, így szerintem eléggé változatos értékeket és frekvenciát produkál.
Én próbaként megépítettem, több hónapja kifogástalanul működik, a frekvenciák ezekkel a fix ellenállásokkal kb: 20-35kHz közöttiek. Egy hátránya van a 10 frekvencia közül 1-2 nél kisebb kattanás hallható a piezóból. Igaz nem olcsó mert csak a 3 piezó 4000Ft körül van, a többi alkatrészt is beszámítva, ennyiért boltit is lehet venni, de azt nem én készítettem és nem ilyen sok frekin működik.
Szia ,
Nekem ez a kapcsolás bevált a patkányok esetében. Hébe-hóba tekerek kicsit jobbra-balra a potikon és akkor megint új hangokkal tilinkózik a szerkezet. Ha jól vissza lapozol a topikban elég sokat emlegetik barkácsoló társaink ezt a megoldást. Ja! És fillérekből ki lehet hozni. Inkább a ráfordított idő az érték. ![]() Még eszembe jutott, hogy a CA3140 IC nem indokolt, megépítettem 20 Ft-os uA741-el kiváló de NE555-tel is meg lehet csinálni neki egy astabil multivibrátort. Azóta nincs "pati" míg az ismerősömnél a bóti riasztót is felfalták. A hozzászólás módosítva: Márc 12, 2015
Helo.Elkészitettem az elöző hsz-ban levő kapcsolást.Segitségeteket szeretném kérni a beállitásához.Előre is köszönöm.Üdv.Deák Ferencz
Szervusz ,
Mi a kérdésed?
Szia.A rajzon lévő frekvenciák után kell beállítani? Bővebben: Link
A hozzászólás módosítva: Márc 15, 2015
Szép jónapot.Amint az elöző hozzászolásomban is mondottam elkészítettem a fenti kapcsolást.Nem tudom hogy kell beállítani.Segítségeteket előre is köszönöm.
Szia!
Ha van szkópod, rámérsz a végfoknál valahol és ellenőrzöd a frekiket, megvannak-e 30..40 kHz között, állítani a 4017 kimenetén lévő potikkal tudod, tetszés szerint. Ha nincs szkópod, köss átmenetileg egy 3n3-as kondit a 330 p-val paralel és 3-4 kHz közötti hangokat fogsz hallani. Addig persze a hangszóróval köss sorba 1 kohm ellenállást, hogy ne őrüljön meg senki sem a fütyörészéstől.. ![]() Ha normál beállításban nem menne, a 330 p-t növeld meg 560, 680-ra és korrigáld a poti beállításokat .
Szia.Szkópom nincs csak ESR frekvencia mérőeszköz.
Oké, akkor alkalmazd az átmeneti megoldást.. +3n3 és hangerőcsökkentés +1k.
A mérőeszközöd ESR-t mér vagy frekit is? Ha azt is, akkor láthatod az eredeti frekit minden gond nélkül a 4013 out lábakon. A hozzászólás módosítva: Márc 18, 2015
Frekvenciát is mér.köszönöm szépen a gyors válaszod.
Akkor semmi gond... amit szeretnél sorrendben és frekiben, simán belőheted.
Körülbelül milyen frekik vannak a 4017 lábán?
A 4017 léptet csak a CA3130 által megadott ütemben, a kimeneti DC-ről töltődik az 555 330 pF-es kondija, abból adódnak a frekik, 30...80 kHz között.
Ha nagyon kíváncsi vagy, a segédprogik között van az astabil 555 téma, behelyettesítesz 1...100 kohm potiértékeket értelemszerűen, a 18k adott, a 330 pF helyett írj be 0,00051 µF-ot pl.( nem fogad kisebbet ) és ennek megfelelően kapod a frekiket ( term. ezt fel kell szoroznod utána 510/330-cal. 25 kHz végfreki ( osztott a 4013 által) alá ne menj, mert a szomszéd is ideges lesz esetleg. A hozzászólás módosítva: Márc 18, 2015
Ok,megértettem,további kellemes napot kivánok.ok,ok.
A hozzászólás módosítva: Márc 18, 2015
Helo és Kellemes Husvétot.õsszehoztam a kapcsolást és apró kattogások halszanak.Ez jó-e vagy sem.köszi szépen.
Szia... létezik, igen... de nem ártana a frekiket is megnézni, mégis, hol megy...
A váltásokat hallod valszín.
Helo.Bekapcsoláskor hallszik egy ugymond visító hang,majd a kattogás megy tovább.
Figyelj már... azt írtad nemrég, hogy van frekimérőd... miért nem mérsz rá és azt írod be?
Ne a kattogásokkal foglalkozz. |
Bejelentkezés
Hirdetés |




)







