Fórum témák

» Több friss téma
Fórum » LED-es kapcsolás
 
Témaindító: ifiszgy, idő: Ápr 3, 2008
Lapozás: OK   5 / 7
(#) macsessz hozzászólása Szept 17, 2013 /
 
Sziasztok!
Autóba, sípoló szaggatásához volt elveszett rajzom. Egy önvillogtató led vezérelt egy tranzisztort, az vezérelte a sípolót. Tudnátok segíteni egy pontos rajzzal? Esetleg tudna vezérelni egy relét is?
Köszi
(#) Polly hozzászólása Jan 6, 2014 /
 
Sziasztok !
Lenne olyan kérdésem,hogy valamelyitek alakított e át utánfutó hátsó lámpáját izzósról LED-esre.
Szeretném átalakítani , a kivitelezés sem gond csak annyi,hogy szerintetek hány db piros 10 -es LED kellene a világításnak,hány db 10 -es LED a féklámpának és hány db 10-es LED sárga az irányjelzőnek ,hogy vizsgán is elfogadják ? Venni szerettem volna de egy db lámpa több mint 5 e.Ft,viszont nekem meg van hozzá minden alkatrészem !
Üdvözlettel N.J.
(#) csipaDJ hozzászólása Nov 9, 2014 /
 
Üdv Mindenkinek!
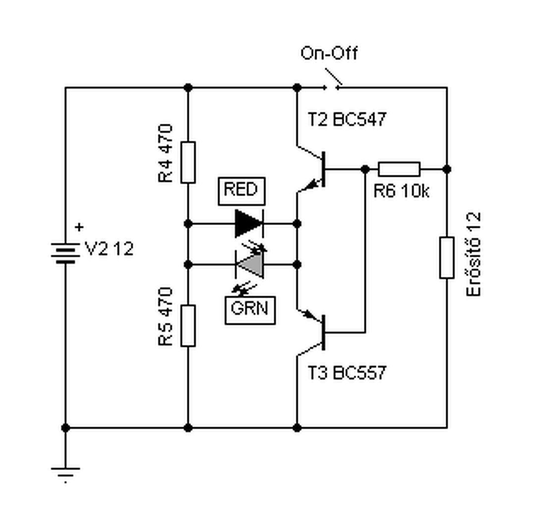
Valami olyan megoldást szeretnék hogy egy két színű leddel (duo led) olyan állapotot jelezzen vissza hogy egy eszköz például autóserősítő, be van-e kapcsolva vagy nincs! Például úgy hogy adott egy kapcsoló ami ha nyitott (kikapcsolt) állapotban van akkor a dou led piros színnel világít, ha pedig zárt (bekapcsolt) állapotban, akkor pedig zöld színnel világít ezzel jelezve vissza azt, hogy az eszköz be van kapcsolva és értelemszerűen az eszköz is vagy ki vagy bekapcsolt állapotban lenne! Az áramkör 12V-os DC feszültségről üzemelne! Ehhez kellene nekem egy kapcsolási rajz!
Valaki tud nekem segíteni!
Válaszokat előre is köszönöm!
A hozzászólás módosítva: Nov 10, 2014
(#) proli007 válasza csipaDJ hozzászólására (») Nov 9, 2014 / 1
 
Hello! Ha erre gondoltál.
(#) proli007 válasza proli007 hozzászólására (») Nov 9, 2014 / 1
 
Vagy esetleg "kétlábú" Led-el..
(#) csipaDJ válasza proli007 hozzászólására (») Nov 10, 2014 /
 
Üdv proli007!
Kifejezetten erre a rajzra és az előtte lévő hozzászólás rajzára gondoltam! Megoldva egy gondom!
Köszönöm szépen segítségedet!
A hozzászólás módosítva: Nov 10, 2014
(#) Robika37 hozzászólása Ápr 16, 2015 /
 
Üdv az Uraknak !

Kezdő lévén a segítségeteket kérném. Van-e arra valami egyszerű megoldás, hogy 3 különböző tápfeszültségről tudjak LED-et müködtetni.
(12VDC, 24VDC, 240VAC) .
Egy hidraulika mágnestekercseket működtető/próbáló kapcsolósort kellene összeraknom és univerzálissá szeretném tenni azáltal ,hogy különböző feszültségforrásra lehetne kapcsolni.
A kapcsolók állapotát szeretném jól láthatóan (többé kevésbé) visszajelezni.

Segítségeteket előre is köszönöm !
Robi
(#) Massawa válasza Robika37 hozzászólására (») Ápr 17, 2015 /
 
Ugyanazt a LED-t, vagy 3-t akarsz külön-külön müködtetni?
(#) Robika37 válasza Massawa hozzászólására (») Ápr 17, 2015 /
 
Üdv !

Ha megoldható ugyanazt a LED-et kellene működtetni.
Úgy kellene elképzelni a dolgot (legalábbis a fejemben úgy körvonalazódik) ,hogy lenne egy doboz az oldalán egy betáp csatlakozó ahova az aktuális tápfeszültség forrást dugnám be (pl számítógép táp aljzat +a hozzávaló 220-as csatlakozó kábel vagy a csatlakozó kábelen két krokodil csipesz amikor traktorról vagy teherautóról kell táplálni 12/24 VDC ).
A tetején főkapcsoló és 3db háromállású kapcsoló és lóg belőle 6db kb. 1m-es vezeték a végén szabványos csatlakozóval a mágnestekercsekhez. Ezeknek a kapcsolóknak szeretnék visszajelzést készíteni.
A hozzászólás módosítva: Ápr 17, 2015
(#) pucuka válasza Robika37 hozzászólására (») Ápr 17, 2015 /
 
Én úgy készíteném, hogy a kapcsoló áramkörébe beiktatnék egy áramérzékelő elemet. Ezt elkészítheted egy reed relé csövére tekert néhány menet segítségével, ami a mágneskapcsoló áramától zárni tud. Ezzel kapcsolgatnám a LED áramgenarátorát. Az áramgenerátort (pl. LM317 ből) el lehet úgy készíteni, hogy 24, és 12 V is biztosítsa a LED 5 - 10 mA áramát. A 230 V / AC t egyeniránítanám, és egy zéneres stanilizátorral 24 V ot beállítanám, ami aztán az áramgenerátorra kapcsolódik. Így csak kétféle tápról kell működnie, éppen arról, amelyik rendelkezésre áll.
(#) Robika37 válasza pucuka hozzászólására (») Ápr 17, 2015 /
 
Üdv !

A reed-es áramfigyelés jó ötlet , köszönöm.
Az áramgenerátorról tudnál esetleg konkrét rajzot, megköszönném.
Az lenne még fontos, ha meg lehet csinálni ,hogy ne kelljen átkapcsolni 220v és a 24v között , jó lenne "hülyebiztosra" megcsinálni. Sajnos ez irányú ismereteim hiányosak és ezért a keresőt sem tudom jól használni.
A hozzászólás módosítva: Ápr 17, 2015
(#) Feri007 válasza Robika37 hozzászólására (») Ápr 17, 2015 /
 
Egy Ilyen áramgenerátort kellene méretezni
és egy Graetz átlójába tenni. A tranzisztoroknak nagyfeszültésgűeknek kell lennie (310V + biztonsági tartalék)
Továbbá a tranzisztokokon teljesitményt kell disszipálni, hűtőborda v. hűtőcsillag kell.
(#) pucuka válasza Robika37 hozzászólására (») Ápr 17, 2015 /
 
Ha rákattintasz az emlegetett LM317 regulátor áramkör feliratára, bejönnek a HEStoreban megvásárolható áramkör adatai. Ott megtalálod az adatlapját is, ha arra katt, akkor megjelenik az adatlap. Az adatlapon láthatsz mintakapcsolásokat, ahol pl. a Fig. 51, egy precíziós áramgenerátor kapcsolását mutatja. (nem árt, ha végigolvasod, nagyon jó leírás az áramkör működéséről)
Ennek a bemenetére (VIN) kell kötni a 12 V, a 24 V, és a 24 V -ra redukált, és egyenirányított 230 V AC -t is.
A 12, és a 24 V -ot ugyanarról a tápcsatlakozóról használhatod, a feszültség különbséget az áramkör elintézi, viszont nem árt hűtőbordára tenni.
A 230 V -ból egy 12 - 24 V közötti egyenfeszültségű, 500 mA terhelhetőségű dugasztápról táplálhatod, és azt is a VIN bemenetre kapcsolod.Ha egy tápcsatlakozót csinálsz, egyidőben úgyis csak egyféle tápról használhatod.
A hozzászólás módosítva: Ápr 17, 2015
(#) Robika37 válasza pucuka hozzászólására (») Ápr 17, 2015 /
 
Köszönöm ! Ez a kapcsolás 12/24VDC oldalát meg is oldotta és ami a lényeg meg is értettem.
Ha reed kapcsolja be a visszajelzést akkor tekercs működtető feszültséget különválasztom a visszajelzés (LED) működtető feszültségétől,de azt hogyan oldjam meg egy tápcsatlakozóról ?
Elnézést ha értetlennek tűnök, de a gépész vonalon több elképzelésem van.
(#) eyess válasza Robika37 hozzászólására (») Ápr 17, 2015 /
 
A 240AC részt minek akarod kijeleztetni ?A lényegi részt a tekercsek vezérlés kijelzését meg lehet érteni , de a 240AC szerintem teljesen felesleges mivel az nem változik sosem.Viszont a tekercsek vezérlés visszajelzését is általában úgy jobb megoldani , ha a tekercsel párhuzamosan van kötve a led egy előtét ellenállással.És , így hiba esetén egyből tudható az , hogy a tekercsekig eljut rendesen a delej.És nem csak egyszerűen azt tudni , hogy éppen 12, vagy 24 volt meg van e.Ha már ilyenre szántad el magad úgy csináld , hogy kicsit többet is tudjon , és a segítségedre is legyen , ne pedig csak egy szimpla visszajelzést adjon.
A hozzászólás módosítva: Ápr 17, 2015
(#) pucuka válasza Robika37 hozzászólására (») Ápr 17, 2015 /
 
A relét mindíg az átfolyó áram működteti, az hozza létre a tekercsben a mágneses teret. A feszültség csak úgy jön ide, hogy a tekercs huzal ellenállása, és a rákapcsolt feszültség fogja mehatározni az áramot. (Ohm törvény)
Az áramrelét magadnak kell elkészítened. Veszel egy egy ilyen Reed kontaktust, majd erre tekersz annyi menetet, amennyi a bekapcsolt mágnesszelep áramának hatására zárni tudjon. Sajnos, ezt ki kell kísérletezni, pontos számítás nehéz, és bonyolult. A tekercsen átfolyó áram hatására a tekercs belsejében létrejött mágneses tér fogja a kontaktust zárni. Ahogy a rendes reed csöves relében is, csak olyat készen kapni nem lehet, amilyenre szükséged van. Ez a kontaktus vezérli a LED áramgenerátorát, egyszerűbben ráadja a tápot az áramgenerátorra. Mivel csak egy tápfeszültség csatlakozója van az áramgenerátorodnak, ezt tudod kapcsolgatni az általad elkészített áramrelé Reed kontaktusával.
(#) pucuka válasza eyess hozzászólására (») Ápr 17, 2015 1 /
 
Nem a 230 -at akarja kijelezni, hanem a bekapcsolt állapot visszajelző áramkörét szeretné erről is működtetni. (és még 12, és 24 V -ról is)
Olvass figyelmesebben.
A hozzászólás módosítva: Ápr 17, 2015
(#) eyess válasza pucuka hozzászólására (») Ápr 17, 2015 /
 
Idézet:
„Kezdő lévén a segítségeteket kérném. Van-e arra valami egyszerű megoldás, hogy 3 különböző tápfeszültségről tudjak LED-et müködtetni.
(12VDC, 24VDC, 240VAC) .”


Akkor 240AC minek is még egyszer kérdezem , ha már olyan figyelmesen olvasol .
(#) pucuka válasza eyess hozzászólására (») Ápr 17, 2015 /
 
Olasd már el rendesen, és próbáld meg megérteni azt az egy szem mondatot, amit idéztél.
A 240 VAC az tápfeszültség, és nem azt akarja kijelezni, hanem a mágnesszelepeket, hogy működnek-e (vesznek fel áramot). Hasonlóan mint az utánfutó világítás visszajelzőnél, csak ott egyértelműen egy tápfesz van. A kérdező esetében pedig három, de ne tőlem kérdezd, hogy miért, megoldást keresett rá. A szelepek egy hosszú kábel végén vannak, akkor nem teheted a LED -eket a mágnesszelep tekercseire.
A hozzászólás módosítva: Ápr 17, 2015
(#) Robika37 válasza pucuka hozzászólására (») Ápr 17, 2015 /
 
Hogy érthető legyen a feladat. Hidraulikát javítunk. Amikor elkezdünk egy berendezést tesztelni akkor lenne szükség erre a kapcsoló dobozra.
Főleg ha kétséges a működtető kapcsolók vagy áramkör helyes működése.
Háromféle működtető feszültség szokott előfordulni: teherautó, traktor 12/24 VDC ipari hidraulika 230VAC
A kérdéses eszközről leveszem a csatlakozókat, ráteszem az általam készített csatlakozókat és a dobozon kapcsolom/működtetem a rendszert közben persze mérem a hidraulikus jellemzőket.
A LED-ek a kapcsolós dobozomba lennének beépítve és ismerem a reed relé működését anno a skoda120-hoz készítettem vele féklámpaőrt.
A hozzászólás módosítva: Ápr 17, 2015
(#) Robika37 válasza eyess hozzászólására (») Ápr 17, 2015 /
 
Leírtam, legutóbb olasz gyártmányú brikettáló présen voltak ilyen csodálatos megoldások.
Van hozzá jelenleg is kapcsoló sorunk csak szeretném kulturáltan megoldani a feladatot egyszer végre véglegesen.
(#) Massawa válasza Robika37 hozzászólására (») Ápr 17, 2015 /
 
Még egy kérdés, egy gépen csak egyféle fesz fordul elö ( pl. 24V), vagy mind a 3 egyszerre kell?
Ha egyszerre csak egy fesz. Van akkor egy átkapcsoloval ( lehet automatikus is) aránylag könnyü lenne a megoldás.
Alapbol 230V- ra menne a szerkezet, ha nem kapnál elég LED áramot akkor lejjebb kapcsolna 24 V-ra stb.
(#) Robika37 válasza Massawa hozzászólására (») Ápr 18, 2015 /
 
Nos igen , erre kellene kapcsolás. Egyszerre csak egyféle feszültségről kellene működtetni.
(#) Melonpan666 hozzászólása Jún 19, 2016 /
 
Sziasztok még új vagyok léci ne egyetek meg^^.
Mellékelt képen látható drótfához hasonlot szeretnék csinálni lenne itthon 50db narancs 5mm-es LED (water clean) dióda és nem tudom hogyan iduljak el mert kellene áramforrás ami jólenne ha elem lenne, aztán kellene előtét ellenálás amihez a dióda nyitó feszűltsége (1.9-2.1V) és az azon átfolyó áram (?20mAh?) lassan már azt sem tudom mivel kellene kezdeni. Én még ki nem gondolt tervem ~30db diodáról szólna de hogy ezeket hogyan kössem hogy elég legyen 9v elem hez ami teljes káosz . Szóval jó lenne meg csinálni de most csinálok először ilyent és sötétben tapogatózok...
(#) Sebi válasza Robika37 hozzászólására (») Jún 19, 2016 /
 
50db LED 20mA-rel számolva 1A - ha egyenként előtét ellenállást használsz...
Hármasával sorbakötve is 330mA kell, ami a 9V-os telepet fél óra alatt megeszi!
(#) Melonpan666 válasza Sebi hozzászólására (») Jún 19, 2016 /
 
Aham értem most nézegettem 4x3.7 V 3000mAh li-ion elemmel többre mennék. Viszont még mindig nem értem hogy akkor mekkora ellenálás kellene neki? + arra jutottam hogy 20db narancs 20db kék LED lenne amiket egy photoresistor kapcsolna (ha megoldható valahogy) fénynél kék sőtétben meg sárga. És még egy 3 allású kapcsoloval is meg lehetne spékelni kék vagy sárga vagy o nál auto legyen
(#) uniman válasza Melonpan666 hozzászólására (») Jún 19, 2016 2 / 1
 
Hello!
Az eredeti USB 5V-ról működik... Bővebben: Link
Próbáld ki: 5V-ról közvetlenül (előtét ellenállás nélkül) megtáplálva kettő darab LED hogyan vílágít...a zöld színűim problémamentesen bírják. Igaz áramfelvételüket nem mértem meg.
(#) Saggitarius válasza Melonpan666 hozzászólására (») Jún 19, 2016 / 1
 
Nagyon leegyszerusitve az atkapcsolo logika. Minden szinnel csak egy agat rajzoltam meg. A taplalas a 4db LiIon elem sorbakotve, ami 14.8V-ot ad feltoltve. A P1-el allithatod, hogy mely megvilagitasi szintnel valtson. A kezi vezerles is konnyeden megoldhato. Ha gondolod azt is hozzarajzolom. Az elotetellenallas ertekehez kellene tudni, mekkora arammal szeretned meghajtani. Kiszamithatok ertekeket 10mA-re.

Capture.JPG
    
(#) Zoli_bácsi válasza Melonpan666 hozzászólására (») Jún 19, 2016 / 1
 
Szerintem előbb építs meg egy LED-es villogót. Először. Aztán annak a működését ha megérted, utána jöhetnek a bonyolultabb dolgok. Mindannyian így kezdtük. A fórumtagok 99%-a villogót épített szerintem.

Még valami.

Kérlek figyelj a nyelvtanra, valamint a szlengeket mellőzd. ("Aham")
Ez olyan fórum, ahol kialakult az elvárás a helyesírás és a nyelvtan alapismeret iránt.
(#) Kovidivi válasza uniman hozzászólására (») Jún 19, 2016 /
 
Kérlek, ne tanácsolj ilyet. Egy 3Ft-os ellenálláson spórolni butaság. Ennyi LED-hez én beraknék egy bármilyen tápot, telefon töltő, vagy amit találok a fiókban. Így nem kellene elemet cserélgetni fél óránként. Ha pedig meg van a tápegység, akkor ki kell számolni az előtét ellenállást, és mehet a forrasztás.
Következő: »»   5 / 7
Bejelentkezés

Belépés

Hirdetés
XDT.hu
Az oldalon sütiket használunk a helyes működéshez. Bővebb információt az adatvédelmi szabályzatban olvashatsz. Megértettem