Fórum témák
» Több friss téma |
Üdvözlet Mindenkinek!
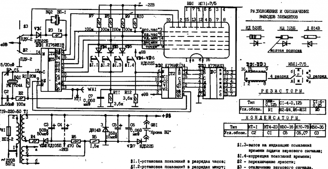
Otthoni selejtezés közben leltem erre a régi órára, ami már régóta a fiókban volt. Nincsen előlapja, így hiányoznak a gombok is. Kicseréltem a tápegység kondenzátorait, valamint két vezetéket visszaforrasztottam, amik a tápegységből jövők közül az óra nyomtatott áramköréről le voltak szakadva. Sajnos azt vettem észre, hogy itt a vezetékek sorrendje nem egyezik meg a tápegység felőli oldalon lévő csatlakozóban lévő sorrenddel! Azt hiszem sikerült a helyére tenni a két leszakadt vezetékek az itt fellelt kapcsolási rajz alapján. Bekapcsolás után egy kicsi idő múlva - talán egy perc múlva – sötétben észrevehető a fűtőszálak halvány varázslása, de az óra semmilyen egyéb életjelet nem mutat! Semmi nem melegszik, nem találok szakadt vezetéket, bár már járt itt valaki előttem! Látszanak átforrasztások, kapargatások az egymáshoz közeleső vezetőszálak közelében. Egyébként jól néz ki a nyomtatott áramkör. Hogyan kellene tovább lépni ebben a dologban, milyen testet kellene elvégezni? Hogyan ellenőrizhetném, hogy hol is van a hiba? Hogyan kellene a cső bármelyik karakterét életre kelteni, hogy egyáltalán lássam, hogy a cső legalább jó e, illetve az IC - ami teljesen sima felületű - lábain hol, milyen feszültségeket kellene mérnem? Erre kérek útbaigazítást a nálam sokkal tapasztaltabbaktól!
Beindult az óra!
![]() Hibás volt a 12v-os zéner! Szerencsére úgy, hogy 0 voltot lehetett mérni a -12 helyett! Így nem kapott tápot az IC. Kiváló fénye van a kijelzőnek! Most már programozást/beállítást kellene valahogy megtalálni! Az előlap dolgot valahogy megoldom később, ill. ha van Valakinek doboza (hibás belsővel), az érdekel!
Közben megtaláltam az előlapot a gombokkal együtt! Hihetetlen! Vagy 10 éve pihentek egy fiókban. Nem emlékeztem, hogy megvannak! Tán ezt lehetett volna a legnehezebben pótolni. Már azon gondolkodtam, hogy a négyszögletes nyákra szerelt mikrokapcsolókkal megpróbálom kiváltani az orosz T34-es típusú érintkezőket. Egy hete megy és nagyon pontos - bár ezt tudni lehetett róla. A képeket illetően milyen részekre gondolsz? Mert vissza lapozva vannak itt képek. Persze szívesen készítek róla! Külső: fehér doboz, fekete előlap, a dombok is feketék. Nagyon erős fénye van, ami éjszaka zavaró is lehet. Azt kutatom, hogy hogyan lehetne csökkenteni a fényt ill. kímélni a csövet. kondorzs a fűtőfeszültség csökkentését javasolja. Be lehet még dugni a dobozba 9 voltos elemet, amit az IC tápjára kapcsolódik, akkor áramszünet esetén megőrzi a beállításokat, de persze az alatt nem világít.
A fűtőfeszültség csökkentése (vagy növelése) erősen negatív hatással van a cső élettartamára. Annak pontosan az előírt értéken kell lennie. A fényerőt a katódpotenciál változtatásával lehet szabályozni. Keress itt egy rajzot, pl. a G9.02-ről annál így van megoldva.
Köszönöm a javaslatot! Valamelyik este kipróbálom, mert egyrészt zavaró a fény sötétben, meg elrontani sem szeretném.
Nem tudtad hogy kell beállítani az órát, nem írtad milyen típus, az azonosításhoz kellett volna a kép(ek), hogy tudjunk segíteni, mert bizony nagyon sok vfd-s óra van oroszból!
Az Elektronika 7-21 1988-ban készült óráról van szó.
Aztán, hogy beindult az óra és meglett az előlap mindenestől, keresgélni kezdtem leírásokat. Találtam orosz, lengyel és bolgár nyelven is. Oroszt választottam, mert tanultam valamikor , persze a gugli segítségével fordítottam, ami kicsit arrébb tesz dolgokat. Na, be tudom most már állítani az órát és a dátumot! Úgy tudom, vannak még egyéb funkciók is. De minden további segítséget szívesen veszek!kisgeri javaslatát - a fényerő csökkentést - most este kipróbáltam és kiválóan működik az 1,5K/1W-os ellenállással! Köszönöm! Aztán volt ám itt igen durva beavatkozás a nyákon! Látszik a szándékosság! Valaki egy húzással beszántotta a nyákot, tépve az összes vezetéket. Ezt könnyű bolt helyre hozni, aztán jött a zéner. Mivel az óra kétféle pozícióban használható - kicsit hátra döntve is - automatizálni fogom a fényerő váltást egy dőléskapcsolóval, ami belül is elfér. Nem akarom a külsejét bántani. A hozzászólás módosítva: Nov 4, 2014
Ez a nagyobb kijelzős!
![]() ![]() ![]() Akkor már tárgytalan a beállítási kérdésed, sőt segíthetnél, hogy hogyan állítottad be a dátumot, mert én csak az ébresztést és a pontos időt tudom rajt!? Az enyém nem gyári, egyedi készítésű és a kisebbik kijelzőből való! Dőlés kapcsoló helyett lehetne alkonyat kapcsolós is. Megmondanád, hogy az ellenállást az ic melyik lábaira kapcsoltad?
BOCSI!
Elírtam! Nem a dátumot, hanem a napot tudtam beállítani. A fénycsökkentés az alábbi rajzon van:
Sziasztok! Valakinek van elfekvőben ILC4-5/7 vfd kijelzőhöz lábkiosztás doksija? Előre is köszönöm.
Szia!
Tessék parancsolni:Bővebben: Link
Nagyon szépen köszönöm
Elektronyika 6.15 órához van valakinek esetleg rajza? Előre is köszönöm!
Üdv Mindenkinek!
Új szerzeményem: Elektronika B6-401, érdekességképpen keressétek az órakvarcot A hozzászólás módosítva: Máj 4, 2015
Ezt gyárilag ilyen kvarccal szerelték? Döbbenet!
![]() Valahol nekem is van pár csőburás kvarcom: legszebb amelyik színüveg, de van novál is. Viszont egyik sem ilyen frekvenciájú. Szép fogás, gratula!
Sziasztok!
Van egy Elektronika-4 Orosz órám, ami olyan tüneteket produkál, hogy 1-2 hónap normális működés után egyszer csak elhalványul. Ha a hátulját megnyomom visszajön a fénye a csöveknek, jobb esetben ezek után megint működik jó darabig. Mostanában viszont maximum 1-2 napra javul meg (vagy annyi se). Előfordul olyan is hogy ki be kapcsolnak a csövek, ezt nyomogatással nem lehet visszahozni, de magától megjavul egy idő után. Szerintetek mi lehet a gond vele? Kondik cserélve, időt nem felejti el kihúzás után (bő 10 percig), vagy a cső lekapcsolásos tünet közben se. Kontakt hibára gyanakodtam, esetleg gyenge forrasztás, a kis biztosíték tartó környékén is lehet valami (ha megnyomom a biztosíték tartóját azonnal megjavul!), de semmit nem találtam szabad szemmel, műszereim nincsenek, de meg tudom oldani, ha mérni kell valamit. Előre is köszönöm a segítséget! Üdv. Pali
Szia.
Elsőre tényleg kontakt hiba. Trafó lábailt, biztosítékfoglalat lábait és a vezetékeket amik onnan a panelre mennek és tápkábelt kellene átforrasztani, de nem ártana az egész panelt. Ha kiveszed a biztosítékot azt is érdemes megnézni, a sapkáját nem mozog-e, illetve a biztosíték foglalatot, hogy az érintkezők kortodáltak-e vagy nincsenek eltörve. Üdv. A hozzászólás módosítva: Szept 27, 2015
Sziasztok
Kellene egy kis segítség. Apukám szeretett órája öngyilkos lett és leugrott a szekrényről. Azóta nem mutat életjeleket. Lehet valamit kezdeni vele? Semmire nem reagál.
Tápfeszültsége van? Nagyon kicsi a beépített puffer kondenzátor feszültségtartaléka.
Órajele van? 32.768kHz -es quartz való bele.
Szia!
A kijelző elég merev lábakkal bír, az ugrás lehet, hogy "izomszakadással" járt ( nézd meg a lábakat nem-e törtek le vagy vált fel a fólia !) !
Fűtőfeszt/áramot mérj elsőképp.
Sziasztok!
Hozzám került egy működésképtelen Elektronika-6 óra. Fél nap alatt sikerült feléleszteni, viszont még egy megoldatlan probléma van vele: az összes 7-szegmenses kijelzőnél a jobb felső szegmens nem világít! Bekapcsoláskor az összes szegmens jó, viszont, 1 másodperc alatt elhalványul majd kialszik. Ha kihúzom majd visszadugom, akkor sem világit, viszont ha várok vele pár percet és ezután helyezem áram alá akkor megint világít egy másodpercig. Van valami ötletetek? Esetleg a K176ID3 ment tönkre benne? A többi szegmens kifogástalan! Köszönöm előre is! A hozzászólás módosítva: Máj 15, 2016
Ahhoz a szegmenshez tartozó ellenállást és környékét megnézném még, ha jól látom R19 a kapcsolási rajzon.
Köszönöm válaszod, de sajnos csak R12-ig vannak ellenállások ebben a kapcsolásban.
Nekem ez a rajz van hozzá amit mellékelek. De leellenőrizni én sajnos nem tudom, hogy melyik jó, mert nekem nincs ilyen órám.
Szerk: Ha a te rajzoddal egyezik meg, akkor viszont szinte biztos, hogy az IC a rossz. Szerk 2: Persze csak most látom, hogy ez Elektronyika 6-15. Fene ezt a számozási rendszert... A hozzászólás módosítva: Máj 16, 2016
Bocsánat, elfelejtettem írni, hogy az enyém 6.14-01 verzió. A kapcsolás amit feltettem is azé.
Ma tüzetesebben átnéztem az egészet, át is forrasztottam, de semmi. Amúgy iszonyat a belseje, bár kinyitva sosem volt, szóval nem buherált példány. ![]() - biztosíték gyanánt gyárilag egy ellenállás van - diódák köszönőviszonyban sincsenek a kapcsolási rajzban szereplőkkel - van egy-két eltérő ellenállás érték is. Az első döbbenet az volt, hogy az IC adatlapján szereplő 9V +-5% helyett a K176ID3 10.3V-ot kapott. Természetesen a zéner volt a hunyó - nem is hasonlított a D814V-re... A K176ID3 kimenetei szkóppal vizsgálva viszonylag elég szépek, leszámítva az ominózus Out B-t (10 láb), ami nekem is a hibát okozza. Itt mindenféle jelalak megjelenik... ![]() Szóval én is most már készpénzre veszem, hogy ez lesz a rossz. Az IC-ről bővebben, hátha valaki majd hasznát veszi egyszer: http://tec.org.ru/board/k176id3/149-1-0-1909 Köszönöm a megerősítést!
Esetleg helyettesítheted más IC-vel, ami BCD -> 7 szegmenses dekóder, persze a paramétereknek megfelelő kell. Viszont a lábkiosztása biztos nem lesz ugyanaz, így valami kis adaptert kellene neki csinálni.
Elég ritka ami pontosan egyezik a kapcsolási rajzzal. Attól még működhet persze jól. |
Bejelentkezés
Hirdetés |





, persze a gugli segítségével fordítottam, ami kicsit arrébb tesz dolgokat. Na, be tudom most már állítani az órát és a dátumot! Úgy tudom, vannak még egyéb funkciók is. De minden további segítséget szívesen veszek!






















