Fórum témák
» Több friss téma |
Fórum » ST151 végerősítő
A 42V-tól szigorúan protectet kell jelezni a védelemnek, hisz ezért tartjuk
Szerk.: a végtranzisztorokat nem szükséges még berakni, de a meghajtókat áramalá helyezheted a biztosítékok berakásával. A kimeneti 0V körüli egyenfeszültségnek be kell így is állnia.
Be is kapcsol a protekt... Épp az a baj ,hogy nem tudom miért?
Ez a működésének a lényege, ha egyenfeszültséget észlel, nem engedi a hangszóróra.
Oké, evvel semmi gond, teszi a dolgát... Csak nem találom a hibát... Mit keres a kimeneten 42V egyen fesz?
A hozzászólás módosítva: Márc 29, 2015
Biztosíték nélkül nem megy az erősítőd visszacsatolása, nem áll be a DC egyensúly.
Lehet még hibás alkatrészed is. A hozzászólás módosítva: Márc 29, 2015
Azóta betettem és ugyan azt produkálja! Minden tranyot cseréltem ellenek jók diódák jók és mégis csinálja!
A hozzászólás módosítva: Márc 29, 2015
Testhez képest milyen polaritású feszültséged van?
Az R3, R4 -en kívül cseréltél még valamit, például T3-at?
Nézd meg az NPN, PNP megfelelést, valamint a lábkiosztásnak megfelelő beültetést!
Üdv! Ez egész pontosan mit takar? A lábak kiosztása jó.
Például T3-T6 keresztcsere szokott előfordulni.
A hibakereséshez akkor tudnék hatékonyan hozzájárulni, ha erre az ábrára ráírnád a tranzisztorok bázis, emitter, kollektor feszültségét testhez képest, kivéve a T10, 14-et mert jelenleg nem érdekes.
Üdv RELOOP! Örömmel közlöm, hogy közben megjavult a kicsike... A C3-as kondi viccelt meg. Nem tudom, hogy mi volt a baja de kicseréltem és utána nem kapcsolt a protekt. Az egész galibát az okozta, hogy amikor anno összeraktam egy apró alu forgács bekerült az egyik 5200 tranyonál a szigetelés és a borda közé! Hónapok alatt lassan átfúrta magát rajta aztán OFF
A nyugalmit mennyire ideális állítani? Nagyon szépen köszönöm az eddigi segítséget!!! Sokat tanultam belőle...
Szia! Könnyen beleszalad az ember, hogy C3-nak berak az ember egy 50V-os kerámia kondit, de erre nem is gondoltam mert már korábban működő erősítőről volt szó. Oda 100V-os való.
Ismét pöpec a cucc... Köszi még egyszer!
Sziasztok neki áltam TO3 tranzisztorokkal megépiteni az st "szörny"változatát,a meghajtást nem kellene módosítani?Láttam egy rajzot ahol a meghajtó egy végtranzisztor volt,és 1-1
10 ohm os ellenállásokon keresztül voltak rákötve a meghajtóra.Köszi
Szia! Ennek az igénye a maximális kimenőáramon és a tranzisztorok bétáján múlik. Mivel az már nem ST151 lenne beszéljünk inkább róla az Erősítő mindig-ben!
Djkoko!
A gyártáshoz szükséges filmet mellékeltem. Hangsúlyoznom kell, én nem építettem ilyet, csak egy kis műszaki és esztétikai fegyelmet kényszerítettem a meglévő vonalvezetésbe. Nincs tapasztalatom sem a paneltervvel, sem az erősítővel kapcsolatban.
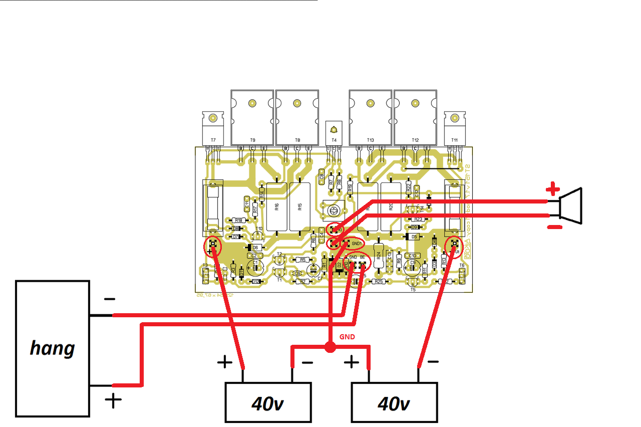
Üdv! Valaki berajzolná ezen a rajzon hogy mit hova kell kötni? Kezdő vagyok az elektronikában, és még erősítővel sem volt dolgom.
A hozzászólás módosítva: Máj 9, 2015
Szia! Az erősítő 2x 40V tápfeszültségről működik, nem 1x 40V -ról. A panelon ott vannak a szükséges feliratok a bekötéshez, azt nézted már?
A hozzászólás módosítva: Máj 9, 2015
Na, én azt hittem hogy egyszer 40 volt. A feliratokat látom de nem tudom mit hova kell kötni. Vagyis valami dereng de biztosabb ha valaki aki ért hozzá berajzolná. A panelt már megépítettem. Egyszer 40 voltról nem lehet valahogy megoldani a működtetést?
Nem, 1x 40V -ról nem megy.
Egytelepes táplálás esetén több mindent módosítani kellene, plusz kicsatoló kondi is kell, Akkor viszont 80V körüli feszültség lenne jó, a 40V kevés. Rajz csatolva. A hozzászólás módosítva: Máj 9, 2015
Szia Gábor! Csatoló kondinak szerintem tegyél be WIMA 2.2 vagy 3.3µF os kondit. Szerintem hibátlan, az árával vannak gondjaim néha.
A hozzászólás módosítva: Jún 12, 2015
Sziasztok!
A napokban végigolvastam az 57-oldalt. Nagyon megtetszett az erősítő mindenki dicséri. A Közel/Távoli jövőben megszeretném építeni én is. A végére érve egy kicsit összekuszálódtak bennem a dolgok. ![]() Amit szeretnék 4-8 ohm és 8 ohm-on legalább 150-180W teljesítmény legyen. Az Alkotó féle átrajzolt terv erre a célra megfelelő lenne mondjuk egy 750VA-es trafó 2*43VAC 8,5A és 1*12V 1,5A?
Szerintem minimum a 2*60V kell, a 100W fölötti teljesítményhez.
A hozzászólás módosítva: Jún 27, 2015
|
Bejelentkezés
Hirdetés |








