Fórum témák
» Több friss téma |
Ez nagyon jó, köszi szépen
![]() Ez alapján már biztos meg tudom csinálni. Eddig értek mindent. Ha elakadnék akkor még jövök. Köszi mégegyszer!
Üdv. Olyan kérdésem volna hogy ebbe a kapcsolásba tehetek-e 10K -s NTC-t? Csak hozzá kell állítanom,vagy valamit módosítanom kell a kapcsoláson? Segédmotorhoz szeretném hőmérőnek elkészíteni. A válaszokat előre is köszönöm.
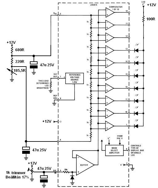
Hello! Nem tudom, ha már itt vagytok a HE-n, miért a BSS-ről kell rajzokat venni, mikor a legtöbb elnagyolt. Ez pld. az életben nem fog 130 fokot kijelezni, abból az egyszerű okból kifolyólag, hogy az utolsó Led akkor jelez, ha a bemeneti feszültség eléri a referencia feszültséget. Mivel a kapcsolásban az NTC és a poti egy feszültségosztót alkot és az a referenciából van táplálva, az akkor adna ki referencia feszültséget, ha az NTC ellenállása nulla lesz, vagy a poti szakadt. A 3..18V tápfesz is enyhe túlzás főleg vonal kijelzés módban. Mert alul kicsi a feszültség, felül meg megsül az IC. stb.
De legalább a bementet átrajzoltam, kb. hogyan lehet megoldani. De tápra is illene kondi, a Led-ekkel sorba a táp felől egy 47ohm.. Azt is tudnod kell, hogy az NTC mind két végének el kell lenni szigetelve a blokktól. Tehát olyan gomba aminek egy kivezetése+test van erre nem alkalmas..
Akkor az NTC mindkét lábát elszigetelem a blokktól (lehet befogatom az NTC-t egy fém kis tokba,és azt rögzítem a blokkra,persze hűtőzsírral lekenve),azt felviszem az lm3914-nek,majd ott a ledek elé teszek sorosan egy 22ohm értékű ellenállást.
Persze a táp szűrve lessz stabkockával (7805),aztán 1000µF elko, 100nF kerámia szűrés.
Valaha én ezt anno megrajzoltam, most előkerestem. Persze szokásomhoz híven el nem készítettem. Itt cseppet korrektebb a megoldás, mert a referencia terhelése határozza meg a Led-ek áramát és az az NTC ellenállásának változásával változik is. Így elválasztó fokozatok vannak beépítve, plusz egy invertáló erősítő, ami megengedi az NTC GND-re való kötését is. Ugródeszkának biztos jó lesz..
Sziasztok. Szeretnék egy kis segítséget kérni. Kellene csinálnom egy vízszintjelzőt, amihez egy üzemanyagszintjelzővel szeretnék megcsinálni. Úgy gondoltam, hogy erre egy 5V-os feszültséget kapcsolnék és utána a feszültség osztón lévő feszültséget mérné a lm3914. Ha mellé egy 100 ohmos ellenállést raknék és a szintjelző 0-310 ohmig változik, akkor 37,8mV és 3,78V közötti feszültséget kellene kijeleznem. Ennek a két értéknek a beállításához kérném a segítséget. Osztottam szoroztam és nekem úgy jött ki hogy a gyári kapcsolás alapján R1=600 ohm és R2=13 ohmnak kellene lenni. De ebben nem igazán vagyok biztos. Az elképzelésemet mellékeltem. Előre is köszi a segítségeket. =)
A hozzászólás módosítva: Máj 26, 2015
Hello!
- Ha a jeladó 0..310ohm között változik, akkor a feszültség is 0..3,78V között változik. De ha stabil feszültséggel és ellenállással táplálod, akkor a karakterisztika nem lesz lineáris. Úgy megfelel? - Az LM3914 adatlapján ott van a referencia feszültség kiszámolásának képlete. De elsőként az R1 értékét ez szerint kel megválasztani. Ha az 600ohm, akkor a Led-áram kb. 1,2V/600ohm*10=20mA lesz. De ha a táp 12V és oszlopdiagramot fog mutatni az LM, a hő megfekszi az LM gyomrát. Mert a Led-ek összárama 200mA körül lesz, a feszültség veszteség meg színétől függően 1,5..3,2V. 14V táppal, és 2V-al számolva, a tok teljesítménye 12V*200mA=2,4W. Miközben az nem érheti el az 1W-ot sem. - A referencia feszültség az R1+R2-őn eső feszültség összege lesz, ami jelenleg 1,23V körül van. Miközben a jeladó maximuma 3,78V. Ha a Ref-Lo lábat az ADJ lábhoz kötve, 1,2V lesz minden esetben, csak az R2 feszültségével megemelve alja és teteje. - Azt is tisztázni kell, hogy a jeladó mikor ad 0ohm értéket, mikor a tartály tele van, vagy üres. Mert ha az tele értéknél van, fordítva fog mutatni a műszer.
Köszönöm a választ.
- A jeladó felszerelés helyzetétől függ szóval ettől el lehetne tekinteni szerintem. A 600 ohmot a 20 mA-re számoltam, de összesítve nem gondoltam teljesítményre. Ez végül is nem nagy probléma mert akkor a kimenetekre PNP tranzisztorokkal meg lehetne ezt oldani, csak akkor az IC áramot kell visszavenni, pár mA-re, ami elég a tranzisztornak. Ha mondjuk ezt 5 mA-re választom meg, akkor 0,6W, ami belefér. Így az R1 értéke akkor adott lenne egy 2,7 kohmos ellenállás. A képletből pedig az R2-nek akkor 5,4 kohmnak kellene lennie? Emelett akkor az ellenállások bekötése sem jó? Miért nem lesz lineáris a kijelzése mit kellene változtatnom ehhez?
- Persze tranyóval is ki lehet egészíteni, de az plusz 10db tranyó, kollektor és bázis ellenállással. Fűteni ugyan úgy fog.
- A teljesítményt mindenképpen el kell fűteni. Megoldható úgy is, hogy a Led-ekkel sorba egy ellenállást teszel. Minél több Led jelez, annál nagyobb feszültség esik rajta. Így csökkenthető a tok disszipációja. - Mondjuk Led színét nem írtad. de egy soros 47ohm-al, számolva, 47ohm*0,2A=9,4V esik. A diódán mondjuk 2V, akkor az 11,4V. IC-re jut 14V táp mellett 2,6V. 2,6V*0,2A=520mW. Ezt már tűri az IC. Az ellenállás minimum 2W-os legyen, mert 1,8W lesz rajta. - A számításod annyiban nemhelyes, hogy nem vetted figyelembe, hogy az R2-őn nem csak az R1 áram folyik át, hanem az IC ADJ árama is. Ez kb. 0,8..0,1mA. Tehát most a referencia 4,14V körül lenne. De célszerű az R2-őt változtathatóvá tenni. - A kapcsolás annyiban nem jó, hogy a Ref-lo lábat a GND-re kell kötni, nem az ADJ lábhoz. A kimenti Led áram számításnál, azt is figyelembe kell venni, hogy a Ref-hi és Ref-lo láb közötti 10kohm-os belső osztó is terheli a Ref-Out referenciát. A Led-áram pedig a referenciát terhelő áram tízszerese lesz.. - A kijelzés azért nem lineáris, mert a 100ohm és a szintjelző egy feszültségosztót alkot. A szintjelző ellenállás változásával arányos feszültség akkor van, mikor azon folyó áram állandó. Itt viszont minél a 100ohm-ra eső feszültség anál kisebb, minél nagyobb a jeladó ellenállása. így az áram folyamatosan csökken. Tehát célszerűbb lenne egy LM317-el és egy ellenállással áramgenerátort készíteni a jeladóhoz.
Ennyivel módosítottam, ezek szerint akkor így már működőképes lehet a kapcsolás?
Köszönöm az eddigi segítségeket is!
Jó, de a 7805-re semmi szükség. Az 5V amúgy sem lenne jó, mert 20mA*310ohm az 6,2V.
A 2,7kohm-ot és a potit le kell csökkenteni, mert így a tranyós meghajtáshoz lenne jó. A hozzászólás módosítva: Máj 27, 2015
Üdv a mestereknek!
Egy kis segítség kellene Proli007 már nagyon sokat segített ezúton is köszönöm neki! Egy akku lemerülés jelzőt szeretnék csinálni mégpedig egy cellás líthium akkuhoz 3.7V erre az IC-re gondoltam LM3914 úgy akarnám hogy a tápfeszt az akkuról kapná és 4.2Vés3.0V között jelezzen ehhez szeretném kérni a segítséget.Előre is köszönöm!
Szia! Azt belekalkuláltad, hogy ha a kijelző áramkört is arról az aksiról táplálod, akkor a ledeket is az aksi fogja energiával ellátni? Felesleges fogyasztás, meríti az aksit. Ha csak 10mA -t engedsz egy ledre, akkor is elég nagy lesz az áramfelvétel.
Hello! Némi bizonytalanság van a dologban, hogy az LM3914 minimális feszültsége a 3V. Így vagy fog működni, vagy nem..
- Tekintve, hogy az IC közvetlen nem mérheti a tápfeszültségét, azt célszerű leosztani. A két 10kohm 1:2 arányban oszt. Így 4,2V feszültségnél 2,1V-ot, míg 3V cellafeszültségnél, 1,5V feszültséget ad. - Beállításkor célszerű mind két potit maximális ellenállásra tekerni, és innen kezdeni a beállítást. - Elsőként P1-el állítjuk be a Ref-hi 2,1V referenciát, majd a P2-vel a kb. 1,44V Ref-lo referenciát. - Ez után ellenőrizzük a 4,2..3V méréstartományt. Ha felül van eltérés, P1-el, ha alul P2-vel korrigálunk. Célszerű pontkijelzést használni a fogyasztás csökkentése miatt.
Hello!Ismételten köszönöm a gyors válaszokat és köszönöm a kapcsolási rajzot is Prolinak jó hogy vannak ilyen segítőkész emberek is a fórumozók közt!Akkor így próbálom meg ahogy leírtad még nincsenek meg az alkatrészek de jövő héten megveszem összeállítom és írok majd hogy mi a helyzet vele!Még egyszer köszönöm a gyors választ!
Hello!
Közben leszimuláltam az áramkört Circuit Wizardal és csak a két alsó led világított és az 1K poti nem állított semmit a 10K az állítja a két alsó leget.Köszönöm!
Szia! A P1 értéke 820 ohm körül várható. Tégy a szimulátorba voltmérőket RH, RL lábakhoz, meglátod hol a hiba.
Hello kösz a hozzászólást tetem voltmérőket de szerintem így kevés lesz így az egy cella líthium mert 4.2V-tal is csak 3-alsó led világít de majd megpróbálom próbapanelen ha meglesznek az alkatrészek.Azt nem értem hogy az 1K pótméter miért nem állt semmit?Köszönöm!
Az voltmérőket RL/RH és táp negatív közé kellet volna kötni.
Ettől függetlenül úgy tűnik a szimulátor nem számol az RL - RH lábak közötti belső 10x1k ellenállással. Bővebben: Link Építsd meg azért bátran az áramkört! Javaslom tegyél be nyomógombot, hogy csak a kiolvasás idejéig terhelje az akksit. A hozzászólás módosítva: Júl 19, 2015
Köszönöm mindenhogyan össze rakom próbapanelon először aztán majd meglátjuk mi lesz!
A szimulátort sem kell feladni, bár a biztos sikert nem garantálhatom, mert lehet az LM3914 makrónak lehet más fogyatékossága is. Rakd át a voltmérőket a negatív tápra, hogy az előírt értékeket beállíthasd, és az RL -RH közé állíts be egy 10k ellenállást!
Köszönöm akkor sem változott semmi próbapanel megmutatja majd!
Esetleg nézd meg ezt: EEVblog #204 – Designing a Li-Ion Battery Gauge with the LM3914
Bár ez konkrétan 2 Li-ion cellához készült...
Proli007-hez szólnék ismételten most néztem hogy LM3915-öt adtak a boltban az nem jó ugye?Köszönöm!
A 3914 lineáris felbontású, a 3915 pedig logaritmikus. Alapvetően ez a különbség a két ic között.
Köszönöm megnéztem az adatlapokat de most akkor alkalmas arra a feladatra amit Proli rajzolt vagy nem?
|
Bejelentkezés
Hirdetés |



















