Fórum témák
» Több friss téma |
Fórum » Labortápegység készítése
Idézet: „ha megterhelem a trafót akkor a kondi megtartja a feszültséget” Ez a gondolat több sebből vérzik: 1. Ha megterheled a trafót eleve esik már a trafó feszültsége is, teljesség igénye nélkül Rbelső x I volttal. 2. A kondi csak igyekszik megtartani a feszültséget a tőle telhető módon de, hogy ez mennyire sikerül neki az a kapacitásától és a terhelő áramtól függ. 3. Az 1. pontban szereplő I áram ráadásul nagyobb, mint a terhelő áram, mert ahhoz még hozzáadódik a kondenzátort visszatöltő áram értéke is, ezért a kondi sosem fog az üresjárati feszültségre feltöltődni. Ezeket próbáld meg átgondolni, és ezek alapján méretezni a trafót és környezetét.
Ez nem elégséges hűtés. Hiába van nagy borda, bár ez a képen nem igazán látszik.
Nézd meg, hogy a borda felé mekkora keresztmetszeten kellene a hőnek áthaladnia. Az egy 2-es alu profil, ha jól saccolom. Az még 20 cm hosszú profilnál is csak 4 cm2. Ezen van 6 vagy 7 félvezető, ami fűti. Itt jelentős hőhíd alakul ki, mert a szűk keresztmetszet miatt lassan áramlik a hő a borda felé, ezért nagy hőlépcső alakul ki. A hozzászólás módosítva: Jún 30, 2015
Igen-igen tudom!
Azért terveztem így! Szerintem jó lesz! Dc-dc konvertert nem tudsz véletlenül? kapcsolási rajzát?
Azok a nagyon hosszú madzagok sem éppen javítanak a helyzeten. A végtranyókat lehetőleg röviden, inkább a nyákra kellett volna szerelni, vagy a nyákot kellene a bordához rögzíteni. Nem mondom hogy biztosan begerjed így az egész, de nagy rá az esély.
Ha visszanézed azt amit én csináltam, ott van néhány centi fóliaszakasz a puffertől a végtranyók kollektoráig, és kb. fele annyi a kimenetig.
Véleményem szerint tévúton jársz, és egyre jobban belebonyolódsz.
Egy trafó+diódahíd+puffer kombináció működése nem áttekinthetetlenül bonyolult, és remekül mérhető minden változás. A DC-DC konverter bonyolult jószág. Nagy frekvenciájú váltót készít a DC-ből, amit aztán "transzformál", és ezt újra egyenirányítja és esetleg stabilizálja is. Nem tudom mire kell, de ha stabil feszültség az igény, akkor ezt más eszközzel hatékonyan meg lehet oldani. Ha esetleg labortápról van szó (a téma címéhez ez illene) ahhoz meg kimondottan találsz itt instrukciókat.
Labortáp vezérléséhez kellene!
Hát ezt az instrukciókat várom!!! Stabilizált táp kellene nekem! Most van egyen irányítva kondikkal 40V tom. Arra szeretnék egy olyan stabil feszültséget ami 30-34V lestabilizálja. Ám átlátom az egész működését,de viszont nem tudok dc-dc konvertert ami olcsó és kicsi helyen elfér!
Ez még mindig csak egy semmit mondó részlet, nem lehet értékelni a labortáp egységét. De a hűtésre vonatkozóan enged némi betekintést, csak nem látszik mi van a tranzisztor alatt, hogyan van az ott kialakítva.
- Riasztóan egyedi megoldás. A kengyelnek nagyon célszerű olyan anyagból lenni, ami önmaga is képes hőt elvonni a tokozáson keresztül. A fa (ha jól értékelem a pocsék fotót), kimondottan nem ilyen anyag, praktikusabb lenne fémet használni. A meghúzásnál törekedni kell olyan erőket eltalálni, ahol már létrejön a kellő szorítási erő, de még nem deformálódik el a leszorító, azaz felfekszik a tokozáson. - A labortápok esetében kétféle melegedés ellen is védekezni kell. Először a gyorsan történő melegedés ellen kell jó megoldást találni (pl. rövidzár), ahol a borda milyensége szinte mintegy, mert még ki sem ér a meleg a hátlapra mire már tönkre megy a félvezető. Ezt a hatást kezeli viszonylag jól a TO3 tokozás, hiszen ő maga is egy jelentős felület. A másik lényeges melegedés az, mikor már a ténylegesen és folyamatosan termelődő hőt kell elvezetni. Ekkor kulcskérdés a borda mérete és milyensége, illetve a ventilátoros kiegészítés. - Ennyi vezeték iszonyatosan béna látvány, és több probléma okozója is lehet. A félvezetőket célszerű egyből a panelbe tenni, és ott megoldani a hűtést. - Semmit nem tudunk a félvezetőkről sem, de a látottak alapján lehetésges, hogy a legolcsóbb változatot vásároltad meg. Ezek sokszor nagyon silány gyártámányok, egészen rossz valós paraméterekkel. - A képen óriási ellenállásokat használsz. Azon a panelon, amit én készítettem, azért van 3 db 0R68/2W, mert ezzel próbáltam létrehozni egy 0R22/5W-hoz közeli értéket. Indokolatlan 3 db 0R68/5W. Ha ilyen nagy csúnya ellenállásokat használsz, akkor elég 1 db 0R22R/5W. A tranyókhoz szintén fölösleges ekkora teljesítményű ellenállás. Bőven elég az ajánlott 2W-os típus. - Az eredeti tervet használva (vagy egyéb kipróbált tervet), sok problémát elkerülhetnél.
A labortápnak nem kell stabil feszültség. Neki csak egyenfeszültség kell, amiből majd megcsinálja a saját referenciáit, és arra alapozva meg a beállítható kimeneti feszültséget.
Nem kell hozzá DC_DC konverter. Mihez kell a 30-34V stabil feszültség?
Igen-igen így van,de ahhoz hogy tudja a vezérlés a dolgát ahhoz adnom kell maxba 34v-tot!
Majd azt fogja darabolni,bontani. Ehhez kellene nekem!
Ez butaság.
A labortápok panelján sok esetben már eleve rajta van a diódahíd és a puffer, tehát csak egy trafó szekundert kell rákötni. A váltó feszültség értéke egyáltalán nem kritikus. Szélsőséges eltérés esetén vagy csökkenhet a maximálisan kinyerhető stabil feszültség, vagy ha fölfelé térsz el, akkor növekszik a termelt hő.
Úgy van ahogy mondod ha nem ilyen vezérlést használsz mint én.
Nézd csak egy ilyen vezérlésről van szó! Bövebben:Bővebben: Link Ehhez kell nekem stabilan 34V maxba!
Néha kimondottan váltofeszültség kell, mert az elektronika állitja elö néha a negativ referencia feszültséget. Lásd a HE egyik cikkét is.
Akkor vegyél egy kínai, 230V~ / 36V= AC/DC konvertert. Ezek kb. 400W-ig rendelhetőek ebay-en. Pl. egy ilyet.
Ennek a kimenő feszültségét a beépített trimmer potival pontosan be tudod állítani 34V-ra, és a max. 5A terhelhetőség éppen elég lesz a step-down konverteredhez. Így nem kell trafóval meg elkókkal bajlódnod.
Ki van már építve minden, már csak egy DC DC converter kell.
Tessék: Bővebben: Link
Bocs, most látom, hogy ez step-up. Esetleg ez. A hozzászólás módosítva: Júl 1, 2015
Ezt rendeltem meg hozzá, de vajon jó lesz-e?
De most komolyan.
Rendeltél egy majdnem komplett labortápot, valami nem stimmelt, és kapkodsz össze vissza. Ehhez csak egy 100 W körüli teljesítmény leadására képes, 6 - 30 V közötti DC kapocsfeszültségű trafó, greatz, pufferkondi kombináció szükséges. Ez induláskor meg is volt. A problémád, hogy terheléskor nagyon leesik a feszültség. Ennek a "vezérlőd" (ami egy teljes kapcsolóüzemű labortáp) kimenetén semminek nem lenne szabad látszani. A méréseidből látszik, hogy a Greatz híddal valami nincs rendben, túl sok feszültség esik rajta. Kaptál javaslatot, hogy cseréld ki, nem nagy összeg. Lehet, hogy a trafó sem tudja leadni a 100 W -ot, azt pedig áttekercseléssel nem tudod megoldani, nagyobb vassal rendelkező, nagyobb átmérőjű szekunder tekerccsel kell rendelkeznie. Maga a "vezérlőd" mivel kapcsoló üzemű, széles bemeneti feszültség tartományban működő képes, teljesen felesleges mégegy szintén kapcsoló üzemű konvertert eléje kötni, ha a trafó greatz pufferkondi összeállítás nem képes 100 W -nál nagyobb teljesítmény szolgáltatására, az összeállításod nem fog működni. (a felkiáltó jelekkel spórolhatnál, meglehetősen idegesítő így olvasni)
Ezt a tranzisztort vettem, illetve ezt és ezt. Az áteresztőket szigetelés nélkül, pasztával erősítettem a bordára.
Idézet: Gondolom elírtad és 0,68Ohm-ot akartál írni.„Ha ilyen nagy csúnya ellenállásokat használsz, akkor elég 1 db 0R22R/5W.” Megfogadom javaslataitokat és készítek egy új panelt eredeti terv alapján, kevesebb vezeték felhasználásával, ha készen leszek vele, teszek fel róla ide egy képet róla. Üdv
- Sajnos a tranzisztorok valós belső tulajdonságaira nehéz következtetni, hallani szélsőséges dolgokat a témában. A BD249C egyáltalán nem rossz választás, ha a gyártója megbízható.
- Nincs elírás. A 0,68R/2W-ból 3 db van párhuzamosan. Ezek eredője 0,227R/6W. Ezek igyekeznek kiváltani az eredetileg használt 0,22R/5W-ot. Azért gondoltam erre a kiváltásra, mert a 2W-os fémréteg ellenállásnak kisebb az induktivitása mint az 5W-os huzalénak (az más kérdés, hogy ennek itt aligha van jelentősége), illetve jó nagy a felülete ami jól jön ha hűlnie kell.
Szia!
Az a helyzet, hogy amit rendelt, az egy step-down típusú tápegység. Ha szertné 30V-ig kihasználni a kimeneti oldalt, akkor kell neki a 32-34V a bemeneten. Ezért ragaszkodik a 34V-os stabil bemenő fesz.-hez, meg azért, mert 35-nél többet meg nem visel el a szerkezet.
Mivel 30v alá esett a feszültség így a vezérlő is észleli ha jobban utána gondolsz.
Ha elolvasod amit régebben írtam akkor láthattad,hogy kicseréltem a greatz hidat,ugyan az volt a jelenség.Kipróbáltam más kondival és más toroiddal is,akkor is ugyan az van.De ahogy a többiek leírásából le vettem ennek így is kell működnie! Ezért tekercseltem fel 30V váltóra mert ha terhelem is akkor se esik össze 30V alá. Elolvastad mit írtam régebben? mert ha igen akkor láthatnád hogy simán ki bírja! 3,5A-nál kicsivel több esik a trafon 1V-nál. De vettünk ki már belőle 10A is,annál is csak 5 volt esett le. A vezérlő csak 35V tud.Míg nekem egyenirányítva 40 van. Ezért kell nekem dc-dc konverter hogy azt az 5-6v-tot le tudjam szedni. Csak 90w rol beszélünk! Szóval a trafó,greazt,kondi csomag bőven ki bírja ezt a teljesítményt! Elnézést a felkiáltó jelekért!
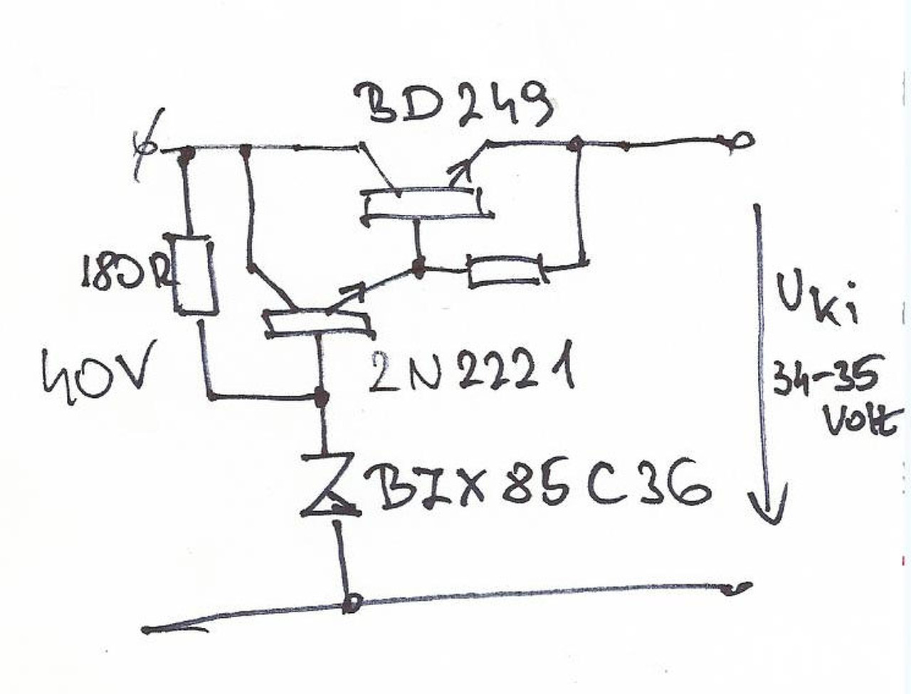
Itt van egy roppant egyszerű áramkör, ami jó lehet Neked. Arra ügyelj, hogy a 36V-os zéner gyárilag szórhat 1-2V-ot. Mielőtt rákapcsolod a tápodat, mérd meg a kimenő feszültséget kis terhelés mellett (1-2 Kohm). Ha 35V felett lenne akkor a zénerrel köss sorba, nyitóirányba 1 vagy 2 szilicium diódát, pl 1N4148.
A teljesítmény tranzisztort hűteni kell, de úgy vélem 5-10W-nál nem fog többet fűteni, mert az áram növekedésével csökkenni fog rajta a feszültség. A hozzászólás módosítva: Júl 1, 2015
Sajnálom, véletlenül nem jól írtam. Ha sok a feszültség, akkor egy 33V-os Zener kell és azzal sorba kötve a szükséges néhány dióda.
Vagy maradhat a 36V-os és akkor a 2N2221 bázisa elé kellenek a diódák. A hozzászólás módosítva: Júl 1, 2015
Nagyon szépen köszönöm a segítséget!
Mindenképp kipróbálom és szolok a fejleményekről.
Javaslom, hogy az áramkorlát LED-jét, mérd ki. Nekem volt olyan LED-em, ami mindkét irányba világított! Suliba jó dolog, mert a balga diák nem tudja fordítva beforrasztani!
Hátha ez megoldja a legelső problémádat. A hozzászólás módosítva: Júl 1, 2015
Ennek a bemenetére nem 6 és 35V közötti tetszőleges feszültség kell?
Sajnos nem, én is abban a hitben voltam. De a kisbetűs részben benne van, hogy 1 V -al nagyobbnak kell lenni a bemeneti feszültségnek, mint a kimeneti feszültség. Erről a nagybetűs rész mélyen hallgat.
Helló!
Érdekelne, hogy a csatolmányban lévő NYÁK tervnek publikus-e a .LAY változata? (Nem módosítani szeretném, hanem csak a nyomtatásnál kellene egy olyan lehetőség, hogy több ,,ábra,, legyen egymás alatt, hogy legyen tartalék. A műnyomót meg erre fele nagyon nehéz beszerezni, ezért spórolni szeretnék vele.) Köszi!
Nem nyilvános a munkafájl.
Ha több kerülne egy A4-re, akkor a felirati oldal képe nem fér el. Ha ez nem probléma, akkor tudom többszörözni neked. A huzalozott kivitelhez való változatot készülsz megépíteni, ami hordoz magában néhány hibázási lehetőséget. Elsősorban a panelba ültetett félvezetőkkel való megvalósítást ajánlom, amiből TO3 tokos, és lapos tranyós változat is van. |
Bejelentkezés
Hirdetés |





Hátha ez megoldja a legelső problémádat.





