Fórum témák
» Több friss téma |
A Rádiotechnika újság nem szabad mű, így utánközlése a kiadó írásos beleegyezése nélkül tilos. A topik, egy elfeledett cikk idejének-helyének megkeresésére fenntartott, nem szkennelt változatok utánközlésésre.
Köszönjük!
Kösz, lejött.
Viszont ami kellett volna az a EC44 feszültségei. Talán a Kádár könyvben...
Nincs mit.
![]() Megnéztem, a sárga-narancssárga, 1960-63-as Kádár könyvben van benne ez a rádió, de ott sincsenek feszültségek. Még annyi infó sincs, mint az RT-ben. Csak némi műszaki adat, és kapcsrajz.
Köszönöm, megszereztem a könyvet.
Van pár teljesen hasonló rádió, amin vannak fesz. értékek feltüntetve. Mindjárt az elején baj van, a hálózati 2*230V-ból a kondin lesz 190/140V. EZ80 csere. Sajnos a panelban a zaj akkora, hogy (ferrit antennával) csak a 100Km-re levő Temesvár jött. De van ott más baj is még. Püski A.
Sziasztok,
Keresem azt a segítőkész fórumtársat aki beszkennelné nekem az egyik évkönyből a Videoton-Orion távszabályzó adó-vevőkkel foglalkozó cikket. Ha jól emlékszem, valamikor 1992-1994 között volt egy egész részletes cikk. Sajnos már nincsenek meg azok az évkönyvek.
Évkönyvbe volt biztosan? Este megpróbálom átbogarászni és átküldöm.
Évkönyv volt, szinte biztos.Volt vagy 5-6 oldal. Előre is kössz.
Akkor most melyikben is van ?
Kössz a fáradozást, emlékezetből mondtam a körülbeli évszámot, ezek szerint korábbiban van. Bocsánat.
Nincs az 1990 , és a 91 es ben sem .Esetleg valami közelebbi infó , mert így elég nehéz lesz megtalálni.Végig néztem 2000 ig nincs ilyen cikk.
A hozzászólás módosítva: Okt 2, 2015
Akkor passz. Azt tudom, hogy volt de azt már nem, hogy melyikben. Kössz, ne pazarolj rám több időt, majd valahol utánanézek.
Évkönyvbe nem találom. Egy cikk van IR modellirányításról.
De ha elmondod miért is kellene az a cikk lehet , hogy hamarabb lenne rá megoldás.
Szeretnék csinálni egy sokcsatornás távirányitót, de nem infrával hanem 433.92MHz-est. Az adót (http://static.licit.hu/img/2/7/f/248696/1282903148_2.jpg) már átalakítottam, a vevő lelkivilágában szeretnék jobban elmerülni.
A "Cél-mikrovezérlők az elektronikus készülékekben " cikksorozatot keresi. Orion-Videoton tévék opciózása és egyéb nyalánkságok.
A hozzászólás módosítva: Okt 2, 2015
Akkor egy megoldás van erre , hogy beszerzed a nevezett tévé kapcsolási rajzát abban benne lesz a vevő rész is , és onnan le tudod koppintani az egész vezérlését is.
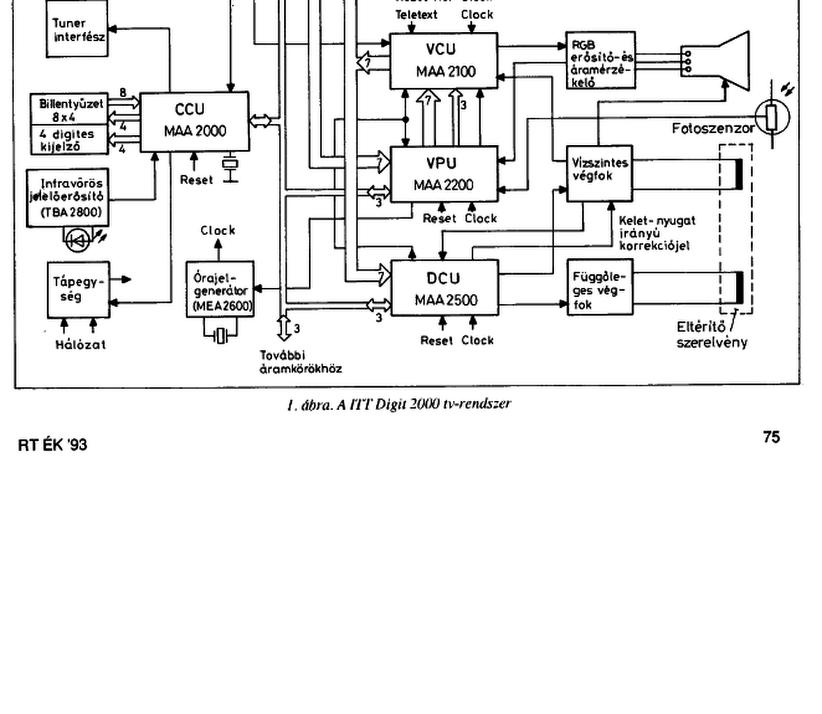
Évkönyv 93/75 oldal
A hozzászólás módosítva: Okt 2, 2015
Igen ám , de az egy TBA 2800 as infra vevős dolog .Neki szerintem nem az kell .És az ITT Digit 2000 tévében lakozik.
A hozzászólás módosítva: Okt 2, 2015
Az infravevő rész nem érdekes csak ami utána van. A dekodoló áramkörök.
SAA-ról van szó benne, de nem a 1251-esről. Ha holnap hozol egy pendrive-ot átmásolom. Vagy kinyomtatom.
Köszönöm mindenkinek a segítséget, Kadaristnak külön, hogy kitalálta a cikk címét. Holnap megyek, pendrive lesz nálam.
Most nézem, hogy a cikk folytatása az 1994-esben van a 87. oldalon.
Például ez lenne ?
És valóban kell a pen egy évkönyv olyan 42 Mb . A hozzászólás módosítva: Dec 22, 2015
Annak idején ez a cikksorozat segített néhány korai színes tévét korrekt módon beállítani, így bennem maradtak a cikkek címei is.
A hozzászólás módosítva: Okt 2, 2015
Szívesen , de Kadaristnak jár a pont a pontos cikk megnevezés miatt.
Viszont maga a cikk tényleg elég terjedelmes jól elmagyarázva .Úgy hogy nem árt , ha tényleg ped re teszed , mert ide nehézkes lenne feltenni. A hozzászólás módosítva: Okt 2, 2015
A *mancsot* nyomtam mindenkinek.
![]() 16 Gigás pendrive csak elég lesz.
Regisztrálsz, majd letöltöd a kívánt fájlt.
|
Bejelentkezés
Hirdetés |













