Fórum témák
» Több friss téma |
Nekem van két, egymáshoz nagyon hasonlító tirac-os elektronikám, amelyek feltehetően már modernebb, de kidobott porszívókból lettek kibányászva.
Lehet, hogy az elektronika segítségével és a porszívó motorjának fordulatszám-szabályozásával lehetett annak szívóerejét valamennyire szabályozni? Én egyenlőre próbaképpen csak egy villanykörtét tettem rá, ám azon sajnos nem látszódik túlzottan a szabályozás, avagy oly kicsi az elektronika szabályozás-tartományi átfogása, hogy szabad szemmel szinte nem látható. Minden esetre az biztos, hogy nem 0-tól 100 %-ig szabályoz. Lehetséges, hogy pl. csak 20-tól 80-ig. Hogyan lehetne erről egyszerűen meggyőződni, és hogyan lehetne módosítani (tényleg 0 - 100-igra)? Reákötni valamilyen villanymotort?
A potméterrel sorba vagy/és párhuzamosan kötött ellenállások megváltoztatásával lehet növelni az átfogást, de ebben az esetben a potméter értékét is változtatni kellene. Egy rajz jól jönne.
Sziasztok! Kapcsolási rajzott keresnék egy 230V-os (handy) panelfúró fordulatszabályzójának helyettesítésére . Sajnos a beépített tolópotméter szétégett , cseréje nem lehetséges (egyedi kialakítású). Jelenleg max fordulatra kötöttem át , de nem igazán jó így , ráadásként ki sem lehet kapcsolni . Igy gondoltam ha megoldható egy külső fordulatszabályzót készítenék hozzá a lengődugó elé . Segítséget ellőre is köszönöm.
Sziasztok, remélem itt tud valaki segíteni nekem.
Van egy ventilátorom, és hozzá egy fokozatmentes tirisztoros szabályozóm. A probléma röviden a következő: Minél jobban csökkentem a szabályozóval a fordulatszámot, annál jobban búg a ventilátor. A gyártó szerint jó hozzá a szabályozó. Gondolkoztam egy 5 lépéses transzformátoros szabályozó vételén, csak nem tudom, hogy megoldaná-e a búgást. Mi lehet a probléma? Esetleg létezik (olcsóbb) alternatíva, ha csak alacsony fokozaton működtetném a ventilátort? Köszönöm.
50 Hz-en kisebb feszültségen mindig búgni fog a mágneses mező felosztása miatt. Erre találták ki a frekvencia váltót. Nem a feszültséget kell csökkenteni, hanem a frekit és akkor nem fog búgni.
Egyik tevékenységem mostanában a kéményhuzat szabályzó elektronikák javítása.
Ebben is sima triac-os fázishasításos szabályzóval működtetik a kistejesítményű egyfázisú motort. Az tény, hogy minél alacsonyabb fordulaton járatod így a motort, annál nagyobb lesz a zümmögése - az egyenetlen táplálás miatt. Ha ezt meg szeretnéd szüntetni, akkor csak a trafós megoldás jöhet szóba (vagy a megfizethetetlen frekveciaváltó). Mivel nem kell galvanikus leválasztás, legegyszerűbb egy takarék-(más néven auto)transzformátor. Egyetlen tekercs kell a vasra 230V-ra és ugyanezen tekercsről készülnek a leágazások (ilyet is láttam már konyhai elszívónál). Legjobb lenne, ha van kéznél egy beállítható trafó, amiről járatva a ventit meg tudnád határozni a fordulatszámokhoz tartozó feszültségeket, amire a trafó készülhet. (Persze mindezt üzemi körülmények közt kell eljátszani, mert igazából ezek a motorok nem szabályzásra teremtődtek, bár adott - nem nagyon változó - terhelésnél nem áll meg az alcsonyabb feszültségek esetén sem.)
Sziasztok! A képen látható ventilátorjaim vannak, szeretném megoldani a fordulatszám szabályzásukat, milyen kapcsolást ajánlotok? Többet is találtam itt az oldalon, csatolom őket.
+ Cikk is található amin az adott kapcsolás, fordulatszám szabályzóként is használható CIKK A hozzászólás módosítva: Szept 4, 2015
Ezek a ventilátorok aszinkron motorok, ezért a fordulatszám változtatásuk ilyen dimmerrel nem mindig sikeres.
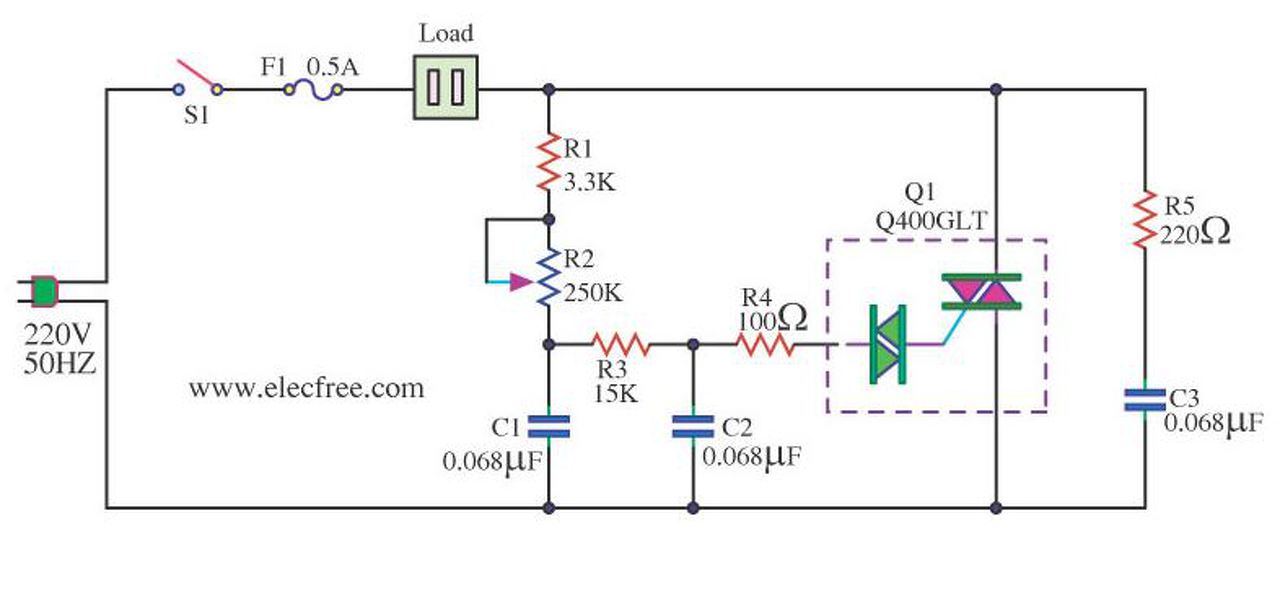
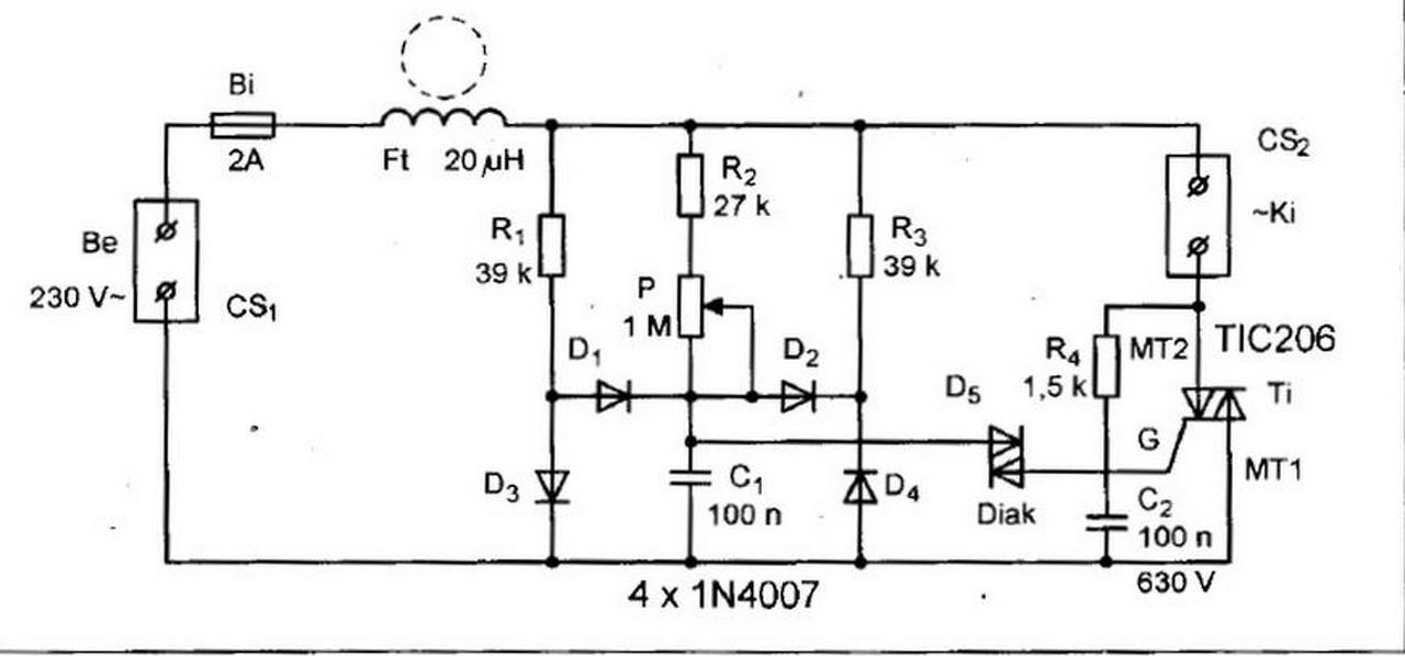
A kapcsolások közül az U208B-s a legkorrektebb szerintem. Leggyengébbek a low_power_230v és a cikkben szereplő kapcsolás, a vezérelhetőség határán nagy a hiszterézisük. Felhívnám a figyelmedet, hogy az első rajzon speciális triak szerepel, aminek a gate-vel a tokban diakot kötöttek sorba. Az átlagos triakba nincs diak, azt még mellé kell tenni kívülről.
Sziasztok!
Szeretnék segítséget kérni, hogy ehhez a motrhoz lehet-e fordulatszabályozót használni, ha igen, akkor milyet? Mikrohullámú sütőnek a hűtőventije.
Frekvenciaváltó. De minek ezt szabályozni? Nem elég ki-be kapcsolni amikor szükség van rá?
Kollégám szeretné tojáskeltetőben használni, de fúj mint állat elmondása szerint, lefújja a tojásokról a héjat.
A hozzászólás módosítva: Okt 16, 2016
Hello! Tesz rá kisebb lapátot, vagy a légjáratot úgy alakítja ki, hogy leszűkíti, vagy sönt szakaszt alakít ki mellette.
Ja, kitört kettő lapátot belőle, de még így is kajak. Viszont így meg üt a venti, szerintem. Nekem kell elkészíteni, mert nem igazán ért a villamosság ezen részéhez. Megtudok építeni bármit, csak legyen nyákterv és beültetési rajz. Gondolom a söntszakasszal nem fokozatmentesen lehet szabályozni?
A hozzászólás módosítva: Okt 16, 2016
A mottó, hogy ki kell próbálni. Ha a szakaszba egy pillangószelepet teszel, akkor miért ne lehetne szabályozni?
De ha kitört lapátot, akkor szerintem el is lehet felejteni ezt a dolgot. Ha üt, szétszedi a csapágyat és zajos is lesz. Elektronikát nem érdemes egy ilyen motorhoz készíteni. Egyszerűt meg nem is lehet. Egy soros kondival lehet csökkenteni az erejét, de az a kutya vacsorája, mert ha lassú lesz, könnyem megállhat. Lévén, hogy a súrlódások fognak az erőkkel valahol egyensúlyt fenntartani. A kondinak X2-es nem kell lenni (vagy pld. fénycsőkondi stb.) De hogy mekkora lesz hozzá az ideáális, azt nem tudom megmondani.
Igaz, a pillangószelep jó megoldás. Közben utána néztem a frekiváltónak, macerás dolog és nincs egyszerű változat. Röhej, hogy 24 voltról üzemel az egész. Mondtam neki, hogy oldjuk meg pc táp ventijével. Az bonyolult, szerinte. Egyenáramhoz könnyebb építeni szabályzót. A tápventikhez melyik kell?
A hozzászólás módosítva: Okt 16, 2016
Miért lenne bonyolult? Azt még szabályozni is lehet egy bizonyos tartományon belül. Sőt, még 24V-os venti is van.
|
Bejelentkezés
Hirdetés |











