Fórum témák
» Több friss téma |
Szevasztok! Hogy lehetne szabályozni egy 220V-os ventillátort? ennyi a kérdésem
Milyen teljesítményűt?
Ha komoly cucchoz kell, frekvenciaátalakító kell neked. Írd le, kicsit bővebben mihez kell. Üdv. u.i. ITT egy egyfázisú többpólusos asszinkron motor fordulat számát szabályozzák, de talán lehet belőle okosodni.
szóval ez egy NMB ventillátor típus : 4715MS-23T-B5A, 230V 50/60Hz. 1PHASE 15/14 W
12cm, alumínum ház, elég hangos, és ezmiatt szeretném kicsit csillapítani ADATLAP : http://www.nmb-europe.com/pdfs/airmovers/4715MS.PDF#search="NMB%204715MS23TB5A"
Hát. Én nem vagyok profi. Erről meg nem mondom milyen motor van benn. Frekvenciaátalakítóval tutira menne, de az szerintem "ágyúval verébbe" eset.
Viszont 14W nem sok, TALÁN elképzelhető, hogy meg lehetne oldani így, de nem tudom garantálni, hogy nem teszi-e tönkre, ill. hogy működni fog-e egyátalán.
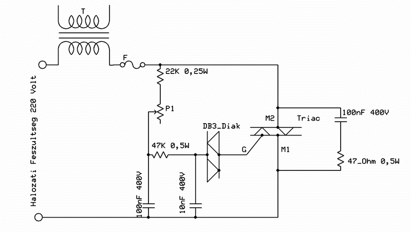
Igen, ez pontosan jó! Ezt építettem meg a szobai ventinek, hogy nyáron tudjak aludni. Olyan halk volt, hogy lehetett a hőségben is aludni. Ha tutira akarsz menni, tegyél hűtőbordát a triacra!
Én 1 hangfrekis végfok IC-vel meghajtanék 1 230/9V-os trafót (szekunderről) és 1 Wien-hidas oszcival vezérelném. Anno a Magyar Rádióban a stúdiómagnók capstan motorját csöves erősítőről hajtották (100V) mert a hálózati freki annyira mászott, hogy észrevehető nyávogást okozott.
Szerintem a neked egy fázishasításos teljesítmény szabályzó kell.
Fázishasításos teljesítményszabályzó. Roppant egyszerű és ezért könyű megépíteni. A triaccal paralelkötött RC tag, a triac gyújtása és az RF zavarok kialtása miatt kell. Ha nem kell a teljesítmény nullára leszabályozni, a potival párhuzamosan kell kötni egy trimmetr és ezzelfogod a minimum feszültség értékét beállítani.
Én az erősítőmbe egy ugyan ilyen ventillátort tettem, s két fokozatot építek neki.Első fokozat a halk a hideg hütőbordás,s egy soros 250V AC-s !!! kondenzátor tettem az egyik ágába.Leszalattam megnézni a típusát:
Remix 250V 50HZ 470n ,fekete,sárga tetejü. Bár majdnem lassu, csak ugy lassan legyez.A második fokozat meg a csuma ,mikor már meleg a borda, egy relével átkötöm a kondit, rövidre zárom. ![]() Amugy próbáltam soros diódával, de nem indult el.
Sziasztok!
Nekem is van egy 230V-os ventillátorom, kondival indul, és szeretném a fordulatát csökkenteni. Azt már megtudtam a fórumon olvasgatva, hogy ezeket frekvenciaszabályzással lehet korrekten szabályozni. Nos, nekem elég lenne ha mondjuk felére, vagy negyedére csökkenne a fordulatszám, ha így egyszerübb megoldani. Ezért arra gondoltam, hogy lehetne-e olyat csinálni, hogy csak minden második szinusz jelet kapja meg, és ezáltal változtatni, és ha igen hogyan? Köszi.
Köszönöm segítő szándékú hozzászólásodat.
Egyébként nem viccből kérdeztem, miért, olyan nagy baromság? Ha igen megmondhatnád miért... Valaki tudna segíteni is?
Helló
Ilyen kapcsolással találkoztam szellőztető- ventilátorokhoz. Megépítettem többféle készülékhez, működik. A motornak üzemikondenzátorosnak kell lennie!
Szia!
Elvileg S gyakorlatiag is megvalósítható az általad elgondolt szabályzás. (Bár szerintem, inkább OHM-os fogyasztókhoz lenne jó...) Csak egy nullátmenetkapcsolású szilárdtestrelé és egy vezérlőáramkör kell, ami a póluspárokat számolgatja és vezérli az SSR-t. - Azza vigyázni kell, h. az induktív fogyasztó (Kivéve az UNI. sorosmotort) nem kaphat egyenáramú összetevőt! PLD: trartós vagy részleges pozitív vagy negytív hullámokat... mert az leégetheti a tekercseket. - Szerintem egy "PICI" PIC (PIC12F508, PIC12F509) jó lenne erre a célra. Mert az a kevés láb elég lehet a feladatnak... Kettő tápfesz. Egy hálózati szinkron bemenet. Egy (esetleg kettő) kimenet az SSR-(ek)-nek. S három nyomógomb bemenet, PL: FEL - LE, STOP funkciók, vagy egyéb vezérlési megoldás. (S néhány kapsolási rajzon a PIC "közvetlen" vezéli a triakot. Igy az mégjobban egyszerűsödik. Itt csak a megfelelő gyújtásszögről kell gondoskodni a program időzítéseiben.) Remélem tudtam egy kis ötletet adni. Hagyományos logikai kapukkal - áramkörökkel is megoldható lenne a feladat. De az nem lenne enyire egyszerű és elegáns. :no: A gyújtásszőgvezérelt teljesítmény-(feszültség)-szabályzóval azért sokkal egyszerűbb. Legfeljebb nem potival hanem választókapcsolóval és trimmerrel állítod be a kimenő teljesítményt.
A motorról egy kicsit több infót, ha lehetne!
Ez egy beépíthető ventillátor 220V-os.
A motorból 3 vezeték jön ki, és oda kell egy kondit rakni, hogy működjön. Pontos infókat nem tudok adni, mert jelenleg nincs nálam, de hétvégén megnézhetem. Az a kapcsolás amit írt (#144533) frank tibor , azt megépítettem már régebben, de a triac állandóan meghal benne. PIC nem jó, mert nem értek hozzá, és nincs is égetőm, meg ennyire nem akarom bonyolítani. (mármint számomra bonyolult lenne) Közben találtam egy könyvet, amiben van valami a témáról, csak beszerezhetetlen IC-k vannak benne. Mellékelek egy képet a könyvből, valami ilyesmire gondoltam.
Szevasztok
Egy 220V AC-ról működő ventilátor fordulatszámszabályzását kéne megoldanom. A motorja 35 W teljesítményű. Csatoltam egy rajzot hogy hogyan néz ki a motor felépítése. A forgórészről viszont nem tudok semmit, mert az egy olyan tömör fémhenger, látszik rajta hogy öntéssel készült. Valami triakos megoldásra gondoltam, PIC-vel kíméljetek mert ahoz szellentésem sincs. HELP
A rövidre záró réz gyűrűkről megfelejtkeztél. De látjuk, miről van szó. Én úgy oldanám meg, hogy valami(ke)t sorbakötnék vele. Pl izzó, ellenállás, kondi. Hogy mekkorát? Mérd meg az áramfelvételét, és ahhoz méretezd. Aztán próba.
Egyébként a forgórész nem öntött, hanem lemezelt, és "kalitka" van benne aluból. Csak jól beöntötték műgyantával, vagy lakkal.
Hali
Én a PWM szabályozással oldanám meg (nem a legegyszerűbb, de a leggazdaságosabb) pwm Kicsit át kell alakítanod mert ez így egy 12Vos egyenáramú motornak jó. A Fet helyére beteszel egy optotriacot, ami egy triacot kapcsolgat megfelelő ütembe, így akár 1-2kW-os motort is szabályozhatsz. Üdv
Hali, igen van benne réz gyűrű is, bocsi kifelejtettem
. Én potival szeretném megoldani a szabályzást, csatoltam rajzot talán jólehet hozzá, ezzel a transzformátor lehet szabályozni, én ennek a helyére gondolom a venti motorját, mert végülis azon is egy trafó van.
Helló, jólenne ez a PWM amit küldtél, csak sajna a 220V van jelen, azért meg külön trafót nemfogok beletenni, hogy működjön ez az áramkör, mert sajna nemsok hely van a tartójába ahol elhelyezhetném.
Sziasztok!
Vizsgadolgozatra készülök és nem kapok semmi infot a váltóáramú (220v-0v) Fordulatszám szabályzoról És nekem mindegy volna hogy motorhoz vagy vilagításhoz vagy ventilátorhoz kapcsolodna az az adott info csak tudnék már valamit írni rolla! Aki tudna valami infot adni annak nagyon szépen megköszönném!
Sziasztok
Lényegében nekem is egy ventillátor-fordulat-szabályzóra volna szükségem, de nem "keretes" ventihez hanem egy asztali ventillátorhoz. Sajna tönkrement - madeinjapan - a kapcsolója, amivel ugye lehetett szabályozni, de az már rég nem jó, csak a legnagyobb ford.-on működik ami néha felesleges, elég lenne ha csak lassabban forogna, de nem lehet állítani rajta sajnos... Ezért gondoltam azt hogy építenék hozzá egy potméteres ford. szabályzót, de nem tudok kapcsolást. Keresni sem nagyon tudok mert nem tudom milyen kéne hozzá... PWM, fázishasításos, ...555...-ös vagy milyen lenne jó hozzá? Előre is köszönöm
Kefés motor?
Nem, ha jól tudom mágnesesnek mondják...
Tulajdonképp minden motor "mágneses", én csak azt szeretném tudni, hogy a forgórész keféken keresztül kap-e áramot, vagy aszinkron a motor, és nincs tekercselve a forgórész, hanem kalickás, rövidrezárt tipusú. Az utóbbi esetben, nagyon nehézkes a szabályzás, mig az előbbi kefés kivitelnél, bármelyik fúrógép fordulatszámszabályzó használható.Ez tirisztoros fázishasitású áramkör, majdnem megegyezik a fényerőszabályzókkal.
Idézet: „Egy kép többet mond ezer szónál ”Az alján a matricán az áll 35W... gondoltam elmondom
Igen a legjobb, ha többfokozatú kapcsolót teszel be.
Hát nem tudom hogy áll ez a venti már...
Igen ezt tudom, kisilabizáltam a kapcsolót, mikor még "javítható" volt, de már annyira szét van "javítva" hogy már inkább váltanék potira...
Sajna még szükségesebbé vált egy potméteres kapcsolás mivel nemrég ment tönkre a kapcsoló.
Egyszer csak leállt, fogalmam sincs hogy miért/mitől... Átnéztem a dolgokat, megnéztem mindegyik vezetéket, nem szakadt egyik sem, de csak az egyik működik... Ezért tényleg örülnék egy kapcsrajznak mivel már ki/be kapcsolni sem tudom, csak elosztóval. |
Bejelentkezés
Hirdetés |

















