Fórum témák

» Több friss téma
Fórum » Videoton EA 6383 s (tuning)
 
Témaindító: gbr, idő: Nov 2, 2007
Témakörök:
Lapozás: OK   17 / 24
(#) nimrod96 hozzászólása Jan 17, 2015 /
 
Készlett a vidim.
Lényeges kondik kicserélve 50 voltosra.
Szabályzón az elkók, kondik cserélve nagyobbra, sc 58 és sc 64 eltávólítva.
Tapasztalataim a hangzásban: sokkal szebb magas hangok, "tüdőt rezgető" szép mélyhangok,
És maga a hangerő is változott.
Nos szerintem megérte majdnem 2000 forintott ráköltenem.
(#) P_Laszlo válasza nimrod96 hozzászólására (») Feb 3, 2015 /
 
Tény, hogy sokkal rosszabbra is költhetted volna. Ennek legalább volt értelme.
(#) nimrod96 hozzászólása Feb 3, 2015 /
 
Köszi!
Viszont löttem egy bakit.
Cseréltem ugyanolyanra VT33-36 os elemet bizván abba hogy mélyhangoknál elhagyja a pufogást.
+ a VT06-08-14-16-os elmek helyére tettem nagyobbakat, betettem a helyére az egész végfokot majd a szabályzó hátlapján füstölni kezdett egy ellenállás azonnal kikapcsoltam, vissza cseréltem a VT06-08-14-16-os elmeket arra ami voltak ismét összeraktam és bekapcsoltam zugott/bugot majd elfüstölt vr 39 vr40. A másik oldala teljesen jó.
Mitörténhetett, mit rontottam el? Én arra gyanakszom hogy "meztelen" ujjaim hegye valami összezárást csinálhatott? Szerintetek? Kicsit kétségbe estem
Mit kéne cserélnem mire hogy ismét működjön?
(#) nimrod96 hozzászólása Feb 3, 2015 /
 
Ja meg egykis érdekesség: eddig a némitás funkció alat bugás hallatszodott, most hogy nincsen benne a bal végfok így ez elmult a némitás használata alatt.
Érdekes, ehez lenne hozzáfüzni valótok?
(#) P_Laszlo válasza nimrod96 hozzászólására (») Feb 4, 2015 /
 
Ha az r39-40 füstöl elég valószínű a végtranyók zárlata. Biztos nem az ujjaddal csináltad. Sajnos.
Minek a jót megjavítani?

Ilyenkor én általában az összes TO-92 méretű félvezetőt + a 4148 méretű diódákat kapásból dobom el és cserélem, a 139-140-eket és a végtranyókat megnézem használhatók-e még, többnyire ez a leggyorsabb és költséghatékonyabb módszere a javításnak.

Biztosan mindent jó helyre forrasztottál? Ha igen, vedd le a végtranzisztorokat, nézd meg zártlatvizsgálat/diódateszter módban, hogy mit mutatnak. Ha jók, akkor azok nélkül kellene ellenőrizni a végfok működését.
(#) nimrod96 hozzászólása Feb 4, 2015 /
 
Értem köszi.
Elvégzem a mèréseket és alkatrészek cseréjét aztán jelentkezem.
Kösziszépen a segítséget.
Minden forrasztást átnéztem, és jókvoltak.
(#) nimrod96 hozzászólása Feb 4, 2015 /
 
VD 10/11 megszakadt/elszált.
Vétranyok kuka.
Bszereztem újakat összeraktam és ismét jó
Ja és ez a előserősítő modul át maszkirozás megvalósítható RA 6363s-as nál?
Itt a link: http://www.hifimagazin.hu/HFMCD/HFM/CIKKEK/HFM1716.HTM
A hozzászólás módosítva: Feb 4, 2015
(#) P_Laszlo válasza nimrod96 hozzászólására (») Feb 4, 2015 /
 
Megvalósítható, de hallgatsz te lemezjátszót?
(#) nimrod96 válasza P_Laszlo hozzászólására (») Feb 4, 2015 /
 
Nem, miért?
(#) P_Laszlo válasza nimrod96 hozzászólására (») Feb 4, 2015 /
 
Azért, mert akkor nincs szükséged az előerősítőnek hívott RIAA korrektorra.
(#) nimrod96 válasza P_Laszlo hozzászólására (») Feb 4, 2015 /
 
Nem értem!
Kérlek, kifejtenéd bővebben?
(#) doktor válasza nimrod96 hozzászólására (») Feb 5, 2015 /
 
Műsorforrásként hallgatsz lemezjátszót?
Nemleges válasz esetén a linkelt átalakitást, nem érdemes elvégezned.
Helyette inkább kiszokták, venni a fono elektronikát, és mégegy, nagyszintű- vonal bemenetet alakitanak ki, ha szükséged van rá.
A hozzászólás módosítva: Feb 5, 2015
(#) nimrod96 hozzászólása Feb 16, 2015 /
 
Helló, Fono bemenetet alakítgattam.
Kikaptam az előerősítő modult, összekötöttem a 2-7, 10-14-es lábakat, de a bemenet totál néma, és a rádió is elnémult.
Keresgéltem hogy ezek a jelenségek normálisak e de sehol nem találtam semmit.
Szerintem valami nem okés...
(#) gyuszo válasza nimrod96 hozzászólására (») Feb 16, 2015 /
 
Igen, mert a rádiórész erősítését is ez látja el. Kettős feladata van.
(#) nimrod96 válasza gyuszo hozzászólására (») Feb 16, 2015 /
 
Értem, köszi!
És a fono bemenet némulása?
(#) P_Laszlo válasza nimrod96 hozzászólására (») Feb 16, 2015 /
 
Az előerősitőnek semmi köze a rádióhoz. Nem attól hallgat.

Nem számoltad el véletlenül a lábakat? Mert ha a 10-14 helyett a 9-13-at kötöd össze, letesteled a 30V-os tápfeszt. Az meg hasonló hibajelenséggel járhat. Bár akkor meg minden elnémulna, és a rádió tápszefültségét ez sem érintené. Tehát működne a rádió, hangolható maradna, csak nem szólna.
A hozzászólás módosítva: Feb 16, 2015
(#) nimrod96 válasza P_Laszlo hozzászólására (») Feb 16, 2015 /
 
Nincsen elszámolva semmi le ellenőriztem!
(#) gyuszo válasza nimrod96 hozzászólására (») Feb 16, 2015 /
 
Az előerősítő modul kettős feladatot lát el : egyrészt a mágneses hangszedőhöz biztosítja a szükséges feszültségerősítést, másrészt felerősíti az AM és FM demodulátorok hangfrekvenciás jelét a kívánt mértékben.
(#) P_Laszlo válasza gyuszo hozzászólására (») Feb 16, 2015 /
 
Az RA6363-ban ilyen nem történik. Nem is lenne erre képes az előerősitő, hiszen az RIAA korrektor speciális 40dB körüli erősitése mélytartományban használhatatlan bármiféle rádióhoz. Illetve a bemeneteire közvetlenül csatlakozik a Phono 5 pólusú din aljzata. Semmi más nincs bekötve.

Az AM modul a hetes lábon közvetlenül hangfrekvenciás jelet produkál, az FM modul szintén hetes lábáról az összetett MPX jel a sztereó dekóderre kerül, onnan pedig a bal és jobb csatorna jele a hangerőszabályzó felé veszi az útját. HT 121 125 23 és 32 tranzisztorok közreműködésével. A lemezjátszó előerősitő nem kerül be a képbe.
(#) gyuszo válasza P_Laszlo hozzászólására (») Feb 16, 2015 /
 
Lehetséges, de a RA 6350 és RA 6380-ban is betölti ezt a szerepet.
Abból indultam ki.
A hozzászólás módosítva: Feb 16, 2015

Kép 188.jpg
    
(#) P_Laszlo válasza gyuszo hozzászólására (») Feb 16, 2015 /
 
Kleó? Mivel a kisjelű modulok kapcsolása ott is szinte ugyanaz, nem történik ilyen, nem is lenne szükség rá.
Update, aha a változatosság kedvéért valóban bedobja a rádiós hangfrekis jeleket az előerősítő bemenetére, és a visszacsatoló hálózatot átkapcsolgatja. Hát remek ötlet. De ezt később, az újabb készülékeknél megszüntették (szerencsére).
A hozzászólás módosítva: Feb 16, 2015
(#) nimrod96 hozzászólása Feb 16, 2015 /
 
Rájöttem a hibára..
Ha nem haragszotok meg inkább nem mondom el mert totál ciki a dolog...
Fono bemenet mostmár használható gépről" és a rádió része is jó lett! köszi mindent.

Még annyi lenne hogy egy másik erősítőből küldöm a vidibe a jelet, így egész jó hangerőt tudok kicsikarnibelőle de hogy is mondjam... a videoton hangtulajdonságok fele elveszik, nem szol igazán úgy mintha csak magában szólna más erősítő nélkül.

Olvastam valahol ezen az oldalon hogy valami bemenetitest közötti ellenálásokat (plusz még valahol) lecsökkenthető így magában hangosabb lesz.Egykis útbaigazítással eltudnátok látni? Mégis holvannak ezek az ellenálások, milyenre cserélhetők, megéri kicserélni?

Bocsi ha hülyén fogalmaztam meg a mondandómat.
A hozzászólás módosítva: Feb 16, 2015
(#) P_Laszlo válasza nimrod96 hozzászólására (») Feb 16, 2015 /
 
Szerintem a legtöbb RCA csatlakozós vonalszintű jellel kivezérelhető a végfok rendesen (én így tapasztaltam). A PC hangkártyák meg 1V körüli jeleket produkálnak, az talán már kicsit sok is.
Én most nem értem igazán, mire gondolsz.
(#) nimrod96 hozzászólása Feb 21, 2015 /
 
A phones-t hogylehet kiiktatni? Csak zavaró tényező.
A hozzászólás módosítva: Feb 21, 2015
(#) nimrod96 hozzászólása Feb 21, 2015 /
 
Helló 6363 s-el gondok lennének
izzot akartam cserélni, sikerült is viszont most nem jön áram a táptól.
Rádió része egyik percről a másikra totál semmit nemcsinál: ledek nem égnek, és még sustorgást sem hallani.
Help!
(#) gyuszo válasza nimrod96 hozzászólására (») Feb 22, 2015 /
 
A tápegységben cserélni kell a 7815 Stabilizátor IC-t.
A hozzászólás módosítva: Feb 22, 2015
(#) rozsdas111 válasza nimrod96 hozzászólására (») Márc 20, 2015 /
 
Idézet:

Egy plusz vonal-szintű bemenet kialakítása.

Ez a módosítás akkor javasolt, ha nem hallgatunk a készüléken hagyományos, analóg lemezjátszót, viszont jól jönne még egy nagyszintű bemenet. Ez utóbbi modifikáció a legegyszerűbb. Emeljük ki az előerősítő modult, majd a panel csatlakozó pontjai közül kössük össze a 2-7 és a 14-10 pontokat a készülék fenék paneljén. A panelt természetesen ne helyezzük vissza! Ezzel a plusz erősítő fokozatot a maga hangszín korrekciójával eltávolítottuk, a nagyszintű jelet pedig egyszerűen "bedrótoztuk" a helyére. A "PHONO" bemenetre immár nyugodtan köthetjük pl. a CD lejátszót. A könnyebb érthetőség érdekében a RIAA korrektor kapcsolása:

Bővebben: Link
Megjegyzés: Nálam a meghajtó fokozat erősítésének csökkentése nem jött be. Nagyon lecsökkent a max hangerő és a hangminőség javulása sem volt észrevehető. Én az eredeti hangzásvilágával tökéletesen elégedett vagyok, és imádom hogy ha felcsavarom a hangerőt akkor szinte érezni a mély-sugárzó által keltett hanglökést.
Lehet hogy elfogult vagyok, de az RA6363S nagyon szépen szól a DC2050 és DC2550 hangdobozokkal.
(#) Tibci hozzászólása Szept 7, 2015 /
 
Sziasztok!
Hozzá jutottam egy ilyen típusú erősítőhöz, viszont tápegység része kompletten hiányzott a dobozból.
A gyári trafóját sikerült megszereznem hozzá, viszont az mögött lévő panel még mindig hiányzik.
Az a gondolatom támadt kezdőként hogy megpróbálom legyártani én saját magam. Kérdésem az lenne hogy létezik-e erről valamilyen rajz esetleg kész nyákterv + beültetési rajz azt meg osztaná valaki itt a fórumon.
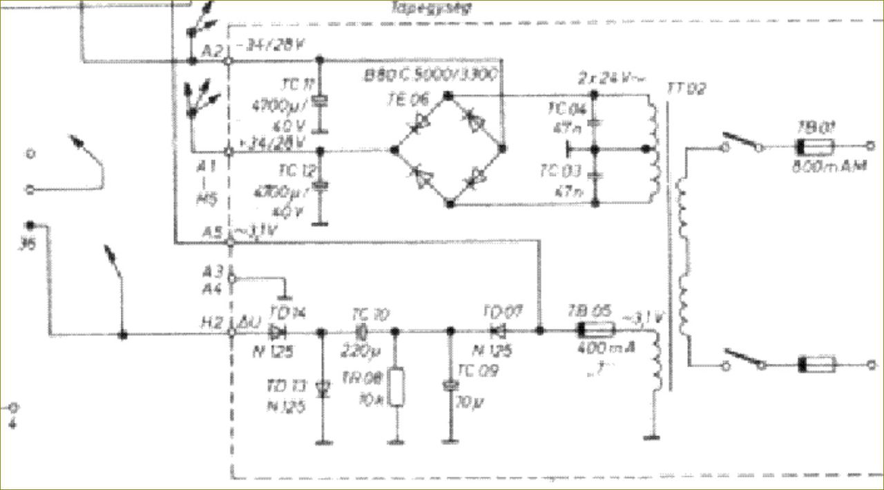
(#) didyman válasza Tibci hozzászólására (») Szept 7, 2015 / 1
 
A 3,1 V a műszeré, A H2 a némításé.

6383.JPG
    
(#) Tibci válasza didyman hozzászólására (») Szept 9, 2015 /
 
Nagyon szépen köszönöm a segítséget didyman! Táp ellátás félig meddig össze jött +34,2 V
-34,7 V erősítőre menő áram ~2,8 V a kivezérlésre menő áram, viszont a némításért felelő kivezetésnél nem mutat semmit a műszer. De ennek ellenére életre keltettem az erősítőt, bal oldala totál néma a jobb oldala pedig torzít és búg. Próbáltam felcserélni a végfokot de ugyan ez a jelenség csak fordítva. Mi lehet a baj?
Következő: »»   17 / 24
Bejelentkezés

Belépés

Hirdetés
XDT.hu
Az oldalon sütiket használunk a helyes működéshez. Bővebb információt az adatvédelmi szabályzatban olvashatsz. Megértettem