Fórum témák

» Több friss téma
Fórum » Fordulatszámmérő
 
Témaindító: source2, idő: Júl 7, 2005
Témakörök:
Lapozás: OK   34 / 39
(#) olahtamas hozzászólása Okt 4, 2015 /
 
Sziasztok!
Valaki tudna nekem ajánlani egy jó kis fordulatszámkijelzőt dieseles motorhoz? Legalább 250ford/LED felbontásra gondoltam. Tehát ledekkel valósitanám meg a kijelzést.
(#) dB_Thunder válasza olahtamas hozzászólására (») Okt 5, 2015 /
 
Nagyobb megoldandó feladatnak inkább a fordulatszám jel "előállítását" tartom, úgy hogy az mechanikailag, és elektromos szempontból is stabil megbízható legyen!
Azután már egy mérőáramkör nem olyan vészes. Egy fordulatszám tartományt azért megadhatnál.

dani9228!
Nagy fényerejű, víztiszta fejű ledek...
(#) olahtamas válasza dB_Thunder hozzászólására (») Okt 5, 2015 /
 
Mit ajánlanál erre a célra? 555öst? 0-5000fordulat lenne atartomány.
(#) dB_Thunder válasza olahtamas hozzászólására (») Okt 5, 2015 /
 
555ös egy 8 lábú időzítő, az még nem hajt meg 20 ledet..
Egyébként elég 500-5000, vagy 5500ig.
És egyenlőre maradjunk a fordulatszám jel előállításának a problémájával..
(#) olahtamas válasza dB_Thunder hozzászólására (») Okt 5, 2015 /
 
Azt tudom. Hogyan tudnám megoldani a fordulatszám jelét? Honnan tudnám levenni biztonságosan a jelet?
(#) dB_Thunder válasza olahtamas hozzászólására (») Okt 5, 2015 /
 
Itt az a kérdés milyen autó, milyen modell. Nem kizárt hogy gyárilag ezt megoldották, azaz van belőle fordulatszám mérős is. Ezen a vonalon kell elindulni elsőnek.
(#) olahtamas válasza dB_Thunder hozzászólására (») Okt 5, 2015 /
 
VW Passat B3 TD 1992-es kiadás.
(#) dB_Thunder válasza olahtamas hozzászólására (») Okt 7, 2015 1 /
 
Tudomásom szerint, mert egyik barátom azt mondta hogy a VW konszern régi dieseljei a generátorról lopják a fordulat jelet. És tényleg: Bővebben: Link
De pl a Fiat Punto Mk1-nél van külön jeladó...
Szóval ha tudsz egy kicsit angolul akkor ott a komplett leírás.
(#) Melphi hozzászólása Jan 25, 2016 /
 
Sziasztok!
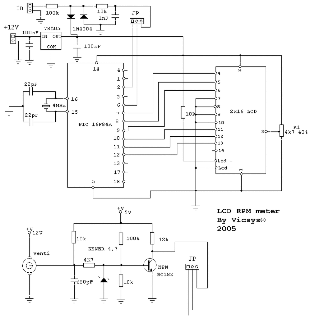
Itt egy Vicsys fordulatszám mérő, ami ventilátor fordulatát méri, szerintetek ha a egy gumikúpot ragasztanák a ventilátor végére amit nekinyomnák egy villanymotor tengelyének végére, akkor tudnám mérni a fordulatát, nagyon meg vagyok lőve hogy van idehaza egy csomó gép de nem tudom mit tudnak ténylegesen.

rpm.gif
    
(#) proli007 válasza Melphi hozzászólására (») Jan 25, 2016 /
 
Nem motort kell használni a gumikúphoz, hanem egy rés-optót. (Attól a motor szolgálhat még "csapágyként".)
(#) Melphi válasza proli007 hozzászólására (») Jan 25, 2016 /
 
Csak arra gondoltam ha már méri a ventilátor fordulatát akkor nem kell variálni, csak nekinyomom a tengelynek a ventilátort aztán már mérhet is, de ahogy írtad lehet oda egy rés optót is tenni, csak az egy bazi nagy gépen kicsit macerás úgy rögzíteni hogy ne veje szét az optót, meg azt rögzíteni , beállítani kell, a ventilátort meg csak nekinyomom aztán kész.
Szerintem?
(#) Massawa válasza Melphi hozzászólására (») Jan 25, 2016 /
 
Sokkal egyszerübb egy kis sztaniolt ragasztani valamelyik lapátra, tengelyre (néha elég a fehér festék is) és azt egy reflexios optoérzékelövel mérni.
(#) ktamas66 válasza Melphi hozzászólására (») Jan 25, 2016 /
 
Nem hiszem, hogy a venti fordulatvisszajelzője működik táp nélkül, ha meg tápot kap, a venti is forogni szeretne. Hogy ebből végeredményben mi sülne ki azt ki kell próbálni.
(#) proli007 válasza Melphi hozzászólására (») Jan 25, 2016 /
 
Ja, én úgy értettem, hogy egy kismotort nyomnál a mérendő tengelyhez. De a ventit is mókás nekinyomni. És szabadnak kell lenni a tengely végnek. Egyébként a kézi tachométerek is így mérnek.
(#) Melphi válasza proli007 hozzászólására (») Jan 25, 2016 /
 
Így van, így mérnek, arra gondoltam a számítógép ventilátor tetejére raknák gumikúpot és úgy nyomnám neki. Ktamas66 igazad van, de a motor tekercsét elcsípem és már egyből nem akar forogni, egy próbát megérne.
(#) Poli válasza Melphi hozzászólására (») Jan 25, 2016 /
 
Szia!

Ha nem ragaszkodsz az LCD kijelzéshez Morgo oldalát tudom ajánlani.
(#) Melphi válasza Poli hozzászólására (») Jan 25, 2016 /
 
Közben kaptam egy kis segítséget amivel megpróbálkozok, ha jutottam valamire majd írok.
Köszönöm
(#) amigo11 hozzászólása Ápr 2, 2016 /
 
udv. mindenkinek(!)

lenne egy olyan kérdésem(,) hogy (be)szereltem (az) automba utolagos(an) fordulatszám méröt. acc vezetékröl kap tápot,(_)kocsi test körsaruval , trafó 1 kap jelet

(A) szer müködik(,)de hibás értéket mutat(.) ,gaz adásra le_esik a fordulatszám_,(_)motor féknél fölmegy(, )a vezérmü tengely 4(_)polusu induktiv jeladóra kötöttem(, de) nem müködöt(t.)

van köze a elögyujtáshoz_, vagy rossz a muszer. valakinek valami tipp(j)e_?

II. Gondolatainkat szedjük össze és egy jól megfogalmazott és nyelvtanilag is helyes hozzászólásban írjuk meg azokat.
-moderátor-
A hozzászólás módosítva: Ápr 2, 2016
(#) olahtamas hozzászólása Ápr 7, 2016 /
 
Sziasztok!
Bontottam egy VW Passat B3as műszerfalat és a fordulatszámkijelzőjét át szeretném szerelni a sajátomba. A sajátom diesel üzemű a bontott pedig benzines volt. A fordulatszám kijelzőnek van egy csatlakozási pontja amit nem igazán tudok bekötni. Az alternátorról kapná a jelet. Ha valaki jártas benne, megkérném, hogy segítsen. Mellékelem a NYÁK lapot amit kibontottam hogy hozzá tudjak férni.
(#) pizzas84 hozzászólása Jún 20, 2016 /
 
Sziasztok.
Kis segítséget szeretnék kérni. Motoromon műszerfalat cseréltem, mert a gyári km órám csalt. Vettem rá egy univerzálist, digitális km órával. Működik is, minden funkciója.
Ami a probléma vele, hogy a fordulatszámmérő mutatója késik 1 másodpercet a tényleges fordulathoz képest. A gyári műszerfal is elektromos fordulatszámmérős volt. Jelet a trafóról veszi mind a kettő. A fordulatot pontosan mutatja, csak későn. Mellékeltem 3 képet az új műszerfalról.

Elvileg az eladó azt írta csak 2 és 4 hengeres motorhoz jó az egység, az enyém egy hengeres, de egy ugyan ilyet felraktak egy 400-as egyhengeresre, ugyan így bekötve és ott tökéletesen mutatott és gyorsan. Állítani lehet az egységet hogy 2 vagy 4 hengeresen van-e, ha 2 hengerre állítom pontos de lassú, ha 4 hengerre akkor lefelezi az aktuális fordulatot, de akkor is lassú. Youtubon nézegetve sem találkoztam hasonló hibával.

Létezne valami ellenállás vagy kondenzátor amivel meg lehet gyorsítani?

Előre is köszönöm.
(#) Szammer válasza proli007 hozzászólására (») Júl 26, 2016 /
 
Én a párom Marutijába csináltam kb. két éve (képet ne kérjetek, mert elkelt az autó) ott én 2db Hall elemmel tudtam stabilan megoldani a kijelzést Parsic-ból írt programmal, 3 digites kijelzéssel. Párhuzamosan ment a hagyományos és digitális km kijelzés, szerintem elég gyors és pontos volt.
(#) violin hozzászólása Júl 27, 2016 /
 
Sziasztok!
Hasonló problémám lenne mint itt lejjebb....
Vettem az eBay-en egy digitális műszert...fordulatszámmérő,km óra,stb...egyben. Az volt a leírásában,hogy 2 ill.4 hengeres motorhoz való, DE! az alapbeállítása 1 hengeres....
Na most az én motorom 1 hengeres,de vagy nem mutat semmit,vagy marhaságot mutat. Ha átállítom 2 ill. 4 hengeresre,akkor jó...de ugyebár az 1 hengereshez képest akkor is marhaságot mutat....


Van valakinek ötlete? Át lehet ezt állítani? Vagy resetelni valahogyan...? Vagy létezik valami kapcsolás,amivel át lehet verni,hogy jót mutasson....?

Köszönöm!
(#) zolika60 válasza violin hozzászólására (») Júl 27, 2016 /
 
Ehhez egy-két dolgot még tudni kéne. Például milyen a motorod és milyen felépítésű a műszer. A képekből nem tudni hogyan működik.
(#) violin válasza zolika60 hozzászólására (») Júl 27, 2016 /
 
Szia!

Sajnos túl sok mindent nem tudok róla....még szét sem szedtem...
Elvileg az impulzusokat számolja,a gyújtótrafóra kötve működik. Volt,hogy a gyújtáskábelre tekert,pár menetnyi vezetékkel is mért valamit....
Most ha bekötöm,akkor 6000-et mutat alapjáraton. Egyébként egy kétütemű egyhengeres (Simson) motoron van...ill. lenne ha jól működne....
(#) zolika60 válasza violin hozzászólására (») Júl 27, 2016 /
 
A kétütemű egyhengeres a négyütemű kéthengeresnek felel meg gyújtás szempontjából. Mert ugye kétszer annyi szikra van adott fordulatra. Próbáld a Simsontól független tápról ellátni feszültséggel, mert lehet az elektromos rendszeren szed fel valami zavarjelet. Aztán bele kéne kukkantani mert ha valami programozott egységet tartalmaz PIC vagy AVR akkor kicsi az esély, hogy működésre bírd program nélkül.
(#) pizzas84 válasza pizzas84 hozzászólására (») Júl 27, 2016 /
 
Az egyik képen a gyári fordulatszámmérő elektronikája, a másikon az univerzális műszeré látható. Hogyan tudnám meggyorsítani az univerzális működését?
(#) violin válasza zolika60 hozzászólására (») Júl 27, 2016 /
 
Köszönöm! Kipróbálom....ha nem,akkor meg szétkapom...
(#) zolika60 válasza pizzas84 hozzászólására (») Júl 27, 2016 /
 
Az eredeti műszered analóg technika. Az új pedig digitális, amit egy programozott PIC vezérel. Csak a gyártója tud segíteni neked szerintem. Valami leírást bekötési rajzot nem kaptál hozzá?
(#) pizzas84 válasza zolika60 hozzászólására (») Júl 27, 2016 /
 
Kaptam. A bekötés helyes. Mutat is az új helyesen, csak késik a mutató egy másodpercet. Programozható az egység, 2-4 hengereshez. Cdiröl kapja a jelet, gyártó is úgy irta onnan kell neki a jel.
(#) violin hozzászólása Júl 27, 2016 /
 
Szétszedni nem tudtam.....de egy pár dolgot kipróbáltam. Ha csak simân rákötöm a gyújtótrafóra,akkor beáll egy 2000 körüli alapjáratra....ha gázt adok,akkor felmegy 10000 környékére és ott is marad....
Egyébként 60mV körüli feszt mérek alapjáraton.

Kíváncsiságból bekötöttem egy soros ellenállást (1,2k-val kezdtem aztán 5,6k-val is próbáltam) és rögtön jobb lett a helyzet. Ebben az esetben is 2000 körül mutat alapjáraton (ami sok) gázadásra szépen felmegy,aztán visszaáll az alapjáraton 2000-re.....
Következő: »»   34 / 39
Bejelentkezés

Belépés

Hirdetés
XDT.hu
Az oldalon sütiket használunk a helyes működéshez. Bővebb információt az adatvédelmi szabályzatban olvashatsz. Megértettem