Fórum témák
» Több friss téma |
- Ez a felület kizárólag, az elektronikában kezdők kérdéseinek van fenntartva és nem elfelejtve, hogy hobbielektronika a fórumunk!
- Ami tehát azt jelenti, hogy a nagymama bevásárlását nem itt beszéljük meg, ill. ez nem üzenőfal! - Kerülendő az olyan kérdés, amit egy másik meglévő (több mint 17000 van), témában kellene kitárgyalni! - És végül büntetés terhe mellett kerülendő az MSN és egyéb szleng, a magyar helyesírás mellőzése, beleértve a mondateleji nagybetűket is!
És a kompenzáló kapacitással? lehetne kivitelezeni feltétlenül és szükséges lenne rá(a kompenzáló kapacitásra)? Bocs a hülye kérdésekért érdekel az elektronika csak kezdő vagyok ,de a ,, kompenzáló kapacitást egy nyomtatót áramkörrel lehet elérni nem, egy jel erősítővel? ezt az áramkört hol kell elhelyezni ha megépíteném a kábel közepében vagy valamelyik csatlakozónál?
Jah arra én is gondoltam, hogy 0,8 as a kábel 0,5 ös a rendes utp kábel, de reszeléssel ez orvosolható nem? meg némi ,,tűrés" is van, nem ? amit nagy nehezen belelehet tuszkolni a csatlakozóba ? A hozzászólás módosítva: Szept 18, 2016
Idézet: Nem.„Jah arra én is gondoltam, hogy 0,8 as a kábel 0,5 ös a rendes utp kábel, de reszeléssel ez orvosolható nem? meg némi ,,tűrés" is van, nem ? amit nagy nehezen belelehet tuszkolni a csatlakozóba ?” Ha módosítasz egy technológiát - módosul a végeredmény is. Ha hálózatot akarsz építeni - használd a hozzávaló elemeket, különben csak baj lesz vele. Nálam például amikor hozták az első VDSL végpontot, hiába volt CAT6 kábelem behúzva az utcáig, előírás volt, hogy le kell cserélni vazelines célkábelre. Mértünk az általam behúzott kábelen és a vazelinesen is a végén. Nekik volt igazuk, mert így lehetett a legnagyobb sávszélességet biztosítani. Ne akard megerőszakolni a fizikát. A fizika akkor is tudni fogja a dolgát ha te nem.
OH
,de akkor ennek semmi esélye sincs? nekem nagyon fontos lenne az 1. kábelt amit kaptam tul vastag volt mert vékony volt a cső a falba , evvel pedig ez a probléma nem kellet fizetni a kábelért de meglehet mégis csak valahogy oldani?
Köszi a Választ!
Azért a gép USB-ről ment, mert előtt 10 másodperccel ugye a kód feltöltése a géptől megy, és a gépen keresztül vezérlem közben az arduinot, hogy most vigye lentebb, vagy fentebb a PWM-et. De megnézem, hátul USB3-nál lehet nagyobb a terhelhetőség. Azt néztem, hogy powerbanknál kicsit stabilabb, bár mintha az is csak 4.5V-ot adna ki ami nálam van. Tehát ha jól értem, ha megemelem az R1-et, akkor PWM 0-nál egyre nagyobb lesz kimeneti fesz. Nekem ellentétesen kell Tehát SW-n inkább kisebb tartományt keljen felosztani, de legyen meg a out 0 - 5V. Nem baj ha emiatt a hasznos PWM 100-200 között van. Azt megkérdezhetem, hogy milyen progival szimulálod? Lehet egyszerűbb lenne, ha tudnék kísérletezni én is. Előre is köszi. Zolli Idézet: „Lehetne ilyen hálózatot kialakítani, de csak illesztőcsévékkel és kompenzáló kapacitásokkal tarkítva. Akkor is lenne veszteség és az átvitel is szűkülne - de stabil lehetne a kapcsolat.” Azt írtad, hogy lehetséges ebben kérnék segítséget a kompenzáló kapacitásokat, hogy kell érteni 2 erősítő vagy mi is pontosan ? külön áram forrás kell neki?
Nem . Nincs. 44Ft a kábel métere. 20m kábel 880Ft. Többet beszéltünk már róla, mint a kábel értéke.
Ahhoz, hogy ezt a mutatványt véghez tudd vinni, jó adag hozzáértés, számolás, és nem utolsó sorban drága műszerek kellenének.
Úgyhogy jobban, gyorsabban, és nem utolsó sorban olcsóbban jössz ki, ha megveszed a kameleon2 ajánlotta, megfelelő hosszúságú kábelt.
Hello!
- Attól, hogy az arduino USB-ről megy, az áramkör és a motor mehet más tápfeszültségről. Mindössze a két GND-t kell közösíteni. Ekkor az arduino csak a vezérlő feszültséget fogja biztosítani az USB-ről. A motor a másik tápról megy majd. - Ezt csak azért szimuláltam le, hogy lásd mit teszel, ha változtatod az ellenállást. Egyébként a TNA demó verzióját használom. - A hűtőgél nem tudom mennyi ideig tartja a hőt. Esetleg patikában tudsz érdeklődni, mert ott kapható ilyen géles párna. A hűtés alkalmazásához, némi hőtechnikai számítást is igénybe kellene venned. Sehol nem írnak fizikai paramétert a párnáról. De nyilvánvalóan valami nagy fajhőjű anyag van gélesítve benne. Nagy csoda nem lehet benne, mert azt írják, ha lenyeled, sok vizet igyál utána. Egy anyag hőtároló képessége Q=C*m*dT. De az emberi test, meglehetősen sok hőt fejleszt. A Peltier elemnek meg nem túl jó a hatásfoka.
Köszi.
Le fogom szedni a progit, és tesztelni úgy fogok ahogy írtad. Sajnálattal hallom hogy a Peltier az nem jó hatásfokú. Gondolom nincs más elektromos cucc. Még egy kérdés: Van egy ilyenem: 128x64 Elférne ha a paneltől le tudnám szedni a kijelzőt és kb. a szalagkábellel 30 fokos szöget zárnának be. Mivel lehetne azt a ragasztást szépen megszüntetni anélkül, hogy semmi nem károsodjon?
Ha egy valamilyen digitális hanglejátszó áramkör órajelét (akár szándékosan) nem tartjuk stabilan, akkor felléphet olyan jellegű nyávogás, mint pl. a megnyúlt szalagos magnónál, vagy nem megfelelő hajtású lemezjátszónál?
Helló Köszi a válaszokat, nagy esésjel az lesz. Remélem adnak 4 eres utp kábelt vagy nagyon vékony 8 erest(igazából mind 1 de a router ugy is csak 4 sávot ad). azért volt fontos ez mert a cső ami a falban van (mert másik kebel is van benne) és már kicsi a hely benne a nyolc eres kettesével árnyékolt + közösen árnyékolt kábel túl vastag.még szerencsém van hogy nagyon közeli ismerősöm tudod segíteni teljesen ingyen vezetékeket biztosítani. ( kaptam 100m j-y(st)y kábelt és adót 2x 22m 8 eres utp-t)
Pécsen tudtok mondni jó helyeket itt csak a micrhom nevű boltot ismerem a közelben , vagy neten megéri ilyet venni?
Tőlem ilyent hiba kérdezel, de én ne piszkálnám, mert csak törés lesz a vége.
Sajna panelle együtt nem fér el éppen.
Tehát bárki aki tudja hogy lehet a panelról leválasztani a felragasztott kijelzőt, az kérem írja meg. Köszönöm előre is. A Panel: 0.96 inch 128X64 OLED Display
Attól függ mivel van felragasztva.
Hőre lágyuló rugalmas és habos (vastag) ragasztó esetén egy vékony 0,15mm-nél vékonyabb nagyon erős acélhuzallal végig lehet talán vágni, de ha merev a ragasztó, vagy nagyon vékony, akkor jobb nem piszkálni, csak árthatsz neki.
Sziasztok!
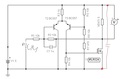
Ezt a kapcsolást hogy lehetne megoldalni szereóba, úgy hogy ne 2x kelljen megépíteni? A segítséget előre is köszi
Igen.
Köszi, de azt még nem tudom, hogy azt hogy oldjam meg hogy mind a 2 végfok kimenetét figyelje?
Esetleg így jó?
Ebben az esetben dupla mennyiségű elketrész kell egy panelre, így csak "egyszer kell meépíteni".
Sziasztok!
A minihifim kezd összevissza működni, tele van SAMNC kondikkal. Ez jó fajta?
4 eres utp nincs, mivel strukturált hálózati kábel (AT&T) azaz 4 ér telefon 4 ér számítógépre van kitalálva. Tehát 4x2x08 azaz 8-eres. Igaz, hogy 4 eret használ csak a számítógép, de nagyon nem mindegy milyet. Voltaképpen ez egy DM-érnégyesbe szervezett kábel - a lehető legkisebb káros csatolásokat tartalmazza. Azt nem értem, ha a 4-eres buszkábel befért, akkor az UTP miért nem - mert az alapvetően vékonyabb? Neten is megérné, de ott inkább vagy direkt méretre szabott kábelt kapsz 3-5-10m-est, vagy 100m, 305m-es tekercseket. De elég lenne csak beírnod a keresőbe: és íme, pécsi kábelek különböző méretekben.
A hozzászólás módosítva: Szept 18, 2016
Igen. Mert a "nagy áramok" a kodi-Fet-venti útvonalon közlekednek.
Erről a transzformátorról hogyan tudom eldönteni hogy melyik a primer tekercs,én a felső négy közül a középső kettőre tippelek mert ott van mert ott van leszigetelve a vezeték plussz csak ott nincs szakadás(az első kivezetésre meg vezeték se fut az utosóra meg megy vezeték de ott szakadás van az mi lenne?)
A legnagyobb ellenállású tekercs lesz a hálózati oldal.
Ha jól értem, csak annyit tudsz róla, hogy transzformátor.
Nem tudod hol használták eddig, nem tudod a bemenő feszültséget, nem ismered a kimenő feszültséget, és a tekercsek bekötését. Ilyen esetben senki nem fog neked távtanácsot adni. Komolyan mondom, a legjobban akkor jársz, ha nem használod, amíg egy hozzáértő meg nem nézi közelről, mert az alapján amit leírtál, nem biztos, hogy hálózati transzformátor, és nagy valószínűséggel egy hibás transzformátor.
A kérdés jellegéből adódik, hogy hálózati trafója van. Ha nem akkor sorry.
|
Bejelentkezés
Hirdetés |




,de akkor ennek semmi esélye sincs? nekem nagyon fontos lenne az 1. kábelt amit kaptam tul vastag volt mert vékony volt a cső a falba , evvel pedig ez a probléma nem kellet fizetni a kábelért de meglehet mégis csak valahogy oldani? 








