Fórum témák
» Több friss téma |
Fórum » HEED canopus, obelisk /HTA-30/
Az enyémben pontosan ugyanekkora borda van, és a tranyók is ugyanígy vannak rajta, szóval elégnek kell neki lenni. A dobozom alja persze nem zárt, így ott be tud áramlani a levegő, a felső rácson pedig ki tud jönni a meleg. Nálam szobahangerőn szól, van hogy reggeltől estig, és elég neki.
Mondjuk az enyémben van kiegészítő hűtés is, igaz egyelőre csak félkészen. Az egy venti a borda egyik végén, ami ha elér egy hőfokot a borda akkor automatikusan bekapcsol, és hosszában áttolja rajta a levegőt. De erre csak a pufogtatós üzemállapotban van szükség, azért készül úgy mint a luca széke.
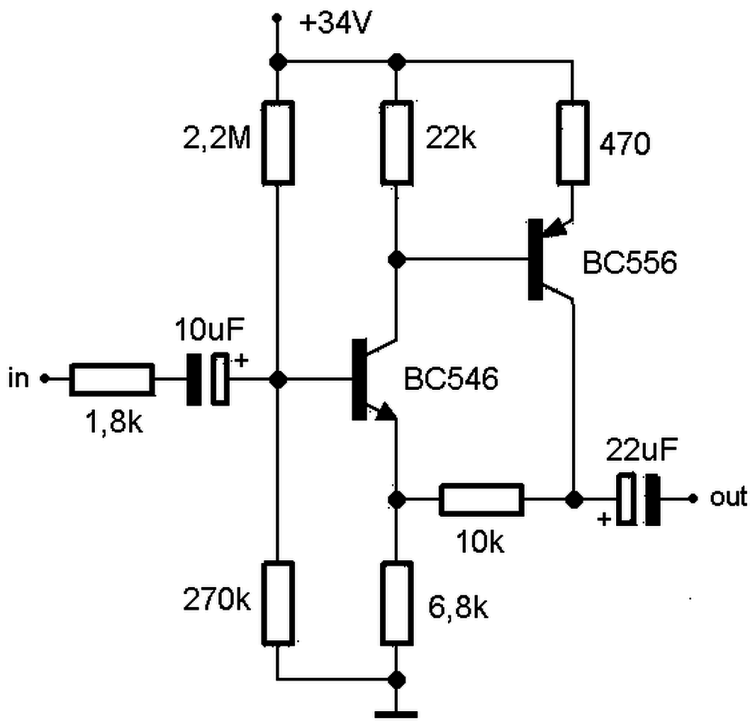
Tulajdonképpen az volt a gondom, hogy első körbe valahova 50-70mA közé sikerült belőni a nyugalmit hidegen, ez még a nyers beállítás volt a műhelybe hidegen. Ahogy melegedett, ez megszaladt, teljesen nem mértem mennyit, de elkezdett fűteni, a borda igen meleg volt. Párszor próbálgattam, rövid ideig, tudtam, hogy majd valamit kell vele okozni, de tetszett a hangja és kicsit élvezkedtem rajta, no meg lusta is voltam. aztán szépen elkezdtem visszaveszegetni, mértem, hallgattam, visszavettem, aztán ujra és ujra. Egyre lejjebb vettem a nyugalmit, és miközben próbálgattam, eljutottam az üzemmeleg állapotig, ahol végül is beállítottam olyan 20mA-re melegen. Most teszteltem délután, elég sokat hallgattam, dinamikusabban is, és nem tünt veszélyesen melegnek, miután kicsit halkabban hallgattam, méginkább lehült, közbe figyeltem a műszert, nem kúszott már fel. Szerintem ez így jó lesz.
Én nem fúrtam át alul, bár szerintem célszerűbb lett volna. Fentebb írtam, hogy most így , ahogyan visszább vettem a nyugalmit, szerintem jó lesz a dolog. A hiba az "ön" készülékében volt.
Pedig az nem árt ha ki tud alakulni a természetes légáramlás. Ahol nincs ventilátor ott meg különösen fontos. Akkor mondjuk kevésbé ha az egész doboz aluból van, és az is része a hőelvezetésnek mert hozzá van csavarozva a borda.
Nem nagyon peregnek itt a dolgok úgy látom senki nem épít egy rendes erősítőt ?
Nálam járt egy régi történet és ez lett belőle : Bővebben: Link
Nekem a HTA épp elég rendes. A hangzás tekintetében megpróbálkozom majd még a KD féle B9 (B100) 2-3 variációjával, aztán amelyik végül a legjobban tetszik az marad, és az én életemet már kiszolgálja. Ha netán mégis építek még valaha végfokot, kizárólag D osztályút, kW-ra vagy a fölé.
Sziasztok, megépítettem a hta30 végfokomhoz, amiben nincs benne a 2 tranyós meghajtás, külön dobozos előfoknak ezt a meghajtást kis módosítással. Nagyon szép hangja van. A csillagföldelés jó így vagy máshol jobb lenne ? Vagy nem csillag hanem láncföld kellene ?
Jujj... És ez egyáltalán hallgatható? Az összes jelvezeték sima kábel, annak mindnek árnyékoltnak kellene lenni, ellenkező esetben a világ zaját is összeszedi. Az meg egy másik kérdés hogy a HTA végfokának semmilyen előerősítőre vagy ahogy hívod "meghajtásra", esetleg impedanciaillesztésre sincs szüksége, mert bármilyen jelforrás kivezérli, a bemeneti impedanciája pedig kellően magas a jelforrások számára. Még néhány év erősítőépítés és rájössz magadtól is.
Hali!
Úgy látom a szövegértésen még faragni kell, amúgy meg nem törvényszerű hogy ami nincs agyonárnyékolva az azonnal brummos és/ vagy zajos lesz.
Nem kell azon faragni... Majd ha mérsz ilyet nagyimpedanciás mérőfejjel akkor látni fogod. Ha visszabontok egy adott árnyékolást néhány centi hosszan már az is számít. Amikor tele van kapcsolóüzemű dolgokkal a helyiség, és az nem csak vissza a hálózatba vezet zavarokat hanem a térbe is szór, akkor élmény lehet egy ilyet a jelútba tenni. Ráadásul műanyag dobozba, mert ha még fémben lenne. A kollégánál pedig az egytranyós remekművek is "nagyon szépen szóltak", mint tudjuk.
Ez egy picike doboz, nem tudom megcsinálni árnyékolt vezetékekkel, amúgy meg így is zajtalan. De miért van az hogy bármit felteszek ide csak fikázzátok, és a kérdéseimre meg direkt nem válaszoltok ? Hm ? Ilyen emberek vagytok ? Gratula. - 2007 óta meg sokat fejlődtem...
Most gondolom csak viccelsz. Árnyékoltban egy 5 centis darab kábelt is be lehet kötni akárhova, itt kb. 20 centik kanyarognak. Mitől ne férne el ebben a dobozban olyan kábel ami a benne lévőtől mondjuk 2mm-rel vastagabb?
A zajtalant meg talán van aki el is hiszi. Próbáld ki hogy kösd le a jelforrásokat és tekerd feljebb a hangerőt. Meg azt is hogy lehúzod a bemenetről mondjuk a bal csatornát, a kimenetről meg a jobb csatornát. Ilyenkor a hangszóróban nem hallhatnál semmit ha feljebb tekered a hangerőt. Ennek ellenére fogsz, mert azokon az egymás mellet futó drótokon gyönyörű áthallás lesz a két csatorna között. Nézz bele néhány gyári erősítőbe hogy azokból is ilyen megoldás köszön-e vissza, biztos vagyok benne hogy nem. Amit "fikázásnak" gondolsz az azért van mert próbálnak segíteni, több kevesebb sikerrel. Csak ha a fejedbe veszed a rossz megoldásról hogy márpedig az jó és ehhez foggal körömmel ragaszkodsz, akkor úgy elég nehéz. Leírtam jó régen az erősítős topikba is hogy az 1 meg a 3-4 tranyó után csak el jutsz majd a HTA-ig, és tessék. Hogy a kérdésedre is legyen válasz, ami a képen van az nem csillagpontos földelés. Annak benne van a nevében is az elrendezés. Van egy kitüntetett pont, ami a puffer negatívja (vagy pufferek közös pontja), és onnan indul az összes negatív, árnyékolás, stb., illetve ide kapcsolódik a hangszóró is (végfok esetén). Egy erősítőben nem igazán lehet ilyet megvalósítani csak törekedni rá, kompromisszumokat kell kötni. De ezután akkor kizárólag ilyen választ fogok adni, hogy: szuper, remek, csak így tovább.
Van élet az árnyékolt kábelen túl is, néhány példa:
DNM reson interconnect... Audio Note előerősítő... Teleton a300 vintage japán hifi erősítő Heed obelisk pre előerősítő (415 eFt) A csillagpontom miért nem jó, magyarázd el röviden légy szíves.
Anélkül hogy ragozni akarnám a kérdést, mert nem tartozik a topikba. Adott két pont az áramkörben (ez lehet bárhol bármi), amit R1-R2-vel, illetve a B ábrán R3-R4-el jelöltem. Az A elrendezés csillagpontos földelést tartalmaz, a B nem, hanem olyan felfűzöttet, vagy sorosat, ilyen van nálad pl. a bemeneteknél és a kimeneteknél.
Az RF1-RF2-RF3 ellenállások a földvezetéket (kábelt) jelképezik. Mindkét ábrán két eltérő frekvenciájú jelet vezettem a két pontra. Az A ábrán ezeknek a jeleknek az árama egyenként a 2 földvezetéken keresztül folyik, míg a B ábrán egyetlen földvezetéken folyik át mindkét áram. A szkópon látható, hogy míg az A esetben a két feszültség nem szenved torzulást, addig a B esetben a két jel keveréke fog folyni a földvezetéken, amit általában hibaáramnak hívnak, és ezek ugye hatással vannak egymásra. Ez most elég szélsőséges példa, de a lényege ez.
Na még egy érdekesség: vettem egy Heed C100-at, ebben sincs árnyékolt kábelezés (hálistennek) és igazi földcsillag sem. Inkább láncföldnek tűnik. Hangra jobb mint az enyém de nem annyival amennyivel komolyabbnak néz ki. Volt még benne egy 24 tranyós phono kártya, azt kivettem, nem kell valakinek ? Amúgy az enyémet meg átalakítottam külső táposra. Meglepően javít az ic-s végfokok hangján egyébként, pl. tda1554q !
A hozzászólás módosítva: Nov 19, 2015
Ja és feltöltöm már ide az ion kapcsolások gyűjteményét, benne vannak a phono-k rajzai is, a nexus végfoké is, meg persze az obeliskek.
Ion nexus SP1, MA40, MA400 és SAM40:
A hozzászólás módosítva: Nov 19, 2015
Had keljek a kolléga védelmére egy pillanatra, csak az én személyes véleményem (nem vagyok tanult a szakmában, csak konyítok valamennyit hozzá és jó a fülem):
Az eddig épített erősítőim sorban: vf2, vf2 conductor, b8, b5, ecl86se, mayan féle ab osztály. ezek közül magasan a legjobb a Mayan féle végfok volt, évekig ez szólt nálam, amúgy meg félévente építgettem mindig mást, mert nem voltam elégedett. Utána kíváncsiságból rendeltem kínából egy ta2020 d osztályú panelt, és hát kiröhögte az összes eddigi végfokomat.. Most egy TPA3116 kínai panel szól nálam, annyi módosítással, hogy kapott rendes becsatolót és induktivitásokat. Amikor megjött, csak beledobtam a ta2020 dobozába, árnyékolatlan vezetékekkel, most már át van építve a D/A-val együtt egy új dobozba, itt árnyékolt vezetékeket használtam, és meglepő, de rosszabbul szól mint az átépítés előtt. Nyilván a gagyi árnyékolt kábelek miatt lehet, de árnyékolás nélkül sem volt soha problémám a zajjal.. Egyedül RIAA korrektorba raktam eddig árnyékoltat, oda tényleg szükséges volt.
Hogy mit hallasz jobbnak vagy sem az egy dolog, attól még a hiba ott van, ami torzításként fog jelentkezni, és igaz ez a zajfeszültségre is, ami hozzáadódik a hasznos jelhez. Ha neked úgy jó akkor hallgasd úgy.
A TA2020 valóban egész jó, van nekem is, de azért nem említhető egy lapon egy normálisan elkészített HTA-val. De szubjektív dolgokon nincs értelme vitatkozni.
Ezzel egyet kell hogy értsek, a HTA hangja tényleg sokkal jobb, kb. mindennél amim eddig volt. Ezért is hagytam abba anno ezt a nagyüzemi kísérletezést amikor megvettem az első Heed Obelisk erősítőmet. Az egy "obelisk i" volt, de utána volt egy "Si MK2", most pedig "PM" monoblokkok vannak a C100 előerősítővel, Zsolt audio stand-art 1 hangsugárzóval. Rájöttem hogy bár a kis cuccaim ugyan önmagukhoz képest szépen szólnak, de ha az obelisk-hez (=hta30) -hoz hasonlítjuk, egyből kiderül a turpisság. A hta zseniálisan képes megmutatni más erősítők hibáit. A legfontosabb, hogy az én diy vackaimon eléggé megváltozott pl. az énekhangok felhangjainak összetétele, aránya. Egyes felhangokat simán elnyeltek, másokat erősen kiemeltek, ezzel csábítóan életszerűvé téve ugyan a hangot látszólag, mégis elrontva azt. Egy hta-n minden egyensúlyban van, nincs tolakodás, feltűnősködés, sima, kellemes, kerek egész a hang. Úgy, hogy közben még sokkal részletezőbb lehet mint egy részletezőnek tűnő, de valójában kiemelős-elnyelős, kissé tolakodó hangzás. Ugyan ez a Nelson Pass féle single ended és triódás csöves végfokok csapdája. Ugyan könnyű beleesni, de ha egyszer volt egy obelisked, utána az a hang nem hagy menekülni. Szinte nem leszel többé képes mást hallgatni mert idegesíteni fog az agresszív és nem elég finoman részletező hang. Nekem ez a HTA sztorim. Építettem is két változatban hta30-at, de azt kell hogy mondjam hogy a gyári Heed erősítők sokkal jobbak, sajnos nem tudjuk diy módon utolérni Zsolt-ékat. Ami nem is csoda hiszen azokban több évtizednyi fejlesztés van, bár a kapcsolás apró módosításoktól eltekintve nem változott. Minden tiszteletem Zsoltnak és a Heed-nek amiért az országban gyakorlatilag egyedüliként értek el világsikert és nyerik meg mindíg a teszteket a készülékeik. Iszonyú sok munka és áldozat van ebben.
ECC85 és ECC88 változtatás nélkül használható a korábbi tervek alapján?
Amennyiben a nyák tervre gondolsz akkor igen !
Érdemes meghallgatni több csövet is , E88CC,ECC88, ECC85 , ECC865 ,6H23P ,6N1P,6N2P,6H6P ... Aztán mérlegelni mi is az ami ? A csőfütés szekundert is érdemesebb nagyobb terhelhetőségüre csinálni . A hozzászólás módosítva: Jan 17, 2017
Köszi, ECC85-öt egy darabot találtam, azt meg is rendeltem. 6N1P, 6N2P-m szerencsére meg van itthon egy "pár" darab.
Ahogy nézem csereszabatosak.Megfogadom, nagyobbra szoktam őket tekertetni. Még gondolkodok az itt publikált kapcsoló üzemű tápegységen is. Egyszer végig futottam, akkor olvastam, de most nekiálltam az elejétől tüzetesen átnézni.
Illetve valaki aki megépítette kapcsolóüzemű tápegységgel, annak mik a tapasztalatai, mennyire bonyolult a kivitelezése?
HTA-30-hoz élesztési utasítás van valahol? Vagy egyszerű? Ahogy olvasom 200mA nyugalmi áramot kell beállítani.
A BD tranzisztoroknak hol van a jobb helye a bordán, vagy mellette? Aktív hűtés, vagy érdemesebb paszívval próbálkozni? (mert aktívnál Alkozó NTC FAN-004-e jó lenne) Egy ilyen borda aktív hűtéssel elbírja? A ház fa lesz, mint a csöveseim...
Nem tudom hol olvastad a 200mA-t. A csupasz végfoknak (nekem csak az van) 35-40mA pont elég.
Elesztesi utasitas az mi?
Ha arra vagy kivancsi hogyan kell ugy elinditani hogy lehetoleg ne fustoljon akkor a.valasz az hogy ugyan ugy mint barmi mas erositot. BD tranzisztorok nincsennek csupan egy van egy oldalon a nyugalmi aram tranzisztorja es ezt a bordara kell tenni. Hutes kell neki hogy aktiv vagy pasziv az egyeni elbiralas . A tema kepei kozt lehet latni alspbol mekkora bordat igenyel . S nyugalmi aram 30-40mA
Szia! Ha ez a koppangátlós kérdés a HTA-30 kapcsán merült fel benned, akkor jelzem, hogy nem lesz rá szükséged. A (hivatkozás) T7 biztosítja a kimeneti feszültség lassú felfutását.
Egy gondolat a nyugalmi árammal kapcsolatban: 20-50mA megszünteti a hallható keresztezési torzítást, viszont felmehetsz akár 400mA-ig is, ezzel eléred, hogy a normál szobai hangerőn, ami nagy átlagban 500mW-ot tesz ki, még A osztályban mennek a végtranzisztorok. Mint Laci is említette, érdemes vele kísérletezned.
Ott volt.csak kevered mert az a Canopusra vonatkozik!
|
Bejelentkezés
Hirdetés |






A zajtalant meg talán van aki el is hiszi. Próbáld ki hogy kösd le a jelforrásokat és tekerd feljebb a hangerőt. Meg azt is hogy lehúzod a bemenetről mondjuk a bal csatornát, a kimenetről meg a jobb csatornát. Ilyenkor a hangszóróban nem hallhatnál semmit ha feljebb tekered a hangerőt. Ennek ellenére fogsz, mert azokon az egymás mellet futó drótokon gyönyörű áthallás lesz a két csatorna között.

















