Fórum témák
» Több friss téma |
ppm= percent per million-> vagyis egy adott értéknek a miliomod része. Számszerűsitve, ha a referencia hajszálpontosan 10V-os, és 10ppm-es, akkor 1°C változás hatására a kimenőfeszültség 10.0001-9.9999V közt lehet.
LT1021CCN8-10: 8 lábú DIP tokos (Normál IC)
LT1021DCS8-10: 8 lábú de SMD, viszont az első az pontosabb: Output Voltage (Note 2) LT1021C-10 9.995 10.00 10.005 V LT1021B-10/LT1021D-10 9.950 10.00 10.050 V Az LT1236BCS8-10 az egy másik típus, szintén SMD, de pontosságra más: Output Voltage (Note 1) LT1236A-10 9.995 10.000 10.005 V LT1236B-10/LT1236C-10 9.990 10.000 10.010 V
Gyakorlatilag a hőmérséklet is befolyásolja a kimenő feszültséget, de úgy látom ez számomra teljességgel elhanyagolható. Köszönöm a magyarázatot!
Mivel számomra teljesen értelmetlen SMD-ben gondolkodni (csak nehezebb kezelnem, sérülékenyebb stb..) Így a normál tok tökéletesen megfelelő. Mégis csak jó volt a megérzésem:
Idézet: „Ez alapján a legelsőt venném” Akkor tehát a: LT1021CCN8-10 típus lesz számomra a legmegfelelőbb. Ezzel messzemenően meg lehet állapítani, hogy a multiméter hozza-e a specifikációjában szereplő 0,5% pontosságot. Illetve, hogy melyik multiméterem pontosabb DC-ben. Köszönöm az információt! Üdv: zoka Na, igen... írtak a Chipcad-től, mint kiderült, a minimális rendelési mennyiség 2 darab, ráadásul drágult is azóta Így postával együtt közel 5 rugó lenne, ennyit nem vagyok hajlandó ref.feszre kiadni, más ennyiért multimétert vesz. Gondoljunk bele, egyszer hozzáérinteném a mérőzsinór végeit, és dobhatnám ki, mert utána mire használjam.
Sziasztok!
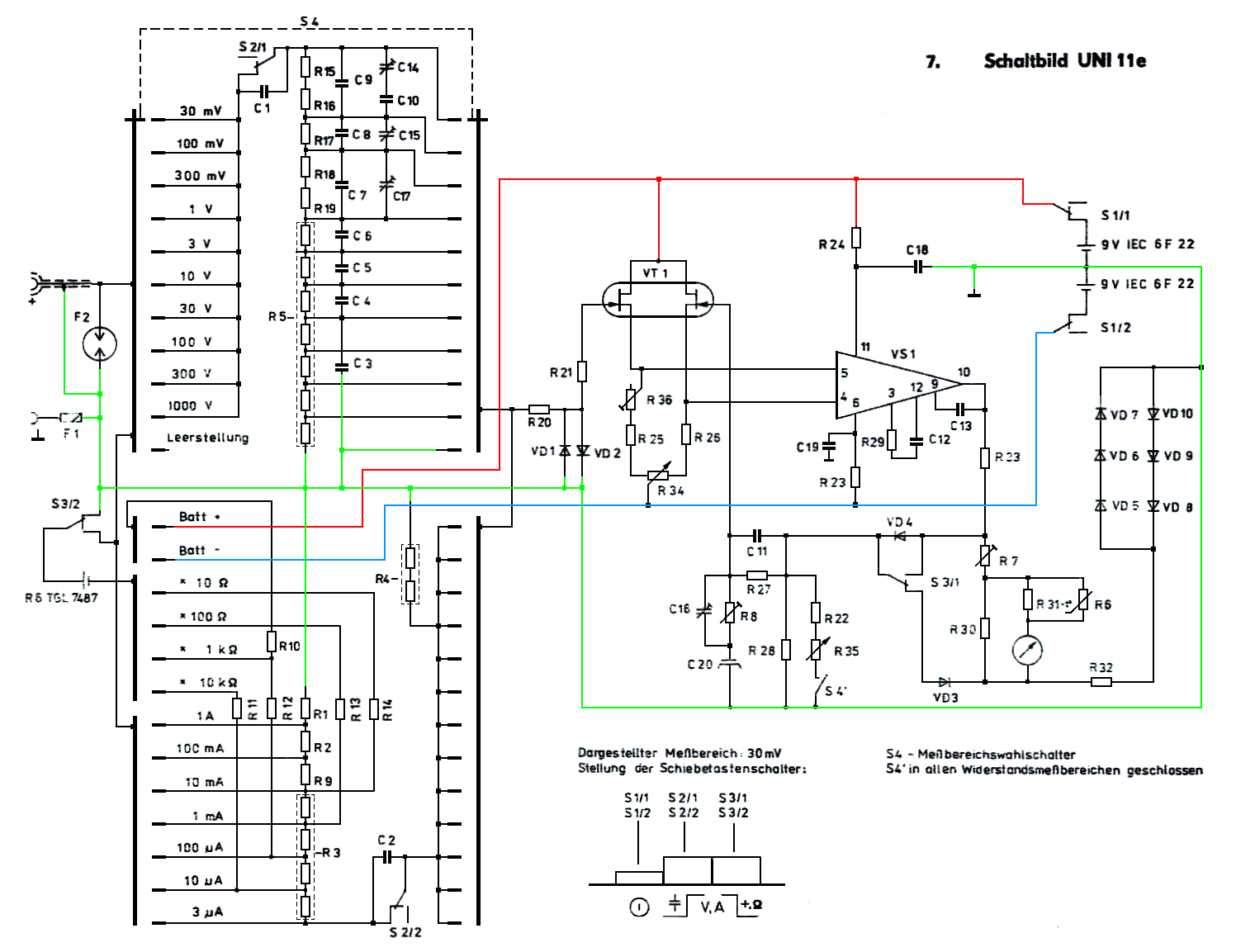
Következő miatt fordulok hozzátok, van egy pontatlan Uni11 műszerem és szeretném bekalibrálni. Csak azt nem tudom, hogy melyik potméter állításával tudom ezt elvégezni. Mellékelt képen jelöltem a rajzon megtalálható potikat, amit megtaláltam a műszer durvább szétszerelése nélkül. Segítséget előre is köszönöm.[url=www.pm-elektronik-bonn.de/Uni11e.pdf]
Hello!
Nem írtad, mit szeretnél kalibrálni. De egyenfeszültségen (és ez az első lépés) a P7 potival. Közvetlen a műszer negatív pólusának körében találod egy termisztorral párhuzamos tag után. De ezért kár volt külön topikut nyitni.. üdv! proli007
Itt a rajza is (nagyon nem tetszett, kissé átrajzoltam...)
A hozzászólás módosítva: Dec 9, 2012
Üdv!
Sikerült a P7 potit állítanom csak most az a probléma, hogy max állásban van de még mindig egy kicsivel többet mutat a kelleténél. Melyik poti a következő amit állítanom kellene?
Hello!
Sajnos ez így nem olyan egyszerű. Igazából azt kellene felderíteni, honnan ered a hiba. Mert elég sokféle üzemmód van itt, azok egymásra hathatnak, ha valamit elállítasz. De nem írtad le, hogy melyik mérésnél van hiba. Feltételeztem, hogy az egyenfeszültségnél. - A "mérőmű" alapérzékenysége 30mV lesz. Ezzel kellene kezdeni az ellenőrzést. Ugyan is az S4 méréshatár kapcsoló, 30mV-os állásban egy az egybe bevezeti a mérőműre a feszültséget. ( A mérőmű alatt, az IC és a műszer áramkörét értem) - Ez a 30mV mérhető a műszer végkitérésén bármely méréshatár kiválasztása esetén, az R20 baloldali pontján a GND-hez képest. - Az IC addig szabályozza a kimeneti feszültségét, míg a kimeneti árama, (ami a műszeren is átfolyik)az R28 ellenálláson 30mV-ot nem ejt. - Mivel az R28 értéke 30ohm, az áramnak 1mA-nak kell lenni. Erre az áramra kerül végkitérésbe a műszer. - Tehát elsőként ezt kellene megnézni, hogy az R20 baloldalán 30mV feszültségre mit mutat a műszer, és hogy az R28 tényleg 30ohm-e. - Ha az működik, hogy 30mV-ra az R28-onis 30mV van, és a műszer még is sokat mutat, akkor ellenőrizni kellene a műszer hőmérséklet kompenzációját is, hogy R30, R31 és R6 megfelelő értékűek-e. - De azt is meg kell próbálni, hogy egyenfeszültség állás mellett, az OHM nullázó potinak nincs-e hatása a kijelzésre. Mert az S4' kapcsoló, ha ne adj ég zárva van, akkor az befolyásolná a mért értéket. (De a rajzból az nem deríthető ki, az hol van, mikor zár, de gondolom OHM állás mellett. Csak akkor miért S4 a jele, mint a méréshatár váltónak.) - Ha eddig jó a dolog, akkor ellenőrizni kell, hogy a feszültségosztó, minden méréshatár végkitéréséhez adott feszültséggel, mindig meg van-e a 30mV R20 baloldalán. Mert ez biztosítja azt, hogy maga a bementi osztó alkatrészei megfelelőek-e. - stb.. üdv! proli007 A hozzászólás módosítva: Dec 10, 2012
Idézet: „(De a rajzból az nem deríthető ki, az hol van, mikor zár, de gondolom Ω állás mellett. Csak akkor miért S4 a jele, mint a méréshatár váltónak.)” Azt én is néztem: S4' (aposztrof) a jele és a német szöveg szerint "minden ellenállásmérésnél zárva"
Hello!
Én is így értettem, csak nem tudom miért nem "vakarták oda" az S4 mellé, ugyan úgy mint a többi méréshatár váltó kapcsolósort. De mint tudjuk, a németes gondolkodásmódot, legalább olyan nehéz átvenni, mint az oroszt. (Ráadásul sajnos nem is tudok a nyelvükön.) Meg persze ezt a műszert, még életemben nem láttam.. üdv! proli007 A hozzászólás módosítva: Dec 10, 2012
Én azért csendben azt is megkérdezem, hogy mivel? mihez képest? szeretnél kalibrálni?
Segítséget már kaptál bőven, de eszközről és módszerről nem írsz.
Üdv!
Van egy Mastech M92A multim, ami szerintem pontatlan. 0,3-0,4 volttal többet mutat. Nem használom másra, csak autónál 20 V méréshatárig. Lehet valahogy kalibrálni?
Szia,
elvileg lehet, ha szétszeded és találsz benne egy trimmerpotit. Ezzel állíthatod be a műszer referenciafeszültségét, ami minden méréshatárra kihat. Kelleni fog még egy másik pontosnak hitt/mondott/kinevezett műszer, amihez hozzáállítod a tiedét.
Igen, van benne kettő trimmer. Referencia műszerem elvileg van.
Akkor keresni kéne hozzá kapcsolási rajzot, hogy melyik mit csinál, vagy visszafejted, hogy melyik trimmer poti hova vezet. Nem ismerem a konkrét típust, valószínűleg nem DIP tokos IC van benne, hanem egy fekete paca IC, körbe kivezetésekkel. Amelyik trimmer egyedülálló lába közvetlenül a fekete pacához vezet, az a tiéd. Ha megvan, akkor mind a két műszert rákapcsolod pl. az akksira és a trimmerrel beállítod a kijelezni kívánt értéket.
Ha tud valaki olyan személyt aki vállal műszer kalibrálást az szóljon légyszives a műszert amit kalibrálni kellene Maxwell MX25328
Sziasztok!
GANZUNIV 3 műszerhez keresek kalibrálási leírást, vagy ha valaki tudja fejből a kalibrálás menetét, azt is szívesen veszem. Kapcsolási rajzot mellékeltem. Négy kalibráló trimmer poti van benne: R31, R44, R45, R49. Az ötödik poti (R50) az előlapon van, amivel ellenállásmérés előtt kell végtelenre állítani a mutatót. Kaptam egy olyan műszert, amiben az összes poti (R31, R44, R45, R49) el lett tekergetve, mert valaki a kapcsoló kontakthibáját a potik szabályozgatásával próbálta orvosolni. A kapcsolót megtisztítottam, de így most minden méréshatár pontatlan. Szeretném pontosra állítani. Én így kezdeném: - R45-tel egyenfesz mérésnél beállítani. - R49-cel ellenállás mérésnél beállítani. - R31 és R44 sorrendje nem egyértelmű, úgy gondolom, hogy mindkettő beleszól a váltó fesz és váltó áram mérésbe is. Mi a sorrend?
Sziasztok!
Senki nem kalibrált még GANZUNIV 3 műszert? Segítségeteket előre is köszönöm! A hozzászólás módosítva: Ápr 8, 2015
Üdvözletem!
Van egy VICI VC99 DMM (Made In China, azt hiszem) műszerem, és egy IMAX B6 (szintén kínai) Li-Ion töltőm. Nem tudom mennyire ismeritek. A lényeg, hogy a töltő kijelzi a cellafeszültséget (itt konkrétan 1 celláról van szó 2P1S elrendezésben) és ha mérem a DMM -el, akkor az többet mutat. Az eltérés kb 0.25 V. Szerintetek melyíknek higgyek? Magam paraszti eszével én a DMM -re szavaznék...
Ha töltés közben méred ezt, akkor normális az eltérés, mivel áram folyik, az pedig feszültséget ejt a vezetéken. A töltő a vezetéken eső feszültséggel nem számol, ezért kevesebbet mutat.
Valójában kisütés közben mérem, (de nyilván ugyan ez a helyzet töltéskor is) most épp ez folyik.
Rámértem a töltő vezetékre, és valóban van rajta feszültség. Mondjuk 1 mm2 -es vezeték, és kb 25 cm hosszú a pozitív, és a negatív ág is szintén. Nem gondoltam, hogy ennyit esik a feszkó rajta. Ha kicserélem vastagabb vezetékre, akkor valószínüleg kevesebb fesz esik majd rajta, ezáltal a töltő is a valós(abb) cellafeszültséget fogja akkor mutatni. Arra azért még kíváncsi volnék, a töltő vajon figyelemge veszi e ezt a feszültségesést, és ennek fügvényében állítja e le a kisütést/töltést... A válasz jó, nálad a pont. Köszi...
Nem hiszem, hogy számol vele, mert nem is tud. Ahhoz kellene még plusz néhány vezeték, aminek pont a cellára kellene mennie. De nem is kell neki, mert a töltés elején mikor nagy áram folyik, akkor áramgenerátoros üzemmódban tölt, tehát teljesen mindegy, hány V van a cellán, aztán mikor elér a cella feszültség egy értéket (na itt van a hiba, de nem számottevő), akkor onnantól már feszültséggenerátorra vált át. Töltés vége felé pedig már csak 50-100mA folyik beállítástól függően, ami minimális feszültségesést okoz a vezetékeken, viszont mégiscsak befolyásolja a töltést. Cseréld ki vastagabbra, az csak javít a helyzeten!
Készíts egy normálelemet, azzal hitelesítheted a műszeredet.
Szia. Nem elemre van szükségem.
Feszültség forrásom az van, de nem tudom melyik poti mit állít a műszerben.
Attól tartok nem lesz egyszerű Ebben nem potikat kell tekergetni, hanem egy proci szoftverében kell éllítani a megfelelő korrekciós értékeket.
|
Bejelentkezés
Hirdetés |




Na, igen... írtak a Chipcad-től, mint kiderült, a minimális rendelési mennyiség 2 darab, ráadásul drágult is azóta












