Fórum témák

» Több friss téma
Fórum » LED kijelzős digitális óra
Lapozás: OK   5 / 10
(#) Mzolee válasza Csupasz hozzászólására (») Júl 24, 2015 /
 
Végleges verzió ugyis az IC lesz, de legalább 1 digitet jó lenne látni menni. Namajd szétnézek mi van itthon.
(#) proli007 válasza Mzolee hozzászólására (») Júl 24, 2015 /
 
Hello! Én a "BIG-7seg" verziót ajánlanám, mert ráadásul egyszerre két kijelzőt szeretnél meghajtani =ha jól értettem) és a közös anód verziónál (mert ide az kell), így komoly áramok folyhatnak majd..
(#) Csongi_ hozzászólása Júl 29, 2015 /
 
Sziasztok!
Megepitettem Vicsys LED orajat , nagy kijelzokkel es kissebb valtozasokkal. A kijelzoket, es az 555-os ic-t egy DC-DC konverter taplalja, a PIC-et egy 7805. Amit meg beleepitek az egy rele, ami a halozati tapellatas megszunesevel tovabbra is taplalja a PIC-et egy kulso aramforrasrol, hogy ne felejtse el a bealitott idot.

Osszerakas utan valamiert nem akar mukodni, a PIC es a dekoder IC kozt van kommunikacio, de a kijelzo nem mutat semmit, 13-14V-rol taplalva 120ohm koruli ellenallassal.

Teszek fel kepeket, es a nyaktervet, akinek van egy kis ideje, megkerem nezze at egy kicsit, hatha talal hibat benne, mert en sokadszorra sem talaltam semmit.

A kijelzo tipusa OPD-S23010LB-BW, a reles resz ki van iktatva egyelore.

Koszonom a segitseget, szep napot!
(#) ktamas66 válasza Csongi_ hozzászólására (») Júl 29, 2015 /
 
Ez így nem fog működni. Ha megemeled a 4543 tápját a vezérlőjeleket is emelni kellene (tehát ilyenkor kevés az 5V-os vezérlés. Ráadásul a kijelző másik felét a PIC közvetlenül hajtaná meg de itt sem haladhatja meg a feszültség az 5V-ot (a védődiódák vezetni fognak). Ilyen esetben a kijelző ledek mindkét végére szintillesztés kell.
(#) Csongi_ válasza ktamas66 hozzászólására (») Júl 29, 2015 /
 
Tehat akkor mindket felen tranzisztorokon keresztul kell vezereljem a kijelzot, ugye?
(#) ktamas66 válasza Csongi_ hozzászólására (») Júl 29, 2015 /
 
Akár úgy is. De lehet egyszerűbb lenne alulra mondjuk 7447 (ez OC kimenetű), felül lehet tranzisztor.
(#) Csongi_ válasza ktamas66 hozzászólására (») Júl 29, 2015 /
 
Vagy egy ULN2003 nem felelne meg felul a 7 kivezeteshez, a 4543 5V-al taplalva, az ULN a Kijelzok feszultsegevel, alol a 4 anod egy-egy tranzisztoron keresztul vezerelve. Kozben kisse osszezavarodtam a polaritasokat illetoen. Ha a PIC fele kerul az anod, akkor ott + jel van, NPN tranzisztor kell, de felul mar PNP. Akkor felul megsem jo az ULN2003?
A hozzászólás módosítva: Júl 29, 2015
(#) ktamas66 válasza Csongi_ hozzászólására (») Júl 29, 2015 /
 
Alulra lehet jó az ULN2003 (ha a dp nem kell), felülre tranzisztor vagy pl. UDN2981.
(#) Csongi_ válasza ktamas66 hozzászólására (») Júl 29, 2015 /
 
Nem, dp nem fog kelleni. Tehat akkor az ULN kerul a PIC es a kijelzo koze, bemenetevel a mikrovezerlo fele, az UDN pedig ugyanugy, a bemeneteivel a 4543 fele. A kijelzo, az ULN es UDN ugyanazon feszultsegrol taplalva, a tobbi egyeb 5V-rol.
(#) ktamas66 válasza Csongi_ hozzászólására (») Júl 30, 2015 /
 
Ha tényleg a 23010-es kijelződ van, akkor a ULN kell a 4543 után (szegmensek a föld felé) és az UDN a picre. Gondolom azért nincsenek ellenállások, mert a tápot állítod hozzá.
(#) Csongi_ válasza Csongi_ hozzászólására (») Szept 17, 2015 /
 
Udv!
Az UDN tipusu IC-t nem tudtam beszerezni, tranzisztorokkal helyettesitettem, illetve csak probaltam, mert akarmit csinaltam nem vilagitanak a kijelzok egyaltalan. Minden lehetseges bekotest kiprobaltam, eredmeny nelkul. Vagy en nem csinalok jol valamit/veszek eszre hibat, vagy az alkatreszek nem kompatibilisek egymassal.
Akinek van egy kis turelme, megkerem segitsen egy kicsit. Koszonom!!
A hozzászólás módosítva: Szept 17, 2015
(#) proli007 válasza Csongi_ hozzászólására (») Szept 17, 2015 /
 
Hello! Biztos lesz valakinek türelme. De azt is kitalálni, hogy mit is alkottál, abban már nem vagyok biztos, hogy ahhoz is lesz..
(#) Csupasz válasza Csongi_ hozzászólására (») Szept 17, 2015 /
 
Nem mindegy, hogy p-n-p, vagy n-p-n tranyát használsz.
(#) furko hozzászólása Okt 28, 2015 /
 
Sziasztok!
Megépítettem Vicsys óráját. EZT
Az 555-ös részt kihagytam, a kijelző típusa: DA08-11EWA
Kérdésem hogyan lehetne megoldani hogy nagyobb legyen a kijelző fényereje.
Az anódellenállások csökkentve lettek 150-re de így is gyenge.
A hozzászólás módosítva: Okt 28, 2015
(#) sooty válasza furko hozzászólására (») Okt 28, 2015 / 1
 
5V , 150 ohm -> 33mA ez ennél a kijelzőnél kb. a névleges áram. Az óra multiplexelt (egy kijelző 1/6 ideig működik) és a kijelző csúcsárama akár 160mA is lehet nyugodtan csökkenthetnéd még az anódellenállást. Ennél az óránál ugyanez a kijelző van, nem is használ anódellenállást. Viszont mivel az anódokat a pic közvetlenül hajtja ezért érdemes lenne egy tranzisztormezőt betenni pl. UDN2981A, mert a pic portjait sem terhelheted tetszés szerinti nagyobb árammal.
(#) furko válasza sooty hozzászólására (») Okt 28, 2015 /
 
UDN2981-em nincs itthon, de ha jól sejtem az is megoldás lehet ha az anódok kapcsolását 6db tranzisztorra bízom, és az előtét ellenállásokkal lemegyek kb 33-ra. A CD4543 bírni fogja a terhelést?
(#) sooty válasza furko hozzászólására (») Okt 28, 2015 /
 
10mA körül lehet terhelni minden portját. Közös anódos kijelzőnél szerintem bírni fogja, ha biztos akarsz lenni benne, akkor oda egy ULN2003 kellene. Itt kevésbé érvényesül a multiplexelés, a dekóder minden ütemben megy csak nem mindig működik az összes kimenete.
A hozzászólás módosítva: Okt 28, 2015
(#) furko válasza sooty hozzászólására (») Okt 29, 2015 /
 
Köszi a Segítséget, ha legközelebb rendelek, rendelek mindkettőből.
(#) hacsi66 hozzászólása Nov 15, 2015 /
 
Sziasztok

Van egy kész PIC es órám ami közös katódos kijelzőket használ multiplex üzemmódban ezzel a kapcsolással szeretném meghajtatni a nagy kijelzőimet amik szintén közös katódosak és 12Volt 20mA megy egy szegmense ezt hogyan tudnám illeszteni a kész áramkörhöz ami viszont 5Voltról üzemel.
(#) proli007 válasza hacsi66 hozzászólására (») Nov 15, 2015 /
 
Hello! Ha igaz, akkor egy UDN2981 IC-vel tudod orvosolni a dolgot. A katódokat továbbra is a beépített tranyók hajtják meg, a PIC hét szegmens kimenetét (7db 1kohm) az UDN bemenetére vezeted. Az UDN kimenetét áramkorlátozó ellenálláson keresztül a szegmensekre. Az UDN 9-es lábára +12V-ot adsz. A 12-es lábra közöd a 12V negatív pontját, és ezt összekötöd az 5V GND pontjával.
(Egy kapcsolási rajz, vagy link azért nem ártott volna..)
A hozzászólás módosítva: Nov 15, 2015
(#) hacsi66 válasza proli007 hozzászólására (») Nov 15, 2015 /
 
Szia

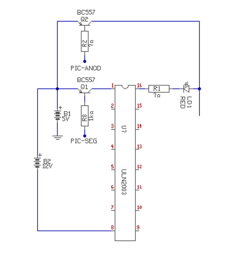
Bocsi rosszul írtam közös anódos a kijelzők tehát a + a közös és a szegmensek a - bocsi én írtam el egyébként a közös anódokat egy egy tranzisztor vezérli és a szegmenseket pedig 7x1kohm.
(#) proli007 válasza hacsi66 hozzászólására (») Nov 15, 2015 /
 
Inkább lerajzoltam. Persze csak egy katód meghajtást. A Q2 a meglévő anód meghajtó. a Q1-et és az ULN2003-at (plusz áramkorlátozó ellenállást) kell kiépíteni. Na meg a tápot..

BIG-CLK.png
    
(#) hacsi66 válasza proli007 hozzászólására (») Nov 16, 2015 /
 
Szia

Köszönöm a segítséget megépítem és szólók hogy működik e rendesen ....
(#) hacsi66 válasza proli007 hozzászólására (») Nov 16, 2015 /
 
Még csak annyit hogy az ULN 9 es lábára melyik tápfeszt adjam a 12voltot vagy az 5 voltot ?
(#) proli007 válasza hacsi66 hozzászólására (») Nov 16, 2015 /
 
Nem szükséges egyiket sem, mert oda a védődiódákra csak akkor kell feszültség, ha induktív fogyasztók (pld. relék) lennénk. (Egyébként a 12V és 5V ugyan az a feszültség lenne, hiszen közösítve van..)
(#) hacsi66 válasza proli007 hozzászólására (») Nov 16, 2015 /
 
Köszönöm a választ
(#) Lava hozzászólása Dec 31, 2015 /
 
Sziasztok!
Segítségeteket szeretném kérni. A Bang good-on vettem ezt az órát ,ami ébreszt és hőmérsékletet is mér.
Összeépítés után szépen elindult minden funkciója működik ,csakhogy egy idő után észre vettem ,hogy nagyon nagyon késik reggelre már 7-8 órát is késett . Van benne egy krystals amire gyanakszom ,hogy vagy nem megfelelőt raktak a csomagba ,vagy hibás .Ha valaki ismeri ezt a szerkezetet ,és tudna segíteni ,akár tanáccsal megköszönném.
(#) Mircsof válasza Lava hozzászólására (») Dec 31, 2015 /
 
Szia!
A kérdésed nem ebbe a témába való, egyébként ez van benne Bővebben: Link Ilyet találsz bármilyen órában jóformán. Bár egyáltalán nem biztos, hogy ez a probléma, de ha van órád amiből tudsz bontani akkor könnyen kicserélheted.
(#) Lava válasza Mircsof hozzászólására (») Dec 31, 2015 /
 
Bocsánat ,a téves témába írásomért ,viszont köszönöm a válaszodat!
Melyik témába tegyem?
Üdv Lava
(#) Mircsof válasza Lava hozzászólására (») Dec 31, 2015 /
 
Moderátor átrakja majd.
Következő: »»   5 / 10
Bejelentkezés

Belépés

Hirdetés
XDT.hu
Az oldalon sütiket használunk a helyes működéshez. Bővebb információt az adatvédelmi szabályzatban olvashatsz. Megértettem