Fórum témák
» Több friss téma |
Fórum » Kompakt fénycső bekötése
Témaindító: balazsbotond, idő: Márc 14, 2008
Témakörök:
Benyomod a lyuk felett (alatt) lévő bontólemezt, amely egy kis nyílás mögött van.
Sziasztok!
Kicsit szeretném itthon feltuningolni a világítást... Van egy rakás 18w-os és 26w-os kompakt fénycsövem. Mindkettőből van 2 pines és 4 pines is. Ezekből szeretnék néhányat beüzemelni. Van pár darab 2*36w-os és 1db osram qtp5 14-35 sima fénycsőhöz való elektronikus előtétem. A kérdésem az lenne, hogy ezekkel az előtétekkel meghajthatom-e valamilyen formában a fent említett kompakt fénycsövek valamelyikét. Előre is köszönöm a segítséget!
Üdv
Adott egy 11W-os 2G7 kompakt fénycső. Egy ilyen előtétet szeretnék hozzá használni: 8-16W Ballast Bekötés hogy lenne a jó? Mit hova kössek? Esetleg így ahogy a 2. képen van? A hozzászólás módosítva: Dec 2, 2014
Szia!
Úgy, ahogyan a második képen van.
Hi!
L36.132 fojtóhoz kötnék be két 18w-os FD-D18 kompakt neont. Sorba vagy párhuzamosan kell kötnöm a két csövet a fojtó után? A segítségért előre is köszönet! A hozzászólás módosítva: Márc 18, 2015
Üdv!
Sorba kell kötni, párhuzamosan fénycsövet nem köthetsz sosem. A fojtóról nem találtam semmit. Hagyományos fénycsőfojtó F8-as csőhöz? Akkor nem biztos, hogy ezekhez való. Várj, míg mások is írnak. A hozzászólás módosítva: Márc 18, 2015
Szia Tomi!
Kösz a választ! VS Vossloh schwabe L36.132 , sima fojtó trafó. Ugyanilyen fojtó trafóval kötöttem már be évekkel ezelött 26w-os FD-D26 csövet, tökéletesen működik azóta is. Remélem ez is jó lesz a 18w-os csövekekhez!
Kedves Ferenc! Kicsit amatőr lesz a kérdés, elnézést. Nekem itt az irodában van 5 ugyanilyen rossz, ugyanezt csinálják. A cserés a két sárga kondenzátor lesz 224 K jelű 0,22µF-osak? Nálam azok 250 V-osak. Vagy csak célszerű nagyobbra cserélni? Köszönöm!
Nem. Ha vibrál, akkor a hálózati egyenirányító utáni elkót kell cserélni, az lesz 22 uF. A fóliákat mondjuk, ha már szét vannak szedve, szintén érdemes lehet márkásabbra, impulzustűrőre cserélni (pláne a két csővég csatlakozása felé eső kábelek közé bekötöttet).
Igen, vibrál. Köszönöm, akkor azokat is cserélem. A csővég felé 2 db ilyen van: CBB31 1250V 8n2J, akkor ezeket is cserélem. A két sárga helyett már rendeltem, akkor azokat is cserélem azért. Nagyon köszönöm!
Sziasztok! Köszi a segítségeket, minden ok, a 22µF-os elkó csere után megszűnt a villódzás, azért kicseréltem a többit is. A rossz előtéteket rendbe tettem, most már romolhat a többi sorra
Sziasztok! Valaki összekötözgeti nekem gyorsan hogy miként kössem be ezeket?
Szia! Csak mert jó kedvem van. A fénycső és az előtét teljesítményben, csőtípusban passzoljon!!
A vezetékek ne legyenek hosszúak! Az 1-es és 2-es vezeték egymással felcserélhető, ugyanígy az 5-ös és 6-os is egymással. A hozzászólás módosítva: Nov 4, 2015
Köszönöm a gyors választ!
Sziasztok!
2 db T8-as fénycsövet szeretnék elektronikus előtéttel bekötni. A régi tönkrement és most egy teljesen más fajta előtétet kaptam és nem egyértelmű számomra a bekötése. Az új előtéten lévő bekötési rajzon a fénycső végein 2-2 kivezetés van, de nekem csak egy ahogy azt az ábrán is mutatom.. Tudnátok segíteni? Előre is köszönöm. ![]() Üdv Feri.
Üdv! Ez az előtét csak a rá rajzolt bekötés szerint működik. A T8-as csőnek is két kivezetése van mindkét végén, gondolom a te foglalatodban is ott a vezeték helye, csak nincs bekötve. Mást nem tudsz csinálni, mint pótolod a hiányzó vezetékeket. Általában tömör réz vezeték kell, 0,5-0,75-ös, esetleg a 1,5-es is belemegy talán a foglalatba ill. az előtétbe. Az előtéten lévő rajz szerint kösd be!
Ez az új előtét egyébként kíméletesebb a csövekhez, valószínű előfűtéssel gyújt, ezért kell több vezeték. Hosszabb lesz a csövek élettartama. A hozzászólás módosítva: Feb 19, 2016
Sziasztok!
Két Tungsram 18w-os FD-D csövet szeretnék bekötni egy 36w-os előtét trafóra (Vossloh Schwabe L36.132). Ha a két fénycsövet párhuzamosan kötöm és ezeket kötöm sorba a trafóval, csak az egyik cső világít. Hol az egyik, hol a másik gyújt be. Hogyan kell bekötnöm helyesen? A segítségért előre is köszönet! Üdv!
Sorba kötve nem világít egyik sem. Lehet hogy ez a fojtó nem jó ehhez a típusú csőhöz annak ellenére hogy a trafón szerepel a 2X18W felirat?
Szia!
Ez a cső csak két kivezetéses. Nincs hozzá gyújtó.
Sziasztok!
Adott egy UVC fénycsővel működő vízfertőtlenítő berendezés egyik oldala, fénycsővel, tekercsel stb. A csövön semmi adat a gyártóval, vagy teljesítménnyel kapcsolatban, hacsak nem a nyakán halványan látható 0,6A (de mekkora feszültség?) Vezeték nélküli technológia. A másik oldalról semmi információm nincs. A kérdésem, hogy lehetne kideríteni, hogy az adó oldalon milyen tekercset kellene használni, hogy működjön?
Sziasztok!
Kaptam egy olyan feladatot az asszonytól, hogy a 4x7W-os műkörmös UV lámpájába (4db 7W G23 cső) cseréljem ki a csöveket LED-esere. Benéztem a burkolat alá és hirtelen nem tudom, hogy hogyan is csináljam. Szerintem a csövek kicserélésével még nem oldanám meg a feladatot. Jól setem? Van benne 2 db 2x7W-os fojtótekercs, amik a ledes csövekhez nem kellenek majd. Valaki tud így látatlanban mondani valamit? Köszi
Mondjuk veszel használt laptop tápot, az tipikusan 19 V (de vannak 12 V-os tápok is például monitorhoz). Egyben van, készen van, nem fogja megrázni az asszonyt
![]() Utána elegendő számú LED-et sorba kötsz, plusz áram beállító ellenállás. Például 3.5V-os nyitófeszültség esetén kettő vagy három LED 12 V-ra. Ilyen csoportokból szükséges mennyiséget párhuzamosan kötsz. De van gyári UV LED szalag is. Mielőtt nagyon belelendülsz az építésbe, azt tisztázd az asszonnyal (vagy az internettel), hogy milyen hullámhosszú UV fény kell, és mekkora intenzitású. Az nagyon ciki lenne szerintem, ha szétfurkálod a régit, utána meg kiderül, hogy "nem köt meg" az anyag
Köszi a választ!
Úgy gondoltam, hogy veszek 4db ledes G23foglalatba illő lámpát, amit direkt körmös lámpákba árulnak. Viszont azt nem tudom, h a fojtótekercseket benne hagyhatom-e? Szerintem nem okoz gondot és, ha jól sejtem az eredeti kompakt csövekre is 230V kerül ezek csak áramkorlátozás miatt vannak. De nagyon nem foglalkoztam még ilyenekkel.. :-\
Szia. A Led lámpák előtétje kondenzátor szokott lenni. Szerintem sem okoz gondot a fojtó, kivéve, ha a lámpában levő kondenzátorral éppen nem úgy rezonál, hogy a feszültség fel nem szalad a csillagos égig. Nagyobb probléma az, hogy az UV fénycsövek ezekben a lámpákban kettesével sorba vannak kötve, plusz a fojtó. A Led lámpákat, ha az előtétjük 230 Voltra van méretezve, nem hiszem, hogy így még sorba lehet kötni, hacsak nem szerzel be 110 Voltos példányokat, vagy nem úszod meg úgysem az átalakítást. Nekem hasonló a gondom, de azt egy új bekezdésben fejtem ki, mert hosszú. Hátha valaki majd segít, mert nekem a kétfajta fénycsővel van hasonló gondom, de át kellene alakítani a készüléket átkapcsolhatósra.
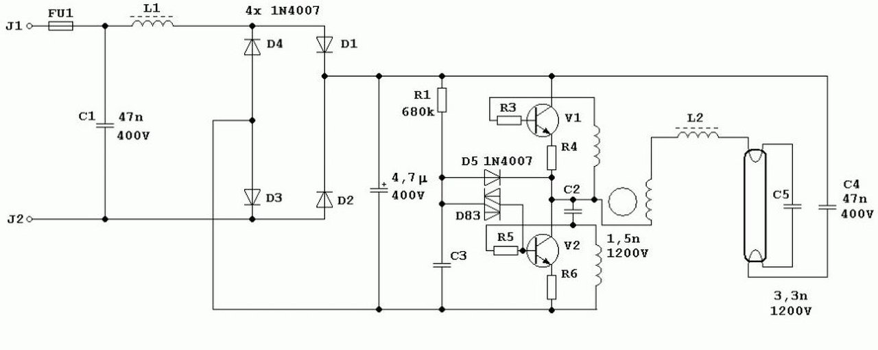
Sziasztok! Nekem hasonló gondom van műkörmös lámpával, de a páciens gondja éppen az volt, hogy megrendelt kínából 20 darab UV fénycsövet, csak azok elektronikus előtéthez valók, nincsen bennük gyújtó, csak egy kondenzátor, és nem működnek fojtóval. Tettem a készülékbe kompakt fénycső elektronikákat, amikkel gyönyörűen működik, de állítólag a fénycsövek gyengébben világítanak. Most már lehet kapni fojtótekercshez való lámpákat korlátlanul, és állítólag amolyan talán nem is lesz, alakítsam vissza a gépet. Szeretném megoldani a dolgot 2 darab 2 morzés kapcsolóval, amiknek a helye meg is van a gép elején, csak nem tudom, hogyan kellene őket bekötni, mert a fénycsőnek is 2 kivezetése van, még akkor is,ha kettesével sorban vannak, és a 230 Voltnak is, az előtétekben viszont még egy graetz is van, hogyan lehetne megoldani az elektronikus előtét-fojtótekercs átkapcsolást biztonságosan? Az a gondom, hogy a betáp és a fénycső oldal az már 4 darab kapcsoló, valamit viszont közösen kellene hagyni, hogy kettő morse kapcsolóval megoldható legyen az átkapcsolás. A mellékelt képen levőhöz hasonló elektronikákat tettem bele, de szeretném letudni a dolgot, ha a jövőben bármilyen lámpát kap, a kapcsolóval kiválaszthassa.
A hozzászólás módosítva: Márc 13, 2017
Jókor nézem a dátumot. Ha még olvasod: Ne vegyél a műkörmös UV lámpába LED-es csöveket!
Azok csak pénz ellenőrzésre valók. Az elektronikus előtéteket is azért kellett kidobnom, mert azokkal gyengébben világítanak a fénycsövek. Az átkapcsolás nem megoldható, mert csak fojtóval lehet 2 fénycsövet sorba kapcsolni. Elektronikus előtéttel csak az egyik gyújt be, bármilyen teljesítményű is az, kevés a feszültség. Ha meg mindegyiknek külön van elektronikája, rengeteg érintkező kell az elektronikákat leválasztani a fénycsövekről, őket sorba kapcsolni, és a fojtót is kettesével eléjük kötni. Maradt végül, hogy vissza kellett alakítani gyárira, mert csak úgy a jó. Csak a fojtótekercses kivitel szárítja meg a körömlakkot, minden más gyenge. A hozzászólás módosítva: Márc 13, 2017
Nem én kérdeztem és az sem most volt.
![]() De azért köszönöm...
Én is köszönöm, de már mindegy. A kérdező utoljára 8 hónapja járt a fórumon, valószínűleg már nem olvassa, annak már nem írok.
|
Bejelentkezés
Hirdetés |
















Azok csak pénz ellenőrzésre valók. Az elektronikus előtéteket is azért kellett kidobnom, mert azokkal gyengébben világítanak a fénycsövek. Az átkapcsolás nem megoldható, mert csak fojtóval lehet 2 fénycsövet sorba kapcsolni. Elektronikus előtéttel csak az egyik gyújt be, bármilyen teljesítményű is az, kevés a feszültség. Ha meg mindegyiknek külön van elektronikája, rengeteg érintkező kell az elektronikákat leválasztani a fénycsövekről, őket sorba kapcsolni, és a fojtót is kettesével eléjük kötni. Maradt végül, hogy vissza kellett alakítani gyárira, mert csak úgy a jó.





