Fórum témák
» Több friss téma |
Mielőtt kérdezel, a következő két dolgot ellenőrizd!
I. A helyes tápfeszültségek megléte.
II. A kimeneten van-e egyenfeszültség.
Élesztés.
A meghajtókra nézve nagyobb terhelést jelent a végtranzisztorok megnövekedett eredő Miller-kapacitása miatt, ezért problémás lehet a sok végtranyó meghajtása. Az is előfordulhat, hogy gerjedékennyé válik a végfok. A több végtranzisztor mindenképpen stabilabb, nagyobb áramú meghajtó fokozatot igényel.
Üdv!
mi lehet a hiba DENON PMA-790 hangfalkiment baloldalán 23,5mv van és nem tudom lejeb venni de a jobb oldal meg szinte 1-2mv(?) A hozzászólás módosítva: Máj 13, 2016
Szia. Ha szól és rendben van a nyugalmi áram is, akkor nem valószínű, hogy probléma. A félvezetők szórásából adódhat például...
A hozzászólás módosítva: Máj 13, 2016
Igen, és akkor mi van.
![]() Én sem aggódnék a kérdező esetében... A hozzászólás módosítva: Máj 13, 2016
Tőlem kérdezed? Nem értem a kérdésed.
Megkérdezte, Jani, mi a probléma, ha 23,5mV van a kimeneten. Én meg írtam rá, hogy ha szól, meg nyugalmi is OK, akkor nem gond.
de van egy minimális eltérés hangban is(.)
A hozzászólás módosítva: Máj 13, 2016
Akkor végig kell nézni, mi billenti el. Lehet szivárgó kondi, szivárgó félvezető, megnyúlt ellenállás....
De egy ilyen kis mértékű offset a kimeneten még nem szabadna, hogy hallható hibát produkáljon. Generátor, oszcilloszkóp, és mérni kell.
Igen sajnos nem mindegy hogy 12,5 wattot 10 voltból nyerek ki 8 ohm-on, vagy 5 voltból 2 ohm-on. Papíron nincs külömbség, de a valóságban van. Márcsak azért is, mert ahogy nincs két tökéletesen egyforma hangszóró, úgy a végtranyók (fetek) párhuzamosítgatásával is nő a kockázat az eltérésekre.
Részemről egyéni megítélés: de mint a hi-fi (magas minőség) mindig alacsony számú komplementer párt alkalmaznak (pedig ott is ugyan úgy megtehetnék hogy 1-2 ohm legyen de mondjuk 10párral/oldal) alacsony tápfeszen. A PA -nál vagy egy autós (pl: kifejezetten a mély tartományokra tervezett konstrukciónál) nem számottevő az ha nem hallod a falevelek rezzenését részeletesen hisz úgyis dübörögnie kell, de keményen.
hello mindenkinek!
Kéne egykis segítség! Hozzá jutottam egy sherwood ai-2210-es hez borzasztó állapotba volt, kontakthibák, kokszos emitter ellenállások stb... Minőségi erősítőnek tartom így nekiálltam felujítani, nyomógombos kapcsolósort kiforrasztottam és pár napig wd 40-be áztattam, nagyrészt át kondiztam(csak az elkókat cseréltem, némelyiket nagyobb áramúra) és a csúnya ellenálásokat kicserélgettem. összeszerelés után azt tapasztaltam hogy a magas és a mély kiemelő potméterek némák. Amúgy az erősítő már zajmentesen és kontakthiba nélkül szoldogál. Ha jól gondolom valahova nempasszol a cserélt elkó. service manuált nemtalálok! Köszönöm.
És a WD 40 után kimostad meg leápoltad? az nem való elektronikai készülékbe!!!
persze! alaposan le ><csöpögtettem(,) és letisztitottam!
A hozzászólás módosítva: Máj 14, 2016
A WD40-be áztatás hiba volt. Maximum arra szabad használni, hogy szétszeded a potit és egy rongy sarkát kicsit bekenve letörölgeted vele az ellenálláspályát, de közvetlenül belefújni sem a WD40-et sem a konkatsprét sem szabad, beleáztatni meg aztán pláne.
Kizárólag csak a bemenet választó kapcsolókat áztattam be, és kapcsolnak!
A potméterekre egy keveset fújtam.
A potik akkor hamarosan cserések lesznek és a kapcsolók se sokáig lesznek recsegésmentesek..a WD40 végülis gyakorlatilag tiszta petróleum az ürben még jó is lehet kenésre bizonyos területeken, de kúszik a felületen kis idő múlva azt tapasztalod ott is ragad amerre nem is jártál vele. A potikból a kenőanyagot viszont legalább kioldja így a csapágya is tönkremegy hacsak nem müanyag. A contact WL contact 60 és 61 megfelelő sorrendű használatával a legjobb az eredmény, sajnos az emberek zöme nem igazán olvassa el a részletes használati utasítást...
A contact 60 az jó potiba, de nem fújom, hanem finom ecsettel vékonyan viszem fel. Papír alapú nyákra viszont ráfújtam régebben, hát jó nagy áthallást okozott. Szerintem vezet egy picit. Több nap után szereztem ipa-t, izopropil alkoholt, azzal ki tudtam áztatni a papítbakelitből a kontaktspét. Szóval azzal is óvatosan. A 61-es talán pont erre való? Nem dolgoztam még vele.
A WD40-nek semmi keresnivaloja sincs egy elektronikai mühelyben. Az biciklihez, láncfürészhez meg fünyirohoz valo, s nem érzékeny elektronikához.
Sziasztok!
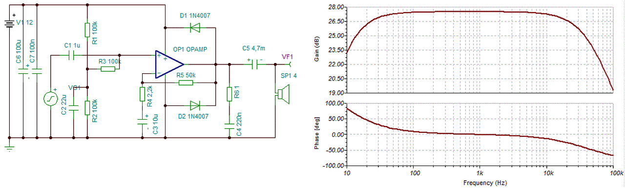
Egy TDA2030-al szeretnék egy végfokot csinálni és az adatlapján szereplő rajzot átrajzoltam Tinába és a frekvenciaátvitel nagyon gyenge. 3-4kHz-nél már -3db alá vágja és megy lefelé. Kicsit átalakítottam az értékeket ami most "relative" megfelel 20Hz - 17kHz -ig átviszi a jelet de csak kb: 10dB az erősítés. Akármilyen alul-felül áteresztő szűrőket csinálok nem tudok változtatni a felső határfrekvencián. Mi lehet a probléma, vagy hogy lehetne feljebb vinni a felső határfrekvenciát hogy nagyobbat erősítsen? A hozzászólás módosítva: Máj 14, 2016
Szia! R4 legyen 2,2k, a C4 pedig 220nF! Az OP1 paramétereit átállítottad a TDA2030-nak megfelelően?
Ne agódj. A katalógus szerint 30 dB erősítésnél 140 kHz-ig tart a teljesítmény sávszélesség. Nálam ez van egy teljesítmény hanggenerátor kimenetén, ott 20 dB-t erősít, és 30kHz-ig bőven 1 dB-től kisebb a szintcsökkenés. Ez nem papítforma, hanem deprez műszer méri valós körülmények között. Talán a Tina adatbázisa nem pontos, vagy inkább ahogy "reloop" írta, nem a TDA2030-nak megfelelően van beállítva az OP1 paraméterei.
A hozzászólás módosítva: Máj 14, 2016
Sziasztok!
Köszönöm a válaszokat. A Tinában nem is volt TDA2030-as, én vettem föl de tényleg elfelejtettem paraméterezni. Most megpróbáltam de valamiért nem menti el. Lehet én vagyok a béna vagy nem tudom, mindegy nem sikerült. Mellékelem a Tina fájlt, ha valaki megtenné nekem hogy megnézi a frekvenciaátvitelt és a diagramot felrakja azt nagyon megköszönném. Most 10dB az erősítése, de szeretném ha legalább 15dB lenne. Vagyis kellene egy olyan teszt is, hogy a visszacsatolás legyen 100k és úgy mit mutat a frekiátvitelről. tothbela: ha azt mondod hogy az adatlapján lévő rajz úgy jó, akkor elhiszem és megépítem. Köszönöm. Egy osztott tápost már csináltam, az nagyon jól szól, de most egy sima tápost is szeretnék. reloop: C4 220n. R4, C3 -al az alsó határfrekit számoltam 7.2Hz ez a felsőn semmit nem változtat. Ha R4 -et növelem akkor mégjobban csökken a felső határfrekvencia. Nem? Vagy csak az én Tinám tréfálkozik velem?
Bár az ajánlott érték 22k, elég rugalmasan lehet változtatni szinte mindent. Ha 100 k-t akarsz, azzal sem lesz semmi baj. Az adatlap mutat 150k-val is kapcsolást. Az R4 értékének változtatásával beállítod a kívánt erősítést. Igaz, hogy nálam 20 dB erősítés van beállítva, a katalógus nem garantálja a stabil működést 24 dB zárthurkú erősítés alatt. 40 dB felett meg a túl nagy érzékenység miatt lehet problámás, de ez csak az én véleményem. Az alsó töréspont szimulációjára nyugottan használhatsz bármilyen műveleti erősítőt, nem lesznek eltérések. A felső töréspontot pedig egyszerűen úgy sem lehet befolyásolni, az jóval a hallható sáv felett van. Az R6,C4 meg nem arra való, hanem az biztosítja, hogy a kritikus nagyfrekvencián meglegyen a kimenet terhelése. Oda az adatlap szerinti érték a jó.
Jó az, csak az IC-t és a kicsatolót állítottam.
Értem, köszönöm. Az alsó töréspont szerintem rendben van csak a felső van túl közel a Tinám szerint. Végfoknak 10-15dB elég mert egy nagyon érzékeny erősítőt rajzoltam ami 1mV-ról "eddig" 2,18V-ra erősít torzítás nélkül és ehhez illeszteném a végfokot.
Az első előfokkal a bementi jelet lehet majd erősíteni 0 - 40dB -ig (ezt gondoltam GAIN-nek) . Ezután jön a hangszínszabályzó. Itt felerősítem az érkező jelet kb: 6x-osára (15dB). Utána raktam mégegy előfokot és annak a visszacsatolásába raktam az egész hangszínszabályzót (mély, közép, magas), a hangerőt meg a kimenetre ami a végfok felé megy, de ide is beraktam mégegy előfokot a hangerő után (+14dB) és ennek a kimenetén van most 2,18V. Tehát ha csak 10dB a végfok erősítése akkor is 6,5V körül lesz a kimenet effektív fesz. vagyis az amplitudó 9V körül lesz. Ez már így is 10W teljesítmény ami bőven elég. reloop: köszi, tetszik. Én is emeltem a kicsatolót de nem sok változás történt de most már biztos hogy a Tinába az IC paraméterei miatt. Ezeket be tudnád másolni nekem hogy beállítsam én is rendesen? Köszi.
Jelenleg ezek a beállításaim.
Mennyinek kell lenni az open loop gainnek? A többi jó?
Stabilitási szempontból kellene a hurokerősítést 20, de inkább 24 dB felé emelni, és inkább le osztani a jelet a tda2030 bemeneténél. A probléma megértéséhez azt kell tudni, hogy bármilyen erősítőnek van késleltetése. Lesz olyan frekvencia, ahol a késleltetés miatt a fázistolás eléri a 180 fokot. Ha ezen a frekvencián a nyilthurkú erősítés nagyobb mint a visszacsatoló elemekkel beállított érték, a negatív visszacsatolás pozitívvá válik, és máris oszcillátort készítettél. Ha mindenáron ezt a kis erősítést akarod alkalmazni, akkor kompenzáló tagot kell használni. Mivel az IC belsejébe nem tudsz belenyúlni, ezért egy soros RC taggal össze kell kötni az IC invertáló és neminvertáló bemenetét. Ha 10-15 dB erősítést akarsz, az R5 értéke pedig 50 k, akkor a kompenzáló tag 3k3 sorosan 470p.
Értem, köszönöm. Nem szeretném kompenzáló tagokkal bonyolítani, inkább akkor emeljük az erősítést. Mi lenne ha R5 maradna 50k, R4 pedig legyen 5k. Így 10szeres az erősítés ami 20dB és a végfok bemenetére megy majd kisebb jel. Ez így jó?
Output resistance legyen 10mOhm!
Szerk.: Ne változtass a kapcsoláson! A hozzászólás módosítva: Máj 15, 2016
Beállítottam, köszi, így már egész jót mutat végre. -3dB-nél (20.5Hz - 78kHz).
Mégegy probléma. Megnéztem Tranziensben is de 4V-nál beveri a fejét az amplitudó. Ez miért van amikor még meg sem közelíti a tápfeszt?
Egy műveleti erősítő elvi modell elég távol áll azért a TDA2030-tól, de mutatja, számolnod kell a maradékfeszültséggel. A TDA2030 a gyakorlatban sem üzemeltethető rentábilisan 1x12V-ról. Vannak erre a feszültségre céláramkörök. Most éppen egy egzotikusan hangzó STA540-et építek, ez már tekintélyes teljesítmént szolgáltat, igaz híd kimenetű, de a kicsatoló máris meg van spórolva
|
Bejelentkezés
Hirdetés |


















