Fórum témák
» Több friss téma |
Ezért nem volt tiszta nekem, hogy honnan lehet tudni hogy elegendő-e az a 6mA.
És az hogy a tartó áram 100mikróA nem segit semmiben hogy meghatározzam a trigger áramot. De lentébb kaptam grafikont a trigger árammal is. Csak ha nem tudjuk a CTR-t akkór nem tudjuk hogy a másik oldalon mennyi áramot enged át. Egyáltalán ennél a MOC3021M-nél van CTR? Mivel az adatlapi rajzon úgy néz ki mintha egy triák lenne a túlsó oldalon és nem egy tranzisztor.
Szia!
A triak trigger elem, nem értelmezhető áramerősítési tényező (CTR). A hivatkozott adatlap 4. oldalán a megjegyzések 2. pontban szereplő első mondat szerintem hibás, vagy legalábbis nagyon könnyen félreérthető. Az optotriak biztos gyújtásához az IFT-t meghaladó áram szükséges, amint ez a második mondatból kiderül. Azonban ebben is van egy másik félreérthető megfogalmazás, mintha IF értéke (a 3. oldal közepén megadott) lenne az abszolutt legnagyobb adható áram, miközben ez a folyamatosan megengedhető maximális áramérték, ami rövid időre túlléphető. Sőt ez a túllépés "kötelező", ha rövid impulzusokkal akarunk gyújtani. 6 ábrán adja meg a szükséges növelés értékét. A neten található rajzok sokszor hibásak, vagy legalábbis a méretezésük nem tökéletes. Az általad fellelt rajz is ezek közé tartozik. Az esetek nagyobb részében működik, mivel a tipikusan szükséges gyújtóáram kb. csak a fele az adatlapban megadott határértéknél (lásd pl. a Texas adatlapjában). Jelen esetben azért növelhették meg az R5 értékét, hogy az arduino kimenetét ne terheljék le túlságosan. A hozzászólás módosítva: Máj 17, 2016
Köszönöm szépen Peter65,
Ez egy minden félreértést eloszlató válasz volt. Nem akarok senkit fikázni, mert én se értek a dolgokhoz, de hogyha valaki nem tud valamit, akkór jobb ha halgat és nem visz be az erdőbe a hamis állitásaival(ezt otvenkilenc-nek irom). Igy már teljesen más a gyerek fekvése. Ahogy láttam az adatlapban, lehet választani MOC3023M-et aminek az IFT-je csak 5mA, az arduino kijövetének megterhelése elkerüléséért. Peter65, lenne még egy kérdésem hozzád, mégpedig az, hogy pontosan hogyan számolódik ki a triák meghúzására megfelelő ellenállás, esetünkben az R6, rajz itt újra. Azt olvastam, hogy a MOC302XM-en is van egy feszültség esés (~2V talán) és 100mA-ert enged át magán. De sajnos ezekben nem vagyok biztos. Örülnék ha kaphatnék erre egy megerősitést vagy kijavitást.
Lehet érzékenyebb optotriakot választani, de annak ára van. Nem csak a kereskedelmi árra gondolok (általában az is magasabb), hanem arra, hogy az érzékenyebb triakok (és ez nem csak az optotriakokra igaz) du/dt állóképességük gyengébb, azaz egy zavar feszültségre könnyebben bebillenhetnek.
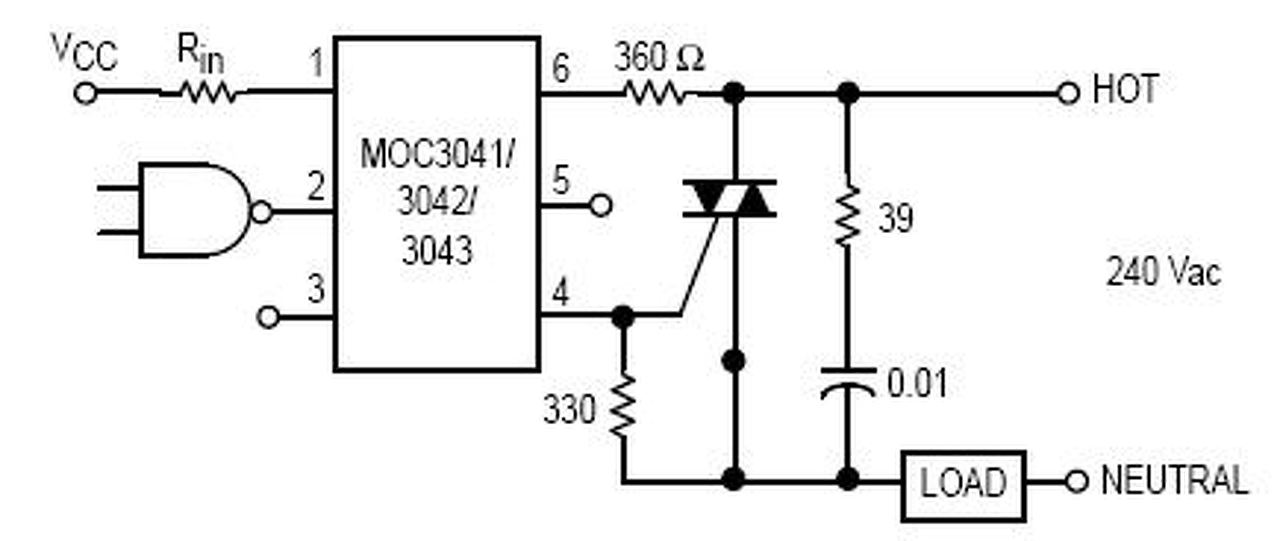
Az R6 választásáról. Ha az áramkör rendben működik, akkor csak a kapcsolás időtartamára esik feszültség az R6-on. Ez az idő nagysága nagyon sok mindentől függ (melyik negyedben kapcsolunk, mekkora a gyújtóáram, a terhelésen mekkora meredekséggel nő az áram stb.), de nem követünk el nagy hibát, ha kb. 10usec-kel becsüljük. Ez a kapcsolásban mind az optotriak, mind a kapcsolt BT138 gateje szempontjából rövid idejű impulzus igénybevétel, ami az optotriak adatlapja szerint max. 1A lehet (ITSM), a BT138 gate-je 2A-t is elviselne (IGM). A legnagyobb áram akkor alakul ki, ha 90°-on gyújtunk, a hálózati feszültség csúcsértékénél. 230Vac esetén a csúcsérték 325V, tehát a 360 ohmos ellenállás választása megfelelő (az ototriakon eső feszültséget egyszerűen elhanyagoltam, mert az a 2-3V nem sokat befolyásol). A félvezetőket kevésbé venné igénybe, ha nagyobb értéket választanánk, de ha 0°vagy 180°közelében gyújtunk, akkor egyre kisebb a hálózati feszültség pillanatértéke, és így egyre kisebb a gyújtóáramunk. Ha a szabályzókör gyújtásszög korlátai ismertek, akkor azok függvényében érdemes nagyobb értéket választani. Az R6 választásánál célszerű figyelembe venni a gyújtáskor rajta eső viszonylag nagy feszültséget, és a viszonylag nagy impulzus teljesítményt. Nem jó választás, ha egy smd ellenállást teszünk be. Ha smd, akkor mindenképpen több soros ellenállást kell betervezni, furat szerelt kivitelben is szerencsésebb, ha legalább kettő darabból áll, vagy legalábbis egy robusztusabb ellenállást választunk.
Közben kaptam egy dokumentáció féleséget ehhez a MOC302XM-hez (lásd itt) Ezt tanulmányozgatva nagyjából megértettem amit irtál. Mielött leirtad volna a 360 ohmos ellenállást, én is ezt az értéket számoltam ki(örömömre szolgál, hogy megerősitést kaptam ebben). A szabályzókör gyújtásszögei nincsenek korlátozva. Ez a vezérlés egy motort (max 400W) fog majd megvezérelni 0-100%-ban. Nem szeretnék semmiféleképpen smd ellenállást használni (legalább is egyelőre). Hogyan tudom kiszámolni hogy hány W-os legyen az emlitett ellenállás?
Én valójában egy BT136-600E tipusu triákot szeretnék használni, IGM itt is 2A és ahogy néztem 4A-ert képes kapcsolni, ami elegendő lesz, szerintem, a motor vezérléséhez. Ha ezt az adatlapod újra megnézed, és megkeresed benne a 13-as Figure-t, 7-es oldal, akkór látni fogod, hogy én melyik kapcsolást akarom megvalósitani. Úgy ahogy az adatlapban van, és nem úgy ahogy elsőként küldtem a kapcsolási rajzban.
Az ellenálláson viszonylag kicsi az átlagdisszipáció, legrosszabb esetben sem éri el a 0,5W-ot (10msec-es félperiódusban 10usec-es kapcsolási idő alatt P=U*U/R=325*325/360=293W, az átlaga az ezrede, azaz 293mW). A nagy impulzus terhelés és a feszültség igénybevétel miatt azonban már az előző hozzászólásomban is egy robusztusabb ellenállást javasoltam. A leggyakoribb 0,6W-os ellenállásra 300V-os üzemi feszültséget adnak meg, ami lehet hogy a kínaiak szerint még éppen jó, szerintem meg már éppen nem jó. Az 1 és 2W-os ellenállások is általában 300V-osak, a 3 és 5W-osok szoktak 500V körüliek lenni, de az adatlapokat célszerű ellenőrizni. A műszakilag legjobb a huzalellenállás (kiváló impulzusterhelhetőség és feszültség igénybevehetőség), a gazdaságossági optimum 2db 0,6W-os sorban.
A 13-as ábra jó, mert a túlfeszültségeket leszedi, de néha probléma lehet, hogy a kondenzátoron fáziskéséssel jelenik meg a hálózati feszültség, ami kis gyújtáskésleltetésnél problémákat okozhat. Neked valószínűleg jó lesz, mert a motor feltehetőleg elég induktív lesz ahhoz, hogy az árama annyit késsen, mint a kondin a feszültség. A kondenzátor előtt lévő ellenállást is célszerű 2db 0,6W-os ellenállásból összerakni a hálózati és kommutációs túlfeszültségek miatt. A gyújtásszöget szerintem korlátozni kellene. Elöl a motor induktív jellege, illetve az előbb részletezett kondenzátor fázistolása miatt. Hátul pedig azért, mert érdemes biztonsági szögtartalékot adni, hogy nehogy 0°-os gyújtás legyen a 180°-osból. A szinkronozó egységnek is lehetnek hibái, ami a gyújtásszög jitter-ében jelenhet meg, ami miatt szintén ajánlott a szögtartalék.
Találtam ellenállásokat (360Ohm) ami 350V-on müxik. Az gondolom már jobbacska:
1 - MF0207FTE-360R 2 - MBB02070C3600FC100 Úgyhogy ez cserélve lesz. A kondenzátor elötti ellenállást 1200Ohmra számoltam. A megfelelő ellenállás neki, figyelembe véve a feszültséget is: 1 - MF0207FTE-1K2 A kis értékü ellenállást is kicseréltem ezuttal: 1 - MF0207FTE-39R A gyújtásszöget korlátozom 5%-al mindkét irányból. Beszéltünk arról, hogy nagyon kicsi lesz a kapcsolási idő(10us). Ha például azt akarom, hogy a megvezérelt motor 50%-on működjön, elég ha adok egy megvezérlési impulzust 90°-nál és az elegendő? Vagy 90°-tól 180°-ig folyamatosan kell tartsam a kapcsolást? Vagy 90°-tól 180°-ig kell adjam az impulzusokat a kapcsolásnak?
A trigger elemek bekapcsolása, vezetésben maradása összetett kérdés. A 10usec-et arra becsültem, hogy felfut a gyújtóáram, és a triakon a feszültség lecsökken, megindul az áramvezetés, aminek ütemét már a terhelőkör szabja meg elsősorban.
Ahhoz hogy vezetésben maradjon a trigger elem, fel kell épülnie a tartó áramnak. Ha a terhelő kör ohmos, nincs semmi ami korlátozná az árammeredekséget, akkor a gyújtóáram nagysága és ideje fogja biztosítani a félvezető belsejében az egyes rétegek töltésekkel való ellátottságát, és ahogy ez megtörténik, a rétegek teljes felülete vezetésbe kerül. (Ennek részleteit fejből nem fogom tudni leírni, ha ilyen mélységek érdekelnek, javaslom Lóska Péter könyveit, magyar nyelven szerintem ő írta le ezeket legjobban.) Tehát ezért van, hogyha nagyon rövid a gyújtójel, akkor annak intenzívnek kell lennie (a 2,5A az félreértés, normalizált értékekről van szó, 10mA IFT mellett ez 25mA jelent). A gyakorlatban azonban nem tiszta ohmos terhelésekkel dolgozunk, különösen nem egy motor esetében. Ha a terhelés korlátozza az áramfelfutást, a gyújtójelet addig fent kell tartani, amíg a tartóáram kialakul. Ilyenkor nem segít a rövid intenzív gyújtóáram, mert hiába tettük hamar vezetőképessé a triakot, nincs áram, ami ezt fenntartaná. Egy átlagos kommutátoros motornak elég szokott lenni kb. 1msec széles gyújtójel, de nem hiba ha hosszabbat használsz, ha van rá teljesítményed. A gyújtójeled vége azonban ne lógjon a korláton kívülre. Ez azt jelenti, hogy nagy gyújtásszögeknél keskenyebb lesz a gyújtójel. Érdemes lehet a hátsó korlátot kettő részre bontani; mondjuk 170°a hátsó gyújtásszög korlát, de a gyújtójeleket 173°-nál elveszed. Így a leghátsó gyújtásszöghöz nem nulla szélességű a gyújtójel tartozik, van esélye a vezetésbe kerülésnek. A választott kapcsolásod további pontosításokat igényel, mivel itt kettő triak van egymás után. Az átmeneti folyamatokból kettő van, és ezek egymásra hatnak. Előállhat az a kedvező helyzet, hogy a gate körön az optotriak vezetésben marad addig, amíg a második fő triak tartó árama kialakul, mert a kondenzátor biztosíthatja a vezetésben maradását. Ha ezt is figyelembe vesszük, akkor elég lehet egy 100usec-es, vagy még keskenyebb gyújtójel is.
Probálom feldolgozni amit irtál. Beleolvastam az általad emlitett Lóska Péter könyvébe is. Többekközt azt is olvastam benne, ha induktiv terhelésünk van, akkór a gyújtáskésleltetésnek(alfa) vannak határai: pi>alfa>pi/2. Tehát a korlátozás 95°-tól 173°-ig lesz elméletileg.
Még azt is irja hogy célszerű széles vagy sűrűn ismétlődő gyújtójeleket alkalmazni. Ez azt jelenti hogy vagy 95°-tól 173°-ig hagyok egy széles gyújtójelet vagy ugyanebben a skálában kapcsolgatom? Letöltöttem az Eagle nevezetü programot, hogy csináljam meg a kapcsolási rajzot, amit majd feltöltök, hogy lássuk mire jutottunk idáig.
Ahhoz, hogy teljesen tisztázni tudjam amit leírtál, jó lenne ha magadnád a könyv pontos címét és a kiadás évét, illetve hogy melyik oldalon olvastad.
Így láttatlanban, szerintem amit leírtál, az a teljesen vezérlet áramirányítókra igaz. A triak váltakozó áramú szaggató (mintha kettő tirisztor antiparalle lenne kötve), ahol pont fordítva van, a felső szögtartományban lehetnek problémák. Csatolok egy linket, ahol ezekről van némi leírás. Bővebben: Link A linken a 9.5 ábrán egyberajzolva láthatod különféle terhelések esetén a vezérlési jelleggörbét. Ha végigigondolod, belátható, hogy egy tiszta induktív terhelés esetében az áram 90°-ot késik, azaz 0...90°-os tartományban nem lehet korrektűl beavatkozni. R-L terhelés esetében az arányoktól függően valahol 0°és 90°között van ez a határ(a hivatkozott ábrán a kék színű karakterisztika), ezért javasoltam korábban, hogy érdemes előre gyújtásszög korlátot tenni. Hozzá kell tenni, hogy az univerzális motor helyettesítő képe nem R-L terhelés, hanem van belső feszültsége is, ami miatt még összetetted a helyzet. Első közelítésben persze gondolkodhatsz R-L terhelésben is. A gyújtójel hosszáról már írtam, és továbbra is úgy gondolom, ahogy fentebb írtam. Opto triakos gyújtásnál szerintem egyszerűbb folymatosan gyújtani az ototriakot, mint impulzus sorozattal variálni. Az impulzus sorozatot a kisméretű impulzus trafók miatt használják, de akkor ott transzformátor biztosítja a leválasztást és gyújtójel átvitelét.
Csatolom az oldalt a könyvből amiből olvastam. A cime Teljesitmény szabályozás gyújtásszögvezérléssel, az oldalszám pedig látszik a képén is. Kiadási év: 1984
Köszi a linket, áttanulmányozom azt is egy kicsit.
Nem voltam elég figyelmes. Ami a könyvben van és amit leírtál az ugyanaz amit én is írtam, vagy a linken megtalálsz. A megfogalmazásod volt nekem félreérthető. Én inkább így írtam volna le:
A hasznos gyújtásszög tartomány tisztán induktív terhelés esetén: pi/2 < alfa < pi, azaz 90°< alfa < 180°
Na egy kis megkinlódás után, elkészült a kapcsolási rajz is. Mellékelem a teljes megnevezéseket is:
U1 - MOC3022M U2 - H11AA1M U3 - BT136-600E R1 - MF0207FTE-330R R2 - MF0207FTE-360R R3 - MF0207FTE-1K2 R4 - MF0207FTE-39R R5,R6 - MOF3WS-33K R8 - MF0207FTE-10K C1 - CCH-68P C2 - CCH-10P Nem tudom miért, de kimaradt az R7-es. Majd kijavitom. Esetleg le tudod ellenőrizni Peter hogy minden jól lett-e kigondolva?
Hello!
- Azok a pF-on, nF-ok lennének és X2 típusú 275Vac kondik. - A triac meg önmagát fogja rövidre zárni? Baja nem lesz tőle, az biztos.. A hozzászólás módosítva: Máj 20, 2016
Elég sok rajzolási hiba került bele, amire Proli007 is célzott:
A hálózati csatlakozási pontokat rövidre zártad azzal, hogy a triak fölött hosszabbra húztad a vonalat. A triak alsó vége nem lett a hálózathoz kötve. A bal szélső függőleges vonallal a triakot rövidre zártad. A hálózati csatlakozási pontokra nem szabad ezt így rákötni, a terheléssel kellene sorba kötni. Feltételezem, hogy így gondoltad, de rajzon nem így van. Proli007-nek abban is igaza van, hogy elírtad a nagyságrendet, pF-ot írtál nF helyett. Proli007 X2 típusú kondenzátorokat ajánl, de szerintem még azoknál is jobbat kellene választani. Kifejezetten impulzus tűrő kondenzátorok kellenének, a Wima MKP10 típusánál gyengébbet nem kellene választani. Az R4 és C2 kiválasztásának helyességét nem tudom megerősíteni. Látom, az adatlapból vetted, de ott sem a triak típusa, sem a terhelés jellege nem definiált. Korábban elég sokat foglalkoztam a túlfeszültség-védelmi elemek kiválasztásával, méretezésével. A tirisztorok esetében nagyjából világos a helyzet, de a triakokra a különféle források nagyon eltérő megközelítéseket és számolási eljárásokat hoznak, amiknek az eredménye is nagyon eltérő. Mindenesetre én inkább 47nF-t vagy 100nF-t ajánlanék, mint 10nF-t. Ha növeled a C2-t, akkor viszont azt R4 ellenálláson növekszik a disszipáció, legalább 2W-os típust kellene választani. Még kettő szempont a triak választással kapcsolatban: 1. A rajzodon egyenlőre nem szerepel olvadó biztosító, a terhelés áramfelvételét sem emlékszem, hogy írtad volna. Érdemes lenne úgy összeválogatni az elemeket, hogy legyen esélye a biztosítónak a triakot megvédenie. Egy átlagos gyors 4A-es biztosító (nem biztos, hogy ekkora kell, csak a triak választásodból kiindulva írtam) nem tud megvédeni egy 4A-es triakot (I2t értékeket kell nézni), érdemes 16-20A-es triakot használni. Árban nem sokkal drágább, de néhány biztosító kiolvadást biztosan ki fog bírni. Ha a konkrét értékeket megadod, akkor segítek a választásban. 2. A túlfeszültség-védelmi méretezésben lévő bizonytalanságok miatt én inkább 800V-os típust választanék.
Huha, kicsit elrontottam a rajzomat, siettem és nem figyeltem. Ma fel fogom tölteni a javitott változatot, figyelembe véve azokat a tényezőket amiket Péterrel ajánlottatok.
Javitottam a rajzon lévő hibáimat. Csatoltam az újabb rajzot.
A szabályzó kör szerepe maximum 1kw-os 230VAC monofázisos motor vezérléséhez készül. Azért választottam csak 4A-os triákot. A tiákot kicseréltem egy 25A, 800VAC-re, erre. Egyelőre igy hagytam az R4 és C2-es értékeket. Olvasgattam még a Snubber körökről és úgy tünik, hogy általánosan 4-40A-es triákoknál 50A/us és köruül belöl 47 ohmos ellenállást javasolnak. Ha találok egy jobb leirást majd ezen még javitok. U1 - MOC3022M U2 - H11AA1M U3 - BTA140-800 R1 - MF0207FTE-330R R2 - MF0207FTE-360R R3 - MF0207FTE-1K2 R4 - MF0207FTE-39R R5,R6 - MOF3WS-33K R7 - MF0207FTE-10K C1 - MKP1J026804D00KI00 C2 - MKP1J021003C00KI00
Az olvadó biztosító gyors legyen, "F" betűvel jelölik, tehát F4A-t kellene írni.
A túlfeszültségvédelemről linkelt leírásban a 12. ábrán 4A-hez 47ohmos ellenállás esetében kb. 130nF-t javasol. Szóval nyugodtan megnövelheted egy nagyságrenddel kb. 100nF-ra. Megnövelheted az ellenállást 47 ohmra, vagy még egy kicsit nagyobbra, nem lesz olyan "kemény" a védelem, de kevésbé lesz hajlamos a belengésre. Ha nagyon profi vagy, akkor R3C1 méretezhető úgy, hogy R4C2 ne kelljen.
Javitottam az biztosíték jelőlését F4A-ra.
Az R4C2-öt újraméretezem. De nem vagyok egyáltalán profi ahhóz hogy R3C1-ből meg tudjam oldani. Lehetséges egyáltalán? És ha igen, az adatlapokban ezeknél a kapcsolásoknál miért nem úgy oldották meg egyből? Lassan megvan a nyáktervhez szükséges minden információ. A triák ami kiválasztottam jó lesz? Lehet hogy újra kell számolnod az új triák miatt az R2-est meg azután az R3C1-et is.
A túlfeszültség védelem R tagját általában nem vesszük túl nagyra, mert akkor nem sokat fog a kondenzátor. Ha túl kicsi, akkor a körben lévő induktív tagok miatt az LC kör hosszasan lenghet. Ha az adott terhelés mellett létezik olyan R tag, ami mellett még fog a kondenzátor, de nem leng a kör, akkor biztosan meg lehet csinálni egyben. De ismétlem magam, nekem is több a homály mint a biztos pont.
A nyáktervezésnél vedd figyelembe a kúszóutakat is. A 230V-os részeknél legalább 5mm legyen a vonalak távolsága, de ha lehet inkább 7,5 vagy 10mm. Szerintem jó lesz az új triak. A tartó árama ami lényegesen nagyobb, de te nem mA-es tartományban szeretnéd használni. Az R2, R3C1 méretezése csak kis mértékben függ a triaktól, és az új triak gyújtási jellemzői nem térnek el lényegesen a régitől.
Sziasztok!
Szeretnék egy nagy teljesítményű rezisztív fogyasztót (6A-10A) kapcsolni egy BT138-as triákkal. A gate meghajtása moc3021-el történik, az áram egy 500 ohmos ellenállással van szabályozva. A mért adatok alapján a T1-T2 között 8V esik 220V-os táp esetén, és a triák 1 perc után tűzforró. Mi lehet a gond, miért forrósodik a triák? Köszönöm!
Szia!
Ha nincs a triakon hűtés, természetes, hogy tűzforró lesz. Mérd meg az átfolyó áramot, a triak főcsatlakozók közötti feszt és számold ki a wattot, ami melegíti.
A triakon begyújtott állapotban is esik 1...1,5V. Ez 10A esetén 10...15W, amihez már korrekt hűtőborda kell. Tehát a melegedés természetes - megfeleően kell hűteni.
A 8V-nak mért feszültségesésre több magyarázat is lehet a mérési hibán kívül, pl. ha nem gyújt be a triak a nulla átmenetnél, csak később, akkor addig jelentős feszültség is eshet rajta - a műszer meg átlagol. Lehet, hogy az 500ohm sok, és/vagy az optotriak ledjén kellene nagyobb áramot áthajtani. A soros ellenállást a max gate áram, és a MOC max áramának figyelembe vételével kell méretezni. De rezisztív fogyasztóhoz, és minden olyan esetben amikor nem akarunk fázishasítással szabályozni, illene nullaátmenetes optotriakot használni, hogy ne keltsen felesleges zavarokat.
Sziasztok!
Próbanyákon megépítettem az alábbi alapkapcsolást 2x (ellenállások nem pontosak, de egyformák), a BT137-es triakkal készített az jól működik, lenyomom a gombot, 238V megvan, világít az izzó, elengedem, nem világít. A BTA16-osnál nem ennyire jó a helyzet, ott gombnyomásra ~180V átlag van, és a képen 360 (nálam 2x220) Ohmos ellenállás melegszik, füstöl. A BT137-es verzió a 330, 39 Ohmot és a kondenzátort elhagyva is tökéletes, ha a BTA16-nál hagyom el, akkor begyújtva marad a gomb elengedése után is.Gondolom ki-be kapcsolgat a MOC, ezért a melegedés és a 180V is, de hol kezdjem a hibakeresést? A hozzászólás módosítva: Jan 8, 2018
Nem tudom mi a probléma de tudomásom szerint a 39 ohm és a kondi az induktív eszközöknél szükséges.
Igen az a snubber rész, az adatlapjában írják, hogy azt az ellenállást növelni is kell, ha nagyon induktív a terhelés. Nekem ez egy 1500W-os fűtőtest lenne, ha működne (jelenleg izzó). Holnap szerintem kicserélem az összes alkatrészt, ha nem lesz valakinek jobb ötlete.
A BTA16 érzéketlenebb, ezért az optónak adjál nagyobb áramot ( Rin csökkentés, adatlap ), a 2x220-at is csökkentsd le 330 ohm-ra és a soros RC-t hagyd bent.
Ha így is problémád van, a BTA helyett keress egy érzékenyebb típust, ami tudja a szükséges terhelőáramot is. Az egyik félhullámban nem tud így begyújtani.
Szia! Rin 220 Ohm lett, lecseréltem mindent a kép értékeire, nem lett jó. A 360-at is 220 Ohmra cseréltem, így meglett 240V, viszont kb. 15 másodperc működés után begyújtva marad a BTA. Ha a MOC 4-es lábát egy RC taggal nullára húzom, akkor működik tökéletesen. Lehet ennek bármilyen hátulütője?
Az elég furcsa, mert ezzel a gate lekerül a "neutral"-ra, A1 meg a terhelés tetején van és kapásból tönkremenne a gate-A1 átmenet. Biztos jól írtad?
|
Bejelentkezés
Hirdetés |










