Fórum témák
» Több friss téma |
Mielőtt kérdezel, a következő két dolgot ellenőrizd!
I. A helyes tápfeszültségek megléte.
II. A kimeneten van-e egyenfeszültség.
Élesztés.
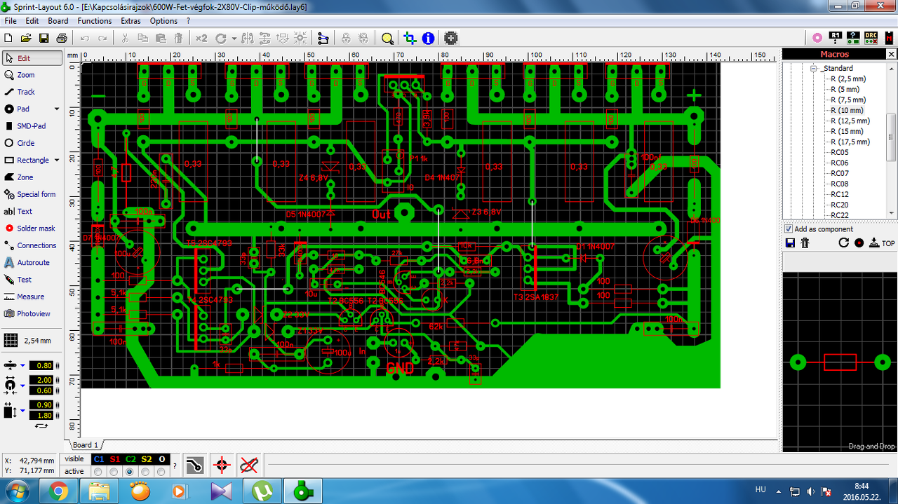
Sziasztok. a hibák kijavítva minden feliratozva lett. és kapott egy clippet is . Hea esetleg találtok híbát kérlek jelezétek köszönöm.
sziasztok(!) kész lett az erősítőm(!) 2*200w 35000ft-ba volt az egész(,) trafó nélkül(.)
Idézet, a fórum szabályzatából! "Minden felhasználónkat arra kérünk fogadja el, hogy a Hobbielektronika.hu fórumán - más fórum oldalaktól eltérő módon - a magyar nyelvünkkel szembeni tisztelet jegyében magyarul, helyes mondatokkal és az interneten terjedő "MSN és facebook szleng" nélkül kommunikálunk, és ezt minden esetben elvárjuk és megköveteljük. Moderátornak joga van és az oldal fenntartói egyben kérik is a moderátorokat, hogy jelezzék a hibát és követeljék meg magyar anyanyelvünk helyes használatát. " Kérném ezt betartani a továbbiakban! (sz) A hozzászólás módosítva: Máj 23, 2016
Én örömmel nézegetek erősítőkről készült képeket, de ebben sajnos csalódnom kellett.
Látszik a sok munka, de ha már ennyi energiát fektettél bele, akkor megérdemelne sokkal jobb képeket. Ezt értem a fotók minőségére, és a képek témaválasztására is. Manapság már egy átlagos telefon is lényegesen jobb képeket készít, illetve a fotók tárgyát is úgy kellene megválasztani, hogy azoknak minél nagyobb legyen az információ tartalma. Ez utóbbi lehet egy globális nézet, de akkor legyen globális, vagy egy-egy részlet kiemelése, de akkor az legyen kiemelve.
A clip áramkört nézd át, az emitter-ellenálláshoz és a 100µF-hez kell bevinned a negatív tápot, így sorra miden rossz helyre került. Eggyel több ellenállást számolok a kelleténél.
A csillagpontos testvezetést továbbra is hiányolom és csatlakozom az előttem szólóhoz az ellenállások méretét illetően.
Szerintem egyre rosszabb lessz. Mi az a kondenzátor megoldás ott vékony kilóméter hosszú vezetősávval a tápvonal végén?
ITT EGY KICSIT JOBBAN LÁTSZIK
az R tag elé került a kondenzátor és csak így fért el.
A hozzászólás módosítva: Máj 23, 2016
már mindegy ki van marva nyomtatva(.)
A hozzászólás módosítva: Máj 23, 2016
Sziasztok!
Kezem alá került egy Sirus Pro DXA 600-as végfok. Hibajelenség: gerjed. Letekert potméter esetén a leghangosabb a búgó hang. A végfokra csatlakozó tápcsatlakozókon mérten a csatolt képen látható jelalakot. Szerintetek melyik alkatrész okozza ezt a fűrészjelszerű zavarjelet? Válaszotokat előre is köszönöm. Üdv
Szia! Mérd ki a Boucherot celláját! Az ellenállás elszíneződött?
Nem látni elszíneződött ellenállást.
De megmérem őket!
Sziasztok!
Az erősítendő jelet a bemenet és az előfok között árnyékolt vezetéken szeretném vinni. Jelenleg csak 4 erű vezetékem van, és arra gondoltam, hogy mivel csak kettő lesz felhasználva belőle, a másik kettőt összekötöm az árnyékolással. Szerintetek lenne értelme neki? Vagy csak rontanék a dolgon?
Üdv!
Jó ötlet. Bár én mindig földre kötöttem ha négy eres vezetékem volt.
Szia! A két szabad éren vidd a jelhez tartozó testet, az árnyékolást pedig csak az egyik végén kösd testre!
A jelek testeit közvetlen a csillagpontba terveztem bekötni, külön az előerősítőbe nem is akartam bevinni. Vagy be kellene? És akkor az előerősítőn keresztül fog csatlakozni a csillagponthoz?
A válaszhoz ismerni kéne az erősítő és a táp felépítését.
Ez az előerősítő, pontosabban csak egy hangszínszabályzó.
A végfok KD Mester, Conductor V2 névre hallgató kapcsolása lesz. Táplálása pedig Dual-Mono rendszerű lesz, csak nem 2, hanem 4 transzformátorról, mert csak így tudtam megoldani. Mindegyik trafó 1 szekunder körrel rendelkezik, ami nem középmegcsapolásos. Emiatt 4 egyenirányítás lesz, 2x +30V és 2x -30V. Hogy mind két oldal nulla pontjának külön-külön hozzak létre egy csillagpontot, vagy egy helyre közösítsem azokat, azt még nem tudom, hogyan csináljam. Mivel a bemeneti jelek testpontjai már eleve közösek, ezért gondoltam arra, hogy csak egy csillagpontot csinálok. És ide terveztem bekötni minden testpontot, köztük a bemenő jelekéit is.
Ebben az esetben a hangszínszabályzó kimeneti testpontjait kösd össze a végfok bemeneti testpontjaival. A bementi csatlakozó test pedig menjen a hangszín bementi testhez.
Semmi csillagászat!
Értem, szóval akkor sorosan legyenek összekötve, mármint a testpontok.
Egy magyarázatot is kaphatnék hozzá? Miért így kellene kötni?
Javítsanak ki ha valamit rosszul sejtek. Szerintem azért, mert a legrövidebb úton kell annak a feszültségnek menni-e (közvetlenül kell mennie, kevesebb zavart kelt).
Így csak azon az egyetlen jelföld vezetéken folyik némi tápszűrő áram amelyik végfokról a hangszínt táplálod. (egy ötödik trafó/szekunder lenne az abszolút perfekt megoldás)
Így már értem.
Idézet: „A bementi csatlakozó test pedig menjen a hangszín bementi testhez.” A hangszín panelen még nincs kialakítva bemeneti test pont. Ezt hogyan tegyem meg? Csak egy sima pont legyen, ami csatlakozik a panelon található többi nulla ponthoz?
Szia!
A képen látható ellenállásokra gondoltál? Mert azoknak megfelelő az értéke.
A hangszínpanelen viszont van létjogosultsága a csillagpontnak, melynek magvát a tápszűrő kondik kell képezzék.
A kimeneten keress soros RC tagot, Zobel-nek is mondják. Egy korábbi gerjedés, vagy akár a magasak túlerőltetése is elnyírhatta.
Ez természetes, a csillagpontos huzalozást a paneleken is alkalmazom, nem csak a modulok között.
Köszönöm a válaszokat (neked is Trivium93), nincs több kérdésem
De az a hangszóró kimeneten van nem?
De nekem a zavarjel a táp kimenetén van. |
Bejelentkezés
Hirdetés |

























