Fórum témák

» Több friss téma
Fórum » Dióda helyettesítés
 
Témaindító: zoly15, idő: Jún 2, 2007
Lapozás: OK   13 / 21
(#) attys71 hozzászólása Máj 4, 2016 /
 
Sziasztok! Az lenne a kérdésem ,hogy van nekem GDK-2 jelű diódám tudnátok valami támpontot adni a V ,A vonatkozásában? Nem találok róla semmit a neten. Köszi a segítségeteket!
(#) granpa válasza attys71 hozzászólására (») Máj 4, 2016 /
 
GDK-2: 100V, 300mA. Imax.3A/10ms.
(#) gerenk válasza granpa hozzászólására (») Máj 4, 2016 /
 
Nem árt tudni hogy germánium dióda és a nyitófeszültsége 300-400 mV körüli
(#) granpa válasza granpa hozzászólására (») Máj 4, 2016 /
 
Ez lemaradt, bár az adatlapja szerint több.
(#) attys71 válasza granpa hozzászólására (») Máj 5, 2016 /
 
Köszönöm az útbaigazítást uraim!
(#) braner hozzászólása Máj 5, 2016 /
 
Sziasztok!

Tudna valaki segíteni?A következő diódákhoz keresek helyettesítőket:

MA165TA
MA4056MTA
RL1N4003N02

Köszönöm előre is.
Szép napot
(#) gerenk válasza braner hozzászólására (») Máj 5, 2016 /
 
Szia !
Csak az elsőt néztem meg, de igen speciális ultragyors kapcsoló dióda, 100 V 500 mA
4 pF kapacitás, és 8nS gyorsaság. Nagyon nehéz helyettesítőt találni, ha van akkor az SMD
tokozású. Ha jól látom TV kapcsoló üzemű tápjában használatos ?
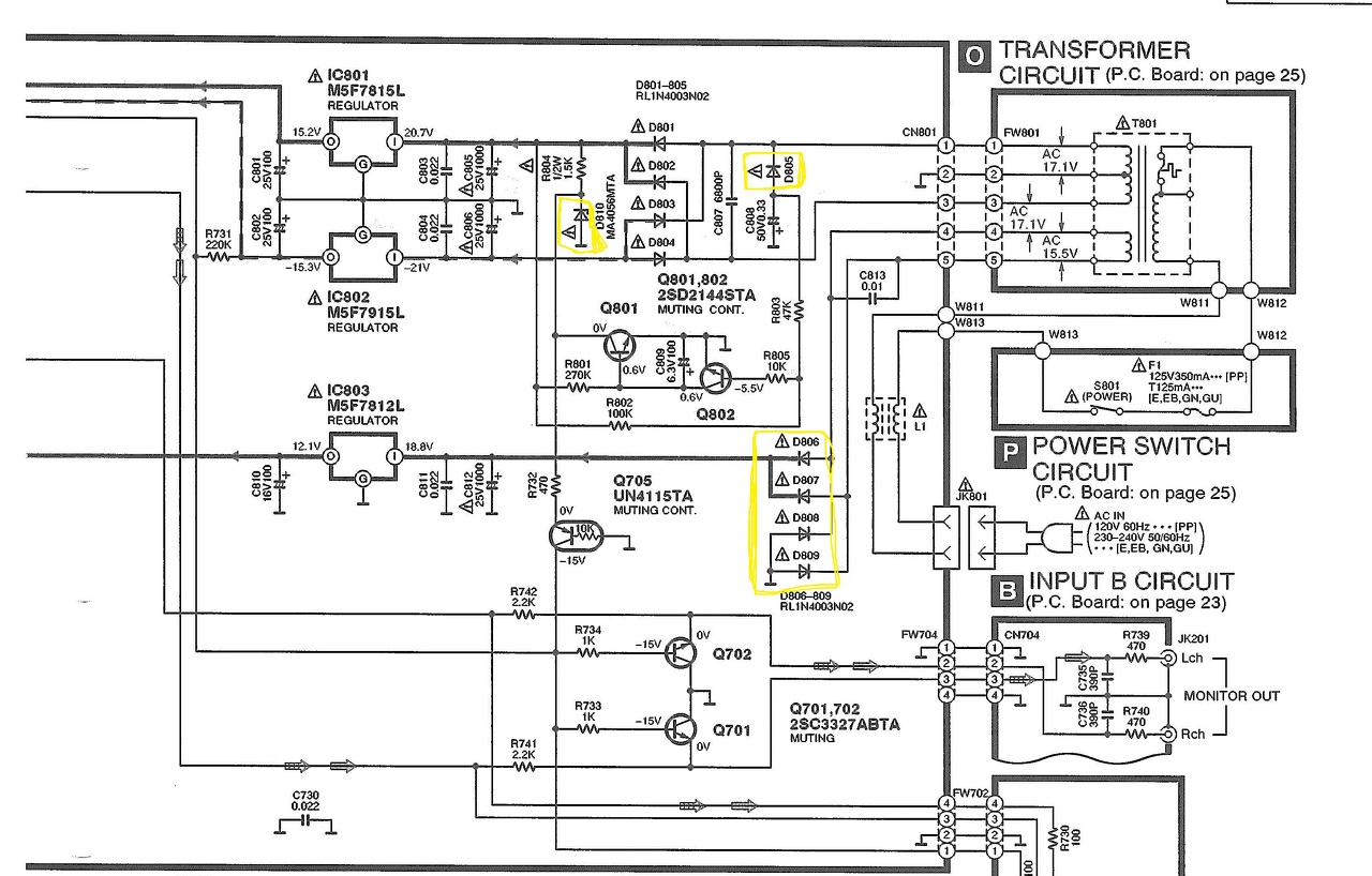
(#) braner válasza gerenk hozzászólására (») Máj 5, 2016 /
 
Halihó!
Egy TECHNICS keverőben van.A kivezérlésjelző IC előtt van.Sárgával bekarikáztam.
Csatolom a képet.
Szép estét
(#) gerenk válasza braner hozzászólására (») Máj 5, 2016 /
 
Megadták a módját, nem kínai, ultra alacsony zajszámú dual OPA, 100 MHz tranzit frekvenciájú
tranzisztor, ultra gyors kapcsolódióda.
Jó helyette BA318, BAY69, BAY71, 1N4148, 1N4149
A hozzászólás módosítva: Máj 5, 2016
(#) gerenk válasza braner hozzászólására (») Máj 5, 2016 /
 
A többit ha bejelölöd hol van, jobban megtaláljuk a megfelelőt. A második MAZ4056 lenne
a PANASONIC katalógus szerint egy 5,6 V-os zener.
Egyébként mi történt a diódákkal?
(#) braner válasza gerenk hozzászólására (») Máj 5, 2016 /
 
Semmi nem történt a diódákkal.Csak azon gondolkozom, hogy meg lehetne építeni.
Ha jó az 1N4148 dióda akkor miért nem azt rakják bele a gyártásnál?Soha nem értettem miért kell egyedi alkatrészeket gyártatni a tervezőknek.
A többi a táp részben van.
(#) gerenk válasza braner hozzászólására (») Máj 5, 2016 /
 
Elég nagyok ahhoz hogy megbízásokat adjanak a félvezetőgyártóknak.
A többi dióda semmi különleges, a 4056 egy 5,6 V zener, jó helyette ZY5,6
az egyenirányító diódák típusa már mutatja a helyettesítőjét is 1N4003 de lehet
a sorozat többi típusa is pl 1N4007
(#) braner válasza gerenk hozzászólására (») Máj 5, 2016 /
 
Köszönöm a a segítséget.
További szép estét
(#) jointsilver36 hozzászólása Jún 21, 2016 /
 
Sziasztok!Megtudná nekem mondani valaki,hogy a OA71 típusú diódát mivel tudom helyettesíteni?
Előre is köszönöm.
(#) kadarist válasza jointsilver36 hozzászólására (») Jún 21, 2016 /
 
Szia!
Keress valamilyen másik OA-val vagy AA-val kezdődő típust.
A hozzászólás módosítva: Jún 21, 2016
(#) vargaf válasza jointsilver36 hozzászólására (») Jún 21, 2016 /
 
Itt van egy kapható típus:
1N34A
(#) gerenk válasza vargaf hozzászólására (») Jún 21, 2016 /
 
Nem jó a nyitó és zárófeszültsége az adott alkalmazásban.
AA117 AA118 típust ajánlok, feszültségek nyitó áram megfelelő.
Aránydetektorokban használatos Ge tűsdiódák.
(#) Hp41C válasza jointsilver36 hozzászólására (») Jún 21, 2016 /
 
Egy csomó germánuim dióda kapható (még) a HAM bazár -ban: 1D507A, D9B (~OA1160), D106, OA1154, OA1180, OA1182
(#) RoliNyh válasza jointsilver36 hozzászólására (») Jún 21, 2016 /
 
Elvileg ezek az adatai, hasonlót keress...

OA71 germánium dióda...
(#) hal111 hozzászólása Júl 29, 2016 /
 
Érdeklődni szeretnék, hogy az 1N4001, 1N4004, és 1N4007 dióda között van valami lényegi különbség? Egy Xbox360 overcool-t rendeltem, de csak 4007-es diódákat kaptam mellé.

overcool.jpg
    
(#) gerenk válasza hal111 hozzászólására (») Júl 29, 2016 /
 
Az utolsó szám a feszültségtűrést jelenti X100 Vpp, kivitel azonos 1 A típusok
(#) hal111 válasza gerenk hozzászólására (») Júl 29, 2016 /
 
Köszönöm segítséged, akkor jól láttam, hogy ezen kívül nincs más eltérés közöttük.
(#) Gabes hozzászólása Aug 6, 2016 /
 
Sziasztok. Egy kis segítségre lenne szükségem egy
AW04 Diódát Mivel tudnék helyettesíteni?
(#) kadarist válasza Gabes hozzászólására (») Aug 6, 2016 /
 
Keress egy legalább 40V-os és 15A-es Schottky-diódát.
(#) Gabes válasza kadarist hozzászólására (») Aug 7, 2016 /
 
Köszi, kipróbálom.
(#) Farek77 hozzászólása Aug 27, 2016 /
 
Sziasztok!

Egy kis segítséget szeretnék kérni. Egy erősítőt szeretnék javítani / Peavey XXL, ss erősítő / amiben N4148 diódák vannak, amit ha jól értelmezek rajzról a csatornák torzításáért is felelősek. Az erősítő tiszta csatornája szépen szól, viszont a torzítottakban van valami csúnya plusz koszos hang. Feltételeztem ezt dióda hiba, vagy talán más alkatrész okozhatja. Mivel régebbi gyártmány az elektrolit kondikat kicseréltem. A kérdésem viszont N4148 ki lehet e másra cserélni pl.: N4007/ ez van itthon / ha nem akkor érdemesebb-e más alkatrészt is cserélni. Tudom nem teljesen diódákra vonatkozó kérdés, elnézést kérek. A rajzot mellékeltem. 1000 köszönet aki tudna segíteni merre is induljak Rendesen amatőr vagyok de nem teljesen
(#) gerenk válasza Farek77 hozzászólására (») Aug 27, 2016 /
 
Szia ! Miért kellene mással helyettesíteni, helyesen 1N4148 filléres alkatrész, mindenütt kapható.
(#) Farek77 válasza gerenk hozzászólására (») Aug 27, 2016 /
 
Igen tudom De N4007 van itthon egy csomó. Azt hiszem mindent eredetivel fogok kicserélni, mármint semmi helyettesítés. Sajnos előttem már belekontárkodot valaki és próbálom kiszűrni mit csinált...
(#) gerenk válasza Farek77 hozzászólására (») Aug 27, 2016 /
 
Az 1N4007 egyenirányításra való 1 A 700V zárófeszültségű Si dióda, tápokba való. Az 1N4148
gyors kapcsoló dióda általános célú felhasználásra, nézd az adatlapját.
(#) devergo74 hozzászólása Szept 10, 2016 /
 
Sziasztok.
Adott egy 5.1-es hangfalszett, amiben kiment egy Z1 8,2v-os dióda. Azt szeretném kérdezni, ilyen diódát hol tudnék beszerezni, nézegettem többfélét, de egyik sem az igazi.
Következő: »»   13 / 21
Bejelentkezés

Belépés

Hirdetés
XDT.hu
Az oldalon sütiket használunk a helyes működéshez. Bővebb információt az adatvédelmi szabályzatban olvashatsz. Megértettem