Fórum témák
» Több friss téma |
- Ez a felület kizárólag, az elektronikában kezdők kérdéseinek van fenntartva és nem elfelejtve, hogy hobbielektronika a fórumunk!
- Ami tehát azt jelenti, hogy a nagymama bevásárlását nem itt beszéljük meg, ill. ez nem üzenőfal! - Kerülendő az olyan kérdés, amit egy másik meglévő (több mint 17000 van), témában kellene kitárgyalni! - És végül büntetés terhe mellett kerülendő az MSN és egyéb szleng, a magyar helyesírás mellőzése, beleértve a mondateleji nagybetűket is!
ahogy mondod,,, a primer részen5 másodpercet sem birna ki
Sziasztok.Tudnátok nekem segiteni?Van egy Bosch (kék) flex ami nem ad magáról életjelet,igy került hozzám.Elvileg nem leégve van,szénkefe jó,kapcsoló jó de meg se mukkan.Az érdekelne hogy innentől mit hogyan?mit mérjek?
Nagyon megköszönném aki ért hozzá és megdobna egy levéllel a mailomon és ott kitárgyalnánk. Nagyon szépen köszönöm.
Szagmintát kellene venni, rátekintéssel kimelegedést keresni, ha valóban nincs megégve,
(morgás zúgás egyáltalán nem is hallatszik?) akkor tekercs szakadás lehet még. Sorba kell mérni mindet. Én állórésztekerccsel kezdeném (aztán a forgórészt is)... A hozzászólás módosítva: Aug 26, 2016
Köszi válaszod.
Nem,abszolult semmit nem csinál,mintha be sem lenne dugva. Állórész tekercset hogy tudom kimérni?Forgórészt?
Nem szakadt a 220-as vezeték? Nyakba szokott megtalálható megtörni.
Multiméter szakadásvizsgálójával. Szét kell szedni hozzá a gépet, kivenni a szénkeféket, és a kötési pontokon végigmérni a két állórész tekercset (ahogy Lamprolrgus említette, nem árt ellenőrizni a hálózati kábelt is), valamint a forgórész kommutátorszeletei közt is a kommutátorszeleteken ellenállást kell mérni (bár ehez mΩ mérő ideálisabb műszer...) Minden szomszédos kommutátor közt azonos ellenállást kell mérni. Ha valamelyík forgórésztekercs szakadt, azon látványosan nagyobb lesz az ellenállás mint a többin, mert akkor a többi forgórésztekercs soros ellenállásának összegét fogod kapni eredményül. Ha pedig zárlatos, akkor eltérő lesz az érték a többihez képest, de ez lehet kis érték lesz, ezért célszerű a mΩ mérő. Sima Ω mérővel lehet fel se tűnne.
Szia.
Köszönöm válaszod a hálózati vezetéket leellenőriztem azzal kezdtem hálózati vezeték és kapcsoló mind a kettő jó,innentől akkor az állórész tekercselését átnézem szakadásvizsgáló val, megnézem mi a helyzet.
Üdvözlöm az oldal olvasóit!
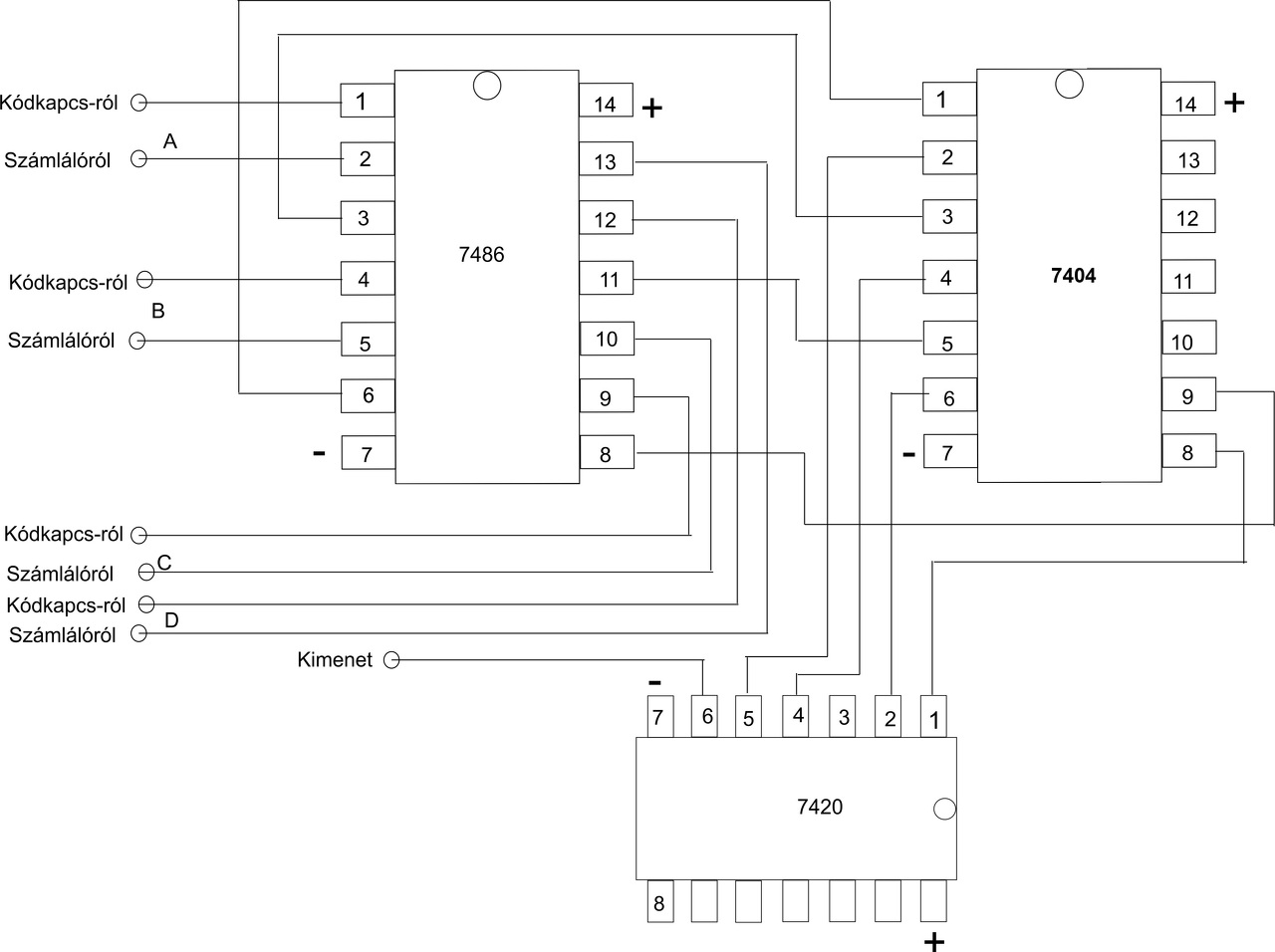
Korábban már kértem és kaptam is itt segítséget. Most újra segítségre szorulok. Az elképzelés szerint egy számláló kimenetein BCD –kódban jelenik meg az aktuális szám. Egy kódkapcsoló – rajta beállított decimális számnak megfelelő BCD kódban jeleníti meg az aktuális (beállított) számot. Ha a számlálólánc kimenetén és a kódkapcsolón beállított szám megegyezik, az „összehasonlitó áramkör” kimenetén H (magas) jel jelenik meg, mellyel további művelet végezhető…. Azt tapasztaltam, hogy a 7486-os bemenetein a számláló láncról érkező L (alacsony), illetve H „magas” szintű jelek, valamint a kódkapcsolóról érkező L, H szintek jelentősen eltérnek egymástól. Pl.: a kódkacsolóról érkező H jelszint 4.7 Volt. A számlálóláncról (7490) érkező H szint 1.2 Volt. Eddig több órányi keresgélés után sem találtam korábbi leírásokban, rajzokban erre megoldást. Ha valaki tud segíteni, kérem adjon tanácsot… Köszönettel…. Kapcs. rajz:
Mérni kellene egy Low level out feszültséget is.
7490 adatlapja szerint a High Level Output minimum 2.4 V, a Low Level Out pedig MAX 0.4 V. Esetleg hibás az IC -d? Minden lábat végigmérhetnél...
Hello! Mellesleg miért nem 7485-öt használsz? Az eleve elvégzi ezt az egészet, hiszen komparátor.
![]() Meg nézd meg a 90-esnek van-e egyáltalán tápja. Hátha azért nem ad magas szintet. Vagy a 86-os esetleg nem jól van beültetve az áramkörbe.
Terhelés alatt próbáltad le a vezetéket (illetve a kapcsolót)? A kapcsoló kimenetére köss egy 100W-os izzót (a karbó (bocs flex) többi részét kösd ki), ha szépen világít tényleg jó a vezetéked (illetve a kapcsolód). Nekem már többször volt (bal)szerencsém olyan vezetékhez illetve kapcsolóhoz, aminek a végén terheletlenül megvolt a 230V illetve ellenállásmérővel is jónak mutatta magát. Terhelve viszont leesett a feszültség 0V-ra! Ez erősen hajaz erre. Én nekem a legutóbbi ilyen estem a csehszlovák pillanatpákámmal volt, annak a vezetéke a dugó tövében volt megtörve, de ellenállásmérő is jónak mutatta és a 230V is megvolt, egészen addig, amíg nem terhelve mértem.
Köszi szépen,kipróbálom ahogy irtad.
Akkor ezzel valami olyan is kijelenthető hogy akár a forgórész tekercs menetzárlatos vagy az állórész akkor is kellene valami életjelet adnia magáról? Vagy ha kinoztál halállig akkor úgy le éghetett hogy produkállhatja ezt is?
Idézet: „Akkor ezzel valami olyan is kijelenthető hogy” Mivel? Ezt a részt nem értem, hogy gondolod pontosan? Ha a forgórész menetzárlatos attól még foroghat, de szaggatva forog és erősen szikrázik a kommutátor (tűzgyűrű). Idézet: „kinoztál halállig” Hidd el, az látszana rajta. Nekünk fúrógépünk van itthon amit leégettek. Az állórésze egy koromdarab volt, azt cseréltük, utána még mindig darabosan járt, menetzárlatos volt a forgórész is, azt kicserélve megoldódott minden gond.
Arra gondoltam elképzelhető-e az hogy az álló és forgórész is jó igy hogy nem ad magáról életjelet.
Persze ha úgy értjük hogy vezetékkapcsoló és kefék endbe vannak. Nem szedtem még szét de itt az ideje. A hozzászólás módosítva: Aug 27, 2016
Igen, ha így van megszakadva a kábel, akkor elképzelhető.
RoliNyh, proli007, elektroncso !
Köszönöm a javaslatokat. Mértem, fúrtam, faragtam, végezetül oda jutottam, hogy a kódkapcsolóról érkező L szintek nem eléggé alacsonyak.. (1.2 Volt körüliek). Ezért a kódkapcsoló A B C D lábait egy egy ellenállással "hidegre tettem". Most már jó... Mégegyszer köszönöm!!!
Átmértem a diódát,illetve át ellenőriztem a forrasztásokat. Volt egy zárlat illetve egy hideg forrasztás.
Kijavítottam a hibát most már szépen jár az óra!Még egyszer köszönöm a segítséget!
"A számlálóláncról (7490) érkező H szint 1.2 Volt." Akkor átvertél minket..
Üdv.Vásároltam a napokban egy DT 9208A multit és a rajta lévő LOGIC állást nem tudom mire lehet használni.A Felhasználási útmutatója nagyon "karcsú".Köszönöm.
Abban az állásban megmutatja, hogy logikai magas vagy alacsony szintű a feszültség. Csak 5V-os rendszerekben működik. Bővebben: Link.
5 V-os rendszerben mutatja a logikai szintet (H vagy L). Azt nem tudtam a használati utasításból kihámozni, mit mutat érvénytelen szint esetén.
Ha a feszültség 2,4 V vagy feletti akkor H szintet mutat (felfelé mutató nyilacska), ha 0,7V vagy alatti L szintet mutat (lefelé mutató nyilacska [inkább háromszög]), a kettő közötti érték érvénytelen.
Köszönöm szépen.
Sziasztok!
Egy olyan IC-t keresek ami egy bináris számláló kimenetén megjelenő bináris jelet egy 7 szegmenses kijelzőn megjeleníti decimális formában. Sajnos nem találtam még ilyet. Előre is köszi a segítséget!
A kijelzővel egybeépített BCD dekóderre gondolsz? A 7447 és rokonai+kijelző sok helyet foglal el?
Akkor marad a TIL311. A hozzászólás módosítva: Aug 28, 2016
Bakman: köszi keresgélek
nedudki: igen, ilyesmire gondoltam, köszi.
Valaki tudna segíteni eme lámpa életre keltésében? Használhatjuk a panelt is hiszen ez működtette. Köszönöm! Laci
|
Bejelentkezés
Hirdetés |




. Köszönöm ! 


Kijavítottam a hibát most már szépen jár az óra!


