Fórum témák
» Több friss téma |
Hello! Meggondolandó, hogy a TTL IC fogyasztása lesz a legnagyobb (a Led-et persze nem tudjuk). A TTL-t nem célszerű aksiról járatni, így valami CMOS-ra lenne ésszerű kiváltani.
A TTL IC nevezetesen egy 74141-es nixie driver IC aminek tudtommal nem létezik CMOS megfelelője, így vagy ez vagy 10 db nagy fesz. tranyó, azzal meg ott vagyok ahol a part szakad.
(#)Kovidivi: Sajnos kénytelen vagyok két cellát használni, mert a DC-DC boosternek a rendes működéshez legalább 5V kell, de inkább 6-7V. A 3.3V viszont nem rossz ötlet, ahogy néztem a 74141 is elvan még 3,3V-ról. Valakinek van ötlete így dc-dc ICre ami a 7,4V-ból 3,3V-ot vagy 5V-ot csinál hatékonyan?
Látom, nem értetted mire céloztam. Ha két cella van sorbakötve, csapold meg a közepén, és lesz fele feszültséged is. A másik, nézd meg, mennyi a nyugalmi áramfelvétele egy dc-dc konverternek, és mennyi az AVR-nek alvó állapotban. Kiszámolhatod, hogy egy lineáris és kapcsolóüzemű szabályzó mennyit pocsékol el, és dönthetsz.
Az a baj hogy akkor aszimmetrikusan merülnek a cellák és balance chargert kell csinálnom hozzá, ami plusz hely és plusz alkatrészek ráadásul nem is értek hozzá igazán. Ha találok megfelelő IC-t, ki fogom mérni a fogyasztást így is meg úgy is, meglátom megéri-e.
Szia!
Megmértem neked egy ilyet,Bővebben: Link DC-DC converter bemenő 7,5 Volt kimenet 5 Volt, terheletlenül az áramfelvétel 2,9mA.
MINDENKÉP kell a balancer töltő, ha sorba kötöd a cellákat!!
Bizonyos felhasználás mellett nem feltétlenül kell balance charging. Pl.: Li-Ion akkuk szimmetrikus és kicsi terhelésnél megvannak anélkül is. (Nyilván ha új koruktól fogva együtt használod őket egy pakkban.)
A Li akkuk nagyon érzékenyek, és nem megfelelő kezelés esetén veszélyesek is! Nagyon kutya vacsorája a hosszútávú azonos töltöttség fennmaradása, márcsak a gyártási szórás miatt is.
Ne szórakozzunk már pár alkatrész megspórolásával! A másik dolog amit nem értek minek kell akku egy nixi órába? Arról fog működni? De meddig? Azt még megértem, hogy az óra felejtés miatt van menne egy kicsi akksi... A hozzászólás módosítva: Szept 3, 2016
Megmértékneked. Dc-dc konverter 3mA-t fogyaszt terhelés nélkül, pl. Atmega328 1uA-t fogyaszt alvó üzemmódban, 1/3000-ed részét. Tehát az AVR fogyasztása elhanyagolható. Amit pedig el kell fűtened lineáris szabályzóval, az (4.2-3.0V)x1uA=1.2uW, míg a dc-dc konverter alapból 7.5Vx3mA-t (22500uW) fogyaszt. Nagyságrendi különbségek vannak, remélem látod.
Látom látom, köszönöm neked is és weend nek is a méréseket, a 3mA folytonos fogyasztás tényleg szignifikáns egy ilyen helyzetben. Azért féltem a lineáris szabályzótól mert 8,4V -ról 5V -ra gondoltam, és féltem a TTL IC nagy fogyasztásától. De most kipróbáltam, és a 74141-es is tökéletesen működik már 3,3V -ról is így semmi akadálya hogy mind a két IC simán egy celláról menjen, és még a lineáris szabályzót is elhagyhatom. Köszi a segítséget.
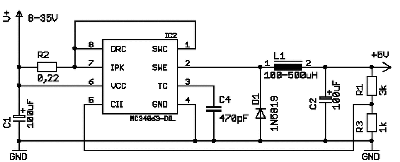
Sziasztok!Megépitettem a mellékelt kapcsolást.A problémám az vele hogy az ic eléggé melegszik...Mennyire szabad ennek melegednie?A bemenet kb26 volt de max 30voltra szeretném a késöbbiekben használni...A fogyasztás egy 5 illetve majd egy 8 portos switch lessz amiknek az áramfelvétele kb 6-700mA...Ezek persze egyenként lesznek,azaz egy átalakiton csak egy switch...A tekercs amit beletettem 330mikrohenri.
Szia.
Ha 5V és 600mA lenne a fogyasztás, akkor szinte semmit sem szabadna melegednie.
Az lehet, hogy nagy a dióda visszárama (esetleg a nyákon átvezetés lehet?). Milyen típust használtál?
Egyenlöre lègszerelve van...Nemhiszem hogy roszul kötöttem volna valamit viszont a dioda lehet ludas mert csak betettem 'valamient'...Azthiszem valami uf sorozatbol valo...Holnap megnèzem pontosan,ès esetleg megprobàlom màsikkal...
Szia!
Csak megfelelően gyors dióda a jó, és ha lehet Schottky.
Nagyfrekvenciás teljesítményelektronikában a légszerelés (főleg a hosszú vezetékezés) többnyire felejtős.
Jó minőségű dióda és induktivitás kell ide. A be- és kimenő oldali elkókkal párhuzamosan jó lenne egy-egy 100nF-os kerámiakondi. Az elkók nem szeretik a nagyobb frekvenciákat - pláne a nem low-ESR típusok. A hozzászólás módosítva: Szept 5, 2016
Megjött a modul, működik, de sajnos nagyon zajos. Próbáltam belerakni plusz kondikat, és egy picivel csökkent is a zaj, de még úgy is sokkal zajosabb, mint egy hagyományos (nem kapcsolóüzemű) tápegység. Próbáltam a távolsággal is játszani (messzebb rakni a modult az erősítőtől), de nem változott a zaj, amiből arra következtettem, hogy a +/- 12Voltos vezetékeken megy át a zaj. Soros tekercsekkel még nem próbálkoztam, szerintetek érdemes?
Kameleon2: kerestem Google-on, de +/- 12V-ra és úgy nem jött ez elő, a sima 24V meg nem lett volna nekem jó (bár biztos meg lehet oldani abból is). Cua: köszönöm a javaslatot, ha majd mégis építenék, meg fogom nézni az MC34167-et
Sziasztok!
Egy 24 V-os 30W-os kefés DC motor fordulatszámát kellene vezérelnem, a tápfeszültség adott, 36V. Arra gondoltam, hogy nem PWM-mel vezérelném, mert akkor kellene egy 36/24 V-os fix feszültségű DC-DC konverter is, hanem közvetlenül egy szabályozható dc-dc konverter kimeneti feszültségéről hajtanám 5-24V között. Mindezt digitálisan kellene vezérelnem (pl. I2C). Arra gondoltam, hogy fogok egy MP2565 IC-t, az alsó feszültség beállító ellenállás helyett berakok egy digitális potmétert, és kész. Esetleg a digi.potméter helyett egy DAC-ot használnék, a kimenetét egy ellenálláson keresztül kötném a konverter feszültség-osztó ellenállásaira. Nem kell precíz állítás, egy 128 állású digi.potméter bőven elég. A konverter FB lába 0,8 volton kell, hogy legyen, szóval a digi.potméteren nem lenne túl nagy feszültség. A DAC-os megoldást elegánsabbnak érzem, de ebben az esetben a kimenetére kellene még egy műv.erősítő is, így most a potméteres megoldás előnyben van. Működhet így a dolog megbízhatóan?
Szia! Szerintem előbb nézz körül a pwm-es topikokban. Én is meg akartam úszni a pwm-et - de sokkal egyszerűbb. Egy sima 555-el is megoldható a kérdés. Ráadásul az 555 tápfesz igénye nem túl nagy, emiatt akár egy sima zeneres táplálással is elmegy. Az általam megvalósított változat 24-240V-ig táplálható. Ha lehagyod az LNK304-et és kap egy zenert - már használhatod is. Képek között megtalálható a megvalósított változat például itt.
A hozzászólás módosítva: Szept 6, 2016
Vagy inkább itt nézz körül Kár túlbonyolítani
A hozzászólás módosítva: Szept 6, 2016
Én lebeszélném. Én is kínaival kezdtem, nem véletlenül készítettem sajátot. Ráadásul te csináltad hozzá a panelt....
Elhiszem, hogy fúj mikrokontroller, de ezt egy PIC-el néhány sorból meg lehet csinálni és a PIC-en és a kapcsolóelemen kívül alig kell hozzá pár alkatrész.
A rendszerben lesz mikrokontroller, de olyan környezetben lesz elhelyezve, ahol az EMC számít, így a PWM zaja akár problémás is lehet.
Nem saját használatra lesz, hanem céges cuccba, így a kínai ketyerék felejtősek.
Ha meg mikrokontroller, akkor az általam javasolt pwm kapcsoló része, a többit a MC megoldja. Nem kell félni a zajától - hangolás, freki kérdése maximum. Amúgy a mikrokontrollereket pont ilyen üzemmódokra találták ki. Jó sok impulzuscsomaggal dolgoznak. Ha nagyon félsz ott a rajzomon az optós meghajtás és ennyi, meg a szoftver. Többet beszéltünk róla, mint amennyi megcsinálni. Nem véletlenül küldtem olyan rajzot, ami megy nálam - azóta is hibátlanul. A cnc-m vezérlőjének a kapcsolóreléjével több a bajom . Ezzel semmi. De ez már inkább pwm téma mint dc-dc.
Lehet csinálni DC-DC konvertert is vele én is csináltam már, ventilátort vezérelt.
Lehet keresni megoldásokat, pl.: Bővebben: Link, vagy Bővebben: Link.
Szia.Koszi a segitseget a dioda volt a gond...tettem be olyant amilyen a rajzon van es igy mar nem melegszik semmi...
Ahol dolgozom, ott gyártunk DC-DC tápokat és ott kiesnek azok, ahol a dióda nem megfelelő minőségű (még ha nagyfrekis típus is, de gyártási szórás miatt már nem bírja).
Sziasztok!
Érdeklődnék,hogy valaki megépítette már-e ezt a kapcsolást,Illetve a rajzon szereplő 3 db zénér diódáról bővebben,volt típus stb.A Gyári ATX trafó átteerés nélkül használhatóhozzá. A hozzászólás módosítva: Szept 8, 2016
Bocs a helyesírási hibáért, javítottam, de a gép már nem fogadta el.
Érdeklődnék, hogy valaki megépítette már-e ezt a kapcsolást, illetve a rajzon szereplő 3 db zénér diódáról bővebben, volt típus stb. A Gyári ATX trafó áttekerés nélkül használható hozzá. A hozzászólás módosítva: Szept 8, 2016
|
Bejelentkezés
Hirdetés |














