Fórum témák

» Több friss téma
Fórum » Akkutöltő készitése
 
Témaindító: Mr.Grass, idő: Jan 17, 2010
Témakörök:
Lapozás: OK   5 / 5
(#) adapter válasza Alkotó hozzászólására (») Júl 27, 2015 /
 
Semmiben..Évek óta így használom őket, van ahol nem fér el a TO220-as tokozás így kénytelen vagyok megoldani két kisebb dióda párhuzamos üzemével. Eddig nem volt velük gond.
A hozzászólás módosítva: Júl 27, 2015
(#) resident23 hozzászólása Okt 27, 2016 /
 
Sziasztok! Nekem lenne egy olyan gondom, hogy eggyik ismerősöm, (aki kint van swédben) csinált egy akksi töltőt kocsihoz laptop töltőből. De sajna már nem tudok beszélni vele, mert nem érem el. én is csinálnék eggyet. Valaki tudna nekem segíteni ebben? előre is köszönöm. Az akksi amit töltenék adatai: 12V 480A 56 Ah. Csak ehez használnám.
(#) mraulajos hozzászólása Nov 2, 2016 /
 
Hali!
Ha két ilyet, aminek 35A darabja, párhuzamosan kötök, az 70A lesz.?
(#) proli007 válasza mraulajos hozzászólására (») Nov 2, 2016 /
 
Hello! Két hidat soha nem túl szerencsés párhuzamosan kötni, nehéz az áramelosztást biztosítani a kettő között. De ha viszonylag hosszabb vezetékkel kötöd a kettőt össze, akkor talán el tud oszlani az áram. De már 35A-hez is vastag vezeték kell, aminek ellenállása már kicsi. És a komoly hűtőborda is kell a diódákra.
(#) mraulajos válasza proli007 hozzászólására (») Nov 2, 2016 /
 
Köszönöm! Egy akkus csavarbehajtót akarok trafóról működtetni. Elég neki az egy db 35A?
(#) proli007 válasza mraulajos hozzászólására (») Nov 3, 2016 /
 
Az jóslás lenne, ha én ezt meg tudnám mondani. Kipróbálod és megtudod. De a trafónak is meg kell mondani, hogy 35A-t kel leadni!
(#) Dafni hozzászólása Feb 21, 2017 /
 
Tiszteletem kérdésem lenne van STR 50103 STABILIZÁTOR ebből lehet autó akksit gyártani ?
(#) granpa válasza Dafni hozzászólására (») Feb 21, 2017 /
 
Ennek fuss neki még egyszer!
(#) Dafni válasza granpa hozzászólására (») Feb 21, 2017 /
 
Szia a stabilizátor 13.5 V tud és így néz ki ebből lehet akku töltött csinálni autóhoz ?
(#) zolika60 válasza Dafni hozzászólására (») Feb 21, 2017 /
 
Akkutöltőbe nem kell feszültség stabilizátor.
(#) IQNUKU válasza Dafni hozzászólására (») Feb 21, 2017 /
 
Szia!

Nem lehet, több okból is.
1, Nem tudom honnan vetted a 13.5 voltot, mert 103 voltos az IC.
2, Hogy gondolod a kimenet galvanikus elválasztását?
Ezt az IC-t televíziók tápjához tervezték.
(#) granpa válasza Dafni hozzászólására (») Feb 21, 2017 /
 
Valamint "töltött" káposztához sem kell.
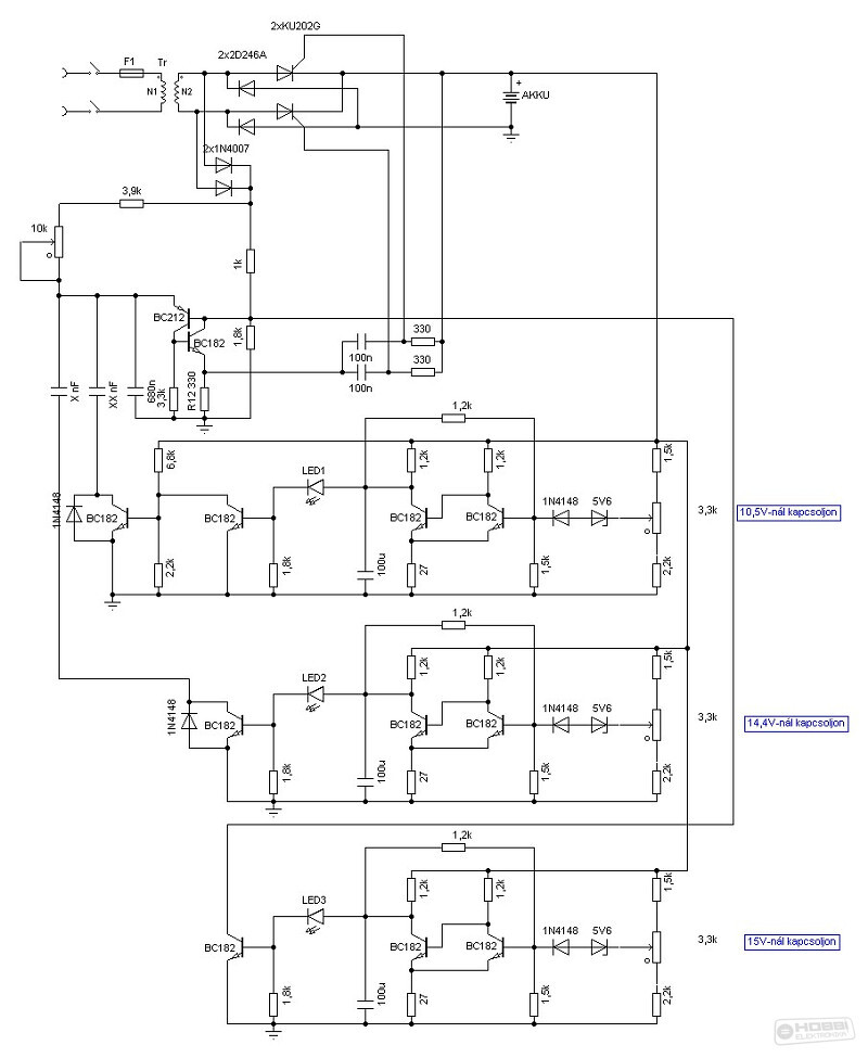
Hogy 'on' is legyek: kb. 15 V-ot adó, a töltési áramot tudó trafó +1(4) dióda, vagy Graetz +autóreflektor izzó; ennyi kell hozzá. A téma képei közt megtalálod a legegyszerűbb megoldásokat is (nemcsak "szuperbonyi" IC-PIC-eseket).
A hozzászólás módosítva: Feb 21, 2017
(#) KKobra hozzászólása Jan 26, 2018 /
 
Háát végig olvastam itt azt a pár oldalt. De minek?
Kellene készítenem egy autó akku töltőt de még csak egy nyamvadt kapcsolási sémát sem találtam
(#) zolika60 válasza KKobra hozzászólására (») Jan 26, 2018 /
 
Attól függ milyen teljesítményű és milyen felhasználású kéne. A legegyszerűbb egy jó nagy trafó meg egy graetz. De ha bonyolultabbat szeretnél, azt is találsz a cikkek között.
(#) granpa válasza KKobra hozzászólására (») Jan 26, 2018 / 1
 
Rászántam 10'-et, s találtam >tucat kapcsolási sémát. Figyelmetlenül, türelmetlenül olvastad el az 5 oldalt. Szerintem csináltasd meg hozzáértővel, ha ilyen problémád van.
(#) KKobra válasza granpa hozzászólására (») Jan 26, 2018 /
 
Köszönöm szépen
(#) czeropal hozzászólása Csü, 16:17 /
 

Két tirisztoros akkutöltő , helyett egy tirisztoros töltő készítése

Szertnék egy 1x24 V-os trafóval tirisztoros akkutöltőt készíteni . Kapcsolási rajzom egy 2x24 V-os trafóra van. Ha elhagyom az egyik tirisztor kört úgy ekészíthető e ? Ha jól gondolom , működik
de fele teljesítménnyel. Az ezzel kapcsolatos oktatást előre köszönöm.

czero
(#) kaqkk válasza czeropal hozzászólására (») Csü, 16:26 /
 
Tedd fel a rajzot , és meglátjuk mit lehet rajta változtatni
(#) czeropal válasza kaqkk hozzászólására (») Csü, 19:26 /
 
Feltöltöm a rajzot
(#) czeropal válasza czeropal hozzászólására (») Csü, 19:31 /
 
feltöltöm kicsomagolva
(#) Tomi111 válasza czeropal hozzászólására (») Csü, 19:37 /
 
Szerintem csak kell elé egy graetz híd és ugyanúgy működik mindkét hullámban egy tirisztorral is 1x24V-ról.
(#) kaqkk válasza czeropal hozzászólására (») Pé, 14:06 /
 
Ennek a mintájára kéttirisztor két dióda és "egytekercses"trafó
Következő: »»   5 / 5
Bejelentkezés

Belépés

Hirdetés
XDT.hu
Az oldalon sütiket használunk a helyes működéshez. Bővebb információt az adatvédelmi szabályzatban olvashatsz. Megértettem