Fórum témák
» Több friss téma |
Fórum » TV hiba, mi a megoldás?
Bele teheted , de csak is úgy , hogy használj a táp bemenetén védelmet , nehogy megszaladjon megint.
El sem hiszem találtam egy 3,3V-os típust.
![]() Jelenleg benne van a cserélt sorvégfokozat tranyó. Maradjon így, vagy vegyem ki, és úgy próbáljam indítani a primerrel soros izzón keresztül?
Ha az izzó benne van hiba nem lehet , mert az elviszi az esetleges hiba esetén keletkező áramot.Tehát megvédi az alkatrészeket.Ha csak felvillan az a jó , ha nagyon világít , akkor valahol hiba van.
A helyzet kicsivel jobb.
STBY módba kapcsolt a TV egyből, és a relé nem kattog. A soros izzó is úgy működött ahogy kell. Jelenleg a B+ ágon 94V van 135V helyett. Nem tudom ez a STBY mód miatt van, vagy valami nem stimmel még. Másképp megfogalmazva merjem elindítani? Esetleg van még valami trükk amivel lehet próbálkozni. Az a bajom, hogy nem találtam rossz alkatrészt a zárlatos tranyo körében, és így fogalmam nincs miért hunyt el. A hozzászólás módosítva: Nov 5, 2016
Indítsd már el, mire vársz? Nem kell lámpa sem.
Jól tetted azért volt kevesebb a feszültég , mert az izzó benne volt , és korlátozta.De úgy látom most már menni fog.
Igen már cseréltem is a PTC-t.
Köszönöm a segítséget, és kadaristnak is a bátorítást!
Valakinek lenne esetleg valami ötlete? (képet csatoltam) Hidegen teljesen jó a kép, aztán elkezd melegedni és szépen lassan ilyen lesz. A felső és az alsó széle elcsúszik balra. A tv típusa: Samsung CW29Z306T. Hidegen jó, melegen mászik el, esetleg valahol valami kondi kiszáradhatott?
Ilyen melegre elmenős hibát aktív elem,esetleg tekercs okoz a legtöbb esetben.Az EW fokozatban nézzél szét,lehet,hogy bele van integrálva a képéltérítő IC-be.
István
Üdv!
Egy TV (CRT) bekapcsológombja hiányzik, (2 áramkörös) És ezt egy 1 áramkörös nyomókapcsolóval szeretném pótolni. (egyik kontaktot átkötöm) Az a kérdésem, hogy ez mennyire szakszerű, hogy csak az egyik ér van megszakítva? Jár ez valamilyen kockázattal? (szakszerű használat esetén)
HA alaposan átgondoljuk - végülis csak elműködik.
Bár annak a kétáramkörös kapcsolónak nyilván volt valami szakmailag megmagyarázható funkciója (feltehetően az, hogy nem teljesen mindegy, hogy nullát vagy fázist kapcsol - mivel ez az állapot a hálózati dugó állásától függő), vagyis - ha a fázis van a lapon és pl. a kábelantennán át megkap egy nullát, akkor akár érdekes is lehet. Kicsi rá az esély, de bejöhet .... Persze nem kell messzemenő következtetéseket levonni a dologból, de ha egy fénycsőarmaturát úgy kapcsolnak, hogy rajta marad a fázis (pl. a kapcsolója a nullát szakítja meg), akkor mint egy nagy glimm-lámpa - esetenként világíthat benne a cső - afféle "derengős" félfénnyel. Mert összeszedeget innen-onnan annyit, hogy épp fogyasztóvá legyen. És miközben azt hiszed, hogy kikapcsoltad, valójában mégsem! Régen - még a csöves TV-k idejében nem egyszer láttam a sufnis megoldást. Ha tönkrement a TV saját hálózati ki-be kapcsolója, beletettek a vezetékbe egy asztali lámpa billenőkapcsolót, s azzal ment tovább. A rossz kapcsolót meg simán átkötötték - oszt viszlát!
Köszönöm a választ!
Sziasztok!
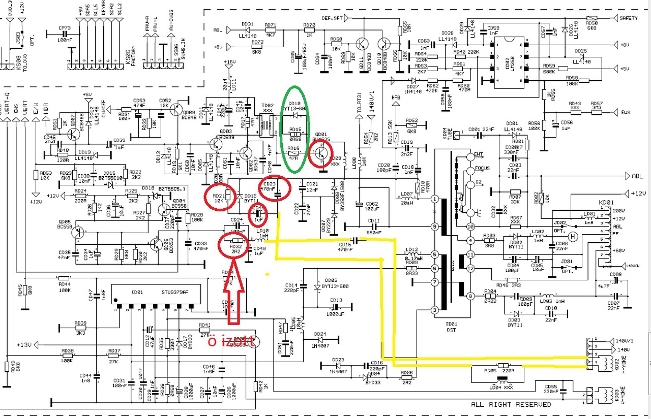
Egy Orion t2975 sptx-s-flat tipusú TV-t szeretnék életre kelteni, A képen pirossal jelölt kondik szakadtak voltak. Az RD21 (10K) meg volt égve, de mérv jó volt. Ezeket mind cseréltem, továbbá a primer körben a táp IC melletti elkókat is cseréltem (megszokásból). A Tv jelenleg azt produkálja, hogy a piros led kigyullad, majd kialszik és indul minden előröl. Közben mintha a táp magasfrekijét lehetne hallani (lásd videó). A tápra gyanakszom (zárlatos/szakadt alkatrész), de nem találtam semmit. A hibás alkatrészeket látva hátha van valami elképzelésetek, melyik alkatrész okozhassa a gondot. Még annyi, hogy a CD23 a rajz szerint 470n beültetve viszont 560n értékű kondi volt. és én is olyat raktam a helyére.
A tápban cseréld ki az elkókat, próbáld sortranyó nélkül indítani.
Sortrannyó nélkül indítva a táp elindult. Kimérve a tranyót a B-C között diódavizsgálóval mindkét irányban lehet értéket mérni.
Kicseréltem egy működőre, de valami még mindig nem stimmel. Bővebben: Link Elég csúnya a gangja... Eközben fűtés/nagyfesz nem volt, ha jól láttam.
Tranyó nélkül sem fűtés sem nagyfesz nincs. Milyen típusú tranyó volt benn ? Elég ritka tranyó, sőt általában csa hibásat kapni helyette. "SC5793 jó helyette. Forraszd át az eltérító kivezetéseit, meg mindent. Van egy 12nf 1600v kondi cseréld ki.
A hozzászólás módosítva: Nov 10, 2016
BU 4525AX Ez volt benne eredetileg én egy C5088 -at raktam helyette.
Viszont kb tudom merre keressem a hibát mivel az RD32 (2R2) ellenállás fütöszálnak képzelte magát és izzani kezdett. Ami az eltérítés körében van a tekercs másik oldalán. Szóval sajna nem sikerült megtalálnom az eltérítés összes hibás alkatrészét elsőre. Gondolom a CD24 (100nF) is szakadt és még ki tudja mi még. Átvizsgálom és meglássuk.
Sziasztok(!)
korábbi kérdésemhez szeretnék csatolni egy képet: Bővebben: Link Köszönöm(!) A hozzászólás módosítva: Nov 11, 2016
Sziasztok,
Van otthon egy Samsung 72cm-es 100Hz-es CRT TV, a pontos típusa: CW29MD66VGXXEC. Tegnap a mellékelt kép szerinti állapotot produkálta, közben a stand-by led is villog, mint a bekapcsolási folyamat alatt. Panelen púpos kondi nincs, ESR-re mindegyik jó, szétégett, kormos alkatrész sincs. Van valami tippje valakinek, mi lehet? Köszi, Zoli
Szia!
Nézd meg a típusjelzést, mert ilyen tévé nincsen. Egyébként ha a kondenzátorok jót, a tápfeszültségei megvannak a függőleges végfok IC-nek, akkor maga az IC lesz a rossz.
Hát kifogytam a lehetőségeimből.
Nem találok több hibás alkatrészt ebben a körben. A zölddel jelölteket mind átmértem, a pirossal jelöltek hibásak voltak, a kékkel jelöltek vagy szakadt fólia kondik, vagy púpos elko. Az utolsó rossz alkatrész az RD32 (2R2) ellenállás volt ami szó szerint izzott. Viszont valami oka csak van, hogy miért izzik. ![]() Esetleg van ötletetek, hogy mi lehet még hibás az áramkörben? A hozzászólás módosítva: Nov 11, 2016
A kezem gyorsabb volt mind az eszem RD32 akart az lenni.
A hozzászólás módosítva: Nov 11, 2016
Róla lenne szó. Bővebben: Link
Kicseréltem egy méretesebb típusra, de az okot, hogy miért izzott azt nem találtam meg szerintem.
Sikerült megjavítani, az IC804 volt rossz, ami egy TL431. Most újra tökéletes.
Sziasztok TV Szakik!
S O S ! A következő hibajelenséggel húnyt el a kedvenc TV-m. (SAMSUNG CK-21 P30BZ) A hálózati kapcsolóval kapcsoltam ki , majd kb. 3 óra múltán bekapcsolva az alábbiakat tapasztaltam : a hang gerjedt, a kép picit vibrált. Többször ki-be kapcsoltam a hálózati kapcsolóval, gondoltam kontakthiba lehet (ált. készenlétibe van távirányítóval kikapcsolva), de nem változott a dolog. Aztán bekapcsolva hagytam, lesz ami lesz alapon. Kb 3-4 perc után a kép vibrálás megszünt, majd kis idő után a hang gerjedése is megszünt. Ezután több órán át gondtalanul TV-ztem, majd a távirányítóval kikapcsoltam. Másnap reggel munkába indulván ("Az ördög nem alszik!") jelszóval inkább kihúztam a konnektorból. Délután. mikor visszadugtam az aljzatba, egy villanással elszállt a bizti. Csere után a másik bizti, ésatöbbi,ésatöbbi. Ráadásul 4A-es biztik! Kérdem Én ha a kütyüre az van írva hogy 85W/14W akkor miért van 3,15A-es biztivel biztosítva (3,15x230=724,5W)! Na, szóval nem vagyok TV szerelő, de szétkaptam a kütyüt és a betáp környékén kerestem a hibát. Hálózati kapcs ki, burkolat le, kontakt spray, burkolat vissza, ellenállásmérés, kapcs vissza a panelba, a hiba ugyanúgy megvan, veri a biztit a 4A-est. Mit nyírhatott ki a hálózati kapcsoló, ha kontakthibás volt??? Vagy máshol keressem a probléma forrását??? Kapcs rajz jól jönne! Előre is KÖSZÖNÖM !!!
Bocs hogy megint Én, de gondolkodtam egy kicsit (egyesek szerint ez meglepő) hang és kép hiba egyszerre, az a tápban keresendő --kép és hang gerjedés-- tápszűrési probléma lehet?
Betáp túláramfelvétel --pufferkondi zárlat???-- Sehol semmi égésnyom vagy korom.
Képek a tápról
A hozzászólás módosítva: Nov 12, 2016
|
Bejelentkezés
Hirdetés |




















