Fórum témák
» Több friss téma |
WinAVR / GCC alapszabályok: 1. Ha ISR-ben használsz globális változót, az legyen "volatile" 2. Soha ne érjen véget a main() függvény 3. UART/USART hibák 99,9% a rossz órajel miatt van 4. Kerüld el a -O0 optimalizációs beállítást minden áron 5. Ha nem jó a _delay időzítése, akkor túllépted a 65ms-et, vagy rossz az optimalizációs beállítás 6. Ha a PORTC-n nem működik valami, kapcsold ki a JTAG-et Bővebben: AVR-libc FAQ
Szia Igen pontosan így kell ahogy írtad, így már teljesen jól működik
![]() Köszi
Sziasztok!
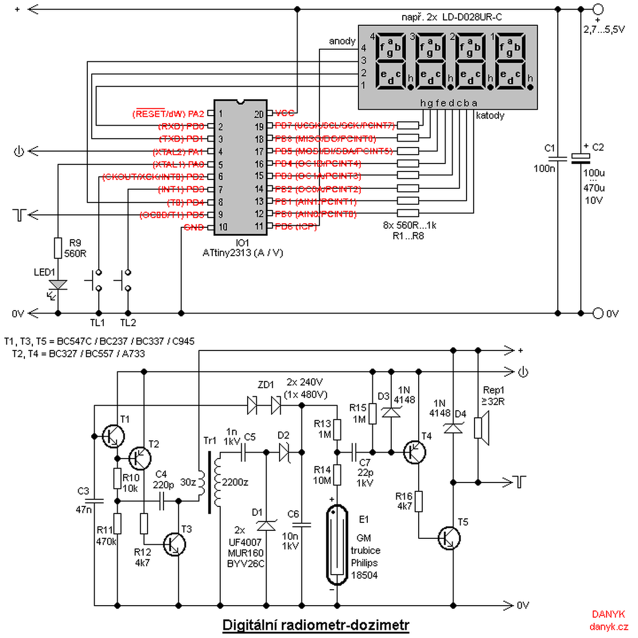
Segítségre lenne szükségem, egy Attiny 2313-at szerettem volna programozni, beállítottam a biteket a leírás szerint, azóta nem érem el. Elméletileg a belső oszcillátort használja, mellékelem a bit beállításokat.
Ha a fuse bitek állítása után nem éred el, akkor valószínű, hogy vagy külső órajel lett beállítva vagy le lett tiltva az 5v-os programozhatóság. Adj neki külső órajelet és ha úgy sem lehet elérni akkor fuse bit doktor....
Mint utólag rájöttem én nagy hibát csináltam, először belőttem a biteket, valószínűleg jól, utána szerettem volna programozni, ami már nem ment. Itt a kapcs rajz, kimenetre állítottam azokat a lábakat ami a programozáshoz is kell, na ilyenkor mi van?
Csak a reset láb számít, az pedig szabadon maradt...
Akkor lényegtelen hogy csak a bitek vannak állítva, program nincs benne? Ismerős szerint kimenet lett az összes láb ami most a programozáshoz kellene az a baj.
Az nem baj, csak gondolj bele egy 8 lábúnál nem is nagyon van olyan láb ami ne kellene a programozáshoz is. A reset a lényeg, ha ez alacsony akkor programozó lábnak használja őket, ha magas akkor meg portoknak. Viszont mint írtam le lehet tiltani a reset lábat is, hogy azt is portnak használja, viszont akkor csak 12v-os programozóval lehet hozzáférni.
Értem, akkor esetemben mi lehet a baj? A kapcsolás leírása szerint a belső órajelet használja, próbáltam tenni rá, továbbra is semmi.
Az apróságok is rendben vannak? Pl. tápot kap a programozáskor, ha igen a programozó logikai szintjei és az AVR tápja is azonos (3.3V, 5V)? Kiszeded az IC-t a programozáshoz, vagy az áramkörön belül programozod? Utóbbi esetben nem terhel be az áramkör többi része? Ellenállásokat megpróbálhatod kiszedni addig. Amikor külső órajellel próbálkoztál megvolt a megfelelő arány az órajel és a programozási órajel között? Ha jól emlékszem minimum 4-szeres különbségnek kell lennie, de a programozók ezt pontosan odaírják.
Ha rájössz, akkor ezután, ha nem, akkor már most érdemes megépítened a fusebit doktort, az pont ilyen eseteknél hasznos, mert visszaállítja az elrontott fuse bites AVR-eket gyári értékre. (Lehet, hogy a felprogramozás csinált valamit rosszul, nem te.)
Sziasztok,
Segítséget szeretnék kérni. Melyik az a Dupont male és female csatlakozó amely male része belefér az ATMEL-ICE BASIC hez adott kábel 1.27mm Pitch 5x2 Pins Female csatlakozójába? Előre is köszönöm. A hozzászólás módosítva: Nov 30, 2016
Szia, tápot nem kapott programozáshoz, egy próbapanelben programoztam, willem programozóval.
Fusebit doctor-ról ha van működő kapcsolás, esetleg oldal ahonnan éedemes megépíteni megköszo.
Ha úgy érted, hogy a programozó adott tápot, akkor ok, de ha az sem, az baj. A willemet nem ismerem. Azt is nézd meg, hogy az adatlap szerint 8MHz-hez mekkora táp kell minimum, és hogy azt megkapja. Az a biztos, ha 5V-ra állítod.
Azt hiszem ez az eredeti oldala: Fusebit doctor. Arra figyelj, hogy az áramkör verziószáma és a firmware verziószáma azonos legyen.
Szia, 5 voltra volt állítva, szépen fel is ismerte a programozó. Míg a bit írás halálba nem küldte
Köszönöm meglesem az oldalt, az oké hogy megépítem, de hogy mi volt a baj arra rájönni....
A SUT1, SUT0 bitekhez hozzányúltál, vagy azok gyári értékek? Úgy láttam, hogy azok a jelenlegi beállítás szerint az egyik legrövidebb idő alatt próbálják indítani a procit bekapcsoláskor. Én azt a leghosszabb időre állítanám, az is csak párszor 10 ms.
A mellékelt kép szerint, visszább, lőttem be, sut0 van kipipálva, ahogy a szerző ajánlotta.
Sajnos több ötletem nincs, talán a rutinosabbak még tudnak mondani valami okosat.
Egyes programozók(pl. LUFA-s mkII) esetén az SCK láb programban való kimenetre állítása bezavarhatja a programozást. Elég abszurd mert IC-típustól is függ, de pl. ATTiny13 és ATTiny2313 biztosan érintett, ezeknél többször meg lehetett ismételni a jelenséget. Először próbálj "Erase Device"-t tolni, ha elsőre nem megy akkor többször egymás után. Akkor "kimegy" az SCK-t kimenetre állító programrész is, és lehet programozni.
Szia, akkor is ha nem látja? Tegnap próbálgattam, de de csak a hibaüzeneteket dobálta mintha nem látná.
Ugyanazt a hibát produkálja, mintha nem látná az IC-t. De ha többször egymásutáni "Erase Device" műveletre sem reagál akkor nem ez lesz a probléma, hanem tényleg kizártad magad.
Megrendeltem, atmega88-at kaptam csak hozzá, de azzal is megy. Annyi hogy az avr típusa után mi a -doc? Egy darabig így kerestem, de nem találtam, doc, mint doctor?
Automatikusan elidul a letöltése: ATMEGA88-20AU_EN.pdf ?
Igen meg van az adatlap, atmega88-20pu amit venni tudtam, azért kérdeztem hogy van valami konkrét amit az adatlapon akarsz mutatni?
Úgy értelmeztem, hogy ezt keresed!
Különben fogalmam sincs, hogy melyik IDET használod?
Hol van leírva ez a -doc? Talán a környezetből rájövünk.
Nézd meg a fusebit doctor leírását ott, atnega8-doc
Szerintem csak annyit, hogy oda kerül a doktor programot tartalmazó mega8(x), mert van foglalat a gyógyításra váró mega8-asoknak is.
|
Bejelentkezés
Hirdetés |













