Fórum témák

» Több friss téma
Fórum » Optocsatolók
 
Témaindító: Kriss, idő: Márc 8, 2007
Témakörök:
Lapozás: OK   15 / 17
(#) sejtek válasza proli007 hozzászólására (») Márc 25, 2016 /
 
Hálás köszönet a segítségért!
Kellemes húsvétot.
(#) NickE hozzászólása Szept 5, 2016 /
 
Az aliexpressen kapható 6n137 optók ugyanolyan jók, mint az összes hazai és EU boltban kapható változatok? Közel 10x árkülönbség van.
Az alin $10 50db, csak kérdés, hogy 10Mb/s-t is bírja, amit ennek a típusnak kell(ene) tudni.
(#) Kokany82 hozzászólása Okt 17, 2016 /
 
Sziasztok.
Érdeklődnék, hogy az optocsatolót hogyan lehet úgy használni, mint egy relét?
A lényeg az lenne, hogy van 3db különböző pic-es kapcsolásom, mindegyiknek van auto bemenet.
Ezt úgy tudom aktiválni, ha a pic bemenetét lehúzom gnd-re. De nem akarok reléket használni.
Meg lehet oldani opto-val?
(#) proli007 válasza Kokany82 hozzászólására (») Okt 17, 2016 /
 
Hello! Természetesen megoldható, de mezei optot egyenárammal vezéreled (mert Led van benne) és egyenáramot kapcsol. De konkrét választ csak akkor lehet adni, ha tudható is miről, milyen jelszinttel és gyorsan kapcsolnád a PIC bemenetét.
(#) Kokany82 válasza proli007 hozzászólására (») Okt 17, 2016 /
 
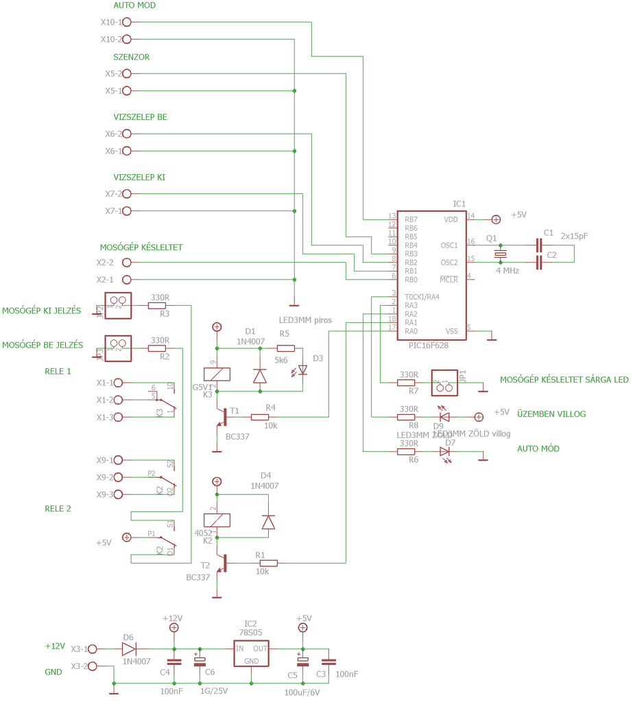
A lényeg az lenne, hogy amíg az auto bemenet aktív (RB7-et lehúzva kell tartani gnd-n), addig figyeli a szenzorról érkező jelet. Ezt egy relével oldottam meg, de anélkül szeretném. Ha jól gondolom, akkor az opto emitter-ét és collector-ját az x10-1 és x10-2- re kell kötni, az anód, katód lábat pedig mint egy led-et bekötni.

sch kép.png
    
(#) proli007 válasza Kokany82 hozzászólására (») Okt 17, 2016 /
 
- Az opto kollektorát az X10-re emitterét az X10-2-re.
- Még mindig nem írtad, miről hajtanád meg a Led-et. Ha pld. a +12V-ról, akkor előtét ellenállás is kell neki. pld. 510ohm. A programban viszont be kell kapcsolni a BPORT felhúzó "ellenállásait". Ha nem tudod fel van-e húzva, akkor a +5V-ról egy 10kohm az X10-1-re. (De ha relével menet, akkor fel van húzva belül.)
(#) Kokany82 válasza proli007 hozzászólására (») Okt 17, 2016 /
 
Igen, 12v-ról mennek és be van kapcsolva a felhúzó ellenállás.
(#) proli007 válasza Kokany82 hozzászólására (») Okt 17, 2016 /
 
Egyébként az opto-nak akkor van igazi értelme, ha a 12V (amiből táplálod) galvanikusan el lenne választva az proci tápjától. Mert így tranziens jelek nem tudnának menni a PIC felé. De azért így is van haszna, mert független két bementi pontját lehet a +12V-ra kötni és akkor a másik lába GND-kap, vagy a GND-re kötni, és 12V-ot lehet kapcsolni a bemenetére. De legfőbb értelme, hogy a Led árammal működik, vagy is ahhoz hogy átadja a jelet, "áramra is szükség van".
(#) Kokany82 válasza proli007 hozzászólására (») Okt 17, 2016 /
 
Köszönöm a segítséget.
(#) Kokany82 hozzászólása Okt 29, 2016 /
 
Helló.
Van egy ps2501-4-A optocsatolóm és mind a 4 opto-t egyszerre szeretném kapcsolni 12V-ról, de nem tudom mekkora ellenállást kell elé tenni?Tudnátok ebben segíteni? Párhozamosan lesznek kötve.
A segítséget előre is köszönöm.
(#) kadarist válasza Kokany82 hozzászólására (») Okt 29, 2016 /
 
Rakj 220 ohm-680om közöttit.
(#) Kokany82 válasza kadarist hozzászólására (») Okt 29, 2016 /
 
Köszönöm. És hogyan kell kiszámolni?
(#) Bakman válasza Kokany82 hozzászólására (») Okt 29, 2016 /
 
Az optocsatoló LED karakterisztikát kell megnézni. Abban benne van, mekkora feszültség/áram kell neki. A maradékot lenyeleted egy ellenállással. Annyi ellenállást használsz, ahány LED-et akarsz kapcsolni (esetleg, ha van elég feszültség, a vezérlő LED-ek sorba is köthetőek). Ezeket párhuzamosítod, majd mehet rá a feszültség.

Apropó, mit értesz párhuzamos alatt? Ugye nem a kimeneteket (tranzisztorokat) akarod párhuzamosan kapcsolni?
A hozzászólás módosítva: Okt 29, 2016
(#) Kokany82 válasza Bakman hozzászólására (») Okt 29, 2016 /
 
Akkor minden led elé kell egy-egy ellenállás? Nem elég egy párhuzamos kapcsolás esetén?
(#) Bakman válasza Kokany82 hozzászólására (») Okt 29, 2016 /
 
Félvezetőket nem kötünk közvetlen párhuzamosan. Kösd sorba a négy diódát. Azok kérnek az adatlap szerint maximum 5,6 V-ot, várható áram 10 mA. Marad 6,4 V. R = U/I = 6,4/0,01 = 640 Ohm. Az ellenállás egy kicsit több, de inkább egy kicsit kevesebb legyen, ugyanis ilyen értékűt nem nagyon találni. Én 470 Ohm-ot használnék igaz, előtte inkább mérném a diódák paramétereit, nem feltétlen támaszkodnék az adatlapra.
(#) mechanika hozzászólása Jan 12, 2017 /
 
Sziasztok!

Ebben a topikban találtam a lenti rajzot, amibe berajzoltam pirossal egy fogyasztót.
Kérdezném ez így rendben van?

Előre is Köszönöm!

opto.JPG
    
(#) proli007 válasza mechanika hozzászólására (») Jan 12, 2017 /
 
Hello! Nem egészen.
- Mert a Fet GS feszültsége nem lehet több, mint (általában) maximum 20V. Tehát célszerű a 10kohm-al párhuzamosan tenni egy 12V-os zénert.
- Ellenőrizni kell, hogy az opto kollektor-emitter feszültsége eltűri-e a 30V tápfeszt. Valamint az opto CTR paraméterét, hogy mekkora meghajtóáramra van szükség.
- Nem mindegy a kapcsolási sebesség sem. Vagy si hogy csak ki-be kell néha kapcsolni a lámpát, vagy PWM szabályozás van.
(#) mechanika válasza proli007 hozzászólására (») Jan 13, 2017 /
 
Köszönöm!

1. 5Voltot kapcsolna az én esetemben, így talán kimardhat a zéner?
2. Gondolom az 5volt miatt az opto paraméterek is nagyobb valószínűséggel felelnek meg (ellenőrzöm).
3. Nem pwm-hez kell csak ki-be kapcsolna egy mikrovezérlőt illetve egy gsm modult.
(#) Bakman válasza mechanika hozzászólására (») Jan 13, 2017 /
 
5 V esetén nagy valószínűséggel nem kell a zéner sem az 1 kOhm-os ellenállás sem. Nézd meg jól a FET paramétereit, mert könnyen lehet, hogy 5 V Gate feszültségre ki sem nyit rendesen.
(#) mechanika válasza Bakman hozzászólására (») Jan 13, 2017 /
 
Köszi!

Erről tudom leolvasni?

vgs.JPG
    
(#) dani555 hozzászólása Ápr 24, 2017 /
 
Sziasztok!

Az alábbi kapcsolással lenne problémám, mert nem működik: Moc3063 nullátmenetes optocsatolo, bta24-es triac. A typical application-ban megírt módon állitottam össze, azzal a különbséggel, hogy nem figyeltem arra hogy melyik a nulla melyik a fázis, de ez szerintem nem gond, meg hogy 390 ohmos ellenállásokat használtam a 360 helyett, és a triakvédő kondival sorbakapcsolt ellenállás 220 ohmos. A terhelés egy 60 w os izzó. A probléma az, hogy ha ráadom a hálózati feszültséget, akkor világit teljes fényerövel a lámpa, holott csak akkor kéne, amikor az optocsatolo ledjére nyomógombbal ráadom a megfelelő feszültséget..... Az előtétellenállást úgy méreteztem, hogy 1.2V, 20 mA legyen az optoleden.

Szerintetek hol lehet ebben a hiba?

(6. oldal alja triakos kapcsolás)Bővebben: Link

Köszönöm a segítségeteket!
(#) dani555 válasza dani555 hozzászólására (») Ápr 24, 2017 /
 
(#) dani555 válasza dani555 hozzászólására (») Ápr 24, 2017 /
 
Sajnos valami miatt nem engedi belinkelni, de kinyerhető belőle a link
(#) kadarist válasza dani555 hozzászólására (») Ápr 24, 2017 /
 
Szia!
A triak főelektródáit nem cserélted fel?
(#) dani555 válasza kadarist hozzászólására (») Ápr 24, 2017 /
 
hmm..

Elöfordulhat, mindjárt megnézem. Akkor kinyirtam? Elvben mindegy hogy kötöm be nem? "Szimmetrikus tirisztor"
(#) kadarist válasza dani555 hozzászólására (») Ápr 24, 2017 /
 
Azért annyira mégsem szimmetrikus. A gate becsatlakozásait nézd meg: Bővebben: Link.
(#) dani555 válasza kadarist hozzászólására (») Ápr 26, 2017 /
 
Na ja.
Kipróbáltam, valóban nem annyira szimmetrikus....
A1 A2 lábak felcserélésével az áramkör tökéletesen működött....
Köszönöm a segítséget!
(#) Szasza9668 hozzászólása Máj 17, 2018 /
 
Sziasztok!

Avr lábat szeretnék vezérelni az alábbi kapcsolással:

Azonban az opto avr felé menő része a rajzon nem teljesen világos. Nincs ott valami félre rajzolva? Nekem mindegy hogy felfutó vagy lefutó élre programozom az avr bemenetét.

Üdv!
A hozzászólás módosítva: Máj 17, 2018
(#) proli007 válasza Szasza9668 hozzászólására (») Máj 17, 2018 /
 
Hello! Nincs ott semmi elrajzolva. Amíg van váltó, addig az opto ütemesen (100Hz) sütögeti ki a kondit. Így az AVR bemeneti jele alacsony szintű. Ha megszűnik a váltó, az ellenálláson keresztül feltöltődik a kondi és a szint magas lesz. A jumper csak azért van, mert ha szoftverből kezeled le a dolgot, akkor nem kell kondi sem. Mert ha nincs váltó, "H" szint állandó, ha pedig van, akkor pedig többségében "L" szint. (De nullátmenetek környékén H szint lesz.) Ezt kell szoftverben lekezelni. Vagy esetleg nem a "hálózati fesz megléte" érdekes számodra, hanem a nullpontok helye, akkor nem kell kondi.
A hozzászólás módosítva: Máj 17, 2018
(#) Szasza9668 válasza proli007 hozzászólására (») Máj 17, 2018 /
 
Köszönöm!

Nekem elég a hálózati fesz jelenléte. Aszerint vezérelek egyéb dolgokat. A nulla környéki átmenet, hogy tudom lekezelni hardveresen? Dióda híd után egy puffer kondi?
A hozzászólás módosítva: Máj 17, 2018
Következő: »»   15 / 17
Bejelentkezés

Belépés

Hirdetés
XDT.hu
Az oldalon sütiket használunk a helyes működéshez. Bővebb információt az adatvédelmi szabályzatban olvashatsz. Megértettem