Fórum témák
» Több friss téma |
Fórum » PC táp átalakítás
Szevasz!
Azon töröm a fejem. vajon mi köze lehet a kinai panelmérőnek az ATX tápba épített ellenállás értékéhez. Arra a gondolatra jutottam (első körben), hogy miután ezekből a panelmérőkből több árammérő határú létezik, kis kinai egyszerűen nem a megfelelő értékűt ültette be, de lehet a panelen vezetősáv formájában van jelen. Néztem az enyémet, de nem találtam rá. 2* akkorát, mint ami kellett volna. Én ezt a nyomot megnézném... Ha máshogy nem, ATX táptól függetlenül kötném be mérésre máshova. Üdv: StMiklos Jut eszembe: akár külső sönt formájában fekete-piros közé, talán ez a legegyszerűbb. Mondjuk próbára egy vékony gémkapocs, majd mutat valamit.. A hozzászólás módosítva: Feb 26, 2017
Üdv!
Szóval mindig dupla annyit mutat a panelmérő, mint a helyes érték? Hát mi sem egyszerűbb?! Megméred a panelmérő áram be-kimenetei közötti ellenállást. Veszel még egy ugyanolyan értéket, mint a mért érték, és párhuzamosan kötöd a panelmérővel. Akkor fele áram a panelmérőn (vagy eredeti soros ellenállás) fog átfolyni, fele érték az újonnan beszerelt ellenálláson.
Sziasztok,
Bízom benne, hogy itt választ kapok a kérdésemre, ha mégis rossz helyen járok, akkor bocs. Szóval van egy döglött akkus APC szünetmentes tápom, amit kivontam a forgalomból. Szeretnék egy feszültségstabilizátort építeni a hifi készülékeimhez. Van ebben valami stabilizátor vagy zavarszűrő funkció is? Ha igen, ezt lehetne valahogy akksi nélkül is aktiválni?
Szia!
Egy pontos típus megadása azért nem ártana. (De szerintem akku nélkül egyik sem fog működni. Annak mi értelme lenne egy szünetmentes esetén?) A hozzászólás módosítva: Feb 26, 2017
Sziasztok!
Igen minden esetben dupla akkora értéket mutat. Egyenlőre köszönöm mindkettőtöknek a segítséget! A javaslataitok szerint fogok eljárni. Így utólag nem is tudom, hogy kevertem bele az ATX tápban levő ellenállás értéket a panelmerőben levővel...
Egy régebbi típusú APC Back UPS 500-asról lenne szó.
Nem szünetmentes tápként akarom használni, ahhoz értelemszerűen kell a működőképes akksi. Úgy tudom, hogy jópár típus rendelkezik hálózati zavarszűréssel is, elsősorban erre a funkcióra lenne szükségem, de a feszültség stabilizátor is jól jönne. Nem mindegyik típus tudja ezt, de tudtommal van olyan is, ami folyamatosan stabilizálja és szűri a tápot nem csak áramkimaradás esetén áll hadrendbe. Mert ha lenne benne ilyen, akkor elvileg ennek a kiaknázásához még az akksi sem kell, vagy elég neki ha benthagyom az elpusztultat. Azt szeretném kideríteni, hogy van-e ebben ilyen funkció. Nem egy csúcstáp, tartok tőle, hogy alapon semmit nem csinál, csak csepptölti az akksit.
Miért gondolod, hogy a dupláját méri? Akkor maximumon 10A felett kellene mutatnia. Az hogy hol milyen ellenállás van az csak a feszmérésbe játszik, egy körben csak egy áram van, az összes ellenálláson.
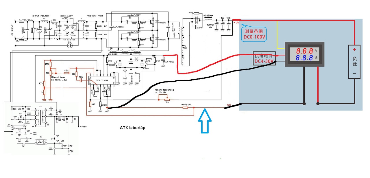
Multit sorba kötöttem a kimenettel árammérési funkcióban, és a rákötött terhelések minden esetben a multinál 50%-al kisebbek voltak, mint a panelmérőn kijelzett érték.
Egyébként is nehezen hiszem, hogy egy 12V 21V izzón 3,2A haladjon át 12V táp esetén. Én úgy kötöttem be a panelmérőt, hogy a számára szükséges tápot a TL 494 tápjáról kapja ami 12V az én esetemben. Ez azért lenne jó, mert akkor is tudna működni a panelmérő, ha a táp 4V alá lenne szabályozva. Viszont a panelmérő tápját adó fekete vezetéket én a PC táp eredeti GND pontjához kötöttem. Lehet nem oda hanem a shunt ellenállás után kellett volna. Nem tudom ez beleszólhat-e a mérésbe.
A sönt-el sorba kell kötni, jobb utána, hogy a 474-es mérésébe ne legyen benn a panelmérő ellenállása. Közben mérted, hogy az izzón közvetlenül mekkora a fesz, Azok a "mérőkábelek" innen nagyon vékonynak tűnnek az is képes beleszólni, és hát ezek a panelmérők sohasem lesznek pontosak, de pl. a rövidzáras 6A az jónak tűnik, mert ez a tápátalakítás tud 7A ha a dupláját mutatná, akkor 14 nek kellene lenni...
Az a kijelzett 6A rövidre zárt kimenettel közel sem a max érték. Ha megfigyeled a poti állását kb. 40% értékig tekertem fel.
A valóságban 5,5A a max áram amit a táp le tud adni jelen állapotában rövidre zárt kimenettel max feszültségen. A képen jobban látszik a jelenlegi bekötés. Akkor végül is azt mondod, hogy a tápban levö sönt ellenállás másik oldalára kellett volna kötnöm a panelmérő fekete vezetékét? A hozzászólás módosítva: Feb 26, 2017
Konkrétan ezt a panelmérőt nem ismerem, de ránézésre a bekötés alapján természetes hogy kétszer akkora áramot mér, mert nem csak a saját, hanem a táp söntjén eső feszültséget is méri, azaz elviekben a 0,05 ohm helyett 0,1 ohmon méri a feszültséget, és jelzi ki az átfolyó áramot.
Szia!
Maradéktalanul igazad van, még tegnap egy másik nem beszerelt panelmerővel sikerült reprodukálnom a mérést. Ott is 300mA helyett 600mA értéket mutatott. Ekkor nézegettem még egy kicsit a panelmérő bekötési lehetőségeit. Majd arra jutottam, hogy a fekete vezetéket nem szükséged bekötni abban az esetben ha a panelmérő tápja, és a mért táp GND pontja azonos. Ekkor kikötöttem a fekete vezetéket, és egyből normál értéket mutat áram mérés közben is a műszer. Este már kidőltem, és azért csak most írom le. Köszönöm a segítséget Végre működik normálisan!
Sziasztok!
Az előző tápnak a kis tesóját alakítom át. És egy érdekes hibajelenséggel találkoztam. Áramkorlát megy, viszont a feszültséget valamiért nem tudom feltekerni normálisan. A két nyák nagyon hasonló ezért egyszerűnek kellene hogy legyen, de mégsem az. Bővebben: Link 4. láb GND-re húzva. 3. lábon 3.5V ez leesik 0,2V értékre amikor a tápfeszületég elkezd visszaesni a feltekert poti ellenére. 14. lábon 5V referencia feszültség van. Az IC tápja 17.5V
Szia!
A Vref ( 2. láb ) és az Aref (15. láb) feszültségeit mérd meg a gnd-hez képest. Utána tegyél párszáz mA terhelést a kimenetre és a 16. lábat ellenőrizd le, hogy alatta van-e jóval az Aref lábnak. Ugyanígy mérj a fesz poti feltekerése közben az 1. lábon, eléri-e , ill. mikor a Vref láb feszültségét, mert akkor leáll az ic. Teszteléskor a 3. láb csak akkor mehet fel 3.5 volt környékére, ha bármelyik előző feltétel nem teljesül, vagy a 16. láb túlmegy a 15-ön, ill. 1. láb túlmegy a 2. feszén. Normál esetben, működéskor a 3. láb 0.2 volton van ( az ic belső felépítéséből látszik egy diódás "vagy-kapu", amikor is hiba esetén bármelyik erősítő kimenet felugrik 3.5-re, stop lesz). A hozzászólás módosítva: Márc 16, 2017
Nálam különben a 3. láb 4.7 voltra ugrik fel, ha túltekerem bármelyik "mérendő" feszt.
Szia!
IC csere orvosolta a problémát. Bővebben: Link A KA.... helyett TL494 került bele, és egyből minden tökéletesen működik. 0-25V 0-5A. Összerakva jelenleg a tesztüzem megy max fesz/áram potival 3 óra rövidre zárt kimenettel. Ha ezután is működik akkor jónak tekintem. A hozzászólás módosítva: Márc 16, 2017
Szia!
Köszönöm a segítséget. Úgy tűnik most már jól muzsikál a cserélt vezérlő IC-vel.
Üdv A Mestereknek!
Kezembe került egy régi AT táp amit át szeretnék alakítani szabályozható feszültségűre. Eddig amit itt olvastam (már vagy kétszer végigolvastam) a fórumon mindegyik tápban KA ,vagy TL IC voltak,ebben viszont LM358,és mellette egy TYN112 ücsörög.Viszont mellette szól,hogy egy 12V5W izzóval leterhelve az 5V-os ágát,a 12V-ra símán rátehetem a 60/55-s H4-t nem áll le,gond nélkül elviszi. Ha valaki tudna segíteni(Pl.hogy a képen bejelöli,hogy mit kell kikötni,átkötni,meg hogy milyen potit kell berakni,és hová) nagyon megköszönném! Megpróbálok képet feltenni róla: Üdv:József
Szia!
Keress még IC-ket, mert ez a műveleti erősító egy tirisztorral még nagyon kevés.
A teljesítménytranzisztort egy UC3842 IC-nek kellene meghajtania. Keresd meg. Hasonló rajz: Bővebben: Link.
A hűtőborda mögött a másik oldalon van még egy hatlábú,amiről annyit tudtam leolvasni ami látszik:
?NY17F2 ?PT300
Az egy optocsatoló. Jó felé keresgélsz. Bővebben: Link.
Bocsi,de tényleg ott van,csak a panel másik végén,ott nem kerestem mert arról van a 220V-s oldal.
Még néhány kép:
Szuper. Ezek szerint a mutatott rajzom nagyjából fedi a valóságot. A rajz szerinti R39 és/vagy R40-es ellenállásokon kell változtatni a kimeneti feszültség változtatásához.
Szóval Szerinted hogyan kellene hozzáfognom,pontosabban melyikkel kezdjek és hogyan csináljam a módosítást?
A hozzászólás módosítva: Márc 18, 2017
Szépen növeld vagy csökkentsd az értéküket kis lépésekben, közben figyeld a kimenőfeszültséget.
A hozzászólás módosítva: Márc 18, 2017
|
Bejelentkezés
Hirdetés |
















