Fórum témák
» Több friss téma |
Fórum » PC táp átalakítás
Igen azzal a rövid zárnak vége is lenne. Én viszont azt szeretném, hogy a 12V terhelés alatt is 12V legyen.
Pont ugyan ez már egyszer le lett boxolva itt a topikban. Ha érdekel a végkifejlett, keress vissza!
Szia!
A legegyszerűbb az, ha előterheled akár az 5V, akár a 12v-os ágon, amit aztán lekapcsolhatsz.
Nézzétek csak mit találtm: Basic Switching Power Supply Design Tutorial
Ez hasznos lehet annak aki építeni akar saját tápot. Mindenféle interaktív méretező csúszkákkal lehet játszadozni.
Sziasztok!
Épp egy táp átalakításának végén vagyok megint... Minden kész volt áram korlát, feszültség szabályozás is ment rendesen. Viszont max feszültségen max áramkorláttal és egy 1R 10W ellenállással próbálva a primer oldal elszállt. Szokásos tranyó graetz biztosíték kombóval. A kérdésem az, hogy az előzőleg átalakított táppal is próbáltam ugyan ezt. Annak semmi baja nem volt többszöri próbára sem. Ez most vajon miért pusztulhatott el, főleg úgy, hogy az áramkorlát is működőkepés volt? Egyszerűen a tranyók gyengék voltak ehhez a mutatványhoz? Ha igen milyen típust javasoltok beépítésre?
Éppen csak adatokat nem említesz, mekkora az eredeti táp teljesítménye. mekkora az a max fesz és áramkorlát aminél elszállt...? Van olyan táp aminek kell pár pillanat, hogy a szabályzás elkezdődjön a hálózatra csatlakozást követően, ha először rátetted a terhelést és utána a hálózati fesz akkor az áramkorlát fölé mehet az áram. Tranzisztornak egy olcsó megoldás MJE13007 Bővebben: Link
Eredetileg 12V 13A áramot tüntettek fel.
12*13=156W 156/25V=6,24A A kimeneten a megszokott 2 élére állított diódát kicseréltem egy dupla tokosra a jobb hőleadás érdekében. Bekapcsolt állapotban került rá a terhelés. Ez alapján lett átalakítva: Bővebben: Link Az előző táp ezzel az átalakítással 5A áramot tudott produkálni rövidre zárt kimenettel.
Mondjuk a 7.5A*26V az már fölötte van a 156W-nak de ennél többet is bírnia kellene. Honnét kap a vezérlés tápfeszt, mert ha az valamiért leáll, akkor is megszalad a táp és visz mindent a primer oldalon.
Az eredeti SBY részről kapja a tápot az IC (20.3V) és az 5V is megvan az eredeti állapotban.
Közben megjavítottam a tápot. A szekunder oldalon az SBL3040PT lett zárlatos minden lába sípol. Ezt úgy javítottam, hogy párhuzamosan kötöttem 2 dupla tokos diódát. Primer oldalon is volt gyomlálni való, de most megint megy minden. Áramkorlátot minimumra tekerve a beállított 12V érték egyből nullára csökken mihelyst egy 12V 21W izzót ráteszek. De nem mertem most max áramkorláttal és max feszültséggel kipróbálni. ![]() Hogyan lehet az áramkorlát max értékét csökkenteni? A hozzászólás módosítva: Nov 20, 2016
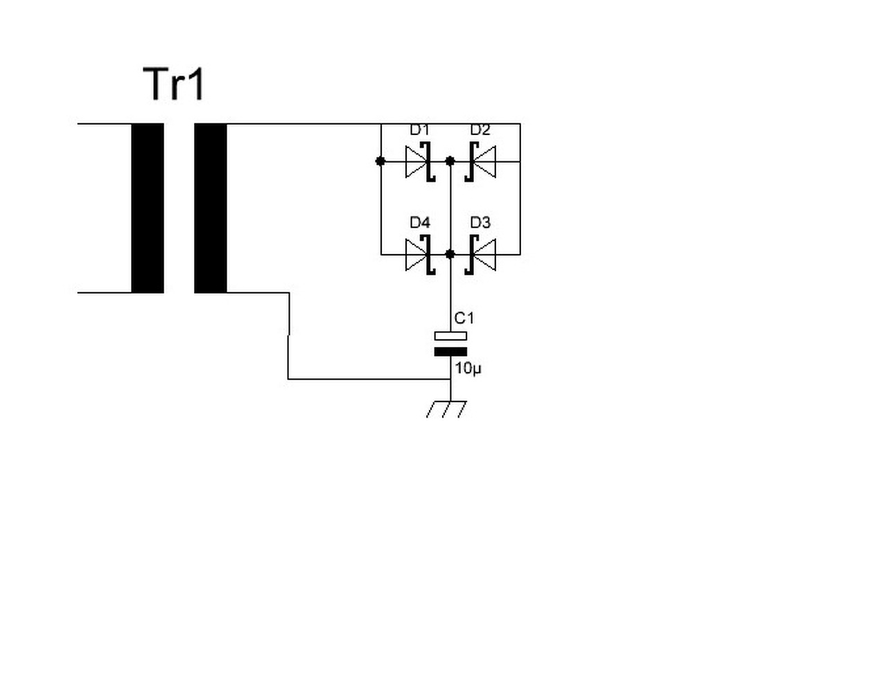
A minap egy baleset miatt szétburítottam a labortápomat, és ha már ott voltam, gondoltam megcsinálom amit már rég terveztem: egy szimmetrikus 36V @ 5A leadására képes állítható feszültségű és áramkorlátú tápegység.
Az lenne a kérdésem, hogy kb mennyi jön ki a gyári at- s táp trafójából, ha az összes sekunder tekercset sorba kötöm? (Középmegcsapolásos maradna, de átkötöm a képeken látható módon.)
Sok.
Ha mindet összekötöd akkor 2x63V lesz rajta. Trafója válogatja, de általában így néznek ki, van 3db tekercs párhuzamosan az 5V-os ágon, ami teljes kitöltésen 12V lesz, meg van sorban vele egy szál ami a 12V-os ág volt, ennek a végén 27V lesz a közepéhez képest. Akkor lesz 2x38V-od ha az egyik 3 menetes (5V-os) szálat kibontod és sorba kötöd a 4 menettel, úgy lesz összesen 10 menet ami kb. 38V. Persze ezt csak üresen fogja tudni, szabályozás nélkül terhelésre esni fog a feszültsége.
Szuper! Köszi!
Én is ennyire saccoltam. Akkor jó. Amúgy 0.8-as a szekunder kanóc úgyhogy lehet hogy 5A-t nem fog leadni, de majd meglátom.
Üdv mindenkinek!
Van egy tápom amivel autórádiót szeretnék meghajtani. Namost a táp bekapcsol meg is vannak a feszültségek, csak a venti nem indul el, ami egyébként működik! A tüskéken mérve megvan a 12V ott is. Mi lehet a gondja? A másik hogy a szükségtelen vezetékeket kiforraszthatom, vagy csak csípjem le közvetlen a nyák felszínénél? Köszi
Talán hőérzékelős, és bizonyos hőemelkedésre kapcsol csak.
Vezetékek kiforrasztva esztétikusabbak, de ha elég rövidre vágod, úgy is működni fog...
Üdv! A tápból a vezetékeket kiforrasztottam, működik is. A ventillátor probléma megoldva,a bekötése volt fordítva.
Csak annyi vele a gond hogy 12,27V a feszültség venti nélkül, de ha a ventit is bekötöm akkor csak 11,67V a fesz. Ez nem jelenthet problémát?
A táp nem figyeli a 12V kimenetet, és mivel az 5V kimenet nincs terhelve, így esni fog a 12V kimeneti feszültséged. Ez akkor lehet csak gond, ha a rádió épp a jogosan "megérdemelt" 3A áramot akarja majd felvenni egy egy mély hang esetén. Ekkor a feszültség lecsökken kb 10V környékére ez a tápot tönkre nem teszi, max a rádió nem fog ugy szólni, ahogy alapesetben tudna.
Épp nem rég alakítottam át egy tápot én is pont ilyen célra. Én átkötöttem a figyelést az 5V-ról a 12-re, és kikötöttem a rövid zár védelmet is. Továbbá a tápot úgy állítottam be, hogy a kimeneti fesz közel 14,4V legyen, pont mint az autónál járó motorral. Hátránya, hogy ha zárlatot csinálsz akkor 99% hogy a tápnak annyi. Előnye, hogy stabil a kimeneti fesz, és nem térdel le a táp egy egy mély esetén. A hozzászólás módosítva: Nov 29, 2016
Ilyen mélységben nem értek hozzá. Tulajdonképpen kaptam egy rádiót és úgy gondoltam megcsinálom a műhelybe, mert egy ugyanilyen már több mint tíz éve működik, annyi hibával hogy 3/4ig lehet felhangosítani. Akkor arra gondoltam hogy kevés a feszültség a rádiónak amit lead, de így is elég mert lehet hallani egy fúrógép mellett is. És most hogy méregettem a venti miatt meglepődtem hogy egy 140mAos ventillátor fél volttal lejjebb viszi a feszültséget. Ekkor feltettem magamnak a kérdést hogy ha én egy rádiót kötök rá akkor mi lesz. De ott van rá anyuméknál a példa hogy működőképes a dolog. Nem kapcsolt ki sosem a táp, működik ahogy kell. Talán ez is fog.
Az nem gond, a rádiónak elég lesz...
Ahogy RoliNyh is és végül is az én mondanivalómnak is a lényege az volt, hogy menni fog a rádió a jelenlegi felállásban is.
Működik is. 10,96ig ment le a fesz, tovább nem akartam most hangositani, alszik a család. Csak egy 8ohmos 15wattos hangszórót kötöttem rá, valami tvből lett kibontva. Van egy rossz magnóm abból szerelem ki a hangszórókat, rákötöm és kiderül mit tud! Úgy gondolom műhelyben elég lesz.
A hozzászólás módosítva: Nov 29, 2016
Szerintem elég kevés PC táp van aminek van -5V-os kimenete, általában erre nincs is a sima számítógépekben szükség.
Sziasztok!
Átalakítás alatt van nálam, egy Codegen 300x 300Wattos, Atx 2.03(P4) típusú tápegység. Problémám a következő: -a készenléti 5Volton kívül semmi más nincsen. A következő átalakítást végeztem: -A KA7500B-ről kikötöttem az egyes lábat és a képen látható kapcsolást alkalmaztam. -Kivettem az 5 és a 3,3Voltos ág diódáját, ami a hűtőbordán van.(megszüntetve ezzel azokat) -A szabályzott kimenet(12V) kondiját nagyobbra cseréltem. Miután nem mutatott semmi ingerenciát a működésre a készenléti feszültségen kívül,így kivettem a 4-es láb diódáját de így sem indul el. Ez a módszer másik tápon műkszik tökéletesen,de ez a kódgány nem akarja az igazságot!Miért lehet ez? A hozzászólás módosítva: Dec 15, 2016
Azzal kellett volna kezdeni, hogy mielőtt hozzákezdesz az átalakításhoz, összezárod a zöld és fekete vezetékeket és megnézed, hogy jó-e a táp.
Azzal kezdtem.Sőt mivel én vettem ki egy működő gépből, és utána még külön ellenőriztem,ezért tuti hogy működött.
Az indítás problemma megoldva.Mos viszont olyan gonom van,hogy 9Voltnál többet nem akar kiadni.Terhelést is raktam rá és sámli.
Ez is megoldva,köszönöm a segítséget.
Üdv mindenkinek!
Szeretnék egy asztali tápegységet fabrikálni egy kidobott Codegen 300XX-ből. A gond az, hogy nem működik jól... Üresen, mindenről lehúzva is elindul! Tehát nem az a probléma, hogy nem kapcsol be, hanem az ellenkezője. Be sem kell kapcsolni és megy. Vicces hiba, hogy működik, de mégsem jó. Ja, a szg-ben sem kapcsolható ki-be. Ahogy bedugom a hálózatba, el is indul azonnal. Feszültségek megvannak, bár a lila gyanús, mert 5,75V a maximális 5,25 helyett (Zöld 5,8 szürke 5,2 a KA7500B IC 1-es láb 2,45V így terheletlenül) Előre is köszönöm a tippeket!
Sziasztok!
Végre sikerült átalakítanom egy tápot, ami önmagában tökéletesen működik! Vettem hozzá egy panelmérőt ebay-ról, amit a mellékelt kép szerint kötöttem be. A probléma az, hogy az áramot 2* akkorának méri, mint a valós érték. Sajnos a panelmérőn levő potival nem lehet akkora tartományban korrigálni, szóval egyéb megoldás kellene. Itt egy videó a tápról Mérve az áram pontosan a kijelzett érték fele. Csatoltam a kapcsolást, és a mérő bekötését is. A tápban 0,05R van a GND-n, és ezután van kötve a panelmérő. Szerintem azért van eltérés, mert a tápban és a panelmerőben lévő ellenállás nem egyforma. Viszont nem tudom, hogy kellene ezt megoldani, hogy jó legyen mert egyik is, és másik is a saját értékéhez képest mér. Remélem tudtok ebben segíteni nekem. A hozzászólás módosítva: Feb 26, 2017
|
Bejelentkezés
Hirdetés |























