Fórum témák
» Több friss téma |
- Ez a felület kizárólag, az elektronikában kezdők kérdéseinek van fenntartva és nem elfelejtve, hogy hobbielektronika a fórumunk!
- Ami tehát azt jelenti, hogy a nagymama bevásárlását nem itt beszéljük meg, ill. ez nem üzenőfal! - Kerülendő az olyan kérdés, amit egy másik meglévő (több mint 17000 van), témában kellene kitárgyalni! - És végül büntetés terhe mellett kerülendő az MSN és egyéb szleng, a magyar helyesírás mellőzése, beleértve a mondateleji nagybetűket is!
A lap alján ott a számítása. Az amperóráról.
Sziasztok!
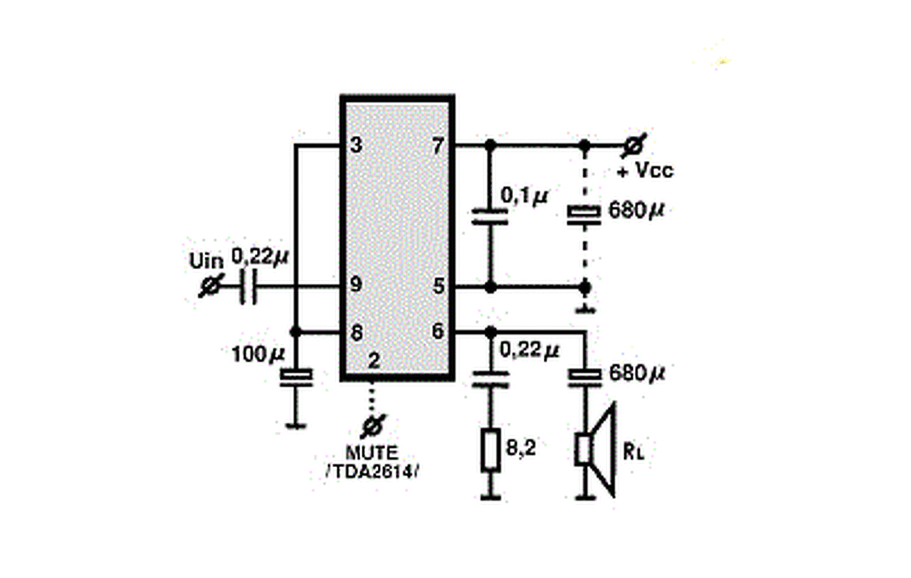
Egy kis segítség kellene.Egy rajzot szeretnék értelmezni,de van pár dolog amit nem tudok.A pontok ahol a földelés jel van az mind csatlakozik az ötös lábhoz? A második az lenne amit bekarikáztam,hogy mit is jelentenek . Segítségeteket előre is köszönöm. Idézet: Nagy valószinüséggel az áramkör negatív tápfeszültség pontja. Mondjuk inkább úgy, hogy az ötös láb is a negatív pontra csatlakozik a többi földelés jelűvel együtt egy pontra.„A pontok ahol a földelés jel van” Jobb oldalon bekarikázva van egy ellenállás, és a hullámos vonal vagy remegő kéz, vagy ráijesztettek a rajzolóra, vagy fojtótekercs tápszűrésre. Bal oldalon bekarikázva kondenzátor, a nyíl talán áramirányt jelenthet. A hozzászólás módosítva: Ápr 24, 2017
Sziasztok!
Egy to-92-es foglalatú alkatrésznek keresek foglalatot Az lenne a lényeg, hogy valamilyen megoldást keresek arra, hogy egy ds18b20-as hőmérőt úgy kellene a nyákra illesztenem, hogy az legalább 10 cm távolságra legyen a nyáktól. Előre is köszi a tippet!
Ja bocsánat.
Ez egy TDA - 2624 est ábrázol.A hullámos vonal csak javítás volt.Ott egy szaggatott vonal van,amit nem tudom mit jelent.
A talpacskákat kösd össze, az lesz a táp negatív oldala. Bővebben: Link.
Meg akkor gondolkozz még egy lépéssel tovább, ha van multiméter, és esetleg kiderül, hogy valami olyan ment tönkre ami cserélhető, akkor kell forrasztópáka, meg hozzá forrasztóón, meg kisebb apróbb alkatrésznél kellően biztos (leginkább gyakorlott) kéz az alkatrész cseréjéhez, de mérés nélkül meg ugye nem is derül ki, hogy mi a helyzet... bár ha van egy multimétered az végülis, ha más nem ismeretlen elemek megmérésére jól jöhet, hogy mégis kb mennyire jók... (Multiméter címszó alatt, olyan 800Ft-os piaci darabra gondolok, hacsak nem többet akarnál rákölteni, olyat vegyél mindenképpen, amiben van sípolós szakadásvizsgáló, és ezt a vásárláskor ellenőrizd is, hogyha abban az állásban összeérinted a zsinórt, akkor gyorsan és kellően hangosan sípol, ha meg elengeded, akkor abbahagyja... de lehet kézi multimétert akár 200eFt-ért is venni) Ja meg persze digitális multira gondoltam, az analóg se rossz akár, de ahhoz több szakértelem kell, meg sípolós szakadásvizsgáló azokban pont nem nagyon szokott lenni...
De ha meg végiggondolod azt, amit a mondókám elején írtam, hogy az alkatrész cseréhez páka meg ón is kell, nem beszélve arról, hogy esetleg nem ilyen apró alkatrészeken célszerű az ilyesmit gyakorolni, ha nem került sokba a cucc lehet jobban jársz azzal, ha veszel egy másikat, persze ha pákát pl csak emiatt vennél... de persze ez a hobbielektronika fórum, nem akarlak semmiről se lebeszélni ha van ismerősöd akinek van multija, meg ért is valamennyit hozzá lehet 5 perc alatt megméri neked, és ha van pákája meg gyakorlata akkor kb ugyanannyi alatt meg is csinálja, ha van mit... A hozzászólás módosítva: Ápr 24, 2017
Szia! Mellékelek egy TDA2624 google találatot, áttekinthetőbb.
Sziasztok!
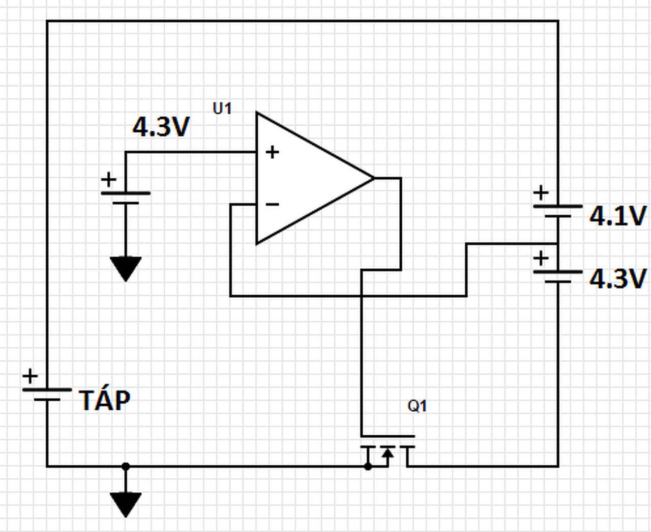
Ránéznétek erre a kapcsolásra? Mit gondoltok, működhet vagy nem? Ha nem akkor mi a hiba? Az opamp egy LDO-n keresztül fix feszültséget kapna. Az opamp (+) bemenetére fix 4.3V-ot kapcsolnék. A hozzászólás módosítva: Ápr 24, 2017
Szia!
Először is meg kell fogalmaznod azt, hogy mi a célod, majd ezek után kitalálni a megoldást.
Íme: TO-92 foglalat. De szerintem egy - akár szétvágott - DIP foglalat is jó lehet, vagy [https://www.hestore.hu/prod_10032915.html]tüskesorra való csatlakozó[/url].
Illetve van kifejezetten erre készített modul is felhúzó ellenállással, LED-del, stb.
Van két akku sorba kötve a jobb oldalon. Egy táp van a bal oldalon ami töltené a két akkut. Az opamp figyelné az alsó akku feszültségét, és ha 4.3V alatt van akkor az N-csatornájú mosfet addig tartja nyitva amíg 4.3V alatt van az akku feszültsége. Ha 4.3V fölé emelkedve az opamp elvenné a gate feszültségét így lezárna a fet.
Így gondolnám elméletileg, ez így a valóságban is működőképes lenne? Szerk: Az opamp táp negatívja is a táp negatívhoz kapcsolódik. A hozzászólás módosítva: Ápr 24, 2017
Mit értesz "működés" alatt?
Az opamp nyílthurkú erősítése baromi nagy, elméletileg végtelen, gyakorlatilag azért nem az de bőven sok nagyságrend. Szóval ez az opamp a bemenetei közötti bármilyen kis feszültségkülönség hatására vagy a negatív, vagy a pozitív tápfeszt fogja kitenni a kimenetére. Pontosabban ezt fogja megközelíteni annyira amennyire csak tudja. A többinél pedig elképzelésem sincs arról, hogy mit szeretnél...
Az a baj, hogy ha töltöd az akkut akkor nagyobb lesz a fesz amit mérsz rajta. Ez eléri a 4,3V-ot akkor lekapcsolod a töltőfeszt, a kapocsfeszültség kicsit leesik, ezzel megint bekapcsolsz, aztán megint ki, aztán a fene tudja milyen frekivel fogod kapcsolgati a tápot amíg valami el nem durran.
Hiszterézis, szerintem ezt olvasd át! A hozzászólás módosítva: Ápr 24, 2017
Úgy gondoltam, hogy a G-S között nem lesz feszültség így zárva marad a fet nem kapcsolna ki-be.
Vagy a G-D feszültség is számít és bekapcsolna arra is?
Tegyél töltőre egy akkut és mérd meg töltés közben a feszt. Majd kapcsold ki a töltőt és figyeld hogy akár csak a legkisebb mértékben is visszaesik-e a fesz. Mert az áramköröd az akkun mért kapocsfeszültség millivoltos változására is kapcsolgatni fog.
Hiszterézis, Schmitt trigger, ezeknek nézz utána. A hozzászólás módosítva: Ápr 24, 2017
A kezdőknek még elmehet, de talán jobb lenne, ha ők sem úgy tanulnák meg, hogy a műveleti erősítők bemenetei között van feszültség különbség. Ugyanis a műveleti erősítők bemenetei között nem értelmezhető feszültség különbség, azonos potenciálú pontok. Kizárólag áramirányok vannak.
Ez a kapcsolás az áramforrás belső ellenállásától függően vagy azonnal tönkreteszi a műv. erősítőt, vagy mélykisülésbe viszi a telepeket. De inkább az előbbi.
Elméletileg így van, gyakorlatilag viszont az adatlapokban szerepel az input offset voltage is.
És elméletileg áram sem folyik a bemenetükön mert végtelen a bemenetek ellenállása, gyakorlatilag viszont...
Így van. Lehet rosszul fogalmaztam, a bemenetükre felírt Kirchoff első, csomóponti törvényével kell számolni, de az meg kezdőknek még nehezebb lenne elmagyarázni, ezért nem írtam így ki. De ha már felhoztad, akkor a lúd legyen kövér
![]() A végén eljutunk a négypólusokhoz ebben a topikban. Csak azért jegyeztem meg (és nem kijavítani akarlak!), nehogy így rögzüljön a kezdőkben, hogy bementek közötti feszültség különbség, még a végén ránk fogják, hogy itt tanulták
A feszültségből ítélve Li-ion akkuról van szó, az pedig nem játék. A nem megfelelő használattól könnyen tönkremegy, ez a jobb eset, rosszabb esetben meggyullad, felrobban. Használj inkább olyan cél IC-t, ami töltéskor és kisütéskor is véd. Léteznek 1-2-3-n db sorba, illetve párhuzamosan kapcsolt cellához is.
Leírás például itt. TI 3-6 cellás védelem
A TO92 láb mérete 0,5 mm körül van. A 0,64mm-re tervezett ND csatlakozó nem fogja meg rendesen. Az XH csatlakozó érintkezőjének kialakítása olyan, hogy biztonsággal meg tudja fognai a vékonyabb lábat.
Sziasztok!
Szeretném megkérdezni, hogy honnan tudom, hogy a vásárolt dugvillás 12v-os kb.1-2-3A es tápegységem hány wattos? Köszönöm!
1 A esetén 12 W, 2 A esetén 24 W, 3 A esetén 36 W. Csak össze kell szorozni a feszültséget az árammal. P=U*I a képlet.
Így?????
P=UxI P=12V x 2A=24W ennyi az egész? És amugy mi történik, akkor, ha én veszek egy 36W, azaz 3A-es tapegységet, az egy méter ledszalagomhoz, amihez elvben elég lenne az 1A táp. Gondolom a ledszalag akkor is csak kb. 800mA fogyaszt, és nagyon biztonságos a tápegységem(nincs túlterhelve). De van más következménye? Pl. több energiát vesz ki a konnektorból?( júj ezt nagyon csúnyán írtam, ....tudom) Köszönöm! |
Bejelentkezés
Hirdetés |






ha van ismerősöd akinek van multija, meg ért is valamennyit hozzá lehet 5 perc alatt megméri neked, és ha van pákája meg gyakorlata akkor kb ugyanannyi alatt meg is csinálja, ha van mit... 






